A Novel, Energy-Efficient Smart Speed Adaptation Based on the Gini Coefficient in Autonomous Mobile Robots
Abstract
1. Introduction
1.1. Contributions of the Study
- With the developed method, speed and acceleration profiles were developed in conjunction with the task and battery status.
- The durability of the task was ensured by limiting the maximum speed according to the amount of energy used.
- Smoother speed transitions were achieved with energy-efficient acceleration based on the maximum speed limit on straight roads.
- By using the Gini coefficient, the current energy is used in a way that is balanced according to the task.
- A flexible movement model was created by responding to online changes.
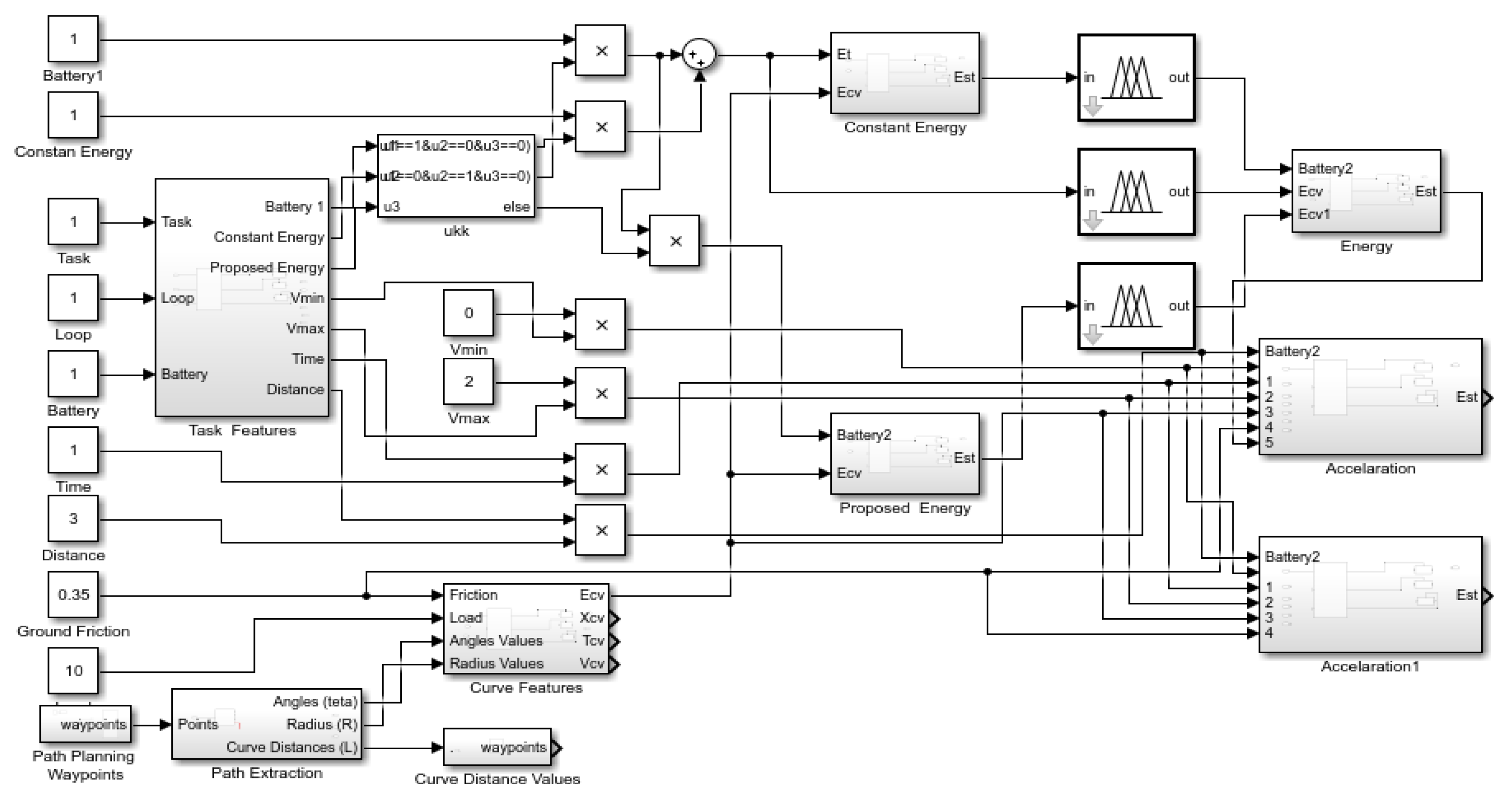
1.2. Proposed Energy Efficient Speed—Acceleration Control Model
1.3. System Model and Speed Control
2. Materials and Methods
2.1. Mobile Robot Model
2.2. Energy Model
2.3. Obtaining Road Segments
2.4. Speed and Energy Profiles of a Curved Road
2.5. Load and Speed Based Acceleration Profile of Straight Path
2.6. Task Definition and Energy Quantities
- Task 1: it is a fixed-duration and fixed-distance task type. There is no energy limit. The maximum speed limit is determined by the amount of energy remaining in the battery.
- Task 2: a fixed-distance and fast task type. There is no energy and time limit. It generally has the desired speed profile. Energy is the amount of full or remaining energy in the battery.
- Task 3: a fixed-distance and fast task type. There is no energy or time limit.
- Task 4: a fixed-distance- and constant-energy-type task. There is no time limit. The amount of energy to be used is defined.
- Task 5: the type of task with an unknown distance and constant energy. The amount of energy is the full or remaining energy of the battery. The mobile robot performs its movement according to the first exit point, certain charging points, or battery change points. It is preferred for wide-area scanning tasks
- Task 6: the type of task with a constant duration and constant energy. It aims to travel at the maximum speed limit suitable for the time and energy balance. If the battery is full, the movement is performed with .
- Task 7: a fixed-distance task type with N repetitions. The amount of energy for each repetition is determined by the balanced distribution of the full or remaining amount in the battery. The velocities of the repetitive movement are obtained according to the amount of energy. The movement speed of the full battery is expected to be , and the remaining battery amount to be .
- Task 8: a fixed-time task type with N repetitions. The amount of energy for each repetition is determined by travel with or .
2.7. Energy Balancing Based on the Gini Coefficient
2.8. Determining the Speed and Acceleration Profiles
- Rule 1: : IF R and THEN
- Rule 2: : IF and R and m and THEN
- Rule 3: : IF and R and m and THEN
- (k = 1, 2, 3… 18, = 1, 2, 3… 20, j = 1… 5, m = 1, 2)
- : IF / and V and m and THEN , , ,
- : IF / and V and m and THEN , , ,
- IF / and m and and and THEN
2.9. Trapeze Speed Profile
3. Simulation Application of the Proposed Speed—Acceleration Control Model
3.1. Simulation Scenario
3.2. Path Extraction
4. Simulation Results
5. Conclusions
Author Contributions
Funding
Conflicts of Interest
References
- Plonski, P.A.; Tokekar, P.; Isler, V. Energy-efficient path planning for solar-powered mobile robots. J. Field Robot. 2013, 30, 583–601. [Google Scholar] [CrossRef]
- Angelina, S.; Afifah, S.; Susamti, P.; Priramadhi, R.A.; Darlis, D. Efficient energy consumption for indoor mobile robot prototype under illumination. In MATEC Web of Conferences; EDP Sciences: Les Ulis, France, 2018; Volume 197, p. 11016. [Google Scholar]
- Li, B.; Moridian, B.; Kamal, A.; Patankar, S.; Mahmoudian, N. Multi-robot mission planning with static energy replenishment. J. Intell. Robot. Syst. 2019, 95, 745–759. [Google Scholar] [CrossRef]
- Gurguze, G.; Turkoglu, I. Energy management techniques in mobile robots. World Acad. Sci. Eng. Technol. Int. J. Energy Power Eng. 2017, 10, 1079–1087. [Google Scholar]
- Patle, B.K.; Pandey, A.; Parhi, D.R.K.; Jagadeesh, A. A review: On path planning strategies for navigation of mobile robot. Def. Technol. 2019, 15, 582–606. [Google Scholar] [CrossRef]
- Zakaria, M.A.; Zamzuri, H.; Mamat, R.; Mazlan, S.A. A path tracking algorithm using future prediction control with spike detection for an autonomous vehicle robot. Int. J. Adv. Robot. Syst. 2013, 10, 309. [Google Scholar] [CrossRef]
- Patrizi, N.; Fragkos, G.; Ortiz, K.; Oishi, M.; Tsiropoulou, E.E. A UAV-enabled dynamic multi-target tracking and sensing framework. In Proceedings of the GLOBECOM 2020—2020 IEEE Global Communications Conference, Taipei, Taiwan, 7–11 December 2020; pp. 1–6. [Google Scholar]
- Wu, D.; Zeng, G.; Meng, L.; Zhou, W.; Li, L. Gini coefficient-based task allocation for multi-robot systems with limited energy resources. IEEE/CAA J. Autom. Sin. 2017, 5, 155–168. [Google Scholar] [CrossRef]
- Kim, C.; Kim, B. Minimum-Energy Rotational Trajectory Planning for Differential-Driven Wheeled Mobile Robots. In Proceedings of the 13th International Conference on Advanced Robotics, Jeju, Korea, 22–25 August 2007; pp. 265–270. [Google Scholar]
- Wang, G.; Irwin, M.J.; Berman, P.; Fu, H.; La Porta, T. Optimizing sensor movement planning for energy efficiency. In Proceedings of the 2005 International Symposium on Low Power Electronics and Design, San Diego, CA, USA, 8–10 August 2005; pp. 215–220. [Google Scholar]
- Kim, C.H.; Kim, B.K. Minimum-energy translational trajectory generation for differential-driven wheeled mobile robots. J. Intell. Robot. Syst. 2007, 49, 367–383. [Google Scholar] [CrossRef]
- Tokekar, P.; Karnad, N.; Isler, V. Energy-optimal velocity profiles for car-like robots. In Proceedings of the 2011 IEEE International Conference on Robotics and Automation, Shanghai, China, 9–13 May 2011; pp. 1457–1462. [Google Scholar]
- Morales, M.F.J.; Mendoza, J.B.G. Mixed Energy Model for a Differential Guide Mobile Robot. In Proceedings of the 2018 23rd International Conference on Methods & Models in Automation & Robotics (MMAR), Miedzyzdroje, Poland, 28–30 August 2018; pp. 114–119. [Google Scholar]
- Jaramillo-Morales, M.F.; Dogru, S.; Gomez-Mendoza, J.B.; Marques, L. Energy estimation for differential drive mobile robots on straight and rotational trajectories. Int. J. Adv. Robot. Syst. 2020, 17, 1729881420909654. [Google Scholar] [CrossRef]
- Broderick, J.A.; Tilbury, D.M.; Atkins, E.M. Optimal coverage trajectories for a UGV with tradeoffs for energy and time. Auton. Robot. 2014, 36, 257–271. [Google Scholar] [CrossRef]
- Serralheiro, W.; Maruyama, N.; Saggin, F. Self-tuning time-energy optimization for the trajectory planning of a wheeled mobile robot. J. Intell. Robot. Syst. 2019, 95, 987–997. [Google Scholar] [CrossRef]
- Li, Z.; Chitturi, M.V.; Bill, A.R.; Noyce, D.A. Automated identification and extraction of horizontal curve information from geographic information system roadway maps. Transp. Res. Rec. 2012, 2291, 80–92. [Google Scholar] [CrossRef]
- Gámez Serna, C.; Ruichek, Y. Dynamic speed adaptation for path tracking based on curvature information and speed limits. Sensors 2017, 17, 1383. [Google Scholar] [CrossRef] [PubMed]
- Michaud, F.; Robichaud, E. Sharing charging stations for long-term activity of autonomous robots. In Proceedings of the IEEE/RSJ International Conference on Intelligent Robots and Systems, Lausanne, Switzerland, 27 September–4 October 2002; Volume 3, pp. 2746–2751. [Google Scholar]
- Gürgöze, G.; Türkoğlu, İ. A novel energy consumption model for autonomous mobile robot. Turk. J. Electr. Eng. Comput. Sci. 2022, 30, 216–232. [Google Scholar]
- Cerkala, J.; Jadlovská, A. Nonholonomic mobile robot with differential chassis mathematical modelling and implementation in simulink with friction in dynamics. Acta Electrotech. Inform. 2015, 15, 3–8. [Google Scholar] [CrossRef]
- Hirpo, B.D.; Zhongmin, W. Design and control for differential drive mobile robot. Int. J. Eng. Res. Technol. 2017, 6, 327–334. [Google Scholar]
- Leena, N.; Saju, K.K. Modelling and trajectory tracking of wheeled mobile robots. Procedia Technol. 2016, 24, 538–545. [Google Scholar] [CrossRef]
- Hou, L.; Zhang, L.; Kim, J. Energy modeling and power measurement for mobile robots. Energies 2019, 12, 27–42. [Google Scholar] [CrossRef]
- Wahab, M.; Rios-Gutierrez, F.; ElShahat, A. Energy modeling of differential drive robots. In Proceedings of the Annual IEEE SoutheastCon Conference, Fort Lauderdale, FL, USA, 9–12 April 2015; pp. 1–6. [Google Scholar]
- Pellegrinelli, S.; Borgia, S.; Pedrocchi, N.; Villagrossi, E.; Bianchi, G.; Tosatti, L.M. Minimization of the energy consumption in motion planning for single-robot tasks. Procedia Cirp 2015, 29, 354–359. [Google Scholar] [CrossRef]
- Parasuraman, R.; Pagala, P.; Kershaw, K.; Ferre, M. Energy management module for mobile robots in hostile environments. In Conference Towards Autonomous Robotic Systems; Springer: Berlin/Heidelberg, Germany, 2012; pp. 430–431. [Google Scholar]
- Derenick, J.; Michael, N.; Kumar, V. Energy-aware coverage control with docking for robot teams. In Proceedings of the 2011 IEEE/RSJ International Conference on Intelligent Robots and Systems 2011, San Francisco, CA, USA, 25–30 September 2011; pp. 3667–3672. [Google Scholar]
- Jaramillo-Morales, M.F.; Dogru, S.; Marques, L. Generation of energy optimal speed profiles for a differential drive mobile robot with payload on straight trajectories. In Proceedings of the 2020 IEEE International Symposium on Safety, Security, and Rescue Robotics (SSRR), Abu Dhabi, United Arab Emirates, 4–6 November 2020; pp. 136–141. [Google Scholar]
- Gurgoze, G.; Turkoglu, I. Development of experimental setup for determining the parameters of DC motors used in mobile robots. J. Polytech. 2021, 1, 1–9. [Google Scholar] [CrossRef]
- Patel, H.; Chandwani, H. Simulation and experimental verification of modified sinusoidal pulse width modulation technique for torque ripple attenuation in Brushless DC motor drive. Eng. Sci. Technol. Int. J. 2020, 24, 671–681. [Google Scholar] [CrossRef]
- Samuel, M.; Hussein, M.; Mohamad, M.B. A review of some pure-pursuit based path tracking techniques for control of autonomous vehicle. Int. J. Comput. Appl. 2016, 135, 35–38. [Google Scholar] [CrossRef]
- Bahri, R.; Boucetta, R.; Naoui, S.B.H.A. A novel frictional force control of a wheeled robot. In Proceedings of the 2017 18th International Conference on Sciences and Techniques of Automatic Control and Computer Engineering (STA), Monastir, Tunisia, 21–23 December 2017; pp. 229–234. [Google Scholar]
- Lex, C. Maximum Tire-Road Friction Coefficient Estimation; Verlag der Technischen Universität Graz: Graz, Austria, 2015. [Google Scholar]
- Azzabi, A.; Nouri, K. An advanced potential field method proposed for mobile robot path planning. Trans. Inst. Meas. Control 2019, 41, 3132–3144. [Google Scholar] [CrossRef]
















| Fuzzy Model | Path Inferences | ||||||||
|---|---|---|---|---|---|---|---|---|---|
| Inputs | Outputs | ||||||||
| R (m) | θ (rad) | M (Kg) | (m/s) | (J) | (sec) | (m) | (m) | ||
| 1 | 3.005 | 57.01 | 0.7 | 10 | 0.554 | 372 | 5.3 | 2.99 | 2.927 |
| 2 | 5.221 | 60.23 | 0.7 | 10 | 1.152 | 422 | 4.8 | 5.6 | 5.197 |
| 3 | 3.767 | 21.52 | 0.7 | 10 | 0.605 | 365 | 3.06 | 1.415 | 2.206 |
| 4 | 11.919 | 175.2 | 0.7 | 10 | 1.085 | 1380 | 18.8 | 18.63 | 2.0 |
| 5 | 5.012 | 5.71 | 0.7 | 10 | 0.715 | 602 | 0.69 | 0.5 | - |
| Time (sec) | Distance (m) | Vmax/Vfmax (m/s) | ~Energy Consumption (J) | Task Performance | |
|---|---|---|---|---|---|
| Proposed | 50 | 41.46 | ~1.2 | 4373 | Task completed |
| Trapeze | 44 | 45.22 | 1.5 | 4730 | Task completed |
| Proposed | Trapeze | |||||||
|---|---|---|---|---|---|---|---|---|
| 0.554 | 372 | 280 | 0.245 | 0.256 | 1.5 | 415 | 308 | 0.2 |
| 1.152 | 422 | 354 | 0.315 | 0.342 | 468 | 397 | ||
| 0.605 | 365 | 352 | 0.245 | 0.28 | 403 | 384 | ||
| 1.085 | 1380 | 246 | 0.254 | 0.32 | 1451 | 262 | ||
| 0.715 | 602 | - | - | - | 642 | |||
| Static Environment | Dynamic Environment | ||||
|---|---|---|---|---|---|
| Average Gini Coefficient | (m/s) | Total (J) | Average Gini Coefficient | (m/s) | Total (J) |
| ~0.12 | ~1.18 | 1232 | 0.254 | ~1.13 | 1098 |
| Stone Ground | Soil Ground | |||||||||
|---|---|---|---|---|---|---|---|---|---|---|
| Total Energy (J) | Total Energy (J) | |||||||||
| 0.554 | 372 | 280 | 0.245 | 0.256 | 383 | 297 | 0.251 | 0.258 | ||
| 1.152 | 422 | 354 | 4373 | 0.315 | 0.342 | 428 | 359 | 4460 | 0.318 | 0.346 |
| 0.605 | 365 | 352 | 0.245 | 0.28 | 371 | 357 | 0.249 | 0.297 | ||
| 1.085 | 1380 | 246 | 0.254 | 0.32 | 1393 | 251 | 0.259 | 0.334 | ||
| 0.715 | 602 | - | - | - | 621 | - | - | - | ||
| 10 Kg | 50 Kg | |||||
|---|---|---|---|---|---|---|
| 0.554 | 372 | 280 | 0.245 | 0.256 | 431 | 311 |
| 1.152 | 422 | 354 | 0.315 | 0.342 | 492 | 388 |
| 0.605 | 365 | 352 | 0.245 | 0.28 | 403 | 387 |
| 1.085 | 1380 | 246 | 0.254 | 0.32 | 1412 | 273 |
| 0.715 | 602 | - | - | - | 658 | |
| Time (sec) | Vmax/Vfmax (m/s) | ~Energy Consumption (J) | Task Performance | |
|---|---|---|---|---|
| Sufficient | 50 | ~1.2 | 4373 | Completed |
| Insufficient | 68 | 0.92 | 2857 | Completed |
| Time (sec) | Vmax/Vfmax (m/s) | ~Energy Cosumption (J) | Task Performance |
|---|---|---|---|
| 50 | ~1.2 | 4373 | Completed |
| 96 | 0.5 | 4986 | Completed |
Publisher’s Note: MDPI stays neutral with regard to jurisdictional claims in published maps and institutional affiliations. |
© 2022 by the authors. Licensee MDPI, Basel, Switzerland. This article is an open access article distributed under the terms and conditions of the Creative Commons Attribution (CC BY) license (https://creativecommons.org/licenses/by/4.0/).
Share and Cite
Gürgöze, G.; Türkoğlu, İ. A Novel, Energy-Efficient Smart Speed Adaptation Based on the Gini Coefficient in Autonomous Mobile Robots. Electronics 2022, 11, 2982. https://doi.org/10.3390/electronics11192982
Gürgöze G, Türkoğlu İ. A Novel, Energy-Efficient Smart Speed Adaptation Based on the Gini Coefficient in Autonomous Mobile Robots. Electronics. 2022; 11(19):2982. https://doi.org/10.3390/electronics11192982
Chicago/Turabian StyleGürgöze, Gürkan, and İbrahim Türkoğlu. 2022. "A Novel, Energy-Efficient Smart Speed Adaptation Based on the Gini Coefficient in Autonomous Mobile Robots" Electronics 11, no. 19: 2982. https://doi.org/10.3390/electronics11192982
APA StyleGürgöze, G., & Türkoğlu, İ. (2022). A Novel, Energy-Efficient Smart Speed Adaptation Based on the Gini Coefficient in Autonomous Mobile Robots. Electronics, 11(19), 2982. https://doi.org/10.3390/electronics11192982

