A Topology Generation and Synthesis Method for Boost Converters Based on Inductive Volt-Second Balance Theory
Abstract
:1. Introduction
- (1).
- The general formula for voltage gain requires a very complex mathematical derivation, and it is difficult to derive a unified gain formula when the circuit is higher than two orders.
- (2).
- The resulting circuit topologies have many of the same properties and they are not clearly classified.
2. Topological Synthesis Derivation
- (a)
- The circuit works in continuous conduction mode (CCM).
- (b)
- All used components are ideal.
- (c)
- One can define the number of inductors as the order of the circuit topology. Then, Equation (1) can be listed for a first-order circuit.
- (a)
- The gain cannot always be 1 or −1, so K1, K2 cannot be 0 at the same time, and K3, K4 cannot be 0 at the same time, and the cases of K1 = K3 and K2 = K4 should also be excluded.
- (b)
- The gain cannot always be 0 or infinity, so K1, K3 cannot be 0 at the same time; K2, K4 cannot be 0 at the same time.
- (c)
- For and , which are mutually opposite gain forms, they are regarded as the same case because they have the same voltage change capability, and only the output is opposite.
3. Topology Programming
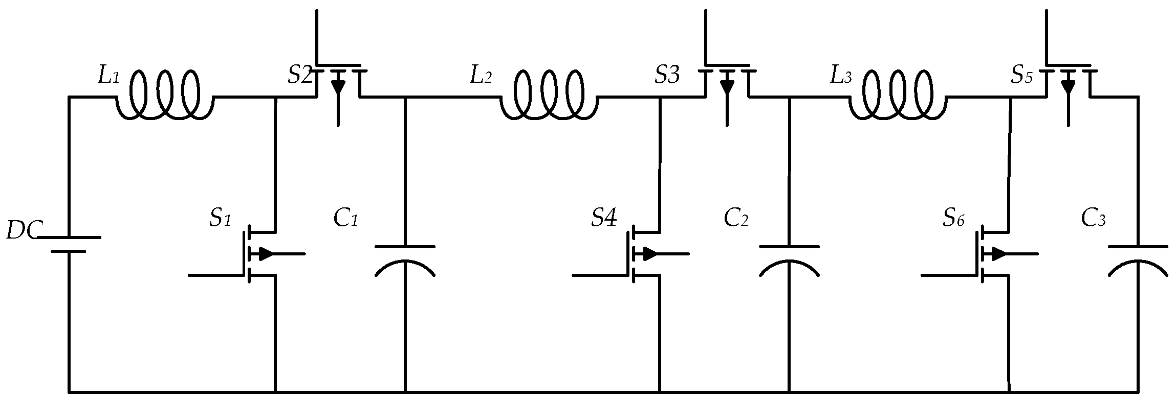
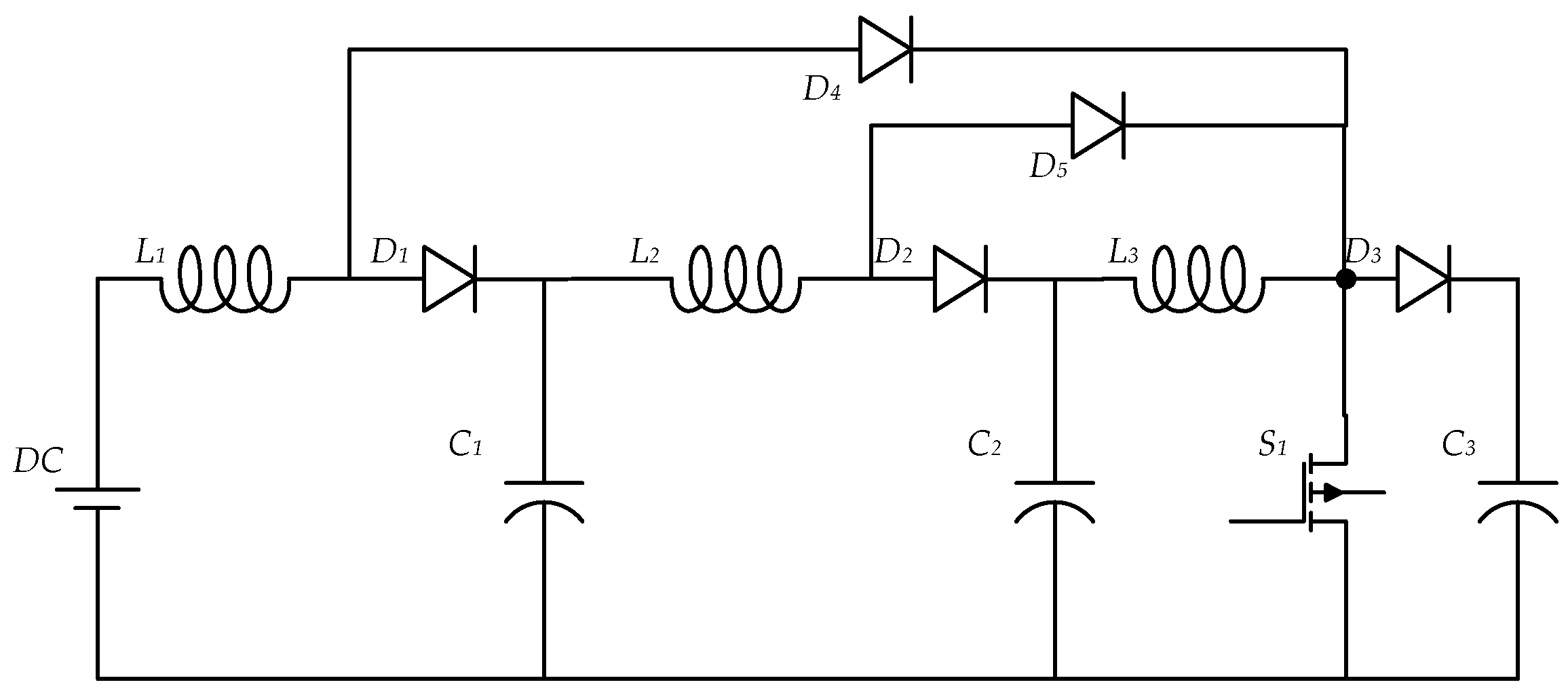
4. Topology Generation
5. Circuit Simulation
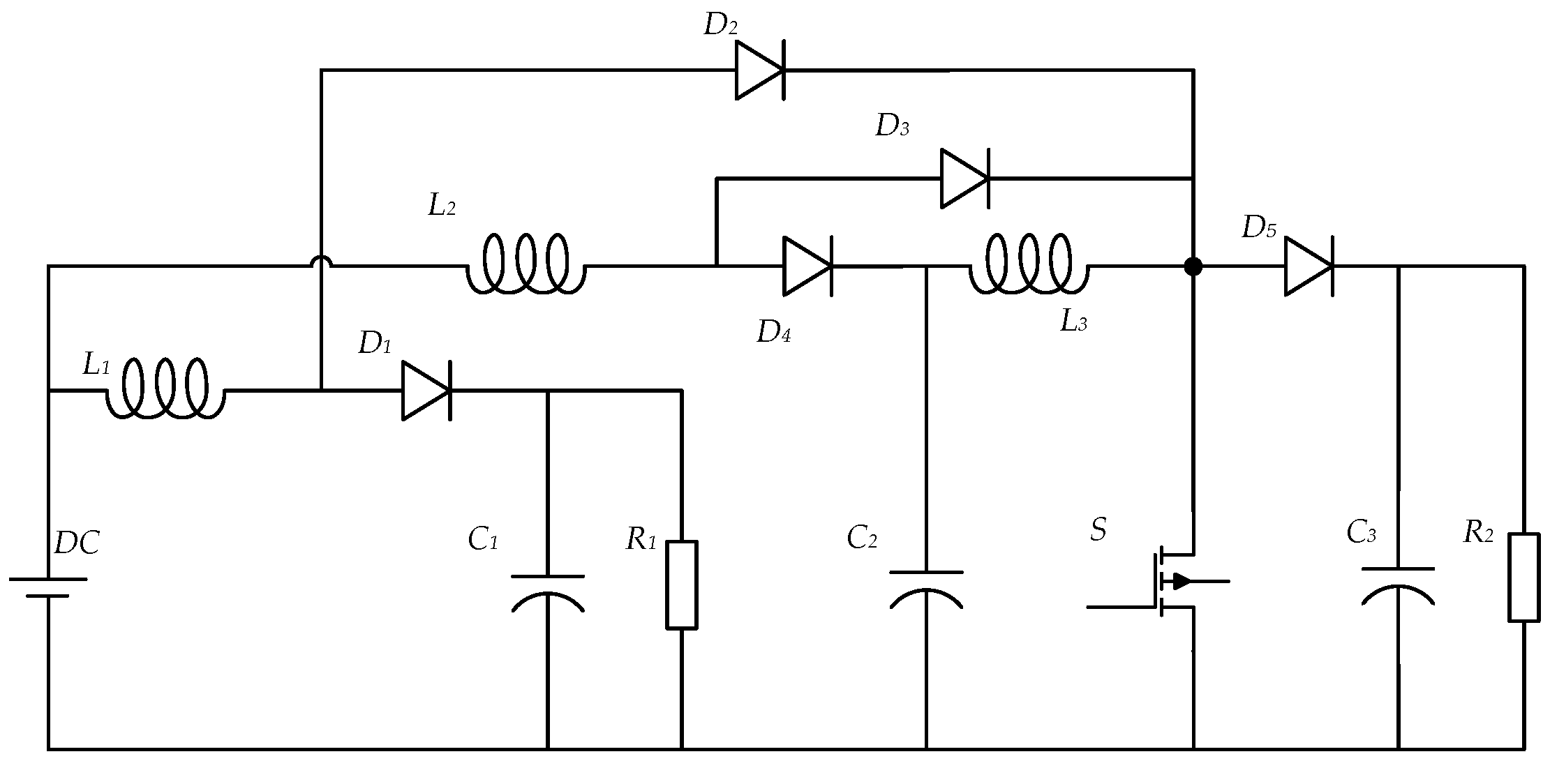
6. Experimental Verification
7. Conclusions
Author Contributions
Funding
Institutional Review Board Statement
Informed Consent Statement
Data Availability Statement
Conflicts of Interest
References
- Serban, I.; Marinescu, C. Control strategy of three-phase battery energy storage systems for frequency support in microgrids and with uninterrupted supply of local loads. IEEE Trans. Power Electron. 2013, 29, 5010–5020. [Google Scholar] [CrossRef]
- Lakshmi, M.; Hemamalini, S. Nonisolated high gain DC–DC converter for DC microgrids. IEEE Trans. Ind. Electron. 2017, 65, 1205–1212. [Google Scholar] [CrossRef]
- Zaid, M.; Khan, S.; Siddique, M.D.; Sarwar, A.; Ahmad, J.; Sarwer, Z.; Iqbal, A. A transformerless high gain dc–dc boost converter with reduced voltage stress. Int. Trans. Electr. Energy Syst. 2021, 31, e12877. [Google Scholar] [CrossRef]
- Bao, D.; Kumar, A.; Pan, X.; Xiong, X.; Beig, A.R.; Singh, S.K. Switched Inductor Double Switch High Gain DC-DC Converter for Renewable Applications. IEEE Access 2021, 9, 14259–14270. [Google Scholar] [CrossRef]
- Fan, X.; Sun, H.; Yuan, Z.; Li, Z.; Shi, R.; Ghadimi, N. High voltage gain DC/DC converter using coupled inductor and VM techniques. IEEE Access 2020, 8, 131975–131987. [Google Scholar] [CrossRef]
- Alzahrani, A.; Shamsi, P.; Ferdowsi, M. A novel interleaved non-isolated high-gain DC-DC boost converter with Greinacher voltage multiplier cells. In Proceedings of the 2017 IEEE 6th International Conference on Renewable Energy Research and Applications (ICRERA), San Diego, CA, USA, 5–8 November 2017; pp. 222–227. [Google Scholar]
- Elsayad, N.; Moradisizkoohi, H.; Mohammed, O. A New SEPIC-Based Step-Up DC-DC Converter with Wide Conversion Ratio for Fuel Cell Vehicles: Analysis and Design. IEEE Trans. Ind. Electron. 2020, 68, 6390–6400. [Google Scholar] [CrossRef]
- Li, S.; Xie, W.; Smedley, K.M. A family of an automatic interleaved Dickson switched-capacitor converter and its ZVS resonant configuration. IEEE Trans. Ind. Electron. 2018, 66, 255–264. [Google Scholar] [CrossRef]
- Li, S.; Zheng, Y.; Smedley, K.M. A family of step-up resonant switched-capacitor converter with a continuously adjustable conversion ratio. IEEE Trans. Power Electron. 2018, 34, 378–390. [Google Scholar] [CrossRef]
- Wang, Y.; Jing, W.; Qiu, Y.; Wang, Y.; Deng, X.; Hua, K.; Hu, B.; Xu, D. A family of Y-source DC/DC converter based on switched inductor. IEEE Trans. Ind. Appl. 2018, 55, 1587–1597. [Google Scholar] [CrossRef]
- Dargahi, V.; Sadigh, A.K.; Abarzadeh, M.; Eskandari, S.; Corzine, K.A. A new family of modular multilevel converter based on modified flying-capacitor multicell converters. IEEE Trans. Power Electron. 2014, 30, 138–147. [Google Scholar] [CrossRef]
- Wu, H.; Sun, K.; Ding, S.; Xing, Y. Topology derivation of nonisolated three-port DC–DC converters from DIC and DOC. IEEE Trans. Power Electron. 2012, 28, 3297–3307. [Google Scholar] [CrossRef]
- Chen, G.; Jin, Z.; Liu, Y.; Hu, Y.; Zhang, J.; Qing, X. Programmable topology derivation and analysis of integrated three-port DC–DC converters with reduced switches for low-cost applications. IEEE Trans. Ind. Electron. 2018, 66, 6649–6660. [Google Scholar] [CrossRef] [Green Version]
- Chen, Y.M.; Huang, A.Q.; Yu, X. A high step-up three-port DC–DC converter for stand-alone PV/battery power systems. IEEE Trans. Power Electron. 2013, 28, 5049–5062. [Google Scholar] [CrossRef]
- Tao, H.; Kotsopoulos, A.; Duarte, J.L.; Hendrix, M.A.M. A soft-switched three-port bidirectional converter for fuel cell and supercapacitor applications. In Proceedings of the 2005 IEEE 36th Power Electronics Specialists Conference, Recife, Brazil, 12–16 June 2005; pp. 2487–2493. [Google Scholar]
- Wang, Z.; Li, H. An integrated three-port bidirectional DC–DC converter for PV application on a DC distribution system. IEEE Trans. Power Electron. 2012, 28, 4612–4624. [Google Scholar] [CrossRef]
- Panigrahi, R.; Mishra, S.K.; Joshi, A.; Ngo, K.D. DC-DC converter synthesis: An inverse problem. IEEE Trans. Power Electron. 2020, 35, 12633–12638. [Google Scholar] [CrossRef]
- Panigrahi, R.; Mishra, S.; Joshi, A. Synthesis of an Optimum Converter Topology for a Specified Voltage Conversion Ratio. IEEE Trans. Ind. Appl. 2021, 57, 3923–3934. [Google Scholar] [CrossRef]
- Panigrahi, R.; Mishra, S.K.; Joshi, A.; Ngo, K.D. Synthesis of DC–DC Converters from Voltage Conversion Ratio and Prescribed Requirements. IEEE Trans. Power Electron. 2021, 36, 13889–13902. [Google Scholar] [CrossRef]
- Tomczyk, K. Procedure proposal for establishing the class of dynamic accuracy for measurement sensors using simulation signals with one constraint. Measurement 2021, 178, 109367. [Google Scholar] [CrossRef]
- Mummadi, V.C.; Khuntia, M.R. Design and analysis of two-switch based enhanced gain buck-boost converters. IEEE Trans. Ind. Electron. 2021, 69, 3577–3587. [Google Scholar]













| Gain Form of First-Order DC–DC Converter | |||
|---|---|---|---|
| Gain form | G | ||
| Buck type | |||
| Buck–boost type | |||
| Boost type | |||
| Polynomial Label | Polynomial |
|---|---|
| Connection Factor | K11, K12, K21, K22, K31, K32, a21, a22, a31, a32, a33, b21, b22, b31, b32, b33 | ||
|---|---|---|---|
| Value | 0, −1, 0, −1, 0, −1, 1, 0, 0, 0, 1, 1, 0, 0, 0, 1 | 0, −1, 0, −1, 0, −1, 0, 1, 1, 0, 0, 0, 1, 1, 0, 0 | 0, −1, 0, −1, 0, −1, 1, 0, 0, 1, 0, 1, 0, 0, 1, 0 |
| Gain | 1/(1 − D)2 | ||
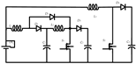
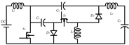
| Topology | (1)![]() | (2)![]() | (3)![]() |
| Value | 0, −1, 0, −1, 0, −1, 0, 1, 0, 0, 1, 0, 1, 0, 0, 1 | 0, −1, 0, −1, 0, −1, 1, 1, 0, 0, 1, 1, 0, 0, 0, 1 | 0, −1, 0, −1, 0, −1, 0, 1, 0, 1, 1, 0, 1, 0, 1, 0 |
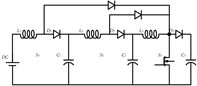
| Gain | 1/(1 − D)3 | ||
| Topology | (4)![]() | (5)![]() | (6)![]() |
| Value | 0, −1, 0, −1, 0, −1, 0, 1, 1, 1, 0, 0, 0, 0, 1, 1 | −1, 0, 0, −1, 0, −1, 0, 1, 1, 0, 1, 0, 1, 0, 0, 1 | −1, 0, 0, −1, 0, −1, 0, 1, 1, 0, 1, 1, 0, 0, 1, 1 |
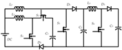
| Gain | D/(1 − D)2 | ||
| Topology | (7)![]() | (8)![]() | (9)![]() |
| Value | −1, 0, 0, −1, 0, −1, 1, 0, 1, 0, 1, 1, 1, 0, 0, 1 | −1, 0, 0, −1, 0, −1, 0, 1, 1, 0, 1, 1, 0, 0, 1, 1 | 0, −1, 0, −1, −1, 0, 1, 1, 0, 1, 1, 0, 1, 0, 1, 0 |
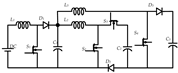
| Gain | D2/(1 − D)2 | ||
| Topology | (10)![]() | (11)![]() | (12)![]() |
Publisher’s Note: MDPI stays neutral with regard to jurisdictional claims in published maps and institutional affiliations. |
© 2022 by the authors. Licensee MDPI, Basel, Switzerland. This article is an open access article distributed under the terms and conditions of the Creative Commons Attribution (CC BY) license (https://creativecommons.org/licenses/by/4.0/).
Share and Cite
Zhang, S.; Zhou, R.; Du, X.; Zhang, Y.; Yang, W.; Zhao, H.; Zhang, J.; Luo, F.L. A Topology Generation and Synthesis Method for Boost Converters Based on Inductive Volt-Second Balance Theory. Electronics 2022, 11, 2286. https://doi.org/10.3390/electronics11152286
Zhang S, Zhou R, Du X, Zhang Y, Yang W, Zhao H, Zhang J, Luo FL. A Topology Generation and Synthesis Method for Boost Converters Based on Inductive Volt-Second Balance Theory. Electronics. 2022; 11(15):2286. https://doi.org/10.3390/electronics11152286
Chicago/Turabian StyleZhang, Shaoru, Ran Zhou, Xiuju Du, Yanhua Zhang, Wenxiu Yang, Hua Zhao, Jielu Zhang, and Fang Lin Luo. 2022. "A Topology Generation and Synthesis Method for Boost Converters Based on Inductive Volt-Second Balance Theory" Electronics 11, no. 15: 2286. https://doi.org/10.3390/electronics11152286
APA StyleZhang, S., Zhou, R., Du, X., Zhang, Y., Yang, W., Zhao, H., Zhang, J., & Luo, F. L. (2022). A Topology Generation and Synthesis Method for Boost Converters Based on Inductive Volt-Second Balance Theory. Electronics, 11(15), 2286. https://doi.org/10.3390/electronics11152286













