A High Efficiency Low Noise RF-to-DC Converter Employing Gm-Boosting Envelope Detector and Offset Canceled Latch Comparator
Abstract
1. Introduction
2. Design of RF Envelope Detector
2.1. Conventional RF Envelope Detector
2.2. Proposed LC-CL Balun-Based Gm-Boosting RF Envelope Detector
3. Design of Baseband Amplifier
4. Design of Comparator
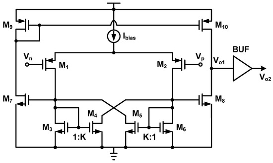
4.1. Conventional Hysteresis Comparator
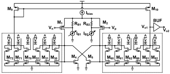
4.2. Proposed Programmable Hysteresis Comparator with Body-Biasing-Based DC Offset Cancellation
5. Post Layout Simulation Results of Proposed RF-to-DC Conversion Circuit for WuRx
6. Conclusions
Author Contributions
Funding
Acknowledgments
Conflicts of Interest
References
- The Report of IHS Markit, 8 in 2018: The Top Transformative Technologies to Watch This Year. Available online: https://www.caba.org/public_research/is-2018-118-8-in-2018-the-top-transformative-technologies-to-watch-this-year (accessed on 3 November 2020).
- Liu, Y.-H.; Huang, X.; Vidojkovic, M.; Ba, A.; Harpe, P.; Dolmans, G.; De Groot, H. A 1.9 nJ/b 2.4 GHz multistandard (Bluetooth Low Energy/Zigbee/IEEE802.15.6) transceiver for personal/body-area networks. In Proceedings of the 2013 IEEE International Solid-State Circuits Conference—Digest of Technical Papers, San Francisco, CA, USA, 17–21 February 2013; pp. 446–447. [Google Scholar]
- Retz, G.; Shanan, H.; Mulvaney, K.; O’Mahony, S.; Chanca, M.; Crowley, P.; Billon, C.; Khan, K.; Quinlan, P. A highly integrated low-power 2.4 GHz transceiver using a direct-conversion diversity receiver in 0.18 µm CMOS for IEEE802.15.4 WPAN. In Proceedings of the 2009 IEEE International Solid-State Circuits Conference—Digest of Technical Papers, San Francisco, CA, USA, 8–12 February 2009; pp. 414–415. [Google Scholar]
- Kim, S.J.; Kim, D.G.; Oh, S.J.; Lee, D.S.; Pu, Y.G.; Hwang, K.C.; Yang, Y.; Lee, K.Y. A Fully Integrated Bluetooth Low-Energy Transceiver with Integrated Single Pole Double Throw and Power Management Unit for IoT Sensors. Sensors 2019, 19, 2420. [Google Scholar] [CrossRef] [PubMed]
- Jovalekic, N.; Drndarevic, V.; Darby, I.; Zennaro, M.; Pietrosemoli, E.; Ricciato, F. LoRa Transceiver with Improved Characteristics. IEEE Wirel. Commun. Lett. 2018, 7, 1058–1061. [Google Scholar] [CrossRef]
- Chaudhari, B.S.; Zennaro, M.; Borkar, S. LPWAN Technologies: Emerging Application Characteristics, Requirements, and Design Considerations. Future Internet 2020, 12, 46. [Google Scholar] [CrossRef]
- Magno, M.; Benini, L. An ultra low power high sensitivity wake-up radio receiver with addressing capability. In Proceedings of the 2014 IEEE 10th International Conference on Wireless and Mobile Computing, Networking and Communications (WiMob), Larnaca, Cyprus, 8–10 October 2014; pp. 92–99. [Google Scholar]
- Jurdak, R.; Baldi, P.; Videira Lopes, C. Adaptive Low Power Listening for Wireless Sensor Networks. IEEE Trans. Mob. Comput. 2007, 6, 988–1004. [Google Scholar] [CrossRef]
- Demirkol, I.; Ersoy, C.; Onur, E. Wake-up receivers for wireless sensor networks: Benefits and challenges. IEEE Wirel. Commun. 2009, 16, 88–96. [Google Scholar] [CrossRef]
- Jelicic, V.; Magno, M.; Brunelli, D.; Bilas, V.; Benini, L. Benefits of Wake-Up Radio in Energy-Efficient Multimodal Surveillance Wireless Sensor Network. IEEE Sens. J. 2014, 14, 3210–3220. [Google Scholar] [CrossRef]
- Choi, J.; Lee, K.; Yun, S.-O.; Lee, S.-G.; Ko, J. An interference-aware 5.8 GHz wake-up radio for ETCS. In Proceedings of the 2012 IEEE International Solid-State Circuits Conference, San Francisco, CA, USA, 19–23 February 2012; pp. 446–448. [Google Scholar]
- Cheng, K.-W.; Liu, X.; Je, M. A 2.4/5.8 GHz 10 μW wake-up receiver with −65/−50 dBm sensitivity using direct active rf detection. In Proceedings of the 2012 IEEE Asian Solid State Circuits Conference (A-SSCC), Kobe, Japan, 12–14 November 2012; pp. 337–340. [Google Scholar]
- Van Liempd, B.; Vidojkovic, M.; Lont, M.; Zhou, C.; Harpe, P.; Milosevic, D.; Dolmans, G. A 3 µW fully-differential RF envelope detector for ultra-low power receivers. In Proceedings of the 2012 IEEE International Symposium on Circuits and Systems (ISCAS), Seoul, Korea, 20–23 May 2012; pp. 1496–1499. [Google Scholar]
- Choi, J.; Lee, I.-Y.; Lee, K.; Yun, S.-O.; Kim, J.; Ko, J.; Yoon, G.; Lee, S.-G. A 5.8-GHz DSRC Transceiver With a 10 µA Interference-Aware Wake-Up Receiver for the Chinese ETCS. IEEE Trans. Microw. Theory Tech. 2014, 62, 3146–3160. [Google Scholar] [CrossRef]
- Razavi, B.; Wooley, B.A. Design techniques for high-speed, high-resolution comparators. IEEE J. Solid-State Circuits 1992, 27, 1916–1926. [Google Scholar] [CrossRef]
- Van Der Plas, G.; Decoutere, S.; Donnay, S. A 0.16 pJ/Conversion-Step 2.5 mW 1.25 GS/s 4b ADC in a 90 nm Digital CMOS Process. In Proceedings of the 2006 IEEE International Solid State Circuits Conference—Digest of Technical Papers, San Francisco, CA, USA, 6–9 February 2006; pp. 2310–2319. [Google Scholar]
- Verbruggen, B.; Craninckx, J.; Kuijk, M.; Wambacq, P.; Van Der Plas, G. A 2.2 mW 5b 1.75GS/s Folding Flash ADC in 90nm Digital CMOS. Proceeding of the 2008 IEEE International Solid-State Circuits Conference—Digest of Technical Papers, San Francisco, CA, USA, 3–7 February 2008; pp. 252–611. [Google Scholar]
- Junjie, Y.; Jin, L.; Hoi, L. Bulk Voltage Trimming Offset Calibration for High-Speed Flash ADCs. IEEE Trans. Circuits Syst. II Express Briefs 2010, 57, 110–114. [Google Scholar] [CrossRef]
- Mashhadi, S.B.; Nasrollaholosseini, S.H.; Sepehrian, H.; Lotfi, R. An offset cancellation technique for comparators using body-voltage trimming. In Proceedings of the 2011 IEEE 9th International New Circuits and Systems Conference, Bordeaux, France, 26–29 June 2011; pp. 273–276. [Google Scholar]
- Idres, S.B.; El-Nozahi, M.; Ragai, H.F. A noise cancelling envelope detector for low power wireless sensor applications. In Proceedings of the 2015 IEEE International Symposium on Circuits and Systems (ISCAS), Lisbon, Portugal, 24–27 May 2015; pp. 1302–1305. [Google Scholar]
- Chen, S.-E.; Yang, C.-L.; Cheng, K.-W. A 4.5 μW 2.4 GHz wake-up receiver based on complementary current-reuse RF detector. In Proceedings of the 2015 IEEE International Symposium on Circuits and Systems (ISCAS), Lisbon, Portugal, 24–27 May 2015; pp. 1215–1217. [Google Scholar]
- Sadagopan, K.R.; Kang, J.; Jain, S.; Ramadass, Y.; Natarajan, A. A 365 nW −61.5 dBm sensitivity, 1.875 cm2 2.4 GHz wake-up receiver with rectifier-antenna co-design for passive gain. In Proceedings of the 2017 IEEE Radio Frequency Integrated Circuits Symposium (RFIC), Honolulu, HI, USA, 4–6 June 2017; pp. 180–183. [Google Scholar]











| Type | Component | Value | Component | Value |
|---|---|---|---|---|
| Conventional | M1 | 28 µm/0.24 µm | L3 | 6.5 nH |
| RFED | M2 | 90 µm/0.7 µm | C1 | 2 pF |
| R1 | 1.5 MΩ | C2 | 0.7 pF | |
| Rbig | 100 kΩ | Cac1 | 5 pF | |
| L1 | 6.5 nH | Cac2 | 1 μF | |
| L2 | 1.3 nH | |||
| Proposed | M1 | 28 µm/0.24 µm | C1 | 2 pF |
| RFED | M2 | 90 µm/0.7 µm | C2 | 0.66 pF |
| R1 | 1.5 MΩ | C3 | 12 pF | |
| Rbig | 100 kΩ | Cac1 | 5 pF | |
| L2 | 6.5 nH | Cac2 | 1 μF | |
| L3 | 1.2 nH |
| Parameters | 1 [12] | 2 [20] | 1 [21] | 1 [22] | 3 This Work |
|---|---|---|---|---|---|
| Carrier Frequency | 2.4 | 2.4 | 2.4 | 2.4 | 2.4 |
| (GHz) | |||||
| Modulation Rate | 100 | 2000 | 100 | 2.5 | 50 |
| (kHz) | |||||
| Sensitivity | −65 | −60 | −50 | −61.5 | −65.4 |
| (dBm) | |||||
| Off-chip Matching Components (?) | Yes | No | Yes | 4 No | No |
| Differential or | Differential | Single-ended | Differential | Single-ended | Single-ended |
| Single-ended | |||||
| Power Consumption (µW) | 10 | 22 | 4.5 | 0.365 | 22 |
| Supply Voltage (V) | 0.5 | 1 | 0.8 | 0.8 | 1.2 |
| CMOS Technology | 180 nm | 65 nm | 180 nm | 65 nm | 65 nm |
Publisher’s Note: MDPI stays neutral with regard to jurisdictional claims in published maps and institutional affiliations. |
© 2021 by the authors. Licensee MDPI, Basel, Switzerland. This article is an open access article distributed under the terms and conditions of the Creative Commons Attribution (CC BY) license (https://creativecommons.org/licenses/by/4.0/).
Share and Cite
Pham, T.; Kim, D.; Jeong, S.; Lee, J.; Im, D. A High Efficiency Low Noise RF-to-DC Converter Employing Gm-Boosting Envelope Detector and Offset Canceled Latch Comparator. Electronics 2021, 10, 1078. https://doi.org/10.3390/electronics10091078
Pham T, Kim D, Jeong S, Lee J, Im D. A High Efficiency Low Noise RF-to-DC Converter Employing Gm-Boosting Envelope Detector and Offset Canceled Latch Comparator. Electronics. 2021; 10(9):1078. https://doi.org/10.3390/electronics10091078
Chicago/Turabian StylePham, Thithuy, Dongmin Kim, Seohyeong Jeong, Junghyup Lee, and Donggu Im. 2021. "A High Efficiency Low Noise RF-to-DC Converter Employing Gm-Boosting Envelope Detector and Offset Canceled Latch Comparator" Electronics 10, no. 9: 1078. https://doi.org/10.3390/electronics10091078
APA StylePham, T., Kim, D., Jeong, S., Lee, J., & Im, D. (2021). A High Efficiency Low Noise RF-to-DC Converter Employing Gm-Boosting Envelope Detector and Offset Canceled Latch Comparator. Electronics, 10(9), 1078. https://doi.org/10.3390/electronics10091078

