Applying FPGA Control with ADC-Free Sampling to Multi-Output Forward Converter
Abstract
1. Introduction
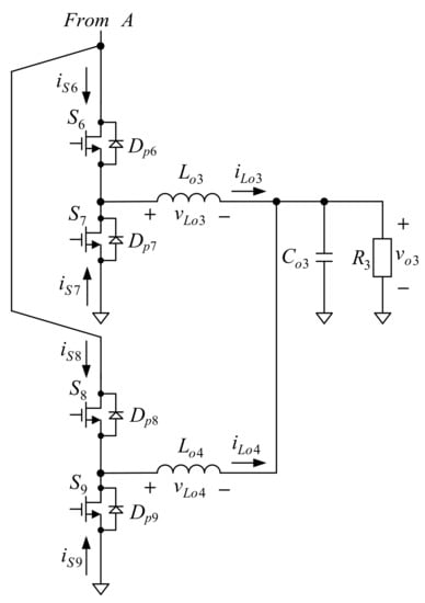
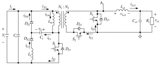
2. System Configuration
3. SSPR Technique
4. Two-Phase Interleaved Control Strategy
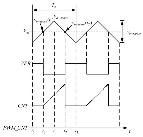
5. ADC-Free Sampling Technique
5.1. Comparator Sampling
5.2. Triangular Wave Injection Method
5.3. Interleaved Current Sampling Method
6. Nonlinear Control Strategy
7. Experimental Results
7.1. Current Sharing Waveforms
7.2. Dynamic Cross Regulation Performance
7.3. Overall Efficiency and Prototype Photo
7.4. Current Sharing Error Percentage
7.5. Load Regulation
7.6. Line Regulation
8. Comparisons
9. Conclusions
Author Contributions
Funding
Data Availability Statement
Conflicts of Interest
References
- Bhat, A.; Rao, K.U.; Praveen, P.K.; Singh, B.K.; Chippalkatti, V. Multiple Output forward DC-DC Converter with Regenerative Snubber for Space Application. In Proceedings of the 2016 Biennial International Conference on Power and Energy Systems: Towards Sustainable Energy (PESTSE), Bengaluru, India, 21–23 January 2016; pp. 1–5. [Google Scholar]
- Turhan, M.; Castellanos, J.C.; Hendrix, M.A.M.; Duarte, J.L.; Lomonova, E.A. Multiple-Output DC-DC Converters with a Reduced Number of Active and Passive Components. J. Low Power Electron. Appl. 2019, 9, 28. [Google Scholar] [CrossRef]
- Alam, M.; Kumar, K.; Dutta, V. Implementation of Multiple Outputs Flyback Converter for DC Microgrid Application. In Proceedings of the 2019 IEEE 1st International Conference on Energy, Systems and Information Processing (ICESIP), Chennai, India, 4–6 July 2019; pp. 1–4. [Google Scholar]
- Bagi, P.; Padmavati, K.; Reddy, S. Design and Validation of Multiple Output Flyback Converter for Grid Tie Inverter Application. In Proceedings of the 2019 IEEE Global Conference for advancement in Technology (GCAT), Karnataka, India, 18–20 October 2019; pp. 1–4. [Google Scholar]
- Kolincio, M.; Chrzan, P.J.; Musznicki, P. Multitransformer Primary-Side Regulated Flyback Converter for Supplying Isolated IGBT and MOSFET Drivers. IEEE Trans. Ind. Electron. 2019, 67, 1005–1012. [Google Scholar] [CrossRef]
- Mohan, N.; Undeland, T.M.; Robbins, W.P. Power Electronics: Converters, Applications and Design, 3rd ed.; John Wiley & Sons: New York, NY, USA, 2003. [Google Scholar]
- Dixon, L.H., Jr. The Effects of Leakage Inductance on Switching Power Supply Performance. Appl. Note Unitrode 1988, 1–7. [Google Scholar]
- Chaunwen, J.; Keyue Smedley, M. Cross Regulation in Flyback Converters: Analytic Model. In Proceedings of the 30th AnnualIEEE Power Electronics Specialists Conference (PESC), Charleston, SC, USA, June 27–July 1 1999; pp. 920–925. [Google Scholar]
- Maksimovic, D.; Erickson, R. Modeling of Cross-Regulation in Multiple-Output Flyback Converters. In Proceedings of the Fourteenth Annual Applied Power Electronics Conference and Exposition (APEC), Dallas, TX, USA, 14–18 March 1999; pp. 1066–1072. [Google Scholar]
- Sanchis, K.; Ferreres, E.A.; Gasent-blesa, J.L.; Maset, E.; Esteve, V.; Jordon, J.; Ejea, J.B. Stability Improvement of Isolated Multiple-Output DC/DC Converter Using Coupled Inductors. IEEE Trans. Aerosp. Electron. Syst. 2016, 52, 1644–1653. [Google Scholar] [CrossRef]
- Maksimović, D.; Erickson, R.; Griesbach, C. Modeling of Cross-Regulation in Converters Containing Coupled Inductors. IEEE Trans. Power Electron. 2002, 15, 607–615. [Google Scholar] [CrossRef]
- Jamerson, C.; Chen, D. Magamp Postregulators for Symmetrical Topologies with Emphasis on Half-Bridge Configuration. IEEE Trans. Power Electron. 1993, 8, 26–29. [Google Scholar] [CrossRef]
- Gekinozu, M.; Igarashi, S.; Miura, N.; Karube, K. Multi-Output Type Current Resonant Converter with Magnetic Amplifier Control. In Proceedings of the 25th International Telecommunications Energy Conference (INTELEC), Yokohama, Japan, 23–23 October 2003; pp. 410–415. [Google Scholar]
- Park, S.G.; Lee, B.K.; Kim, J.S. Optimal Design of Multi-Output LLC Resonant Converter with Independently Regulated Synchronous Single-Switched Power-Regulator. Energies 2020, 13, 4341. [Google Scholar] [CrossRef]
- Ram, P.V.; Bhat, K.N.; Mala, R.C. Multiple Output Push-Pull Converter with Post Regulated Buck Converters. In Proceedings of the 2017 International Conference on Smart Grids, Power and Advanced Control. Engineering (ICSPACE), Bangalore, India, 17–19 August 2017; pp. 231–236. [Google Scholar]
- Hwu, K.I.; Chuang, C.F.; Yau, Y.T. Pulse-Frequency-Modulated Digital Control of Power Supply without Analog-to-Digital Converter Using Positive-Sloped Ramp Wave Injection. IEEE Trans. Ind. Inform. 2013, 9, 739–748. [Google Scholar] [CrossRef]


































| System Parameters | Specifications |
|---|---|
| Operating Mode | CCM |
| Input Voltage (Vi) | |
| Output Voltage (Vo1) | 12 V |
| Rated Output Current (Io1) | 10 A |
| Rated Output Power (Po1) | 120 W |
| Turns Ratio (n = N2/N1) | 5/6 |
| Inductor Current Slew Rate (SRLo1) | 2 A/μs |
| Switching Frequency (fs1) | 200 kHz |
| Output Voltage Ripple (Δvo1,max) | =<100 mV |
| System Parameters | Specifications |
|---|---|
| Operating Mode | CCM |
| Input Voltage (Vi) | |
| Output Voltage (Vo2) | 5 V |
| Rated Output Current (Io2) | 8 A |
| Rated Output Power (Po2) | 120 W |
| Inductor Current Slew Rate (SRLo2) | 2 A/μs |
| Switching Frequency (fs2) | 200 kHz |
| Output Voltage Ripple (Δvo2,max) | =<100 mV |
| System Parameters | Specifications |
|---|---|
| Operating Mode | CCM |
| Input Voltage (Vi) | |
| Output Voltage (Vo3) | 3.3 V |
| Rated Output Current (Io3) | 12 A |
| Rated Output Power (Po3) | 40 W |
| Inductor Current Slew Rate (SRLo3) | 2 A/μs |
| Switching Frequency (fs3) | 200 kHz |
| Output Voltage Ripple (Δvo3,max) | =<100 m |
| Item | Figure | 22 | 23 | 24 | 15 |
|---|---|---|---|---|---|
| 1 | Peak Overshoot or Undershoot | vo1: 156.52 mV vo2: 17.39 mV vo3: 52.17 mV | vo1: 104.35 mV vo2: 17.39 mV vo3: 26.09 mV | vo1: 130.43 mV vo2: 52.19 mV vo3: 34.78 mV | vo1: 104.35 mV vo2: 34.78 mV vo3: 52.17 mV |
| 2 | Percentage of Output Voltage for Item 1 | 1.31% of Vo1 0.35% of Vo2 1.58% of Vo3 | 0.87% of Vo1 0.35% of Vo2 0.79% of Vo3 | 1.09% of Vo1 1.04% of Vo2 1.06% of Vo3 | 0.87% of Vo1 0.70% of Vo2 1.58% of Vo3 |
| 3 | Setting Time | vo1: 40 µs vo2: 60 µs vo3: 80 µs | vo1: 40 µs vo2: 60 µs vo3: 80 µs | vo1: 40 µs vo2: 40 µs vo3: 80 µs | vo1: 40 µs vo2: 40 µs vo3: 80 µs |
| Item | Proposed | [5] | [10] | [13] | [14] |
|---|---|---|---|---|---|
| Output Number | 3 | 6 | 6 | 4 | 2 |
| Feedback Number | 3 | 1 | 1 | 4 | 2 |
| Converter Type | Forward +SSPRs | Flyback | Push-pull + Coupled Inductor | Resonant Converter +Magnetic Amplifier | LLC+SSPRs |
| Voltages and Powers | 12V/120W 5V/8A 3.3V/12A | 16V/1.6W −16V/1.6W 16V/1.6W −16V/1.6W 16V/1.6W −16 V/1.6 W | 3.4V/17.5W 6.4V/7.2W −6.4V/2.6W 14V/1.3W −14V/1.3W 14V/0.6W 60V/1.8W | 3.3V/132W 5V/170W 12V/300W −12V/12W | 100V/60W 100V/60W |
| Number of Passive Components | 4 Magnetic Devices 0 Diodes | 3 Magnetic Devices 6 Diodes | 2 Magnetic Devices 16 Diodes | 10 Magnetic Devices 16 Diodes | 1 Magnetic Device 4 Diodes |
| Number of Active Components | 7 | 1 | 2 | 10 | 4 |
| Cross Regulation | Excellent | Poor | Medium | Good | Good |
| Advantages | High Accuracy Fast Load Transient Response | Single PWM IC and Switch | 1 Transformer 1 Inductor | High Accuracy | High Accuracy |
| Disadvantages | Complex | High cost | Complex | Complex High Cost | Two Outputs with the Same Voltage |
| Rated-Load Efficiency | 86% | NA | NA | 85% | 90% |
Publisher’s Note: MDPI stays neutral with regard to jurisdictional claims in published maps and institutional affiliations. |
© 2021 by the authors. Licensee MDPI, Basel, Switzerland. This article is an open access article distributed under the terms and conditions of the Creative Commons Attribution (CC BY) license (https://creativecommons.org/licenses/by/4.0/).
Share and Cite
Yau, Y.-T.; Hwu, K.-I.; Shieh, J.-J. Applying FPGA Control with ADC-Free Sampling to Multi-Output Forward Converter. Electronics 2021, 10, 1010. https://doi.org/10.3390/electronics10091010
Yau Y-T, Hwu K-I, Shieh J-J. Applying FPGA Control with ADC-Free Sampling to Multi-Output Forward Converter. Electronics. 2021; 10(9):1010. https://doi.org/10.3390/electronics10091010
Chicago/Turabian StyleYau, Yeu-Torng, Kuo-Ing Hwu, and Jenn-Jong Shieh. 2021. "Applying FPGA Control with ADC-Free Sampling to Multi-Output Forward Converter" Electronics 10, no. 9: 1010. https://doi.org/10.3390/electronics10091010
APA StyleYau, Y.-T., Hwu, K.-I., & Shieh, J.-J. (2021). Applying FPGA Control with ADC-Free Sampling to Multi-Output Forward Converter. Electronics, 10(9), 1010. https://doi.org/10.3390/electronics10091010
