A Tacholess Order Analysis Method for PMSG Mechanical Fault Detection with Varying Speeds
Abstract
1. Introduction
- Time Dependant: this group brings together the methods for which the signal is initially sampled in the time domain.
- Angle Dependant: this group brings together the methods for which the signal is directly sampled in the angular domain.
- Hardware Order Tracking (HOT): these techniques perform the sampling of the signal proportional to the speed of rotation of the shaft. They require a position measurement and an anti-aliasing filter. The position measurement generates a signal proportional to the speed of the machine shaft which controls sample rate and cutoff frequency of the analog tracking filter. Data are directly sampled at constant angular pitch.
- Computed Order Tracking (COT): the analysis signal and tachometer pulses are recorded with a constant temporal sampling period. The signal is then digitally processed to obtain new data which is sampled at constant angular pitch.
- Tacholess Order Tracking (TOT): the disadvantage of HOT and COT techniques is that they always require a sensor to measure the position of the rotor. To solve this problem, the position can be estimated from a less intrusive and expensive measurement (vibratory or electric measurements). TOT techniques can be considered as a special case of COT methods but without position sensor because the angular re-sampling is always done by calculation.
- the analyzed signal in which signatures of the fault are sought, and in particular the characteristics of the signal used: vibration, current or its instantaneous amplitude , frequency or phase , sound…
- the signal or signals used to estimate the angular position: vibrations, currents, voltages, currents and voltages associated with a model, video…
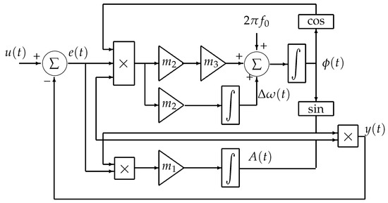
2. Identification Algorithm
2.1. Online Identification Algorithm
2.2. Parameter Setting
Simulation Results
3. Online Re-Sampling
4. Experimental Results
4.1. Test Bench Description
4.2. Test Results
- Components and are always detected even in the absence of a fault. They are generated by the gearbox between the emulator and the PMSG.
- The component is isolated only by the identification algorithm. It does not correspond to a multiple of the default fundamental . It is consequence of aliasing in the angular domain.
- The component relates to the frequency of power supply. It is only detected by the identification algorithm because it uses current as the analysis signal.
- In this procedure we are interested in the component corresponding to the impacts generated by the emulator on the generator currents. However, on our test bench, this emulator is placed before the gearbox. So 9 impacts per revolution on the motor side generate, in theory, 9/4.57 = 1.97 impacts per revolution on the generator side. This is what we verify experimentally on the calculated spectra. The fundamental of the defect is correctly isolated by the measurement and by the algorithm. By contrast, harmonic 2 is lost in the measurement noise and filtered during identification.
5. Statistical Indicators
5.1. Principle for Constant Speed Functioning
5.2. An Alternative with Order-Tracking
6. Conclusions
Author Contributions
Funding
Data Availability Statement
Conflicts of Interest
References
- André, H.; Girardin, F.; Bourdon, A.; Antoni, J.; Rémond, D. Precision of the IAS monitoring system based on the elapsed time method in the spectral domain. Mech. Syst. Signal Process. 2014, 44, 14–30. [Google Scholar] [CrossRef]
- Fyfe, K.; Munck, E. Analysis of computed order trackings. Mech. Syst. Signal Process. 1997, 11, 187–205. [Google Scholar] [CrossRef]
- Lu, S.; Yan, R.; Liu, Y.; Wang, Q. Tacholess Speed Estimation in Order Tracking: A Review with Application to Rotating Machine Fault Diagnosis. IEEE Trans. Instrum. Meas. 2019, 68, 2315–2332. [Google Scholar] [CrossRef]
- Bonnardot, F.; El Badaoui, M.; Randall, R.; Daniere, J.; Guillet, F. Use of the acceleration signal of a gearbox in order to perform angular resampling (with limited speed fluctuation). Mech. Syst. Signal Process. 2005, 19, 766–785. [Google Scholar] [CrossRef]
- Wang, Y.; Tang, B.; Meng, L.; Hou, B. Adaptive Estimation of Instantaneous Angular Speed for Wind Turbine Planetary Gearbox Fault Detection. IEEE Access 2019, 7, 49974–49984. [Google Scholar] [CrossRef]
- Wang, Y.; Xu, G.; Luo, A.; Liang, L.; Jiang, K. An online tacholess order tracking technique based on generalized demodulation for rolling bearing fault detection. J. Sound Vib. 2016, 367, 233–249. [Google Scholar] [CrossRef]
- Zhao, M.; Lin, J.; Xu, X.; Lei, Y. Tacholess Envelope Order Analysis and Its Application to Fault Detection of Rolling Element Bearings with Varying Speeds. Sensors 2013, 13, 10856–10875. [Google Scholar] [CrossRef]
- Zhaoa, M.; Lin, J.; Wang, X.; Lei, Y.; Cao, J. A tacho-less order tracking technique for large speed variations. Mech. Syst. Signal Process. 2013, 40, 76–90. [Google Scholar] [CrossRef]
- Whu, J.; Zi, Y.; Chen, J.; Zhou, Z. A modified tacho-less order tracking method for the surveillance and diagnosis of machine under sharp speed variation. Mech. Mach. Theory 2018, 128, 508–527. [Google Scholar] [CrossRef]
- Wang, Y.; Tse, P.W.; Tang, B.; Qin, Y.; Deng, L.; Huang, T.; Xu, G. Order spectrogram visualization for rolling bearing fault detection under speed variation conditions. Mech. Syst. Signal Process. 2019, 122, 580–596. [Google Scholar] [CrossRef]
- Wu, J.; Zi, Y.; Chen, J.; Zhou, Z. Fault diagnosis in speed variation conditions via improved tacholess order tracking technique. Measurement 2019, 137, 604–616. [Google Scholar] [CrossRef]
- Wu, J.; Zi, Y.; Chen, J.; Zhou, Z. Tacholess order-tracking approach for wind turbine gearbox fault detection. Front. Mech. Eng. 2017, 12, 427–439. [Google Scholar] [CrossRef]
- Niu, J.; Lu, S.; Liu, Y.; Zhao, J.; Wang, Q. Intelligent bearing fault diagnosis based on tacholess order tracking for a variable-speed AC electric machine. IEEE Sens. J. 2018, 19, 1850–1861. [Google Scholar] [CrossRef]
- Wang, J.; Peng, Y.; Qiao, W. Current-Aided Order Tracking of Vibration Signals for Bearing Fault Diagnosis of Direct-Drive Wind Turbines. IEEE Trans. Ind. Electron. 2016, 63, 6336–6346. [Google Scholar] [CrossRef]
- Wang, J.; Cheng, F.; Qiao, W.; Qu, L. Multiscale Filtering Reconstruction for Wind Turbine Gearbox Fault Diagnosis Under Varying-Speed and Noisy Conditions. IEEE Trans. Ind. Electron. 2018, 65, 4268–4278. [Google Scholar] [CrossRef]
- Bossio, J.; Bossio, G.; De Angelo, C. Fault detection for variable-speed wind turbines using vibrations and electrical measurements. In Proceedings of the 2013 Brazilian Power Electronics Conference, Gramado, Brazil, 27–31 October 2013. [Google Scholar]
- Pezzani, C.M.; Bossio, J.M.; Castellino, A.M.; Bossio, G.R.; De Angelo, C.H. A PLL-based resampling technique for vibration analysis in variable-speed wind turbines with PMSG: A bearing fault case. Mech. Syst. Signal Process. 2017, 85, 354–366. [Google Scholar] [CrossRef]
- Gong, X.; Qiao, W. Bearing fault detection for direct-drive wind turbines via stator current spectrum analysis. In Proceedings of the 2011 IEEE Energy Conversion Congress and Exposition, Phoenix, AZ, USA, 17–22 September 2011. [Google Scholar]
- Gong, X.; Qiao, W. Imbalance fault detection of direct-drive wind turbines using generator current signals. IEEE Trans. Energy Convers. 2012, 27, 468–476. [Google Scholar] [CrossRef]
- Lu, D.; Gong, X.; Qiao, W. Current-based diagnosis for gear tooth breaks in wind turbine gearboxes. In Proceedings of the 2012 IEEE Energy Conversion Congress and Exposition (ECCE), Raleigh, NC, USA, 15–20 September 2012. [Google Scholar]
- Allouche, A.; Etien, E.; Doget, T.; Rambault, L.; Sakout, A.; Cauet, S.; Martin, P. A PLL based mechanical faults detection in PMSM at variable speed. IFAC-PapersOnLine 2018, 51, 1445–1451. [Google Scholar] [CrossRef]
- Etien, E.; Rambault, L.; Cauet, S.; Sakout, A. Soft sensor design for mechanical fault detection in PMSM at variable speed. Measurement 2016, 94, 326–332. [Google Scholar] [CrossRef]
- Gong, X.; Qiao, W. Bearing fault diagnosis for direct-drive wind turbines via current-demodulated signals. IEEE Trans. Ind. Electron. 2013, 60, 3419–3428. [Google Scholar] [CrossRef]
- Lu, S.; Qin, Y.; Hang, J.; Zhang, B.; Wang, Q. Adaptively estimating rotation speed from DC motor current ripple for order tracking and fault diagnosis. IEEE Trans. Instrum. Meas. 2018, 68, 741–753. [Google Scholar] [CrossRef]
- Lu, S.; Guo, J.; He, Q.; Liu, F.; Liu, Y.; Zhao, J. A Novel Contactless Angular Resampling Method for Motor Bearing Fault Diagnosis Under Variable Speed. IEEE Trans. Instrum. Meas. 2016, 65, 2538–2550. [Google Scholar] [CrossRef]
- Peeters, C.; Leclère, Q.; Antoni, J.; Lindahl, P.; Donnal, J.; Leeb, S.; Helsen, J. Review and comparison of tacholess instantaneous speed estimation methods on experimental vibration data. Mech. Syst. Signal Process. 2019, 129, 407–436. [Google Scholar] [CrossRef]
- Li, B.; Zhang, X. A new strategy of instantaneous angular speed extraction and its application to multistage gearbox fault diagnosis. J. Sound Vib. 2017, 396, 340–355. [Google Scholar] [CrossRef]
- Prabhakaran, K.; Karthikeyan, A. Electromagnetic Torque-Based Model Reference Adaptive System Speed Estimator for Sensorless Surface Mount Permanent Magnet Synchronous Motor Drive. IEEE Trans. Ind. Electron. 2020, 67, 5936–5947. [Google Scholar] [CrossRef]
- Masmoudi, L.; Etien, E.; Moreau, S.; Sakout, A. Amplification of Single Mechanical FaultSignatures Using Full Adaptive PMSM Observer. IEEE Trans. Ind. Electron. 2017, 64, 615–623. [Google Scholar] [CrossRef]
- Smith, A.N.; Gadoue, S.M.; Finch, J.W. Improved Rotor Flux Estimation at Low Speeds for Torque MRAS-Based Sensorless Induction Motor Drives. IEEE Trans. Energy Convers. 2016, 31, 270–282. [Google Scholar] [CrossRef]
- Comanescu, M. Design and Implementation of a Highly Robust Sensorless Sliding Mode Observer for the Flux Magnitude of the Induction Motor. IEEE Trans. Energy Convers. 2016, 31, 649–657. [Google Scholar] [CrossRef]
- Bierhoff, M.H. A General PLL-Type Algorithm for Speed Sensorless Control of Electrical Drives. IEEE Trans. Ind. Electron. 2017, 64, 9253–9260. [Google Scholar] [CrossRef]
- Garcia-Calva, T.; Morinigo-Sotelo, D.; Garcia-Perez, A.; Camarena-Martinez, D.; Romero-Troncoso, R. Demodulation Technique for Broken Rotor Bar Detection in Inverter-Fed Induction Motor Under Non-Stationary Conditions. IEEE Trans. Energy Convers. 2019, 34, 1496–1503. [Google Scholar] [CrossRef]
- Song, X.; Wang, Z.; Li, S.; Hu, J. Sensorless Speed Estimation of an Inverter-Fed Induction Motor Using the Supply-Side Current. IEEE Trans. Energy Convers. 2018, 34, 1432–1441. [Google Scholar] [CrossRef]
- Li, H.; Zhang, X.; Xu, C.; Hong, J. Sensorless Control of IPMSM Using Moving-Average-Filter Based PLL on HF Pulsating Signal Injection Method. IEEE Trans. Energy Convers. 2020, 35, 43–52. [Google Scholar] [CrossRef]
- Guan, Q.; Zhang, Y.; Kang, Y.; Guerrero, J.M. Single-Phase Phase-Locked Loop Based on Derivative Elements. IEEE Trans. Power Electron. 2017, 32, 4411–4420. [Google Scholar] [CrossRef]
- Golestan, S.; Monfared, M.; Freijedo, F.D.; Guerrero, J.M. Dynamics assessment of advanced single-phase PLL structures. IEEE Trans. Ind. Electron. 2013, 30, 2167–2177. [Google Scholar] [CrossRef]
- Ramezani, M.; Golestan, S.; Li, S.; Guerrero, J.M. A simple approach to enhance the performance of complex-coefficient filter-based PLL in grid-connected applications. IEEE Trans. Ind. Electron. 2017, 65, 5081–5085. [Google Scholar] [CrossRef]
- Doget, T.; Etien, E.; Rambault, L.; Cauet, S. A PLL-Based Online Estimation of Induction Motor Consumption Without Electrical Measurement. Electronics 2019, 8, 469. [Google Scholar] [CrossRef]
- Ziarani, A.; Konrad, A. A method of extraction of nonstationary sinusoids. Signal Process. 2004, 84, 1323–1346. [Google Scholar] [CrossRef]
- Siraki, A.G.; Gajjar, C.; Khan, M.A.; Barendse, P.; Pillay, P. An Algorithm for Nonintrusive In Situ Efficiency Estimation of Induction Machines Operating with Unbalanced Supply Conditions. IEEE Trans. Ind. Appl. 2012, 48, 1890–1900. [Google Scholar] [CrossRef]
- Sapena-Bano, A.; Pineda-Sanchez, M.; Puche-Panadero, R.; Roger-Folch, J.; Riera-Guasp, M. Harmonic Order Tracking Analysis: A Novel Method for Fault Diagnosis in Induction Machines. IEEE Trans. Energy Convers. 2015, 30, 833–841. [Google Scholar] [CrossRef]
- Sapena-Bano, A.; Burriel-Valencia, J.; Pineda-Sanchez, M.; Puche-Panadero, R.; Riera-Guasp, M. The Harmonic Order Tracking Analysis Method for the Fault Diagnosis in Induction Motors Under Time-Varying Conditions. IEEE Trans. Energy Convers. 2017, 32, 244–256. [Google Scholar] [CrossRef]
- Cheng, F.; Wei, C.; Qu, J.; Qiao, W. Fault diagnosis of wind turbine gearbox using DFIG stator current analysis. In Proceedings of the 2016 IEEE Energy Conversion Congress and Exposition (ECCE), Milwaukee, WI, USA, 18–22 September 2016. [Google Scholar]
- Blough, J. A survey of DSP methods for rotating machinery analysis, what is needed, what is available. J. Sound Vib. 2003, 262, 707–720. [Google Scholar] [CrossRef]
- Lee, J.; Hong, J.; Nam, K.; Ortega, R.; Praly, L.; Astolfi, A. Sensorless Control of Surface-Mount Permanent-Magnet Synchronous Motors Based on a Nonlinear Observer. IEEE Trans. Power Electron. 2010, 25, 290–297. [Google Scholar]
- Gong, X.; Qiao, W. Current-based mechanical fault detection for direct-drive wind turbines via synchronous sampling and impulse detection. IEEE Trans. Ind. Electron. 2015, 62, 1693–1702. [Google Scholar] [CrossRef]
- Fournier, E.; Picot, A.; Régnier, J.; Maussion, P.; TientcheuYamdeu, M.; Andréjak, J. A generic diagnosis protocol for the monitoring of induction motors based on multiple statistical references in the torque-speed plane. In Proceedings of the IECON 2014—40th Annual Conference of the IEEE Industrial Electronics Society, Dallas, TX, USA, 29 October–1 November 2014. [Google Scholar]
















| Ref. | Analysed Signal | Angle Estimate | 
|---|---|---|
| [5,6,7,8,9,10,11,12] | vibration | vibration | 
| [13,14,15] | vibration | current | 
| [16] | vibration | currents/voltages + observer | 
| [17] | vibration | voltages | 
| [18,19,20] | current | current | 
| [21] | current | |
| [22] | currents/voltages + observer | |
| [23] | and | current | 
| [24] | sound | current | 
| [25] | sound | video | 
| Test | Nmin (rpm) | Nmax (rpm) | Imin (A) | Imax (A) | Default | 
|---|---|---|---|---|---|
| Test 1 | 150 | 450 | 2 | 6 | No | 
| Test 2 | 450 | 750 | 6 | 9.5 | No | 
| Test 3 | 150 | 750 | 1 | 4 | No | 
| Test 4 | 150 | 450 | 2 | 6 | Yes | 
| Test 5 | 450 | 750 | 6 | 9.5 | Yes | 
| Test 6 | 150 | 750 | 1 | 4 | Yes | 
| Publisher’s Note: MDPI stays neutral with regard to jurisdictional claims in published maps and institutional affiliations. | 
© 2021 by the authors. Licensee MDPI, Basel, Switzerland. This article is an open access article distributed under the terms and conditions of the Creative Commons Attribution (CC BY) license (http://creativecommons.org/licenses/by/4.0/).
Share and Cite
Etien, E.; Allouche, A.; Rambault, L.; Doget, T.; Cauet, S.; Sakout, A. A Tacholess Order Analysis Method for PMSG Mechanical Fault Detection with Varying Speeds. Electronics 2021, 10, 418. https://doi.org/10.3390/electronics10040418
Etien E, Allouche A, Rambault L, Doget T, Cauet S, Sakout A. A Tacholess Order Analysis Method for PMSG Mechanical Fault Detection with Varying Speeds. Electronics. 2021; 10(4):418. https://doi.org/10.3390/electronics10040418
Chicago/Turabian StyleEtien, Erik, Abdallah Allouche, Laurent Rambault, Thierry Doget, Sebastien Cauet, and Anas Sakout. 2021. "A Tacholess Order Analysis Method for PMSG Mechanical Fault Detection with Varying Speeds" Electronics 10, no. 4: 418. https://doi.org/10.3390/electronics10040418
APA StyleEtien, E., Allouche, A., Rambault, L., Doget, T., Cauet, S., & Sakout, A. (2021). A Tacholess Order Analysis Method for PMSG Mechanical Fault Detection with Varying Speeds. Electronics, 10(4), 418. https://doi.org/10.3390/electronics10040418
 
         
                                                

 
       