High Dynamic Range Photocurrent Sensory Circuit with a Multi-Transistor Background Light Cancellation Loop for Photoplethysmography Sensing
Abstract
:1. Introduction
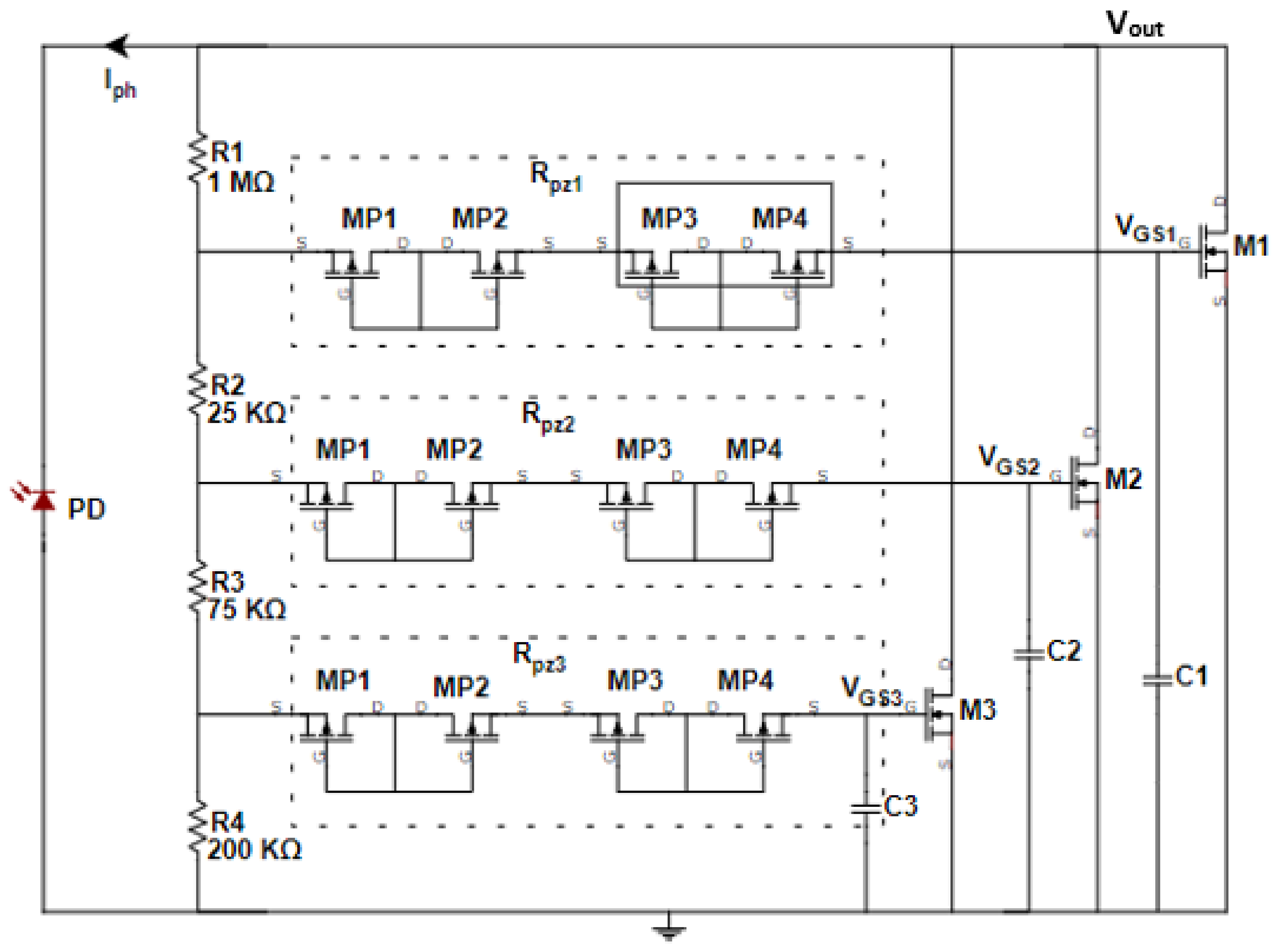
2. The Proposed 3T-BCL Photocurrent Sensory Circuit
3. Photocurrent Sensory Circuit Simulation
4. Transimpedance Amplifier Layout and Literature Comparison
5. Conclusions
Author Contributions
Funding
Acknowledgments
Conflicts of Interest
References
- Bielecki, Z.; Stacewicz, T.; Wojtas, J.; Mikolajczyk, J.; Szabra, D.; Prokopiuk, A. Selected Optoelectronic Sensors in Medical Applications. Opto-Electron. Rev. 2018, 26, 122–133. [Google Scholar] [CrossRef]
- Chen, Z.; Obaid, S.N.; Lu, L. Recent advances in organic optoelectronic devices for biomedical applications. Opt. Mater. Express 2019, 9, 3843–3856. [Google Scholar] [CrossRef]
- Castaneda, D.; Esparza, A.; Ghamari, M.; Soltanpur, C.; Nazeran, H. A Review on Wearable Photoplethysmography Sensors and Their Potential Future Applications in Health Care. Int. J. Biosens. Bioelectron. 2018, 4, 195–202. [Google Scholar] [PubMed] [Green Version]
- Shin, H.; Min, S.D. Feasibility study for the non-invasive blood pressure estimation based on ppg morphology: Normotensive subject study. Biomed. Eng. Online 2017, 16, 10. [Google Scholar] [CrossRef] [PubMed] [Green Version]
- Elgendi, M.; Fletcher, R.; Liang, Y.; Howard, N.; Lovell, N.H.; Abbott, D.; Lim, K.; Ward, R. The use of photoplethysmography for assessing hypertension. NPJ Digit. Med. 2019, 2, 60. [Google Scholar] [CrossRef] [PubMed] [Green Version]
- Ahmed, A.N.R.; Barbé, K.; Ottevaere, H. Photonic Sensor Design Evaluation for Measuring the Photoplethysmogram. In Proceedings of the 2016 IEEE International Instrumentation and Measurement Technology Conference Proceedings, Taipei, Taiwan, 23–26 May 2016; pp. 1–6. [Google Scholar]
- Hosanee, M.; Chan, G.; Welykholowa, K.; Cooper, R.; Kyriacou, P.A.; Zheng, D.; Allen, J.; Abbott, D.; Menon, C.; Lovell, N.H.; et al. Cuffless Single-Site Photoplethysmography for Blood Pressure Monitoring. J. Clin. Med. 2020, 9, 723. [Google Scholar] [CrossRef] [PubMed] [Green Version]
- Laulkar, R.; Daimiwal, N. Acquisition of PPG Signal for Diagnosis of Parameters Related to Heart. In Proceedings of the 2012 1st International Symposium on Physics and Technology of Sensors (ISPTS-1), Pune, India, 7–10 March 2012; pp. 274–277. [Google Scholar]
- Wang, G.; Atef, M.; Lian, Y. Towards a Continuous Non-Invasive Cuffless Blood Pressure Monitoring System Using PPG: Systems and Circuits Review. IEEE Circuits Syst. Mag. 2018, 18, 6–26. [Google Scholar] [CrossRef]
- Lin, B.; Atef, M.; Wang, G. 14.85 µW Analog Front-End for Photoplethysmography Acquisition with 142-dBΩ Gain and 64.2-pArms Noise. Sensors 2019, 19, 512. [Google Scholar] [CrossRef] [PubMed] [Green Version]
- Li, Y.; Wong, A.; Zhang, Y.-T. Fully-integrated transimpedance amplifier for photoplethysmographic signal processing with two-stage Miller capacitance multiplier. Electron. Lett. 2010, 46, 745–746. [Google Scholar] [CrossRef]
- Saadeh, W.; Aslam, S.Z.; Hina, A.; Asghar, F. A 0.5V PPG-based Heart Rate and Variability Detection System. In Proceedings of the 2018 IEEE Biomedical Circuits and Systems Conference (BioCAS2018), Cleveland, OH, USA, 17–19 October 2018; pp. 1–4. [Google Scholar]
- Song, S.; Konijnenburg, M.; Van Wegberg, R.; Xu, J.; Ha, H.; Sijbers, W.; Stanzione, S.; Biswas, D.; Breeschoten, A.; Vis, P.; et al. A 769 μW Battery-Powered Single-Chip SoC With BLE for Multi-Modal Vital Sign Monitoring Health Patches. IEEE Trans. Biomed. Circuits Syst. 2019, 13, 1506–1517. [Google Scholar] [CrossRef] [PubMed]
- Binghui, L.; Zhouchen, M.; Atef, M.; Ying, L.; Wang, G. Low-Power High-Sensitivity Photoplethysmography Sensor for Wearable Health Monitoring System. IEEE Sens. J. 2021, 21, 16141–16151. [Google Scholar]








| R1 | R2 | R3 | R4 | CPD | WM1, WM2, WM3 | C1, C2, C3 |
|---|---|---|---|---|---|---|
| 1 MΩ | 25 KΩ | 75 KΩ | 200 KΩ | 20 pF | 30 μm | 15 pF |
| Iph | Simulated Gain | Calculated Gain | Simulated BW | Calculated BW | Simulated Input Noise |
|---|---|---|---|---|---|
| 1 μA | 122.3 dBΩ | 122.48 dBΩ | 7.36 KHz | 7.96 KHz | 15.4 pA |
| 100 μA | 102.9 dBΩ | 105.3 dBΩ | 56.75 KHz | 57.4 KHz | 5.6 nA |
| Iph | Post Layout Gain | Post Layout Bandwidth |
|---|---|---|
| 500 nA | 122.3 dBΩ | 6.134 KHz |
| 1 μA | 122.3 dBΩ | 7.749 KHz |
| 5 μA | 120.2 dBΩ | 7.645 KHz |
| 10 μA | 118 dBΩ | 9.667 KHz |
| 100 μA | 103.4 dBΩ | 51.64 KHz |
| Iph | Input Referred Thermal Noise Current | ||
|---|---|---|---|
| One Transistor (W = 30 μm) | One Transistor (W = 50 μm) | Three Transistors (W = 30 μm) | |
| 100 nA | 11.13 pA (130.6 mV) | 11.17 pA (130.6 mV) | 11 pA (130.6 mV) |
| 500 nA | 11.15 pA (652.8 mV) | 11.17 pA (652.8 mV) | 11.16 pA (652.7 mV) |
| 1 μA | 13.7 pA (1.294 V) | 15.1 pA (1.288 V) | 15.4 pA (1.285 V) |
| 5 μA | 371 pA (2.23 V) | 311 pA (2.15 V) | 283.5 pA (2.15 V) |
| 10 μA | 836.6 pA (2.41 V) | 692 pA (2.314 V) | 628.5 pA (2.316 V) |
| 100 μA | 7.46 nA (3.203 V) | 6.34 nA (2.98 V) | 5.6 nA (2.94 V) |
| 200 μA | 13 nA (3.6 V) | 11.5 nA (3.3 V) | 10.1 nA (3.2 V) |
Publisher’s Note: MDPI stays neutral with regard to jurisdictional claims in published maps and institutional affiliations. |
© 2021 by the authors. Licensee MDPI, Basel, Switzerland. This article is an open access article distributed under the terms and conditions of the Creative Commons Attribution (CC BY) license (https://creativecommons.org/licenses/by/4.0/).
Share and Cite
Atef, M.; Hassan, O.; Awwad, F.; Khan, M.A.B. High Dynamic Range Photocurrent Sensory Circuit with a Multi-Transistor Background Light Cancellation Loop for Photoplethysmography Sensing. Electronics 2021, 10, 2769. https://doi.org/10.3390/electronics10222769
Atef M, Hassan O, Awwad F, Khan MAB. High Dynamic Range Photocurrent Sensory Circuit with a Multi-Transistor Background Light Cancellation Loop for Photoplethysmography Sensing. Electronics. 2021; 10(22):2769. https://doi.org/10.3390/electronics10222769
Chicago/Turabian StyleAtef, Mohamed, Osman Hassan, Falah Awwad, and Moien A. B. Khan. 2021. "High Dynamic Range Photocurrent Sensory Circuit with a Multi-Transistor Background Light Cancellation Loop for Photoplethysmography Sensing" Electronics 10, no. 22: 2769. https://doi.org/10.3390/electronics10222769
APA StyleAtef, M., Hassan, O., Awwad, F., & Khan, M. A. B. (2021). High Dynamic Range Photocurrent Sensory Circuit with a Multi-Transistor Background Light Cancellation Loop for Photoplethysmography Sensing. Electronics, 10(22), 2769. https://doi.org/10.3390/electronics10222769

