Full Digital Control of an All-Si On-Board Charger Operating in Discontinuous Conduction Mode
Abstract
1. Introduction
2. Structure and Operation
2.1. AC/DC Stage
2.2. DC/DC Stage
3. Controller Design
3.1. AC/DC Stage
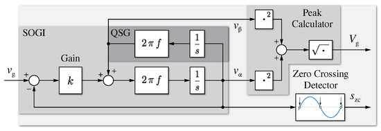
3.1.1. Grid Synchronization
3.1.2. Current Control Loop
3.1.3. Voltage Control Loop
3.2. DC/DC Stage
3.2.1. Current Control Loop
3.2.2. Voltage Control Loop
4. Simulation and Experimental Results
4.1. Simulation Results
4.1.1. AC/DC Stage
4.1.2. DC/DC Stage
4.2. Experimental Results
4.2.1. AC/DC Stage
4.2.2. DC/DC Stage
5. Conclusions
Author Contributions
Funding
Conflicts of Interest
References
- Williamson, S.S.; Rathore, A.K.; Musavi, F. Industrial Electronics for Electric Transportation: Current State-of-the-Art and Future Challenges. IEEE Trans. Ind. Electron. 2015, 62, 3021–3032. [Google Scholar] [CrossRef]
- Yilmaz, M.; Krein, P.T. Review of Battery Charger Topologies, Charging Power Levels, and Infrastructure for Plug-In Electric and Hybrid Vehicles. IEEE Trans. Power Electron. 2013, 28, 2151–2169. [Google Scholar] [CrossRef]
- IEA. Global EV Outlook. 2020. Available online: www.iea.org/reports/global-ev-outlook-2020 (accessed on 19 December 2020).
- Uddin, K.; Moore, A.D.; Barai, A.; Marco, J. The Effects of High Frequency Current Ripple on Electric Vehicle Battery Performance. Appl. Energy 2016, 178, 142–154. [Google Scholar] [CrossRef]
- IEEE Standard for Interconnection and Interoperability of Distributed Energy Resources with Associated Electric Power Systems Interfaces; IEEE Std 1547-2018 (Revision of IEEE Std 1547-2003); IEEE: New York, NY, USA, 2018; pp. 1–138. [CrossRef]
- IEC 61000-3: Electromagnetic Compatibility (EMC)—Part 3: Limit; IEC: Geneva, Switzerland, 2018.
- CISPR 14-1:2016: Electromagnetic Compatibility—Requirements for Household Appliances, Electric Tools and Similar Apparatus—Part 1: Emission; IEC: Geneva, Switzerland, 2016.
- J2894/1_201901: Power Quality Requirements for Plug-In Electric Vehicle Chargers; SAE International: Troy, MI, USA, 2019. [CrossRef]
- AEC—Q100: Failure Mechanism Based Stress Test Qualification for Integrated Circuits. Available online: http://www.aecouncil.com/Documents/AEC_Q100_Rev_H_Base_Document.pdf (accessed on 16 January 2021).
- AEC—Q200: Stress Test Qualification for Passive Components. Available online: http://www.aecouncil.com/Documents/AEC_Q200_Rev_D_Base_Document.pdf (accessed on 16 January 2021).
- Nussbaumer, T.; Raggl, K.; Kolar, J.W. Design Guidelines for Interleaved Single-Phase Boost PFC Circuits. IEEE Trans. Ind. Electron. 2009, 56, 2559–2573. [Google Scholar] [CrossRef]
- Raggl, K.; Nussbaumer, T.; Doerig, G.; Biela, J.; Kolar, J.W. Comprehensive Design and Optimization of a High-Power-Density Single-Phase Boost PFC. IEEE Trans. Ind. Electron. 2009, 56, 2574–2587. [Google Scholar] [CrossRef]
- Borlo, S.; Cittanti, D.; Gregorio, M.; Mandrile, F.; Musumeci, S. Comparative CCM-DCM Design Evaluation of Power Inductors in Interleaved PFC Stage for Electric Vehicle Battery Chargers. In Proceedings of the International Conference on Clean Electrical Power (ICCEP), Otranto, Italy, 2–4 July 2019; pp. 180–186. [Google Scholar] [CrossRef]
- Sun, J.; Mitchell, D.M.; Greuel, M.F.; Krein, P.T.; Bass, R.M. Averaged Modeling of PWM Converters Operating in Discontinuous Conduction Mode. IEEE Trans. Power Electron. 2001, 16, 482–492. [Google Scholar] [CrossRef]
- Gautam, D.S.; Musavi, F.; Eberle, W.; Dunford, W.G. A Zero-Voltage Switching Full-Bridge DC–DC Converter With Capacitive Output Filter for Plug-In Hybrid Electric Vehicle Battery Charging. IEEE Trans. Power Electron. 2013, 28, 5728–5735. [Google Scholar] [CrossRef]
- Rossetto, L.; Spiazzi, G.; Tenti, P. Control Techniques for Power Factor Correction Converters. In Proceedings of the International Conference on Power Electronics and Motion Control (PEMC), Warsaw, Poland, 20–22 September 1994. [Google Scholar]
- Buccella, C.; Cecati, C.; Latafat, H. Digital Control of Power Converters—A Survey. IEEE Trans. Ind. Inform. 2012, 8, 437–447. [Google Scholar] [CrossRef]
- Blasko, V.; Kaura, V.; Niewiadomski, W. Sampling of Discontinuous Voltage and Current Signals in Electrical Drives: A System Approach. In Proceedings of the IAS ’97. Conference Record of the 1997 IEEE Industry Applications Conference Thirty-Second IAS Annual Meeting, New Orleans, LA, USA, 5–9 October 1997; Volume 1, pp. 682–689. [Google Scholar] [CrossRef]
- Nussbaumer, T.; Heldwein, M.L.; Gong, G.; Round, S.D.; Kolar, J.W. Comparison of Prediction Techniques to Compensate Time Delays Caused by Digital Control of a Three-Phase Buck-Type PWM Rectifier System. IEEE Trans. Ind. Electron. 2008, 55, 791–799. [Google Scholar] [CrossRef]
- De Gusseme, K.; Van de Sype, D.M.; Van den Bossche, A.P.M.; Melkebeek, J.A. Digitally Controlled Boost Power-Factor-Correction Converters Operating in Both Continuous and Ciscontinuous Conduction Mode. IEEE Trans. Ind. Electron. 2005, 52, 88–97. [Google Scholar] [CrossRef]
- Roggia, L.; Beltrame, F.; Baggio, J.E.; Pinheiro, J.R. Digital Current Controllers Applied to the Boost Power Factor Correction Converter with Load Variation. IET Power Electron. 2012, 5, 532–541. [Google Scholar] [CrossRef]
- Chen, F.; Maksimović, D. Digital Control for Improved Efficiency and Reduced Harmonic Distortion Over Wide Load Range in Boost PFC Rectifiers. IEEE Trans. Power Electron. 2010, 25, 2683–2692. [Google Scholar] [CrossRef]
- Lim, S.F.; Khambadkone, A.M. A Simple Digital DCM Control Scheme for Boost PFC Operating in Both CCM and DCM. IEEE Trans. Ind. Appl. 2011, 47, 1802–1812. [Google Scholar] [CrossRef]
- Wang, L.; Wu, Q.H.; Tang, W.H.; Yu, Z.Y.; Ma, W. CCM-DCM Average Current Control for Both Continuous and Discontinuous Conduction Modes Boost PFC Converters. In Proceedings of the IEEE Electrical Power and Energy Conference (EPEC), Saskatoon, SK, Canada, 22–25 October 2017. [Google Scholar] [CrossRef]
- Hieu, P.P.; Thuc, N.D.; Liu, Y.-H.; Hsieh, Y.-C.; Chiu, H.-J.; Hojo, M.; Yamanaka, K. DSP Based Digital Control Techniques for Interleaved Boost PFC Converter. In Proceedings of the IEEE International Future Energy Electronics Conference (IFEEC), Kaohsiung, Taiwan, 3–7 June 2017; pp. 456–459. [Google Scholar] [CrossRef]
- Clark, C.W.; Musavi, F.; Eberle, W. Digital DCM Detection and Mixed Conduction Mode Control for Boost PFC Converters. IEEE Trans. Power Electron. 2014, 29, 347–355. [Google Scholar] [CrossRef]
- Musavi, F.; Craciun, M.; Gautam, D.S.; Eberle, W. Control Strategies for Wide Output Voltage Range LLC Resonant DC-DC Converters in Battery Chargers. IEEE Trans. Veh. Technol. 2014, 63, 1117–1125. [Google Scholar] [CrossRef]
- Cittanti, D.; Gregorio, M.; Bojoi, R. Digital Multi-Loop Control of a 3-Level Rectifier for Electric Vehicle Ultra-Fast Battery Chargers. In Proceedings of the AEIT International Annual Conference (AEIT), Catania, Italy, 23–25 September 2020. [Google Scholar] [CrossRef]
- Cittanti, D.; Gregorio, M.; Armando, E.; Bojoi, R. Digital Multi-Loop Control of an LLC Resonant Converter for Electric Vehicle DC Fast Charging. In Proceedings of the IEEE Energy Conversion Congress and Exposition (ECCE), Detroit, MI, USA, 11–15 October 2020; pp. 4423–4430. [Google Scholar] [CrossRef]
- Gregorio, M.; Mandrile, F.; Bojoi, R.; Gillone, A.; Damilano, C. Fully MCU-Based DCM Control of On-Board Charger. In Proceedings of the International Symposium on Power Electronics (Ee), Novi Sad, Serbia, 23–26 October 2019. [Google Scholar] [CrossRef]
- Gautam, D.S.; Musavi, F.; Edington, M.; Eberle, W.; Dunford, W.G. An Automotive Onboard 3.3-kW Battery Charger for PHEV Application. IEEE Trans. Veh. Technol. 2012, 61, 3466–3474. [Google Scholar] [CrossRef]
- Singh, B.; Singh, B.N.; Chandra, A.; Al-Haddad, K.; Pandey, A.; Kothari, D.P. A Review of Single-Phase Improved Power Quality AC-DC Converters. IEEE Trans. Ind. Electron. 2003, 50, 962–981. [Google Scholar] [CrossRef]
- Musavi, F.; Edington, M.; Eberle, W.; Dunford, W.G. Evaluation and Efficiency Comparison of Front End AC-DC Plug-in Hybrid Charger Topologies. IEEE Trans. Smart Grid 2012, 3, 413–421. [Google Scholar] [CrossRef]
- Kim, Y.; Sung, W.; Lee, B. Comparative Performance Analysis of High Density and Efficiency PFC Topologies. IEEE Trans. Power Electron. 2014, 29, 2666–2679. [Google Scholar] [CrossRef]
- Miwa, B.A.; Otten, D.M.; Schlecht, M.E. High Efficiency Power Factor Correction Using Interleaving Techniques. In Proceedings of the IEEE Applied Power Electronics Conference and Exposition (APEC), Boston, MA, USA, 23–27 February 1992; pp. 557–568. [Google Scholar] [CrossRef]
- Balogh, L.; Redl, R. Power-Factor Correction with Interleaved Boost Converters in Continuous-Inductor-Current Mode. In Proceedings of the IEEE Applied Power Electronics Conference and Exposition (APEC), San Diego, CA, USA, 7–11 March 1993; pp. 168–174. [Google Scholar] [CrossRef]
- Elmore, M.S. Input Current Ripple Cancellation in Synchronized, Parallel Connected Critically Continuous Boost Converters. In Proceedings of the IEEE Applied Power Electronics Conference and Exposition (APEC), San Jose, CA, USA, 3–7 March 1996; Volume 1, pp. 152–158. [Google Scholar] [CrossRef]
- Vlatkovic, V.; Borojevic, D.; Lee, F.C. Input Filter Design for Power Factor Correction Circuits. IEEE Trans. Power Electron. 1996, 11, 199–205. [Google Scholar] [CrossRef]
- Noon, J.P.; Dalal, D. Practical Design Issues for PFC Circuits. In Proceedings of the IEEE Applied Power Electronics Conference and Exposition (APEC), Atlanta, GA, USA, 27 February 1997; Volume 1, pp. 51–58. [Google Scholar] [CrossRef]
- Van de Sype, D.M.; De Gusseme, K.; Van den Bossche, A.P.M.; Melkebeek, J.A. Duty-Ratio Feedforward for Digitally Controlled Boost PFC Converters. IEEE Trans. Ind. Electron. 2005, 52, 108–115. [Google Scholar] [CrossRef]
- Cittanti, D.; Mandrile, F.; Bojoi, R. Optimal Design of Grid-Side LCL Filters for Electric Vehicle Ultra-Fast Battery Chargers. In Proceedings of the International Universities Power Engineering Conference (UPEC), Torino, Italy, 1–4 September 2020. [Google Scholar] [CrossRef]
- Tu, H.; Feng, H.; Srdic, S.; Lukic, S. Extreme Fast Charging of Electric Vehicles: A Technology Overview. IEEE Trans. Transp. Electrif. 2019, 5, 861–878. [Google Scholar] [CrossRef]
- Mweene, L.; Wright, C.; Schlecht, M. A 1 kW, 500 kHz Front-End Converter for a Distributed Power Supply System. In Proceedings of the Fourth Annual IEEE Applied Power Electronics Conference and Exposition, Baltimore, MD, USA, 13–17 March 1989; pp. 423–432. [Google Scholar] [CrossRef]
- Sabate, J.; Vlatkovic, V.; Ridley, R.; Lee, F.; Cho, B. Design Considerations for High-Voltage High-Power Full-Bridge Zero-Voltage-Switched PWM Converter. In Proceedings of the Fifth Annual Proceedings on Applied Power Electronics Conference and Exposition, Los Angeles, CA, USA, 11–16 March 1990; pp. 275–284. [Google Scholar] [CrossRef]
- Whitaker, B.; Barkley, A.; Cole, Z.; Passmore, B.; Martin, D.; McNutt, T.R.; Lostetter, A.B.; Lee, J.S.; Shiozaki, K. A High-Density, High-Efficiency, Isolated On-Board Vehicle Battery Charger Utilizing Silicon Carbide Power Devices. IEEE Trans. Power Electron. 2014, 29, 2606–2617. [Google Scholar] [CrossRef]
- Musavi, F.; Craciun, M.; Gautam, D.S.; Eberle, W.; Dunford, W.G. An LLC Resonant DC–DC Converter for Wide Output Voltage Range Battery Charging Applications. IEEE Trans. Power Electron. 2013, 28, 5437–5445. [Google Scholar] [CrossRef]
- Cittanti, D.; Vico, E.; Gregorio, M.; Mandrile, F.; Bojoi, R. Iterative Design of a 60 kW All-Si Modular LLC Converter for Electric Vehicle Ultra-Fast Charging. In Proceedings of the AEIT International Conference of Electrical and Electronic Technologies for Automotive (AEIT AUTOMOTIVE), Torino, Italy, 18–20 November 2020. [Google Scholar]
- Dowell, P.L. Effects of Eddy Currents in Transformer Windings. Proc. Inst. Electr. Eng. 1966, 113, 1387–1394. [Google Scholar] [CrossRef]
- Ciobotaru, M.; Teodorescu, R.; Blaabjerg, F. A New Single-Phase PLL Structure Based on Second Order Generalized Integrator. In Proceedings of the IEEE Power Electronics Specialists Conference (PESC), Jeju, Korea, 18–22 June 2006. [Google Scholar] [CrossRef]
- Limongi, L.R.; Bojoi, R.; Pica, C.; Profumo, F.; Tenconi, A. Analysis and Comparison of Phase Locked Loop Techniques for Grid Utility Applications. In Proceedings of the Power Conversion Conference (PCC), Nagoya, Japan, 2–5 April 2007; pp. 674–681. [Google Scholar] [CrossRef]
- Walczak, M. Impact of Inductor Current Ringing in DCM on Output Voltage of DC-DC Buck Power Converters. Arch. Electr. Eng. 2017, 66, 313–323. [Google Scholar] [CrossRef]



















| Parameter | Description | Value |
|---|---|---|
| P | rated power | 3300 |
| f | grid frequency | 50 |
| switching frequency (both stages) | 100 | |
| grid RMS voltage | 230 | |
| DC-link voltage | 400 | |
| battery voltage | 250–500 V | |
| input capacitance | 1.5 μF | |
| input inductance | 25 μH | |
| DC-link capacitance | 1.2 mF | |
| output capacitance | 10 μF | |
| output inductance | 21 μH | |
| n | transformer turns ratio | |
| transformer leakage inductance | 0.3 μH | |
| transformer magnetizing inductance | 300 μH |
Publisher’s Note: MDPI stays neutral with regard to jurisdictional claims in published maps and institutional affiliations. |
© 2021 by the authors. Licensee MDPI, Basel, Switzerland. This article is an open access article distributed under the terms and conditions of the Creative Commons Attribution (CC BY) license (http://creativecommons.org/licenses/by/4.0/).
Share and Cite
Cittanti, D.; Gregorio, M.; Mandrile, F.; Bojoi, R. Full Digital Control of an All-Si On-Board Charger Operating in Discontinuous Conduction Mode. Electronics 2021, 10, 203. https://doi.org/10.3390/electronics10020203
Cittanti D, Gregorio M, Mandrile F, Bojoi R. Full Digital Control of an All-Si On-Board Charger Operating in Discontinuous Conduction Mode. Electronics. 2021; 10(2):203. https://doi.org/10.3390/electronics10020203
Chicago/Turabian StyleCittanti, Davide, Matteo Gregorio, Fabio Mandrile, and Radu Bojoi. 2021. "Full Digital Control of an All-Si On-Board Charger Operating in Discontinuous Conduction Mode" Electronics 10, no. 2: 203. https://doi.org/10.3390/electronics10020203
APA StyleCittanti, D., Gregorio, M., Mandrile, F., & Bojoi, R. (2021). Full Digital Control of an All-Si On-Board Charger Operating in Discontinuous Conduction Mode. Electronics, 10(2), 203. https://doi.org/10.3390/electronics10020203

