A Study on the Effect of Bond Wires Lift-Off on IGBT Thermal Resistance Measurement
Abstract
1. Introduction
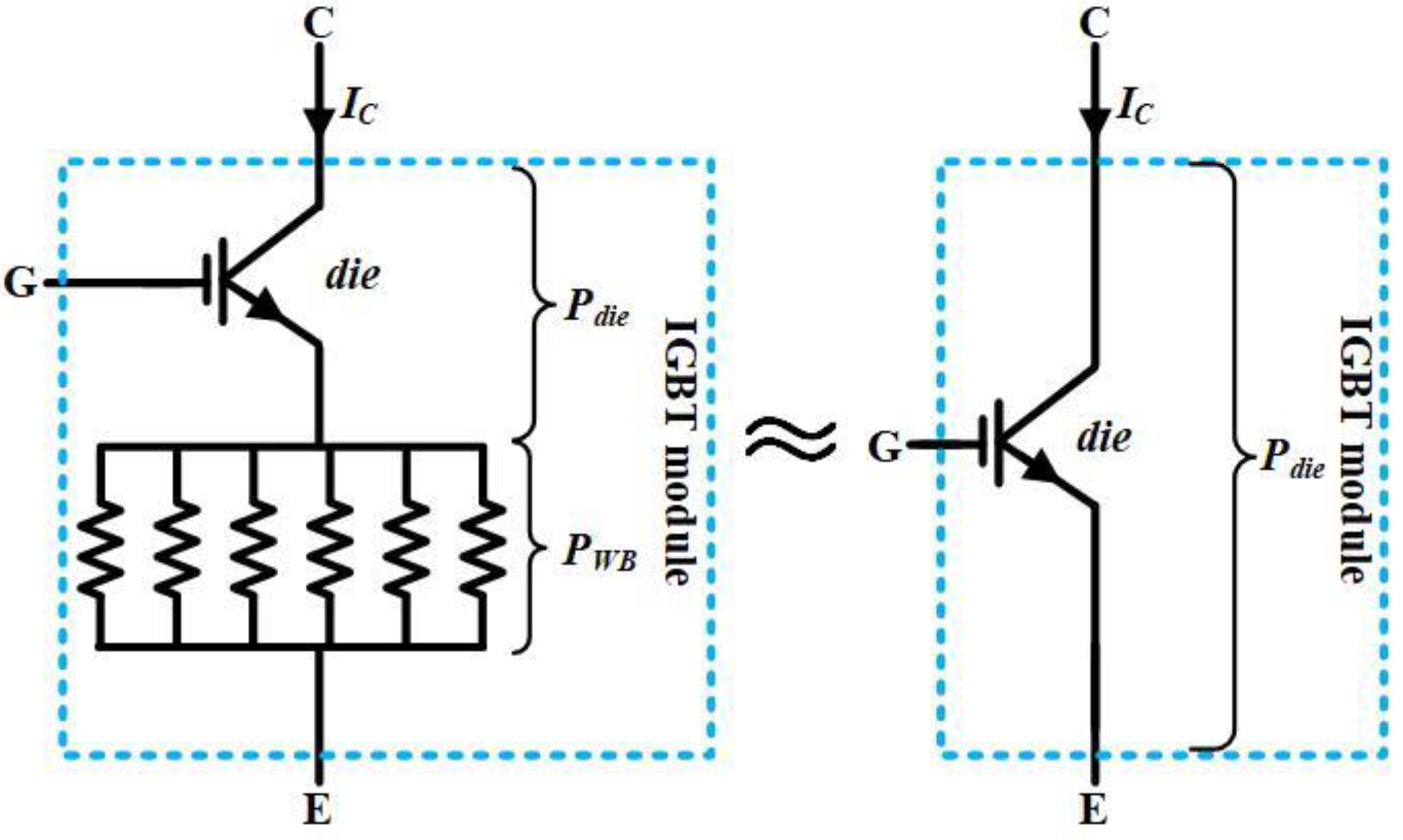
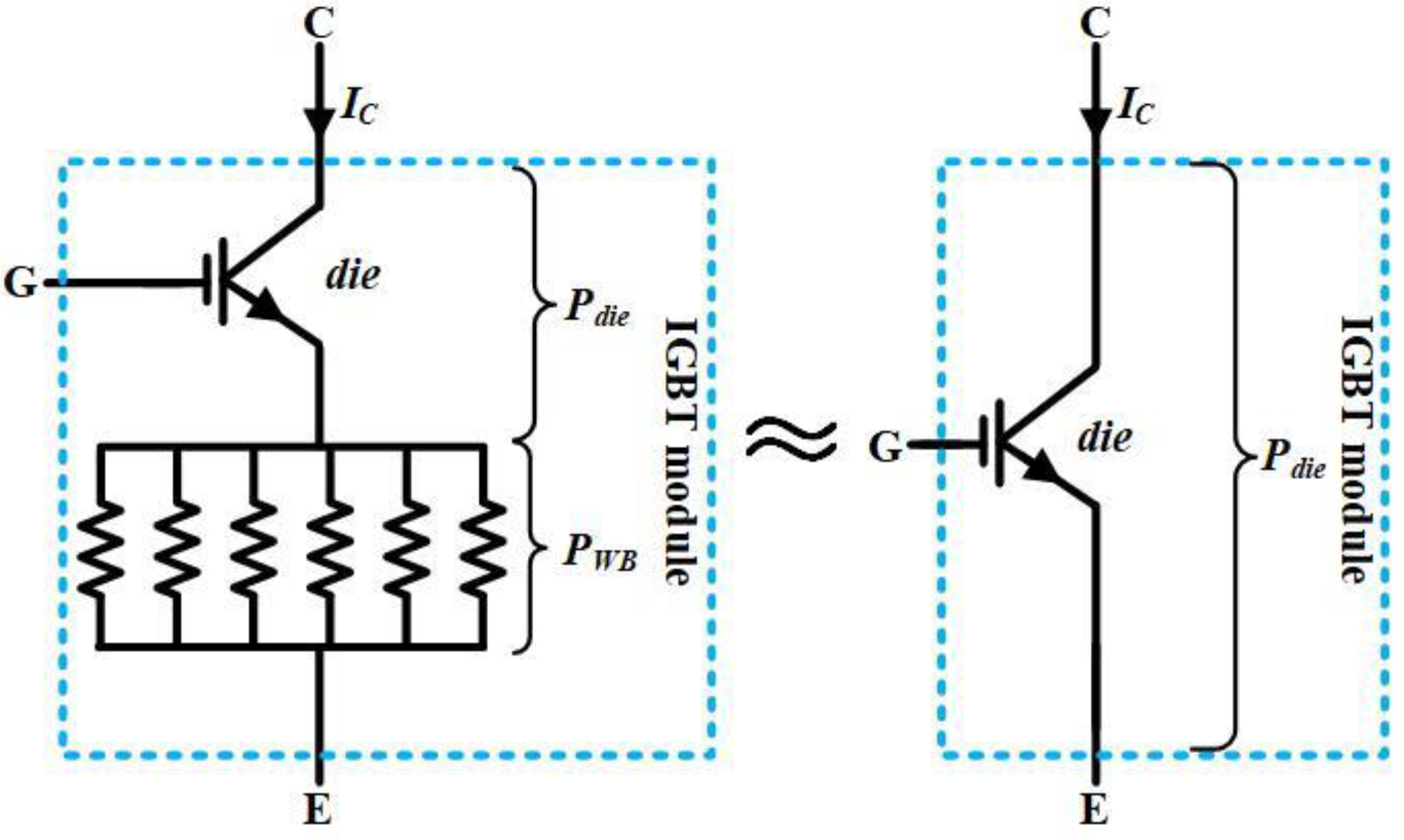
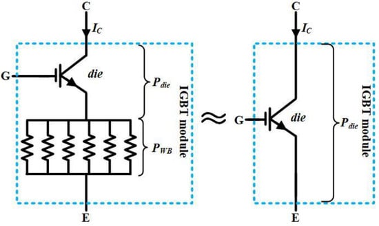
2. Effect of Bond Wires Lift-Off on Thermal Resistance Measurement
3. Multiphysic-Modelling Simulation
3.1. Model Building
3.2. Simulation Results
4. Experimental Results on Bond Wires Lift-Off
4.1. Test Bench
4.2. Results Analysis
5. Discussion
5.1. Factors affecting Thermal Resistance Measurement
5.2. Using Die Power Dissipation to Measure Thermal Resistance
5.3. Failure Criteria Based on Thermal Resistance Decrement
6. Conclusions
Author Contributions
Funding
Data Availability Statement
Acknowledgments
Conflicts of Interest
References
- Yang, S.; Bryant, A.; Mawby, P.; Xiang, D.; Ran, L.; Tavner, P. An Industry-Based Survey of Reliability in Power Electronic Converters. IEEE Trans. Ind. Appl. 2011, 47, 1441–1451. [Google Scholar] [CrossRef]
- Lai, W.; Chen, M.; Ran, L.; Xu, S.; Jiang, N.; Wang, X.; Alatise, O.; Mawby, P. Experimental Investigation on the Effects of Narrow Junction Temperature Cycles on Die-Attach Solder Layer in an IGBT Module. IEEE Trans. Power Electron. 2017, 32, 1431–1441. [Google Scholar] [CrossRef]
- Lai, W.; Chen, M.; Ran, L.; Alatise, O.; Xu, S.; Mawby, P. Low Stress Cycle Effect in IGBT Power Module Die-Attach Lifetime Modeling. IEEE Trans. Power Electron. 2016, 31, 6575–6585. [Google Scholar] [CrossRef]
- Scheuermann, U. Reliability of pressure contacted intelligent integrated power modules. In Proceedings of the 14th International Symposium on Power Semiconductor Devices and Ics, Nuremberg, Germany, 7 June 2002; pp. 249–252. [Google Scholar] [CrossRef]
- Lostetter, A.; Barlow, F.; Elshabini, A. An overview to integrated power module design for high power electronics packaging. Microelectron. Reliab. 2000, 40, 365–379. [Google Scholar] [CrossRef]
- Wang, Z.; Qiao, W.; Qu, L. A Real-Time Adaptive IGBT Thermal Model Based on an Effective Heat Propagation Path Concept. IEEE J. Emerg. Sel. Top. Power Electron. 2020, 1. [Google Scholar] [CrossRef]
- Li, J.; Yaqub, I.; Corfield, M.; Johnson, C.M. Interconnect Materials Enabling IGBT Modules to Achieve Stable Short-Circuit Failure Behavior. IEEE Trans. Compon. Packag. Manuf. Technol. 2017, 7, 734–744. [Google Scholar] [CrossRef]
- INTEGRATED CIRCUIT THERMAL MEASUREMENT METHOD—ELECTRICAL TEST METHOD. Available online: https://www.jedec.org/standards-documents/docs/jesd-51-1 (accessed on 1 December 1995).
- Baker, N.; Liserre, M.; Dupont, L.; Avenas, Y. Improved Reliability of Power Modules: A Review of Online Junction Temperature Measurement Methods. IEEE Ind. Electron. Mag. 2014, 8, 17–27. [Google Scholar] [CrossRef]
- Zhou, L.; Zhou, S.; Xu, M. Investigation of gate voltage oscillations in an IGBT module after partial bond wires lift-off. Microelectron. Reliab. 2013, 53, 282–287. [Google Scholar] [CrossRef]
- Smet, V.; Forest, F.; Huselstein, J.-J.; Rashed, A.; Richardeau, F. Evaluation of Vce Monitoring as a Real-Time Method to Estimate Aging of Bond Wire-IGBT Modules Stressed by Power Cycling. IEEE Trans. Ind. Electron. 2012, 60, 2760–2770. [Google Scholar] [CrossRef]
- Mandeya, R.; Chen, C.; Pickert, V.; Naayagi, R.; Ji, B. Gate–Emitter Pre-threshold Voltage as a Health-Sensitive Parameter for IGBT Chip Failure Monitoring in High-Voltage Multichip IGBT Power Modules. IEEE Trans. Power Electron. 2018, 34, 9158–9169. [Google Scholar] [CrossRef]
- Choi, U.; Blaabjerg, F. Separation of Wear-Out Failure Modes of IGBT Modules in Grid-Connected Inverter Systems. IEEE Trans. Power Electron. 2017, 33, 6217–6223. [Google Scholar] [CrossRef]
- Ji, B.; Pickert, V.; Cao, W.; Zahawi, B. In Situ Diagnostics and Prognostics of Wire Bonding Faults in IGBT Modules for Electric Vehicle Drives. IEEE Trans. Power Electron. 2013, 28, 5568–5577. [Google Scholar] [CrossRef]
- Gao, B.; Yang, F.; Chen, M.; Ran, L.; Ullah, I.; Xu, S.; Mawby, P. A Temperature Gradient-Based Potential Defects Identification Method for IGBT Module. IEEE Trans. Power Electron. 2017, 32, 2227–2242. [Google Scholar] [CrossRef]
- Bahman, A.S.; Ma, K.; Blaabjerg, F. A Lumped Thermal Model Including Thermal Coupling and Thermal Boundary Conditions for High-Power IGBT Modules. IEEE Trans. Power Electron. 2018, 33, 2518–2530. [Google Scholar] [CrossRef]
- Baker, N.; Dupont, L.; Munk-Nielsen, S.; Iannuzzo, F.; Liserre, M. IR Camera Validation of IGBT Junction Temperature Measurement via Peak Gate Current. IEEE Trans. Power Electron. 2017, 32, 3099–3111. [Google Scholar] [CrossRef]
- Dupont, L.; Avenas, Y.; Jeannin, P.-O. Comparison of Junction Temperature Evaluations in a Power IGBT Module Using an IR Camera and Three Thermosensitive Electrical Parameters. IEEE Trans. Ind. Appl. 2013, 49, 1599–1608. [Google Scholar] [CrossRef]
- Schweitzer, D.; Pape, H.; Chen, L. Transient Measurement of the Junction-To-Case Thermal Resistance Using Structure Functions: Chances and Limits. In Proceedings of the Twenty-Third Annual IEEE Semiconductor Thermal Measurement and Management Symposium, San Jose, CA, USA, 16–20 March 2008; pp. 191–197. [Google Scholar]
- Perpina, X.; Serviere, J.; Saiz, J.; Barlini, D.; Mermet-Guyennet, M.; Millán, J. Temperature measurement on series resistance and devices in power packs based on on-state voltage drop monitoring at high current. Microelectron. Reliab. 2006, 46, 1834–1839. [Google Scholar] [CrossRef]
- Harald, K.; Axel, M. On-line junction temperature measurement of IGBTs based on temperature sensitive electrical parameters. In Proceedings of the 2009 13th European Conference on Power Electronics and Applications, Barcelona, Spain, 8–10 September 2009; pp. 2249–2258. [Google Scholar]
- Luo, H.; Chen, Y.; Sun, P.; Li, W.; He, X. Junction Temperature Extraction Approach with Turn-off Delay Time for High-voltage High-Power IGBT Modules. IEEE Trans. Power Electron. 2015, 31, 1. [Google Scholar] [CrossRef]
- Held, M.; Jacob, P.; Nicoletti, G.; Scacco, P.; Poech, M.-H. Fast power cycling test of IGBT modules in traction application. In Proceedings of the Second International Conference on Power Electronics and Drive Systems, Singapore, 26–29 May 1997; pp. 425–430. [Google Scholar]
- Andreas, B. A Novel Test Method for Minimising Energy Costs in IGBT Power Cycling Studies. Ph.D Thesis, University of the Witwatersrand, Johannesburg, South African, 2006. [Google Scholar]
- Wei, K.; Du, M.; Xie, L.; Li, J. Study of Bonding Wire Failure Effects on External Measurable Signals of IGBT Module. IEEE Trans. Device Mater. Reliab. 2012, 14, 83–89. [Google Scholar] [CrossRef]
- Lai, W.; Chen, M.; Ran, L.; Xu, S.; Qin, H.; Alatise, O.; Mawby, P.A. Study on the lifetime characteristics of power modules under power cycling conditions. IET Power Electron. 2016, 9, 1045–1052. [Google Scholar] [CrossRef]




















| Part | Materials | Density [kg/m3] | Electric Conductivity [S/m] | Thermal Conductivity [W/(m·K)] |
|---|---|---|---|---|
| Bond wires | Aluminium | 2700 | 3.5 × 107 | 237 |
| Die | Silicon | 2329 | σ | 124 |
| Solder | 96.5Sn3.5Ag | 7400 | 9.1 × 106 | 35 |
| Baseplate | Copper | 8960 | 6 × 107 | 380 |
| Insulation | Al2O3 | 3780 | – | 30 |
| Wires Removed | 0 | 1 | 2 | 3 | 4 | 5 |
|---|---|---|---|---|---|---|
| TJ (°C) | 63.9 | 64.0 | 64.2 | 64.4 | 64.8 | 65.6 |
| TJmax (°C) | 68.6 | 68.8 | 69.2 | 69.5 | 70.3 | 75.2 |
| Twire (°C) | 60.9 | 62.5 | 66.1 | 75.5 | 105.2 | 279.9 |
| TC (°C) | 45.65 | 45.77 | 45.92 | 46.02 | 46.46 | 47.25 |
| P (W) | 70.29 | 70.53 | 70.94 | 71.62 | 72.84 | 75.94 |
| RJC (K/W) | 0.2591 | 0.2584 | 0.2572 | 0.2565 | 0.2512 | 0.2416 |
| ΔRJC/RJC (%) | 0 | –0.28 | –0.74 | –1.01 | –3.07 | –6.78 |
| Current | 0 Wire Fail | 1 Wire Fail | 2 Wires Fail | 3 Wires Fail | 4 Wires Fail | 5 Wires Fail |
|---|---|---|---|---|---|---|
| 10 A | 0.3422 | 0.3382 | 0.3312 | 0.3236 | 0.3174 | 0.3125 |
| 0.00% | –1.17% | –3.22% | –5.44% | –7.25% | –8.69% | |
| 20 A | 0.3589 | 0.3569 | 0.3554 | 0.3544 | 0.3494 | 0.3390 |
| 0.00% | –0.57% | –1.00% | –1.26% | –2.65% | –5.57% | |
| 30 A | 0.3920 | 0.3918 | 0.3902 | 0.3868 | 0.3809 | 0.3728 |
| 0.00% | –0.05% | –0.45% | –1.32% | –2.83% | –4.90% | |
| 40 A | 0.4255 | 0.4235 | 0.4220 | 0.4180 | 0.4133 | – |
| 0.00% | –0.48% | –0.82% | –1.75% | –2.88% | – |
| Conduct Current | Initial Voltage | 5% Voltage Increase | Failure Voltage | Wires Remain | Thermal Resistance Decrement |
|---|---|---|---|---|---|
| 10 A | 1.087 | 1.1414 | 1.136 | 1 | –8.69% |
| 20 A | 1.315 | 1.3808 | 1.422 | 1 | –5.57% |
| 30 A | 1.511 | 1.5866 | 1.59 | 2 | –2.83% |
| 40 A | 1.708 | 1.7934 | 1.833 | 2 | –2.88% |
Publisher’s Note: MDPI stays neutral with regard to jurisdictional claims in published maps and institutional affiliations. |
© 2021 by the authors. Licensee MDPI, Basel, Switzerland. This article is an open access article distributed under the terms and conditions of the Creative Commons Attribution (CC BY) license (http://creativecommons.org/licenses/by/4.0/).
Share and Cite
Luo, D.; Chen, M.; Lai, W.; Xia, H.; Ding, X.; Deng, Z. A Study on the Effect of Bond Wires Lift-Off on IGBT Thermal Resistance Measurement. Electronics 2021, 10, 194. https://doi.org/10.3390/electronics10020194
Luo D, Chen M, Lai W, Xia H, Ding X, Deng Z. A Study on the Effect of Bond Wires Lift-Off on IGBT Thermal Resistance Measurement. Electronics. 2021; 10(2):194. https://doi.org/10.3390/electronics10020194
Chicago/Turabian StyleLuo, Dan, Minyou Chen, Wei Lai, Hongjian Xia, Xueni Ding, and Zhenyu Deng. 2021. "A Study on the Effect of Bond Wires Lift-Off on IGBT Thermal Resistance Measurement" Electronics 10, no. 2: 194. https://doi.org/10.3390/electronics10020194
APA StyleLuo, D., Chen, M., Lai, W., Xia, H., Ding, X., & Deng, Z. (2021). A Study on the Effect of Bond Wires Lift-Off on IGBT Thermal Resistance Measurement. Electronics, 10(2), 194. https://doi.org/10.3390/electronics10020194

