Characterization of the Potential Effects of EMC Filters for Power Converters on Narrowband Power Line Communications
Abstract
1. Introduction
2. Materials and Methods
2.1. Measurement Equipment and EMC Filters under Test
2.1.1. Channel Frequency Response Measurement System
2.1.2. Microchip PL360G55CF-EK Evaluation Kit
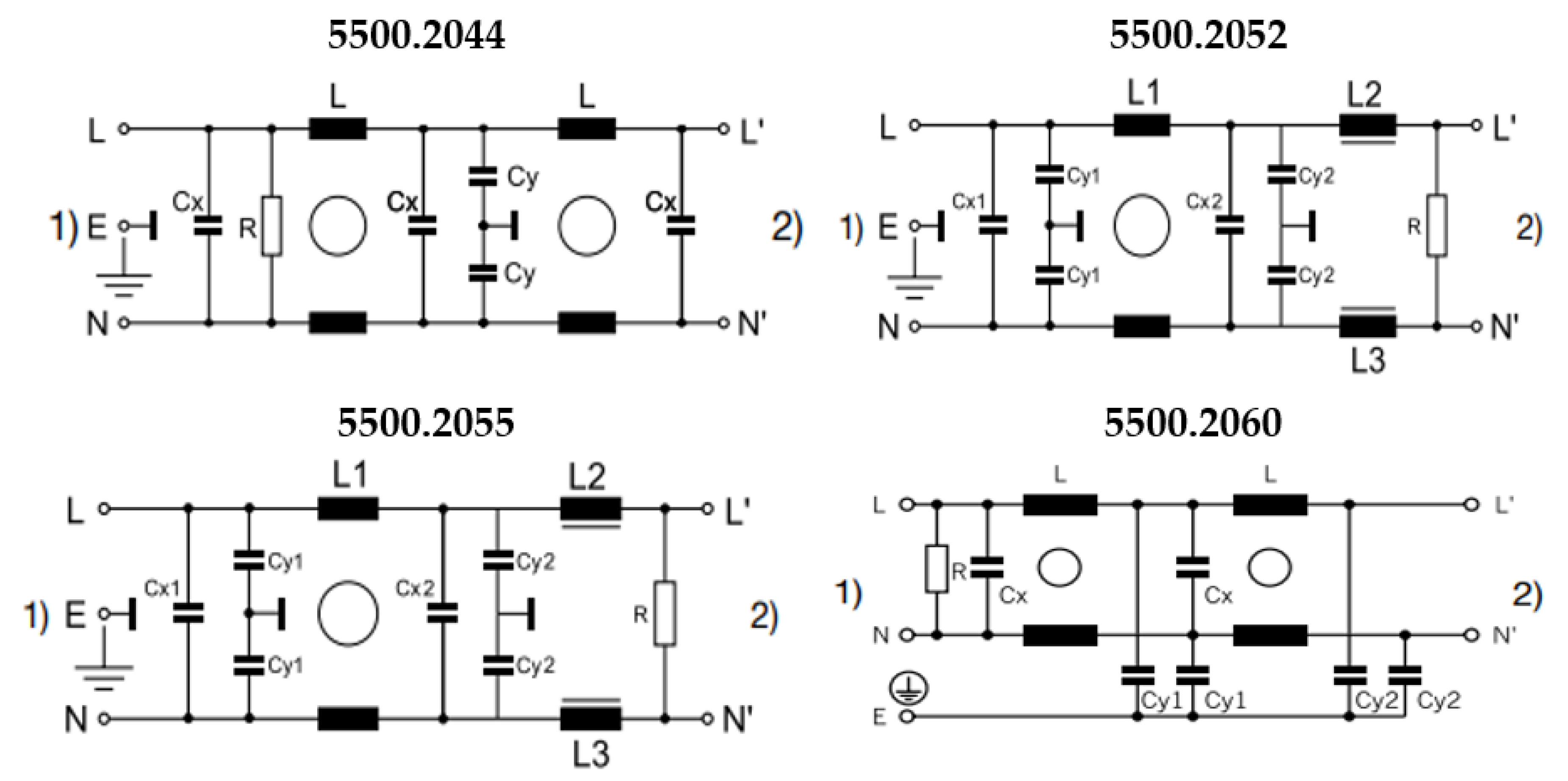
2.1.3. EMC Filters
2.2. Measurement Setup
2.3. Summary of Performed Tests
3. Results
3.1. Impedance Variations Due to the EMC Filters
3.2. Signal Attenuation Due to the EMC Filters
3.3. FER-SNR Curves
4. Discussion
5. Conclusions
Author Contributions
Funding
Data Availability Statement
Conflicts of Interest
References
- Popović-Gerber, J.; Oliver, J.A.; Cordero, N.; Harder, T.; Cobos, J.A.; Hayes, M.; O’Mathuna, C.; Prem, E. Power Electronics Enabling Efficient Energy Usage: Energy Savings Potential and Technological Challenges. IEEE Trans. Power Electron. 2011, 27, 2338–2353. [Google Scholar] [CrossRef]
- Fernández, I.; Uribe-Pérez, N.; Eizmendi, I.; Angulo, I.; de la Vega, D.; Arrinda, A.; Arzuaga, T. Characterization of Non-intentional Emissions from Distributed Energy Resources up to 500 kHz: A Case Study in Spain. Int. J. Electr. Power Energy Syst. 2019, 105, 549–563. [Google Scholar] [CrossRef]
- Basics in EMC/EMI and Power Quality–Introduction, Annotations, Applications; Schaffner: Luterbach, Swizerland, 2013.
- López, G.; Moreno, J.I.; Sánchez, E.; Martínez, C.; Martín, F.; Moreno, J.I. Noise Sources, Effects and Countermeasures in Narrowband Power-Line Communications Networks: A Practical Approach. Energies 2017, 10, 1238. [Google Scholar] [CrossRef]
- Roggo, D. Spectral Grid Impedance and Electromagnetic Interferences in the 150 kHz Frequency Range. Int. J. Distrib. Energy Resour. Smart Grids 2018, 11, 143–151. [Google Scholar]
- Rasool, B.; Rasool, A.; Khan, I. Impedance Characterization of Power Line Communication Networks. Arab. J. Sci. Eng. 2014, 39, 6255–6267. [Google Scholar] [CrossRef]
- Cortés, J.A.; Sanz, A.; Estopiñán, P.; García, J.I. Analysis of narrowband power line communication channels for advanced metering infrastructure. EURASIP J. Adv. Signal Process. 2015, 2015, 18. [Google Scholar] [CrossRef]
- Wang, B.; Cao, Z. A Review of Impedance Matching Techniques in Power Line Communications. Electronics 2019, 8, 1022. [Google Scholar] [CrossRef]
- Lampe, L.; Han Vinck, A.J. On Cooperative Coding for Narrow Band PLC Networks. Int. J. Electron. Commun. 2011, 65, 681–687. [Google Scholar] [CrossRef]
- PRIME Alliance. Specification for PoweRline Intelligent Metering Evolution v1.4; PRIME Alliance: Brussels, Belgium, 2014. [Google Scholar]
- ETSI Technical Committee. Power Line Telecommunications (PLT) Narrow Band Transceivers in the Range 9 kHz to500 kHz Power Line Performance Test Method Guide ETSI Technical Committee Powerline Communications TechnicalSpecification; ETSI TS 103 909 V1.1.1 (2012-12); ETSI: Sophia Antipolis, France, 2012. [Google Scholar]
- Fernández, I.; Angulo, I.; Arrinda, A.; de la Vega, D.; Arechalde, I.; Uribe-Pérez, N.; Arzuaga, T. Characterization of the Frequency-dependent Transmission Losses of the Grid up to 500 kHz. In Proceedings of the 25th International Conference on Electricity Distribution (CIRED 2019), Madrid, Spain, 3–6 June 2019. [Google Scholar]
- Fernández, I.; Alberro, M.; Montalbán, J.; Arrinda, A.; Angulo, I.; de la Vega, D. A New Voltage Probe with Improved Performance at the 10 kHz-500 kHz Frequency Range for Field Measurements in LV Networks. Measurement 2019, 145, 519–524. [Google Scholar]
- Llano, A.; Angulo, I.; Angueira, P.; Arzuaga, T.; De La Vega, D. Analysis of the Channel Influence to Power Line Communications Based on ITU-T G.9904 (PRIME). Energies 2016, 9, 39. [Google Scholar] [CrossRef]
- Passive Filter Units for Electromagnetic Interference Suppression—Part 1: Generic Specification. Available online: https://standards.iteh.ai/catalog/standards/clc/9904f02f-5746-42d9-95f4-a68df5292edc/en-60939-1-2010 (accessed on 15 October 2010).
- Schurter Manufacturer. Available online: https://www.schurter.com/en/choose-country-region?coming-from=/en/Home (accessed on 16 December 2020).
- Capponi, L.; Fernández, I.; Roggo, D.; Arrinda, A.; Angulo, I.; de la Vega, D. Comparison of Measurement Methods of Grid Impedance for Narrow Band-PLC up to 500 kHz. In Proceedings of the IEEE 9th International Workshop on Applied Measurements for Power Systems (AMPS), Bologna, Italy, 26–28 September 2018. [Google Scholar]
- Fernandez, I.; De La Vega, D.; Roggo, D.; Stiegler, R.; Capponi, L.; Angulo, I.; Meyer, J.; Arrinda, A. Comparison of Measurement Methods of LV Grid Access Impedance in the Frequency Range Assigned to Nb-Plc Technologies. Electronics 2019, 8, 1155. [Google Scholar] [CrossRef]
- Berger, L.T.; Schwager, A.; Pagani, P.; Schneider, D. MIMO Power Line Communications: Narrow and Broadband Standards, EMC, and Advanced Processing, 1st ed.; CRC Press: Boca Raton, FL, USA, 2017. [Google Scholar]
- Farias, L.D.R.; Monteiro, L.F.; Leme, M.O.; Stevan, J.S.L. Empirical Analysis of the Communication in Industrial Environment Based on G3-Power Line Communication and Influences from Electrical Grid. Electronics 2018, 7, 194. [Google Scholar] [CrossRef]
- Passerini, F.; Tonello, A.M. Secure PHY Layer Key Generation in the Asymmetric Power Line Communication Channel. Electronics 2020, 9, 605. [Google Scholar] [CrossRef]











| Description | Rated Current | Leakage Current | Applications | |
|---|---|---|---|---|
| 5500.2044 | 2-stage line filter, high attenuation | 6 A | <0.5 mA (standard version) | Suitable for use in equipment according to IEC/UL 62368-1 |
| 5500.2052 | 2-stage line filter, very high attenuation, broadband | 2 A | 0.25 mA (standard version) | Suitable for use in equipment according to IEC/UL 62368-1 Especially suitable for use in switching power supplies e.g., in electronic designs with high repetitive switching frequency |
| 5500.2055 | 2-stage line filter, very high attenuation, broadband | 6 A | 1.4 mA (industrial version) | Suitable for use in equipment according to IEC/UL 62368-1 Especially suitable for use in switching power supplies e.g., in electronic designs with high repetitive switching frequency |
| 5500.2060 | 2-stage line filter, very high symmetrical and asymmetrical attenuation | 6 A | 0.25 mA (standard version) | Suitable for use in equipment according to IEC/UL 62368-1 Especially designed for industrial applications such as: Frequency Converters, Stepper Motor Drives, UPS-Systems, Inverters Especially suitable for use in switching power supplies |
| EMC Filter | L (mH) | R (MΩ) | Cx (µF) | Cy (µF) | Cx1 (µF) | Cx2 (µF) | Cy1 (µF) | Cy2 (µF) | L1 (mH) | L2 (mH) | L3 (mH) |
|---|---|---|---|---|---|---|---|---|---|---|---|
| 2044 | 2 × 0.8 | 0.5 | 100 | 4.7 | - | - | - | - | - | - | - |
| 2052 | - | 1 | - | - | 0.1 | 0.47 | 1.5 | 1 | 2 × 10 | 0.4 | 0.4 |
| 2055 | - | 1 | - | - | 0.1 | 0.68 | 10 | 4.7 | 2 × 6 | 0.5 | - |
| 2060 | 2 × 0.8 | 1 | 0.1 | 1.5 | - | - | 1.5 | 1 | - | - | - |
| Impedance of 5500.2044 (Ω) | Impedance of 5500.2052 (Ω) | Impedance of 5500.2055 (Ω) | Impedance of 5500.2060 (Ω) | |||||
|---|---|---|---|---|---|---|---|---|
| Channel | Mean | Standard Deviation | Mean | Standard Deviation | Mean | Standard Deviation | Mean | Standard Deviation |
| CH 1 | 2.35 | 0.50 | 1.91 | 0.11 | 1.58 | 0.23 | 2.08 | 0.16 |
| CH 3 | 2.33 | 0.40 | 5.43 | 0.49 | 4.82 | 0.44 | 1.06 | 0.61 |
| CH 4 | 4.66 | 0.90 | 9.39 | 0.75 | 9.15 | 1.19 | 2.11 | 0.49 |
| CH 5 | 8.27 | 2.21 | 4.86 | 1.35 | 5.33 | 1.61 | 4.69 | 0.92 |
| CH 6 | 3.11 | 1.69 | 1.57 | 0.49 | 1.55 | 0.53 | 11.26 | 2.27 |
| CH 7 | 6.89 | 2.85 | 0.44 | 0.08 | 0.49 | 0.09 | 5.06 | 2.09 |
| CH 8 | 0.94 | 0.43 | 1.04 | 0.20 | 1.17 | 0.20 | 0.99 | 0.40 |
| Impedance of 5500.2044 + load (Ω) | Impedance of 5500.2052 + load (Ω) | Impedance of 5500.2055 + load (Ω) | Impedance of 5500.2060 + load (Ω) | |||||
|---|---|---|---|---|---|---|---|---|
| Channel | Mean | Standard Deviation | Mean | Standard Deviation | Mean | Standard Deviation | Mean | Standard Deviation |
| CH 1 | 2.21 | 0.18 | 2.15 | 0.20 | 1.75 | 0.35 | 2.24 | 0.22 |
| CH 3 | 2.28 | 0.36 | 5.65 | 0.39 | 5.07 | 0.36 | 1.62 | 0.47 |
| CH 4 | 4.34 | 0.74 | 9.32 | 0.81 | 9.02 | 1.28 | 2.17 | 0.45 |
| CH 5 | 7.09 | 0.98 | 5.86 | 1.43 | 7.08 | 1.69 | 4.65 | 0.87 |
| CH 6 | 3.74 | 1.31 | 2.21 | 0.56 | 2.68 | 0.66 | 10.28 | 1.99 |
| CH 7 | 8.66 | 2.29 | 0.67 | 0.20 | 0.86 | 0.28 | 6.35 | 2.25 |
| CH 8 | 2.10 | 0.76 | 0.78 | 0.17 | 0.63 | 0.14 | 1.57 | 0.56 |
| Attenuation of 5500.2044 (dB) | Attenuation of 5500.2052 (dB) | Attenuation of 5500.2055 (dB) | Attenuation of 5500.2060 (dB) | |||||
|---|---|---|---|---|---|---|---|---|
| Channel | Mean | Standard Deviation | Mean | Standard Deviation | Mean | Standard Deviation | Mean | Standard Deviation |
| CH 1 | −1.11 | 0.85 | 0.14 | 0.65 | 2.34 | 1.45 | –0.78 | 1.03 |
| CH 3 | 4.81 | 1.49 | −3.30 | 0.85 | −1.99 | 0.86 | 15.23 | 4.16 |
| CH 4 | 0.77 | 1.23 | −4.38 | 1.46 | –4.49 | 0.84 | 6.66 | 1.55 |
| CH 5 | −0.24 | 3.65 | 6.05 | 3.13 | 5.62 | 3.48 | 2.23 | 1.47 |
| CH 6 | 9.76 | 4.65 | 20.91 | 4.99 | 21.42 | 4.78 | −2.92 | 1.10 |
| CH 7 | 6.22 | 5.25 | 24.20 | 3.04 | 20.76 | 2.21 | 11.84 | 5.22 |
| CH 8 | 23.04 | 2.33 | 17.35 | 0.92 | 15.76 | 0.72 | 23.57 | 2.06 |
| Attenuation of 5500.2044 + Load (dB) | Attenuation of 5500.2052 + Load (dB) | Attenuation of 5500.2055 + Load (dB) | Attenuation of 5500.2060 + Load (dB) | |||||
|---|---|---|---|---|---|---|---|---|
| Channel | Mean | Standard Deviation | Mean | Standard Deviation | Mean | Standard Deviation | Mean | Standard Deviation |
| CH 1 | −0.08 | 0.51 | 0.23 | 0.55 | 2.30 | 1.56 | −0.26 | 0.56 |
| CH 3 | −4.93 | 1.30 | −3.10 | 0.70 | −2.13 | 0.73 | 11.10 | 1.88 |
| CH 4 | 1.22 | 0.99 | −4.88 | 0.87 | −4.74 | 0.68 | 6.68 | 1.15 |
| CH 5 | 0.41 | 2.99 | 4.11 | 2.90 | 4.39 | 3.25 | 2.38 | 1.20 |
| CH 6 | 7.57 | 3.33 | 16.17 | 3.69 | 18.73 | 4.56 | −2.19 | 1.03 |
| CH 7 | 5.38 | 4.85 | 25.32 | 2.07 | 22.83 | 2.65 | 11.09 | 4.95 |
| CH 8 | 23.25 | 2.31 | 18.73 | 1.00 | 17.00 | 0.79 | 22.51 | 1.91 |
| SNR (dB) for FER = 5% | |||||
|---|---|---|---|---|---|
| Channel | Without Filter | 5500.2044 | 5500.2052 | 5500.2055 | 5500.2060 |
| CH 1 | 11.0 | 10.9 | 10.9 | 10.6 | 10.9 |
| CH 3 | 10.5 | 10.5 | 10.5 | 11.1 | 10.6 |
| CH 4 | 9.9 | 9.9 | 10.0 | 10.3 | 10.3 |
| CH 5 | 10.2 | 9.8 | 9.8 | 9.9 | 10.2 |
| CH 6 | 10.5 | 10.5 | 10.7 | 10.3 | 10.8 |
| CH 7 | 10.0 | 9.7 | 10.1 | 9.8 | 9.5 |
| CH 8 | 11.0 | 11.4 | 11.1 | 10.5 | 10.4 |
| SNR (dB) for FER = 5 % | |||||
|---|---|---|---|---|---|
| Channel | Without Filter | 5500.2044 + Load | 5500.2052 + Load | 5500.2055 + Load | 5500.2060 + Load |
| CH 1 | 11.0 | 11.2 | 11.0 | 10.7 | 11.1 |
| CH 3 | 10.5 | 10.8 | 10.7 | 10.7 | 10.7 |
| CH 4 | 9.9 | 9.9 | 10.1 | 10.1 | 10.1 |
| CH 5 | 10.2 | 9.9 | 9.9 | 9.8 | 10.1 |
| CH 6 | 10.5 | 10.7 | 10.6 | 10.6 | 10.5 |
| CH 7 | 10.0 | 9.9 | 10.1 | 10.0 | 10.1 |
| CH 8 | 11.0 | 10.9 | 11.1 | 11.2 | 11.2 |
Publisher’s Note: MDPI stays neutral with regard to jurisdictional claims in published maps and institutional affiliations. |
© 2021 by the authors. Licensee MDPI, Basel, Switzerland. This article is an open access article distributed under the terms and conditions of the Creative Commons Attribution (CC BY) license (http://creativecommons.org/licenses/by/4.0/).
Share and Cite
González-Ramos, J.; Angulo, I.; Fernández, I.; Arrinda, A.; de la Vega, D. Characterization of the Potential Effects of EMC Filters for Power Converters on Narrowband Power Line Communications. Electronics 2021, 10, 152. https://doi.org/10.3390/electronics10020152
González-Ramos J, Angulo I, Fernández I, Arrinda A, de la Vega D. Characterization of the Potential Effects of EMC Filters for Power Converters on Narrowband Power Line Communications. Electronics. 2021; 10(2):152. https://doi.org/10.3390/electronics10020152
Chicago/Turabian StyleGonzález-Ramos, Jon, Itziar Angulo, Igor Fernández, Amaia Arrinda, and David de la Vega. 2021. "Characterization of the Potential Effects of EMC Filters for Power Converters on Narrowband Power Line Communications" Electronics 10, no. 2: 152. https://doi.org/10.3390/electronics10020152
APA StyleGonzález-Ramos, J., Angulo, I., Fernández, I., Arrinda, A., & de la Vega, D. (2021). Characterization of the Potential Effects of EMC Filters for Power Converters on Narrowband Power Line Communications. Electronics, 10(2), 152. https://doi.org/10.3390/electronics10020152

