Synchronous Control Strategy with Input Voltage Feedforward for a Four-Switch Buck-Boost Converter Used in a Variable-Speed PMSG Energy Storage System
Abstract
:1. Introduction
2. Circuit Structure and Analysis of FSBB Converter
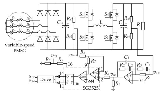
2.1. Circuit Structure of Storage System
2.2. Main Transfer Function
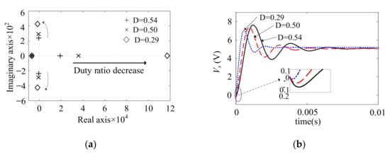
2.3. Right-Half-Plane (RHP) Zero
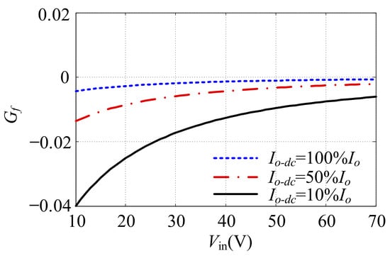
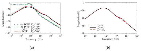
3. IVFF Control System Analysis
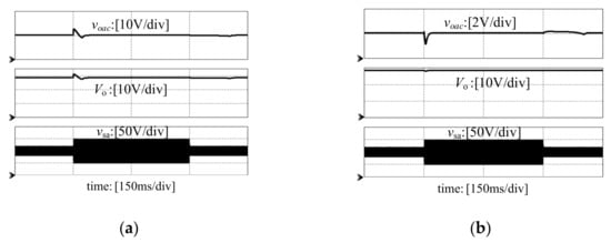
4. Experimental Verification
5. Conclusions
- (1)
- In synchronous control mode, the FSBB converter has a simple structure and low switching stress. The voltage ratio is high.
- (2)
- The small-signal model of the FSBB has RHP zero, which is related to the duty cycle and load. The two-zero and three-pole compensation scheme improves the transient response of the FSBB converter within a wide input range.
- (3)
- The IVFF compensation method can reduce the interference of input voltage. Due to the influence of the RHP zero, the ability to suppress the input voltage disturbance with input voltage feedforward is weaker in the high-frequency band.
Author Contributions
Funding
Conflicts of Interest
Abbreviations
| FSBB | Four-Switch Buck-Boost |
| PMSG | Permanent magnet synchronous generator |
| IVFF | Input voltage feed-forward |
| RHP | Right half plane |
| PWM | Pulse-width modulation |
References
- Tai, L.; Lin, M.; Wang, J.; Liu, K.; Gao, T. Analysis and design of a wide input range DC-DC converter for high-speed generator energy storage systems. In Proceedings of the IECON 2015—41st Annual Conference of the IEEE Industrial Electronics Society, Yokohama, Japan, 9–12 November 2015; pp. 003126–003131. [Google Scholar]
- Kim, J.; Lee, L.; Moon, G. Integrated Dual Full-Bridge Converter with Current-Doubler Rectifier for EV Charger. Power Electron. IEEE Trans. 2016, 31, 942–951. [Google Scholar] [CrossRef]
- Shen, J.; Miao, D. Variable Speed Permanent Magnet Synchronous Generator Systems and Control Strategies. Trans. China Electrotech. Soc. 2013, 28, 1–7. [Google Scholar] [CrossRef]
- Gerada, D.; Mebarki, A.; Brown, N.L.; Gerada, C.; Cavagnino, A.; Boglietti, A. High-speed electrical machines: Technologies, trends, and developments. IEEE Trans. Ind. Electron. 2014, 61, 2946–2959. [Google Scholar] [CrossRef]
- Pan, Z.; Bkayrat, R.A. Modular motor/converter system topology with redundancy for high-speed, high-power motor applications. IEEE Trans. Power Electron. 2010, 25, 408–416. [Google Scholar]
- Monopoli, V.G.; Sidella, P.; Cupertino, F. DC voltage control of a reduced switching losses converter for high speed drives. In Proceedings of the IEEE Applied Power Electronics Conference and Exposition (APEC), Tampa, FL, USA, 26–30 March 2017; pp. 690–695. [Google Scholar]
- Kolli, A.; Gaillard, A.; de Bernardinis, A.; Bethoux, O.; Hissel, D.; Khatir, Z. A review on DC/DC converter architectures for power fuel cell applications. Energy Convers. Manag. 2015, 105, 716–730. [Google Scholar] [CrossRef]
- Su, M.; Wu, S.; Dan, H. A Natural Bidirectional Isolated Single-Phase AC/DC Converter with Wide Output Voltage Range for Aging Test Application in Electric Vehicle. IEEE J. Emerg. Sel. Top. Power Electron. 2021, 9, 3489–3500. [Google Scholar] [CrossRef]
- Aharon, I.; Kuperman, A. Topological overview of powertrains for battery-powered vehicles with range extenders. IEEE Trans. Power Electron. 2011, 26, 868–876. [Google Scholar] [CrossRef]
- Liuchen, T.; Mingyao, L.; Xinghe, F.; Zhang, W. Research on the Stability of a Wide Input AC-DC Converter Used in High-speed Low-voltage Generator. In Proceedings of the 17th International Conference on Electrical Machines and Systems (ICEMS), Hangzhou, China, 22–25 October 2014; pp. 920–925. [Google Scholar]
- Reddy, R.M.; Jana, A.K.; Das, M. Novel Wide Voltage Range Multi-Resonant Bidirectional DC-DC Converter. In Proceedings of the IEEE International Conference on Power Electronics Drives and Energy Systems (PEDES), Jaipur, India, 16–19 December 2020; pp. 1–6. [Google Scholar]
- Aharon, I.; Alon, K.; Doron, S.A. Analysis of Dual-Carrier Modulator for Bidirectional Noninverting Buck–Boost Converter. Power Electron. IEEE Trans. 2015, 30, 840–848. [Google Scholar] [CrossRef]
- Aharon, I.; Shmilovitz, D.; Kuperman, A. Robust output voltage control of multimode non-inverting DC–DC converter. Int. J. Control 2015, 90, 110–120. [Google Scholar] [CrossRef]
- Yao, C.; Ruan, X.; Wang, X.; Chi, K.T. Isolated buck-boost dc/dc converters suitable for wide input-voltage range. IEEE Trans. Power Electron. 2011, 26, 2599–2613. [Google Scholar] [CrossRef]
- Restrepo, C.; Calvente, J.; Cid-Pastor, A.; El Aroudi, A.; Giral, R. A noninverting buck-boost dc-dc switching converter with high efficiency and wide bandwidth. IEEE Trans. Power Electron. 2011, 26, 2490–2503. [Google Scholar] [CrossRef]
- Lee, Y.J.; Khaligh, A.; Chakraborty, A.; Emadi, A. Digital combination of buck and boost converters to control a positive buck-boost converter and improve the output transients. IEEE Trans. Power Electron. 2009, 24, 1267–1279. [Google Scholar] [CrossRef]
- Schaltz, E.; Rasmussen, P.O.; Khaligh, A. Non-inverting buck-boost converter for fuel cell application. In Proceedings of the IEEE Annual Conference on Industrial Electronics, Orlando, FL, USA, 10–13 November 2008; pp. 855–860. [Google Scholar]
- Sahu, B.; Rincón-Mora, G.A. A low voltage, dynamic, noninverting, synchronous buck-boost converter for portable applications. IEEE Trans. Power Electron. 2004, 19, 443–452. [Google Scholar] [CrossRef]
- Chen, J.; Maksimovic, D.; Erickson, R.W. Analysis and design of a low-stress Buck-Boost converter in universal-input PFC applications. IEEE Trans. Power Electron. 2006, 21, 320–329. [Google Scholar] [CrossRef]
- Yamada, H.; Kimura, K.; Hanamoto, T. A Novel MPPT Control Method of Thermoelectric Power Generation with Single Sensor. Appl. Sci. 2013, 3, 545–558. [Google Scholar] [CrossRef]
- Yao, C.; Ruan, X.; Cao, W.; Chen, P. A Two-Mode Control Scheme with Input Voltage Feed-Forward for the Two-Switch Buck-Boost DC-DC Converter. IEEE Trans. Power Electron. 2014, 29, 2037–2048. [Google Scholar] [CrossRef]
- Erickson, R.W.; Maksimovic, D. Fundamentals of Power Electronics; Kluwer: Norwell, MA, USA, 2011. [Google Scholar]
























| Parameter | Value |
|---|---|
| Output line voltage of PMSG | 5–50 V 28.5 V |
| FSBB converter output DC voltage | |
| Maximum power(AC voltage ≥ 17 V) | 300 W |
| FSBB converter switching frequency | 100 kHz |
| L | 40 μH |
| RL | 0.02 mΩ |
| C | 6600 μF |
| Rc | 0.07 mΩ |
Publisher’s Note: MDPI stays neutral with regard to jurisdictional claims in published maps and institutional affiliations. |
© 2021 by the authors. Licensee MDPI, Basel, Switzerland. This article is an open access article distributed under the terms and conditions of the Creative Commons Attribution (CC BY) license (https://creativecommons.org/licenses/by/4.0/).
Share and Cite
Tai, L.; Lin, M.; Wang, J.; Hou, C. Synchronous Control Strategy with Input Voltage Feedforward for a Four-Switch Buck-Boost Converter Used in a Variable-Speed PMSG Energy Storage System. Electronics 2021, 10, 2375. https://doi.org/10.3390/electronics10192375
Tai L, Lin M, Wang J, Hou C. Synchronous Control Strategy with Input Voltage Feedforward for a Four-Switch Buck-Boost Converter Used in a Variable-Speed PMSG Energy Storage System. Electronics. 2021; 10(19):2375. https://doi.org/10.3390/electronics10192375
Chicago/Turabian StyleTai, Liuchen, Mingyao Lin, Jianhua Wang, and Chongsheng Hou. 2021. "Synchronous Control Strategy with Input Voltage Feedforward for a Four-Switch Buck-Boost Converter Used in a Variable-Speed PMSG Energy Storage System" Electronics 10, no. 19: 2375. https://doi.org/10.3390/electronics10192375
APA StyleTai, L., Lin, M., Wang, J., & Hou, C. (2021). Synchronous Control Strategy with Input Voltage Feedforward for a Four-Switch Buck-Boost Converter Used in a Variable-Speed PMSG Energy Storage System. Electronics, 10(19), 2375. https://doi.org/10.3390/electronics10192375
