A Compact Widely Tunable Bandpass Filter Dedicated to Preselectors
Abstract
:1. Introduction
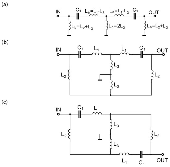
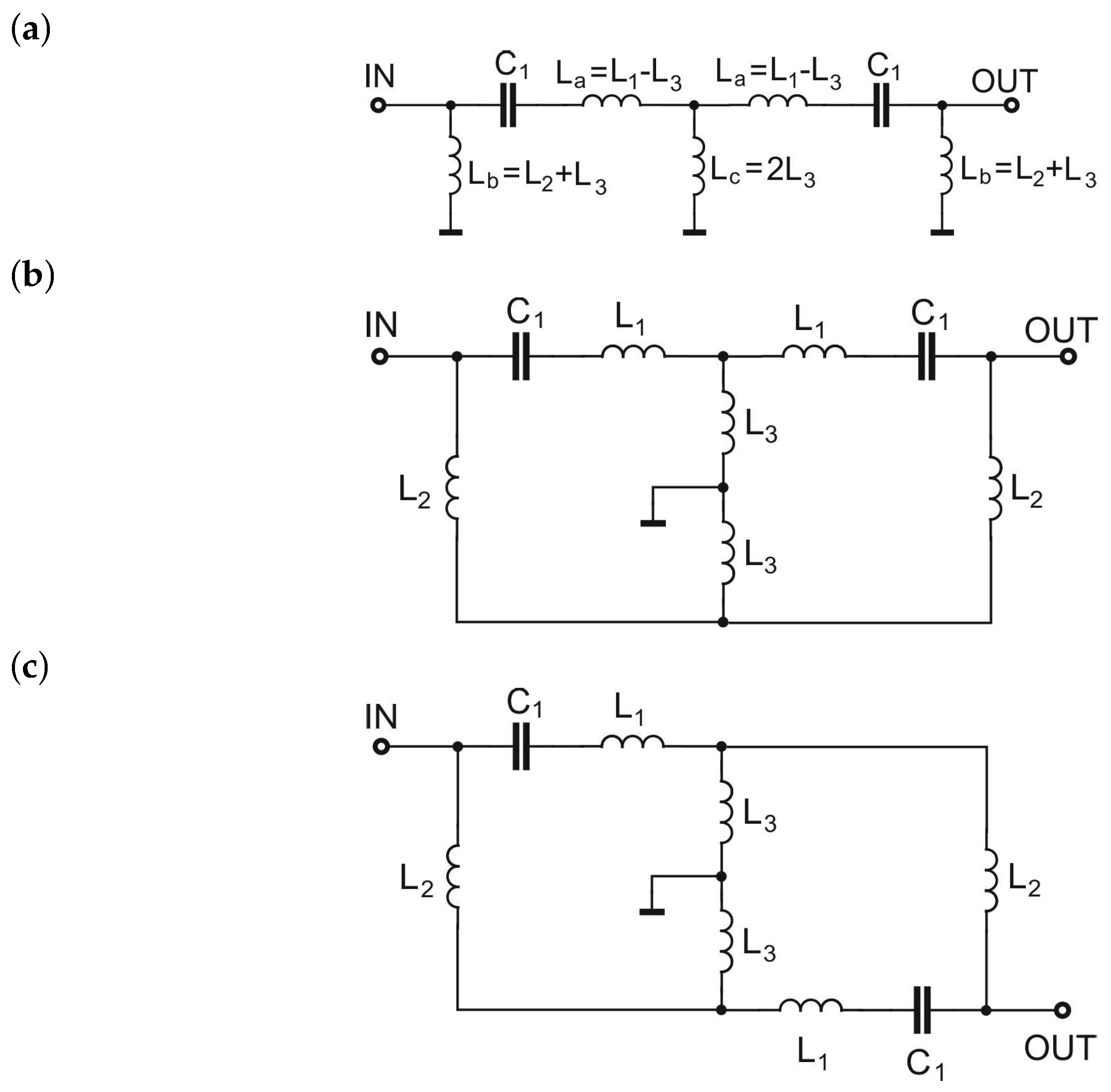
2. Lumped Element Prototype
- = 2.85 pF, = 8.8 nH, = 2.66 nH, = 0.34 nH, k = 0.053;
- = 3.15 pF, = 8.8 nH, = 2.66 nH, = 0.3 nH, k = 0.055;
- = 3 pF, = 8.8 nH, = 1.5 nH, = 0.6 nH, k = 0.104.
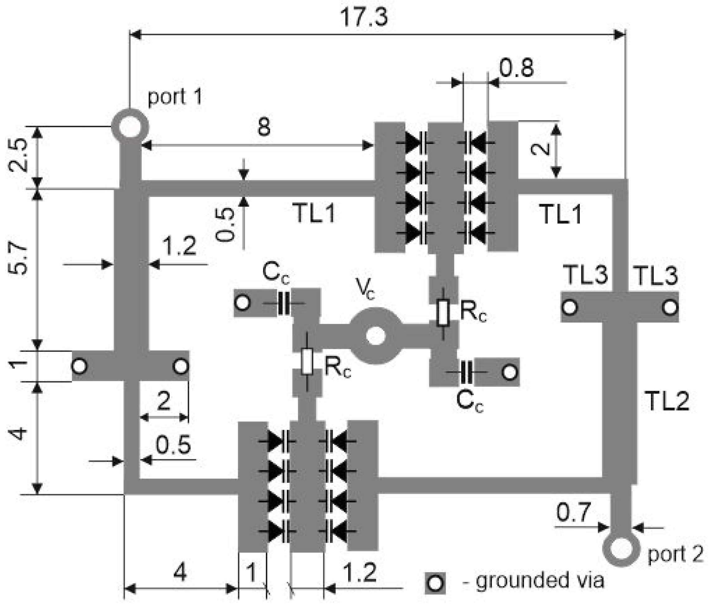
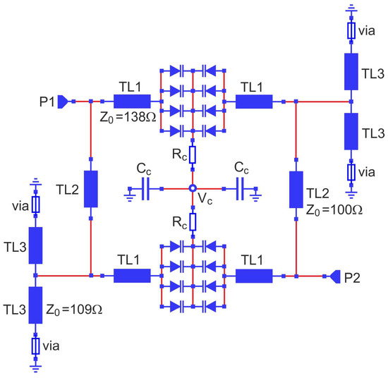
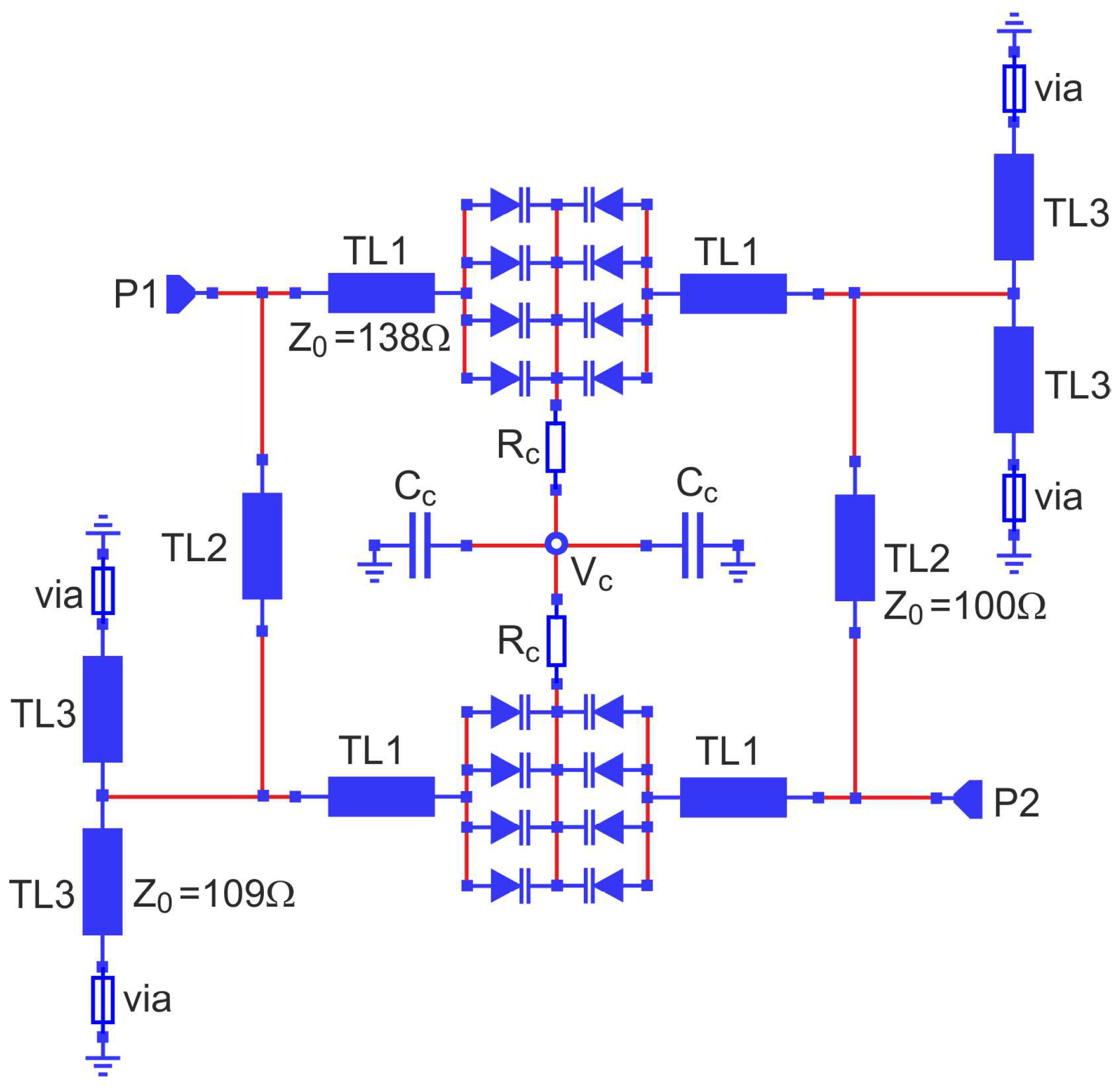
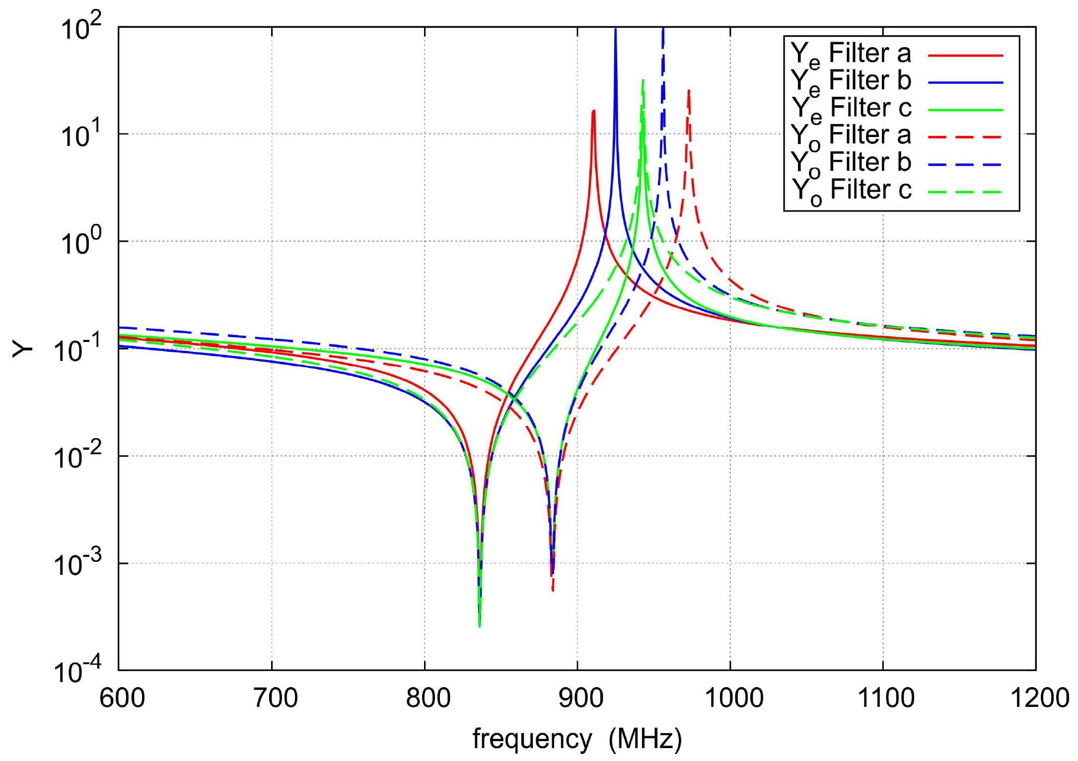
3. Filter with the Implementation of the Transmission Lines
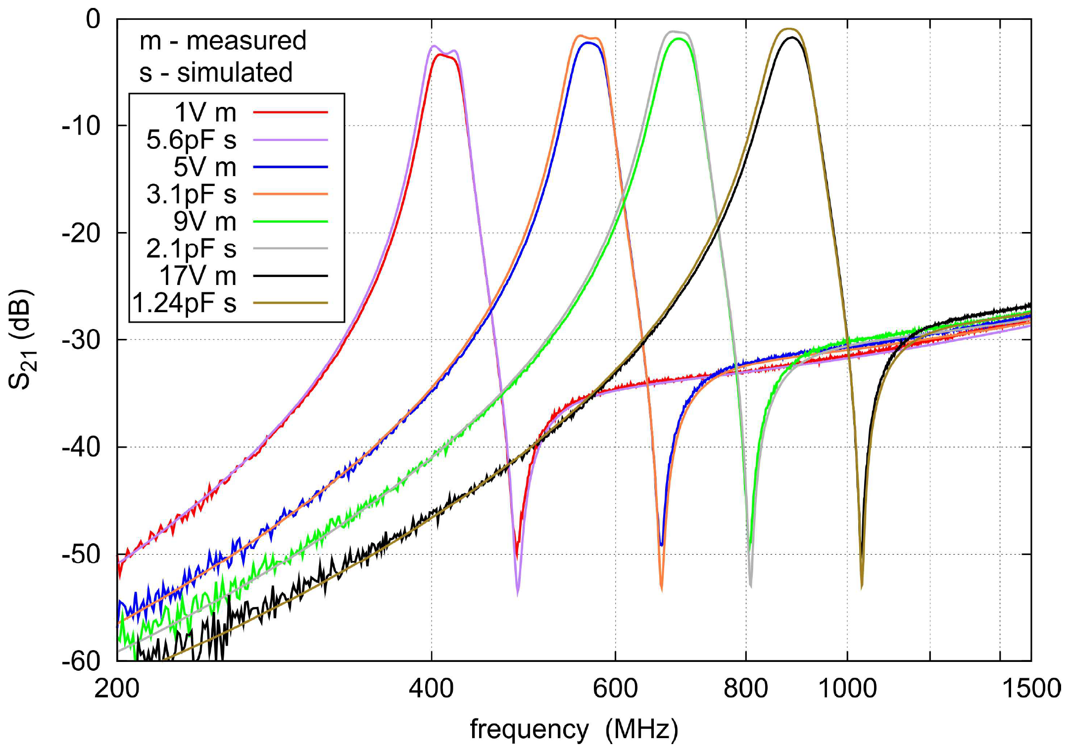
4. Tunable Filter
5. Conclusions
Author Contributions
Funding
Conflicts of Interest
Abbreviations
| BPF | Bandpass filter |
| BW | Bandwidth |
| CABW | Constant absolute bandwidth |
| CFBW | Constant fractional bandwidth |
| IL | Insertion loss |
| IP3 | Third-order intercept point |
| MEMS | Microelectromechanical system |
| NCV | Number of control voltages |
| NR | Number of resonators |
| RF | Radio frequency |
| YIG | Yttrium iron garnet |
References
- Carr, J.J. Technician’s Radio Receiver Handbook: Wireless and Telecommunication Technology, 1st ed.; Newnes: Oxford, UK, 2001. [Google Scholar]
- Matthaei, G.L.; Young, L.; Jones, E.M.T. Microwave Filters, Impedance-Matching Networks, and Coupling Structures, 1st ed.; Artech House: Norwood, MA, USA, 1980. [Google Scholar]
- Du, T.; Guan, B.; Zhang, P.; Gu, Y.; Wei, D. An intrinsically switched tunable CABW/CFBW bandpass filter. Electronics 2021, 10, 1318. [Google Scholar] [CrossRef]
- Chen, C.-F.; Wang, G.-Y.; Li, J.-J. Microstrip switchable and fully tunable bandpass filter with continuous frequency tuning range. IEEE Microw. Wirel. Compon. Lett. 2018, 28, 500–502. [Google Scholar] [CrossRef]
- El-Tanani, M.A.; Rebeiz, G.M. Corrugated microstrip coupled lines for constant absolute bandwidth tunable filters. IEEE Trans. Microw. Theory Tech. 2010, 58, 956–963. [Google Scholar] [CrossRef]
- Zhang, G.; Xu, Y.; Wang, X. Compact tunable bandpass filter with wide tuning range of centre frequency and bandwidth using short coupled lines. IEEE Access 2018, 6, 2962–2969. [Google Scholar] [CrossRef]
- Li, C.; Bian, Y.; Li, G.; Wu, Y.; Wang, J.; Wang, X.; Zhang, X.; Xia, F.; Bai, D.; Sun, L.; et al. A tunable high temperature superconducting bandpass filter realized using semiconductor varactors. IEEE Trans. Appl. Supercond. 2014, 24, 1–5. [Google Scholar]
- Qin, W.; Cai, J.; Li, Y.-L.; Chen, J.-X. Wideband tunable bandpass filter using optimized varactor-loaded SIRs. IEEE Microw. Wirel. Compon. Lett. 2017, 27, 812–814. [Google Scholar] [CrossRef]
- Tang, C.-W.; Tseng, C.-T.; Chang, S.-C. A tunable bandpass filter with modified parallel-coupled Line. IEEE Microw. Wirel. Compon. Lett. 2013, 23, 190–192. [Google Scholar] [CrossRef]
- Zakharov, A.; Rozenko, S.; Ilchenko, M. Varactor-tuned microstrip bandpass filter with loop hairpin and combline resonators. IEEE Trans. Circuits Syst. II Exp. Briefs 2019, 66, 953–957. [Google Scholar] [CrossRef]
- Gao, L.; Rebeiz, G.M. A 0.97–1.53-GHz tunable four-pole bandpass filter with four transmission zeroes. IEEE Microw. Wirel. Compon. Lett. 2019, 29, 195–197. [Google Scholar] [CrossRef]
- Lalbakhsh, A.; Ghaderi, A.; Mohyuddin, W.; Simorangkir, R.B.V.B.; Bayat-Makou, N.; Ahmad, M.S.; Lee, G.H.; Kim, K.W.D. A compact C-band bandpass filter with an adjustable dual-band suitable for satellite communication systems. Electronics 2020, 9, 1088. [Google Scholar] [CrossRef]
- Kim, I.K.; Kingsley, N.; Morton, M.; Bairavasubramanian, R.; Papapolymerou, J.; Tentzeris, M.M.; Yook, J.-G. Fractal-shaped microstrip coupled-line bandpass filters for suppression of second harmonic. IEEE Trans. Microw. Theory Tech. 2005, 53, 2943–2948. [Google Scholar]
- Lalbakhsh, A.; Lotfi Neyestanak, A.A.; Naser-Moghaddasi, M. Microstrip Hairpin bandpas filter using modified Minkowski fractal-shape for suppression of second harmonic. IEICE Trans. Electron. 2012, E95-C, 378–381. [Google Scholar] [CrossRef]
- Shen, G.; Che, W.; Feng, W.; Wang, C. Realization of multiple transmission zeroes for bandpass filters with simple inline topology. IEEE Trans. Circuits Syst. II Exp. Briefs 2020, 67, 1029–1033. [Google Scholar] [CrossRef]
- Mutalib, M.A.; Zakaria, Z.; Shairi, N.A. Electronically tunable transmission zeros bandpass filter with notch response. In Proceedings of the 18th International Symposium on Antenna Technology and Applied Electromagnetics (ANTEM), Waterloo, ON, Canada, 19–22 August 2018; pp. 1–3. [Google Scholar]
- Lalbakhsh, A.; Ghaderi, A.; Mohyuddin, W.; Simorangkir, R.B.V.B.; Bayat-Makou, N.; Ahmad, M.S.; Lee, G.H.; Kim, K.W.D. A compact lowpass filter for satellite communication systems based on transfer function analysis. Int. J. Electron. Commun. 2020, 124, 1–7. [Google Scholar] [CrossRef]
- Karimi, G.; Lalbakhsh, A.; Dehghani, K.; Siahkamari, H. Analysis of novel approach to design of ultra-wide stopband microstrip low-pass filter using modified U-shaped resonator. ETRI J. 2015, 37, 945–950. [Google Scholar] [CrossRef]
- Simpson, D.J.; Gomez-Garcia, R.; Psychogiou, D. Single-/multi-band bandpass filters and duplexers with fully reconfigurable transfer-function characteristics. IEEE Trans. Microw. Theory Tech. 2019, 67, 1854–1869. [Google Scholar] [CrossRef]
- Sanchez-Renedo, M. High-selectivity tunable planar combline filter with source/load-multiresonator coupling. IEEE Microw. Wirel. Compon. Lett. 2007, 17, 513–515. [Google Scholar] [CrossRef]
- Song, K.; Chen, W.; Patience, S.R.; Chen, Y.; Iman, A.M.; Fan, Y. Compact wide-frequency tunable filter with switchable bandpass and bandstop frequency response. IEEE Access 2019, 7, 47503–47508. [Google Scholar] [CrossRef]
- Saeedi, S.; Lee, J.; Sigmarsson, H.H. Tunable, high-Q, substrate-integrated, evanescent-mode cavity bandpass-bandstop filter cascade. IEEE Microw. Wirel. Compon. Lett. 2016, 26, 240–242. [Google Scholar] [CrossRef]
- Psychogiou, D.; Gomez-Garcia, R.; Peroulis, D. Wide-passband filters with in-band tunable notches for agile multi-interference suppression in broad-band antenna systems. In Proceedings of the IEEE Radio and Wireless Symposium (RWS), Anaheim, CA, USA, 15–18 January 2018; pp. 213–216. [Google Scholar]
- Lee, T.-C.; Lee, J.; Peroulis, D. Dynamic bandpass filter shape and interference cancellation control utilizing bandpass–bandstop filter cascade. IEEE Trans. Microw. Theory Tech. 2015, 63, 2526–2539. [Google Scholar] [CrossRef]
- Islam, H.; Das, S.; Bose, T.; Ali, T. Diode based reconfigurable microwave filters for cognitive radio applications: A review. IEEE Access 2020, 8, 185429–185444. [Google Scholar] [CrossRef]
- Jung, M.; Min, B.-W. A widely tunable compact bandpass filter based on a switched varactor-tuned resonator. IEEE Access 2019, 7, 95178–95185. [Google Scholar] [CrossRef]
- Luo, X.; Sun, S.; Staszewski, R.B. Tunable bandpass filter with two adjustable transmission poles and compensable coupling. IEEE Trans. Microw. Theory Tech. 2014, 62, 2003–2013. [Google Scholar] [CrossRef] [Green Version]
- Zhang, S.-X.; Chen, Z.-H.; Chu, Q.-X. Compact tunable balanced bandpass filter with novel multi-mode resonator. IEEE Microw. Wirel. Compon. Lett. 2017, 27, 43–45. [Google Scholar] [CrossRef]
- Brown, A.R.; Rebeiz, G.M. A varactor-tuned RF filter. IEEE Trans. Microw. Theory Tech. 2000, 48, 1157–1160. [Google Scholar] [CrossRef]
- Abbaspour-Tamijani, A.; Dussopt, L.; Rebeiz, G.M. Miniature and tunable filters using MEMS capacitors. IEEE Trans. Microw. Theory Tech. 2003, 51, 1878–1885. [Google Scholar] [CrossRef]
- Mao, J.; Che, W.; Ma, Y.; Chen, J. Tunable differential-mode bandpass filters with wide tuning range and high common-mode suppression. IET Microw. Antennas Propag. 2014, 8, 437–444. [Google Scholar] [CrossRef]
- Chiou, Y.-C.; Rebeiz, G.M. A quasi elliptic function 1.75–2.25 GHz 3-pole bandpass filter with bandwidth control. IEEE Trans. Microw. Theory Tech. 2012, 60, 244–249. [Google Scholar] [CrossRef]
- Kingsly, S.; Kanagasabai, M.; Mohammed, G.N.A.; Subbaraj, S.; Selvam, Y.P.; Natarajan, R. Multi-band reconfigurable microwave filter using dual concentric resonators. Int. J. RF Microw. Comput. Aided. Eng. 2018, 28, e21290. [Google Scholar] [CrossRef]
- Zhang, N.; Mei, L.; Wang, C.; Deng, Z.; Yang, J.; Guo, Q. A switchable bandpass filter employing RF MEMS switches and open-ring resonators. IEEE Trans. Electron Devices 2017, 64, 3377–3383. [Google Scholar] [CrossRef]
- Ebrahimi, A.; Baum, T.; Scott, J.; Ghorbani, K. Continuously Tunable Dual-Mode Bandstop Filter. IEEE Microw. Wirel. Compon. Lett. 2018, 28, 419–421. [Google Scholar] [CrossRef] [Green Version]
- Zhang, R.; Gomez-Garcia, R.; Peroulis, D. Multifunctional bandpass filters with reconfigurable and switchable band control. IEEE Trans. Microw. Theory Tech. 2019, 67, 2355–2369. [Google Scholar] [CrossRef]
- Tsai, H.-J.; Huang, B.-C.; Chen, N.-W.; Jeng, S.-K. A reconfigurable bandpass filter based on a varactor-perturbed, T-shaped dual-mode resonator. IEEE Microw. Wirel. Compon. Lett. 2014, 24, 297–299. [Google Scholar] [CrossRef]
- Cho, Y.-H.; Park, C.; Yun, S.-W. 0.7–1.0-GHz switchable dual-/single-band tunable bandpass filter using a switchable J-inverter. IEEE Access 2021, 9, 16967–16974. [Google Scholar] [CrossRef]
- Xiang, Q.; Feng, Q.; Huang, X. Electrical tunable microstrip LC bandpass filters with constant bandwidth. IEEE Trans. Microw. Theory Tech. 2013, 61, 1124–1130. [Google Scholar] [CrossRef]
- Tsai, C.S.; Qiu, G. Wideband microwave filters using ferromagnetic resonance tuning in flip-chip YIG-GaAs layer structures. IEEE Trans. Magn. 2009, 45, 656–660. [Google Scholar] [CrossRef]
- Pozar, D.M. Microwave Engineering, 3rd ed.; John Wiley & Sons: Hoboken, NJ, USA, 2005. [Google Scholar]
- Hong, J.-S.; Lancaster, M.J. Microstrip Filters for RF Microwave Applications; John Wiley & Sons: Hoboken, NJ, USA, 2001. [Google Scholar]
- Dishal, M. Design of dissipative band-pass filters producing desired exact amplitude-frequency characteristics. Proc. IRE 1949, 37, 1050–1069. [Google Scholar] [CrossRef]



















| Element | () | (Deg) | (MHz) |
|---|---|---|---|
| TL1a | 35 | 180 | 1005 |
| TL2 | 100 | 8.18 | 860 |
| TL3 | 100 | 1.05 | 860 |
| TL1b | 140 | 9.38 | 860 |
| Ref. | IL | Size () | NCV | NR | CFBW (%) | IP3 (dBm) | ||
|---|---|---|---|---|---|---|---|---|
| * | 2.15 | 1.7–3.3 | 0.03 × 0.045 | 1 | 2 | 7.5–8.0 | 17.5–22.7 | 0.058 |
| [6] | 2.05 | 1.4–4.5 | 0.03 × 0.1 | 3 | 2 | 11.6–15.6 | - | 0.18 |
| [7] | 1.67 | 0.8–3.8 | - | 1 | 4 | 2.75–3.2 | - | 0.0125 |
| [8] | 1.69 | 1.1–2.8 | 0.19 × 0.19 | 2 | 2 | 15.2–15.9 | 27@0.8 GHz | 0.19 |
| [9] | 1.52 | 2.4–2.9 | 0.24 × 0.32 | 2 | 2 | 6.8–8.4 | - | 0.11 |
| [10] | 1.78 | 5.6–9.2 | 0.08 × 0.12 | 1 | 4 | 2.5–2.6 | 16–22 | 0.018 |
| [11] | 1.57 | 2–4.2 | 0.1 × 0.09 | 1 | 4 | 5.0–6.0 | 8–30 | 0.042 |
Publisher’s Note: MDPI stays neutral with regard to jurisdictional claims in published maps and institutional affiliations. |
© 2021 by the authors. Licensee MDPI, Basel, Switzerland. This article is an open access article distributed under the terms and conditions of the Creative Commons Attribution (CC BY) license (https://creativecommons.org/licenses/by/4.0/).
Share and Cite
Magnuski, M.; Wójcik, D.; Surma, M.; Noga, A. A Compact Widely Tunable Bandpass Filter Dedicated to Preselectors. Electronics 2021, 10, 2315. https://doi.org/10.3390/electronics10182315
Magnuski M, Wójcik D, Surma M, Noga A. A Compact Widely Tunable Bandpass Filter Dedicated to Preselectors. Electronics. 2021; 10(18):2315. https://doi.org/10.3390/electronics10182315
Chicago/Turabian StyleMagnuski, Mirosław, Dariusz Wójcik, Maciej Surma, and Artur Noga. 2021. "A Compact Widely Tunable Bandpass Filter Dedicated to Preselectors" Electronics 10, no. 18: 2315. https://doi.org/10.3390/electronics10182315
APA StyleMagnuski, M., Wójcik, D., Surma, M., & Noga, A. (2021). A Compact Widely Tunable Bandpass Filter Dedicated to Preselectors. Electronics, 10(18), 2315. https://doi.org/10.3390/electronics10182315

