A Novel Flip-List-Enabled Belief Propagation Decoder for Polar Codes
Abstract
1. Introduction
- The functional behavior of the channel LLRs was analyzed by designing the preprocessing genie-aided BP decoder with the enabled (foreknowledge of transmitted information block and codeword ) feature. This analysis enabled us to identify the erroneous channel LLRs causing the invalid BP decoding results. Consequently, the correction of a single-channel LLR improved the BLER performance significantly;
- We classified the channel LLRs into frozen and nonfrozen bit indices by Monte Carlo simulation. Accordingly, it was observed that about half of the erroneous channel LLRs corresponded to the frozen bit indices and are called FL. Furthermore, we developed a method for identifying and correcting the erroneous channel LLR using FL to improve the BLER performance of the BP decoder for the polar code;
- We propose a novel FL-BP decoding algorithm that incorporates the erring channels from the FL list and performs correction through the preprocessed erroneous channel LLRs, in the event where the initial BP decoding fails to produce the correct output. The simulation results showed a significant SNR gain on conventional BP, BP bit-flip, and GBPF, and it considerably outperformed CA-SCL-8 with the average complexity close to the conventional BP decoding in medium-to-high SNR regions.
2. Preliminaries
2.1. Polar Codes
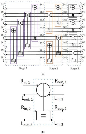
2.2. Belief Propagation Decoding
2.3. Belief Propagation Bit Flip Decoding
3. Analysis of the Channel LLRs and the Flipping Behavior for the Erroneous LLR
3.1. Analysis of the Channel LLRs
3.2. Flipping Behavior of the Erroneous Channel LLR
4. The Proposed FL-Enabled BP Algorithm
4.1. Construction of the Flip List
4.2. Pseudocode of the Proposed FL-BP Algorithm
- Initialize the local and global parameters such as loop control variables i, j, and and the maximum number of iterations ();
- Arrange the left-to-right propagation matrices (L) and right-to-left propagation matrices (R) by iterating through the size of the codeword (N) in Lines 2 to 9;
- Obtain the estimated information block () by utilizing the conventional BP decoding method and pass it through the CRC procedure. Check the remainder (r) to validate whether the BP has succeeded in achieving the correct output or not. If the BP succeeded, set the value and break the loop or continue with the next iteration. Repeat this process from Lines 10 to 18;
- Check the value; if the BP leads to a valid output, return the results, otherwise call Algorithm 2;
- Initialize the local variables such as the number of maximum flipping attempts (T), the erroneous channel LLR (e), and the loop control variables in Line 1 (Algorithm 2). Pick the index for the error-prone channel LLR from the FL and perform the flipping in Lines 3 and 4. Call the BP decoding method with rectified preprocessing LLRs () and verify the validity of the result through the CRC procedure in Lines 5–9. Finally, return the result to the main calling algorithm.
| Algorithm 1 Main algorithm of the proposed FL-BP decoding. |
| Input: , A, , Output:
|
| Algorithm 2 FL-BP(, A, L, R, , ). |
|
5. Simulation Results
5.1. BLER Performance
5.2. Average Computational Complexity
6. Conclusions
Author Contributions
Funding
Conflicts of Interest
References
- Shannon, C.E. A Mathematical Theory of Communication. Bell Syst. Tech. J. 1948, 27, 379–423. [Google Scholar] [CrossRef]
- Arikan, E. Channel Polarization: A Method for Constructing Capacity-Achieving Codes for Symmetric Binary-Input Memoryless Channels. IEEE Trans. Inf. Theory 2009, 55, 3051–3073. [Google Scholar] [CrossRef]
- Balatsoukas-Stimming, A.; Giard, P.; Burg, A. Comparison of Polar Decoders with Existing Low-Density Parity-Check and Turbo Decoders. In Proceedings of the 2017 IEEE Wireless Communications and Networking Conference Workshops (WCNCW), San Francisco, CA, USA, 19–22 March 2017; pp. 1–6. [Google Scholar]
- Niu, K.; Chen, K.; Lin, J.; Zhang, Q.T. Polar codes: Primary Concepts and Practical Decoding algorithms. IEEE Commun. Mag. 2014, 52, 192–203. [Google Scholar] [CrossRef]
- Tal, I.; Vardy, A. List Decoding of Polar codes. In Proceedings of the 2011 IEEE International Symposium on Information Theory Proceedings, Saint Petersburg, Russia, 31 July–5 August 2011; pp. 1–5. [Google Scholar]
- Niu, K.; Chen, K. Stack Decoding of Polar codes. Electron. Lett. 2012, 48, 695–697. [Google Scholar] [CrossRef]
- Niu, K.; Chen, K. CRC-Aided Decoding of Polar Codes. IEEE Commun. Lett. 2012, 16, 1668–1671. [Google Scholar] [CrossRef]
- Afisiadis, O.; Balatsoukas-Stimming, A.; Burg, A. A Low-Complexity Improved Successive Cancellation Decoder for Polar codes. In Proceedings of the 2014 48th Asilomar Conference on Signals, Systems and Computers, Pacific Grove, CA, USA, 2–5 November 2014; pp. 2116–2120. [Google Scholar]
- Chandesris, L.; Savin, V.; Declercq, D. An Improved SCFlip Decoder for Polar Codes. In Proceedings of the 2016 IEEE Global Communications Conference (GLOBECOM), Washington, DC, USA, 4–8 December 2016; pp. 1–6. [Google Scholar] [CrossRef]
- Giard, P.; Burg, A. Fast-SSC-Flip Decoding of Polar codes. In Proceedings of the 2018 IEEE Wireless Communications and Networking Conference Workshops (WCNCW), Barcelona, Spain, 15–18 April 2018; pp. 73–77. [Google Scholar] [CrossRef]
- Chandesris, L.; Savin, V.; Declercq, D. Dynamic-SCFlip Decoding of Polar Codes. IEEE Trans. Commun. 2018, 66, 2333–2345. [Google Scholar] [CrossRef]
- Guo, R.; Chen, K.; Liu, H. Multi-CRC Polar Codes and M-SCFlip-Based Decoding. IEEE Access 2019, 7, 98366–98373. [Google Scholar] [CrossRef]
- Wang, X.; Wang, T.; Li, J.; Zhang, Y. Improved Multiple Bit-Flipping Fast-SSC Decoding of Polar Codes. IEEE Access 2020, 8, 27851–27860. [Google Scholar] [CrossRef]
- Yang, D.; Yang, K. Error-Aware SCFlip Decoding of Polar Codes. IEEE Access 2020, 8, 163758–163768. [Google Scholar] [CrossRef]
- Ercan, F.; Tonnellier, T.; Doan, N.; Gross, W.J. Practical Dynamic SC-Flip Polar Decoders: Algorithm and Implementation. IEEE Trans. Signal Process. 2020, 68, 5441–5456. [Google Scholar] [CrossRef]
- Arıkan, E. Polar codes: A Pipelined Implementation. In Proceedings of the 4th International Symposium on Broadband Communication (ISBC 2010), Melaka, Malaysia, 11–14 July 2010. [Google Scholar]
- Zhang, Y.; Liu, A.; Pan, X.; Ye, Z.; Gong, C. A Modified Belief Propagation Polar Decoder. IEEE Commun. Lett. 2014, 18, 1091–1094. [Google Scholar] [CrossRef]
- Yuan, B.; Parhi, K.K. Algorithm and Architecture for Hybrid Decoding of Polar Codes. In Proceedings of the 2014 48th Asilomar Conference on Signals, Systems and Computers, Pacific Grove, CA, USA, 2–5 November 2014; pp. 2050–2053. [Google Scholar] [CrossRef]
- Cammerer, S.; Leible, B.; Stahl, M.; Hoydis, J.; ten Brink, S. Combining Belief Propagation and Successive Cancellation List Decoding of Polar Codes on a GPU Platform. In Proceedings of the 2017 IEEE International Conference on Acoustics, Speech and Signal Processing (ICASSP), New Orleans, LA, USA, 5–9 March 2017; pp. 3664–3668. [Google Scholar] [CrossRef]
- Sun, S.; Cho, S.; Zhang, Z. Post-Processing Methods for Improving Coding Gain in Belief Propagation Decoding of Polar Codes. In Proceedings of the GLOBECOM 2017—2017 IEEE Global Communications Conference, Singapore, 4–8 December 2017; pp. 1–6. [Google Scholar] [CrossRef]
- Elkelesh, A.; Ebada, M.; Cammerer, S.; ten Brink, S. Belief Propagation List Decoding of Polar Codes. IEEE Commun. Lett. 2018, 22, 1536–1539. [Google Scholar] [CrossRef]
- Elkelesh, A.; Ebada, M.; Cammerer, S.; ten Brink, S. Belief Propagation Decoding of Polar Codes on Permuted Factor Graphs. In Proceedings of the 2018 IEEE Wireless Communications and Networking Conference (WCNC), Barcelona, Spain, 15–18 April 2018; pp. 1–6. [Google Scholar] [CrossRef]
- Wang, X.; Zheng, Z.; Li, J.; Shan, L.; Li, Z. Belief Propagation Bit-Strengthening Decoder for Polar Codes. IEEE Commun. Lett. 2019, 23, 1958–1961. [Google Scholar] [CrossRef]
- Yu, Y.; Pan, Z.; Liu, N.; You, X. Belief Propagation Bit-Flip Decoder for Polar Codes. IEEE Access 2019, 7, 10937–10946. [Google Scholar] [CrossRef]
- Zhang, Z.; Qin, K.; Zhang, L.; Zhang, H.; Chen, G.T. Progressive Bit-Flipping Decoding of Polar Codes over Layered Critical Sets. In Proceedings of the GLOBECOM 2017—2017 IEEE Global Communications Conference, Singapore, 4–8 December 2017; pp. 1–6. [Google Scholar] [CrossRef]
- Yuyu, Y.; Chao, Y.; Qasim, J.; Yaoyue, H.; Zhiwen, P.; Nan, L.; Xiaohu, Y. Noise-Aided Belief Propagation List Bit-Flip Decoder for Polar Codes. In Proceedings of the 2020 International Conference on Wireless Communications and Signal Processing (WCSP), Nanjing, China, 21–23 October 2020; pp. 807–810. [Google Scholar] [CrossRef]
- Zhang, J.; Wang, M. Belief Propagation Decoder With Multiple Bit-Flipping Sets and Stopping Criteria for Polar Codes. IEEE Access 2020, 8, 83710–83717. [Google Scholar] [CrossRef]
- Shen, Y.; Song, W.; Ren, Y.; Ji, H.; You, X.; Zhang, C. Enhanced Belief Propagation Decoder for 5G Polar Codes with Bit-Flipping. IEEE Trans. Circuits Syst. II Express Briefs 2020, 67, 901–905. [Google Scholar] [CrossRef]
- Proakisand, J.G.; Salehi, M. Digital Communications, 5th ed.; McGraw-Hill: New York, NY, USA, 2005. [Google Scholar]
- Trifonov, P. Efficient Design and Decoding of Polar Codes. IEEE Trans. Commun. 2012, 60, 3221–3227. [Google Scholar] [CrossRef]
- Leroux, C.; Tal, I.; Vardy, A.; Gross, W.J. Hardware Architectures for Successive Cancellation Decoding of Polar Codes. In Proceedings of the 2011 IEEE International Conference on Acoustics, Speech and Signal Processing (ICASSP), Prague, Czech Republic, 22–27 May 2011; pp. 1665–1668. [Google Scholar] [CrossRef]
- Yuan, B.; Parhi, K.K. Early Stopping Criteria for Energy-Efficient Low-Latency Belief-Propagation Polar Code Decoders. IEEE Trans. Signal Process. 2014, 62, 6496–6506. [Google Scholar] [CrossRef]
- Fossorier, M.; Lin, S. Soft-Decision Decoding of Linear Block Codes Based on Ordered Statistics. IEEE Trans. Inf. Theory 1995, 41, 1379–1396. [Google Scholar] [CrossRef]
- Wu, D.; Li, Y.; Guo, X.; Sun, Y. Ordered Statistic Decoding for Short Polar Codes. IEEE Commun. Lett. 2016, 20, 1064–1067. [Google Scholar] [CrossRef]






| Parameter | Value |
|---|---|
| Modulation | Binary phase shift key (BPSK) |
| Channel | Additive white Gaussian noise (AWGN) |
| Code rate (R) | R = 0.5 |
| Early stopping | By genie-aided decoder |
| Maximum iterations () | 100 |
| Code-Lengths | SNR (dB) | ||||
|---|---|---|---|---|---|
| 1.5 | 2 | 2.5 | 3 | 3.5 | |
| P(256, 128) | 30 | 26 | 23 | 20 | 17 |
| P(512, 256) | 57 | 50 | 44 | 37 | 30 |
| P(1024, 512) | 116 | 101 | 89 | 77 | 63 |
| P(2048, 1024) | 236 | 207 | 181 | 155 | 133 |
| Polar Codes | SNR (dB) | ||||
|---|---|---|---|---|---|
| 1.5 | 2 | 2.5 | 3 | 3.5 | |
| P(256, 128) | 91% | 94% | 96% | 98% | 99% |
| P(512, 256) | 75% | 77% | 81% | 87% | 89% |
| P(1024, 512) | 59% | 62% | 63% | 65% | 66% |
| Methods | SNR (dB) | ||||
|---|---|---|---|---|---|
| 1.5 | 2 | 2.5 | 3 | 3.5 | |
| BP-BF (CS-2) | 72,240 | 29,376 | 8784 | 2080 | 368 |
| BP-BF (CS-3) | 118,016 | 37,296 | 13,984 | 2768 | 592 |
| GBPF (T = 100) | 31,216 | 14,832 | 4048 | 1200 | 384 |
| FL-BP (T = 50) | 9936 | 2720 | 688 | 256 | 112 |
| FL-BP (T = 100) | 16,944 | 4880 | 1312 | 368 | 144 |
Publisher’s Note: MDPI stays neutral with regard to jurisdictional claims in published maps and institutional affiliations. |
© 2021 by the authors. Licensee MDPI, Basel, Switzerland. This article is an open access article distributed under the terms and conditions of the Creative Commons Attribution (CC BY) license (https://creativecommons.org/licenses/by/4.0/).
Share and Cite
Jan, Q.; Hussain, S.; Furqan, M.; Pan, Z.; Liu, N.; You, X. A Novel Flip-List-Enabled Belief Propagation Decoder for Polar Codes. Electronics 2021, 10, 2302. https://doi.org/10.3390/electronics10182302
Jan Q, Hussain S, Furqan M, Pan Z, Liu N, You X. A Novel Flip-List-Enabled Belief Propagation Decoder for Polar Codes. Electronics. 2021; 10(18):2302. https://doi.org/10.3390/electronics10182302
Chicago/Turabian StyleJan, Qasim, Shahid Hussain, Muhammad Furqan, Zhiwen Pan, Nan Liu, and Xiaohu You. 2021. "A Novel Flip-List-Enabled Belief Propagation Decoder for Polar Codes" Electronics 10, no. 18: 2302. https://doi.org/10.3390/electronics10182302
APA StyleJan, Q., Hussain, S., Furqan, M., Pan, Z., Liu, N., & You, X. (2021). A Novel Flip-List-Enabled Belief Propagation Decoder for Polar Codes. Electronics, 10(18), 2302. https://doi.org/10.3390/electronics10182302

