Output Voltage and Resistance Assessment of Load-Independent-Voltage-Output Frequency Operating Inductive Wireless Power Transfer Link Utilizing Input DC-Side Measurements Only
Abstract
:1. Introduction
2. SS-Compensated IWPT Link Essentials
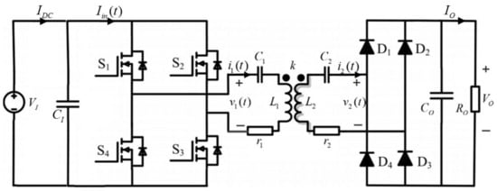
2.1. The Circuitry
2.2. LIVO Operation
2.3. Equivalent Input Impedance of Diode Rectifier Operating in CCM
3. Input DC-Side Quantities-Based Estimation Method
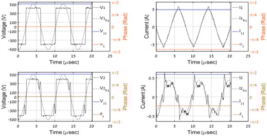
3.1. Primary AC-Side Variables in-Phase Components Derivation
3.2. Estimation of Output DC-Side Voltage and Resistance Utilizing Input DC-Side Variables in CCM
3.3. Correction for DCM Regime
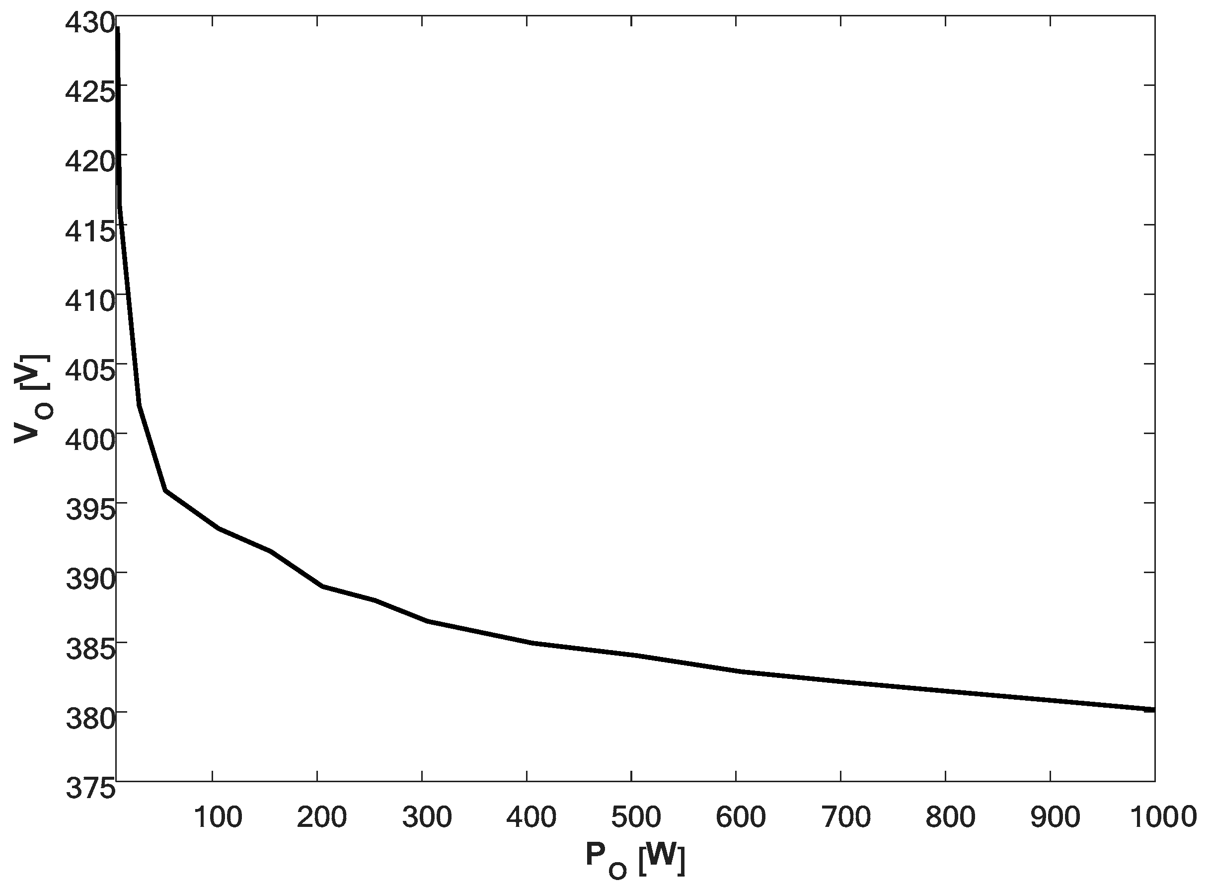
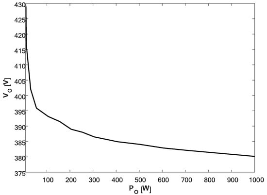
4. Example
4.1. Simulations
4.2. Experiments
5. Conclusions
Author Contributions
Funding
Conflicts of Interest
Abbreviations
| SS | series-series |
| IWPT | induction wireless power transfer |
| IWPTL | induction wireless power transfer link |
| LIVO | load independent voltage output |
| CCM | continuous conduction mode |
| DCM | discontinuous conduction mode |
| RMS | root-mean-square |
| FHEC | first harmonic equivalent circuit |
| EV | electric vehicle |
| ZVS | zero voltage switching |
References
- Zhang, Z.; Pang, H.; Georgiadis, A.; Cecati, C. Wireless power transfer—An overview. IEEE Trans. Ind. Electron. 2019, 66, 1044–1058. [Google Scholar] [CrossRef]
- Mi, C.C.; Buja, G.; Choi, S.Y.; Rim, C.T. Modern advances in wireless power transfer systems for roadway powered electric vehicles. IEEE Trans. Ind. Electron. 2016, 63, 6533–6545. [Google Scholar] [CrossRef]
- Hu, S.; Liang, Z.; Wang, Y.; Zhou, J.; He, X. Principle and application of the contactless load detection based on the amplitude decay rate in a transient process. IEEE Trans. Power Electron. 2017, 32, 8936–8944. [Google Scholar] [CrossRef]
- Meng, X.; Qiu, D.; Lin, M.; Tang, S.C.; Zhang, B. Output voltage identification based on transmitting side information for implantable wireless power transfer system. IEEE Access 2018, 7, 2938–2946. [Google Scholar] [CrossRef]
- Miller, J.M.; Onar, O.C.; Chinthavali, M. Primary-side power flow control of wireless power transfer for electric vehicle charging. IEEE J. Emerg. Sel. Top. Power Electron. 2015, 3, 147–162. [Google Scholar] [CrossRef]
- Li, S.; Hui, S.Y.R. Comparative study on front-end parameter identification methods for wireless power transfer without wireless communication systems. In Proceedings of the International Power Electronics Conference (IPEC-Niigata 2018-ECCE Asia), Niigata, Japan, 20–24 May 2018. [Google Scholar]
- Wang, Z.-H.; Li, Y.-P.; Sun, Y.; Tang, C.-S.; Lv, X. Load detection model of voltage-fed inductive power transfer system. IEEE Trans. Power Electron. 2013, 28, 5233–5243. [Google Scholar] [CrossRef]
- Chow, J.P.-W.; Chung, H.S.-H.; Cheng, C.-S. Use of transmitter-side electrical information to estimate mutual inductance and regulate receiver-side power in wireless inductive link. IEEE Trans. Power Electron. 2016, 31, 6079–6091. [Google Scholar] [CrossRef]
- Mohammad, M.; Choi, S. Sensorless estimation of coupling coefficient based on current and voltage harmonics analysis for wireless charging system. In Proceedings of the IEEE Energy Conversion Congress and Exposition (ECCE), Cincinnati, OH, USA, 1–5 October 2017. [Google Scholar]
- Madawala, U.K.; Thrimawithana, D.J. New technique for inductive power transfer using a single controller. IET Power Electron. 2012, 5, 248–256. [Google Scholar] [CrossRef]
- Sun, L.; Sun, M.; Ma, D.; Tang, H. Detecting load resistance and mutual inductance in series-parallel compensated wireless power transfer system based on input-side measurement. Int. J. Antennas Propag. 2018, 2018, 2094637. [Google Scholar] [CrossRef]
- Frechter, Y.; Kuperman, A. Output voltage range of a power-loaded series-series compensated inductive wireless power transfer link operating in load-independent regime. IEEE Trans. Power Electron. 2020, 35, 6586–6593. [Google Scholar] [CrossRef]
- Trachtenberg, O.; Kuperman, A. Quadrature demodulator-assisted estimation of load voltage and resistance based on primary-side information of a wireless power transfer link. Electronics 2021, 10, 1858. [Google Scholar] [CrossRef]
- Costanzo, A.; Dionigi, M.; Mastri, F.; Mongiardo, M.; Monti, G.; Russer, J.A.; Russer, P.; Tarricone, L. Conditions for a load-independent operating regime in resonant inductive WPT. IEEE Trans. Microw Theory Technol. 2017, 65, 1066–1076. [Google Scholar] [CrossRef]
- Zhang, W.; Wong, S.; Tse, C.K.; Chen, Q. Analysis and comparison of secondary series- and parallel-compensated inductive power transfer systems operating for optimal efficiency and load-independent voltage-transfer ratio. IEEE Trans. Power Electron. 2014, 29, 2979–2990. [Google Scholar] [CrossRef]
- Trachtenberg, O.; Baimel, D.; Kuperman, A. Accurate first-harmonic-approximation-based model of the diode rectifier in series-series compensated inductive wireless power transfer link at load-independent-voltage-output frequency. Int. J. Electron. Commun. 2021, 135, 153732. [Google Scholar] [CrossRef]
- Frechter, Y.; Kuperman, A. Analysis and design of inductive wireless power transfer link for feedbackless power delivery to enclosed compartment. Appl. Energy 2020, 278, 115743. [Google Scholar] [CrossRef]
- Wang, C.S.; Covic, G.A.; Stielau, O.H. Power transfer capability and bifurcation phenomena of loosely coupled inductive power transfer systems. IEEE Trans. Ind. Electron. 2004, 51, 148–157. [Google Scholar] [CrossRef]
- Trachtenberg, O.; Shoihet, A.; Beer, E.; Fux, E.; Tiktin, N.; Kolesnik, S.; Kuperman, A. Quadrature demodulator based output voltage and load estimation of a resonant inductive WPT link. In Proceedings of the IEEE PELS Workshop on Emerging Technologies: Wireless Power Transfer (WoW), London, UK, 17–21 June 2019. [Google Scholar]
- Frechter, Y.; Kuperman, A. On the minimal loading of sensorless series-series compensated inductive WPT link operating at load independent voltage output frequency without feedback. IEEE Access 2020, 8, 192517–192526. [Google Scholar] [CrossRef]
- 1kW Inverter GaN Evaluation Platform. Available online: https://www.transphormusa.com/en/evaluation-kit/tdinv1000p100-kit/ (accessed on 18 July 2021).
- Ju, X.; Chen, V.; Rosenberger, J.; Liu, F. Fast knot optimization for multivariate adaptive regression splines using hill climbing methods. Expert Syst. Appl. 2021, 171, 114565. [Google Scholar] [CrossRef]
- Prado, D.; Lopez-Fernandez, J.; Arrebola, M. Systematic Study of the Influence of the Angle of Incidence Discretization in Reflectarray Analysis to Improve Support Vector Regression Surrogate Models. Electronics 2020, 9, 2105. [Google Scholar] [CrossRef]
- El Morabit, S.; Rivenq, A.; Zighem, M.-E.-N.; Hadid, A.; Ouahabi, A.; Taleb-Ahmed, A. Automatic Pain Estimation from Facial Expressions: A Comparative Analysis Using Off-the-Shelf CNN Architectures. Electronics 2021, 10, 1926. [Google Scholar] [CrossRef]
- Liu, F.; Ju, X.; Wang, N.; Wang, L.; Lee, W.-J. Wind farm macro-siting optimization with insightful bi-criteria identification and relocation mechanism in genetic algorithm. Energy Convers Manag. 2020, 217, 112964. [Google Scholar] [CrossRef]
- Ju, X.; Liu, F. Wind farm layout optimization using self-informed genetic algorithm with information guided exploitation. Appl. Energy 2019, 248, 429–445. [Google Scholar] [CrossRef]




















| Parameter | Value | Units |
|---|---|---|
| VI | 400 | V |
| L1, L2 | 180 | µH |
| k | 0.71 | -- |
| r1, r2 | 1.5 | Ω |
| C1, C2 | 31.2 | nF |
| CO | 660 | µF |
| Power | ||||
|---|---|---|---|---|
| 1000 | 387.85 | 387.82 | 150.4 | 149 |
| 600 | 392.78 | 392.76 | 257.2 | 251 |
| 200 | 398.8 | 399 | 794 | 730 |
| 100 | 403.1 | 403.3 | 1625 | 1710 |
| 50 | 408.1 | 407.4 | 3330 | 3375 |
| Power | ||||
|---|---|---|---|---|
| 1000 | 387.1 | 387.25 | 149 | 145 |
| 600 | 389.9 | 391.1 | 250 | 239 |
| 200 | 396 | 395.4 | 764 | 716 |
| 100 | 399.3 | 400 | 1710 | 1765 |
| 50 | 403 | 404.5 | 2937 | 3295 |
Publisher’s Note: MDPI stays neutral with regard to jurisdictional claims in published maps and institutional affiliations. |
© 2021 by the authors. Licensee MDPI, Basel, Switzerland. This article is an open access article distributed under the terms and conditions of the Creative Commons Attribution (CC BY) license (https://creativecommons.org/licenses/by/4.0/).
Share and Cite
Trachtenberg, O.; Kuperman, A. Output Voltage and Resistance Assessment of Load-Independent-Voltage-Output Frequency Operating Inductive Wireless Power Transfer Link Utilizing Input DC-Side Measurements Only. Electronics 2021, 10, 2109. https://doi.org/10.3390/electronics10172109
Trachtenberg O, Kuperman A. Output Voltage and Resistance Assessment of Load-Independent-Voltage-Output Frequency Operating Inductive Wireless Power Transfer Link Utilizing Input DC-Side Measurements Only. Electronics. 2021; 10(17):2109. https://doi.org/10.3390/electronics10172109
Chicago/Turabian StyleTrachtenberg, Or, and Alon Kuperman. 2021. "Output Voltage and Resistance Assessment of Load-Independent-Voltage-Output Frequency Operating Inductive Wireless Power Transfer Link Utilizing Input DC-Side Measurements Only" Electronics 10, no. 17: 2109. https://doi.org/10.3390/electronics10172109
APA StyleTrachtenberg, O., & Kuperman, A. (2021). Output Voltage and Resistance Assessment of Load-Independent-Voltage-Output Frequency Operating Inductive Wireless Power Transfer Link Utilizing Input DC-Side Measurements Only. Electronics, 10(17), 2109. https://doi.org/10.3390/electronics10172109

