Next Article in Journal
An Efficient Distributed Elliptic Positioning for Underground Remote Sensing
Next Article in Special Issue
Improved Noise Cancelling Algorithm for Electrocardiogram Based on Moving Average Adaptive Filter
Previous Article in Journal
A Low Area High Speed FPGA Implementation of AES Architecture for Cryptography Application
Previous Article in Special Issue
Therapeutic Exercise Platform for Type-2 Diabetic Mellitus
 
 
Font Type:
Arial Georgia Verdana
Font Size:
Aa Aa Aa
Line Spacing:
Column Width:
Background:
Communication

High PSRR Wide Supply Range Dual-Voltage Reference Circuit for Bio-Implantable Applications

by
Ruhaifi Bin Abdullah Zawawi
1,
Hojong Choi
2,* and
Jungsuk Kim
3,*
1
Department of Health Science and Technology, GAIHST, Incheon 21999, Korea
2
Department of Medial IT Convergence Engineering, Kumoh National Institute of Technology, 350-27 Gum-daero, Gumi-si 39253, Korea
3
Department of Biomedical Engineering, Gachon University, Hambakmoe-ro 191, Incheon 21936, Korea
*
Authors to whom correspondence should be addressed.
Electronics 2021, 10(16), 2024; https://doi.org/10.3390/electronics10162024
Submission received: 31 July 2021 / Revised: 17 August 2021 / Accepted: 19 August 2021 / Published: 21 August 2021
(This article belongs to the Special Issue New Technologies for Biomedical Circuits and Systems)

Abstract

:
On-chip systems are challenging owing to the limited size of the components, such as the capacitor bank in the rectifier. With a small on-chip capacitor, the output voltage of the rectifier might ring if the circuit experiences significant changes in current. The reference circuit is the first block after the rectifier, and the entire system relies on its robustness. A fully integrated dual-voltage reference circuit for bio-implantable applications is presented. The proposed circuit utilizes nonlinear current compensation techniques that significantly decrease supply variations and reject high-supply ripples for various frequencies. The reference circuit was verified using a 0.35 µm complementary metal-oxide semiconductor (CMOS) process. Maximum PSRR values of −112 dB and −128 dB were obtained. With a supply range from 2.8 to 12 V, the proposed design achieves 0.916 and 1.5 mV/V line regulation for the positive and negative reference circuits, respectively.

1. Introduction

A block diagram of the bio-implantable system is shown in Figure 1. The external system comprises a coil driver, which wirelessly transmits power to the implanted system. The transmitted power enables the operation of an implantable system comprising a rectifier, reference circuit, low dropout regulator (LDO), digital controllers, analog circuits, and stimulators. The reference circuit is the first block after the rectifier, and the entire system relies on the robustness of the reference circuit. The DC voltage is generated by passing through a rectifier and LDO from an AC power signal, which is wirelessly transmitted via an inductive link [1,2] or infrared radiation [3]. However, the misalignment of the inductively coupled coils or the infrared source sometimes reduces the power transmission efficiency. Consequently, the implanted rectifier produces an unstable output voltage ripple, which is then fed to the input terminal of the reference circuit. Therefore, the voltage reference circuit must provide a stable output over the device process, power supply, and temperature variations. Significant works on reference circuit design have been reported in the literature [4,5,6,7,8,9], where attempts were made to reduce the variations in the voltage owing to temperature variations. In detail, the prior methods were based on compensating the negative temperature coefficient of a diode-connected bipolar junction transistor (BJT) or complementary metal-oxide semiconductor (CMOS) with a positive temperature coefficient thermal voltage.
The temperature compensation, termed the curvature-compensation technique, of a first-order or higher-order nonlinear voltage or current is often limited by the operating supply voltage. Channel length modulation also occurs in the transistor when the supply voltage increases. A cascode current mirror, which enables high output impedance, was commonly used in earlier studies to suppress the channel length modulation effect. However, at high supply voltages, a phenomenon called impact ionization in metal-oxide semiconductor (MOS) transistors creates a leakage current to the substrate that causes problems in the cascode current mirror [10].
The voltage across the drain-depletion region and drain current change the magnitude of the substrate current. This is because the drain to the substrate parasitic resistance is created (for the NMOS) in parallel with the output impedance of the MOS transistor. Thus, as the supply increases, the parasitic resistance dominates and significantly reduces the total impedance of the cascode current mirror. This effect produces a significant error in the distributing current to all branches, including the temperature compensation circuits. Consequently, the temperature compensation circuits depend on the supply voltage. Increasing the supply voltage could produce errors in the voltage or current that severely impact the line sensitivity of the reference circuit. Furthermore, these conventional methods require additional circuitry to sink the undesirable current out of the output branch or to add current to the output to compensate for the output voltage variations [11,12,13,14], resulting in an expansive layout footprint and higher power consumption. Accordingly, the typical compensation technique for voltage reference is unsuitable for implantable devices. Since our body maintains a constant temperature of 37 °C, it is essential for bio-implantable applications to increase the line regulation efficiency and decrease power dissipation rather than temperature compensation.
Motivated by this, we propose a novel reference circuit optimized for implantable devices that uses nonlinear current compensation circuits to increase the power line regulation performance and power supply rejection ratio (PSRR). The proposed reference circuit was designed using a standard SK-Hynix 0.35 μm CMOS standard process.
The current paper extends our previous work in [15]. Our previous work focused on a positive reference only, which was used in LDO to generate a positive supply voltage. However, a negative supply in the stimulators (shown in Figure 1) is also needed to generate balanced biphasic pulses. Therefore, additional circuits, such as a charge pump circuit or inverting voltage circuit, were required in the previous work to generate the negative voltage, increasing the design’s total area, due to additional components such as capacitors. The new circuit in this paper fulfils this requirement by having positive and negative references. Furthermore, it utilizes simple compensation circuits to produce excellent performance in PSRR and line regulation for positive and negative reference voltages.

2. Methods

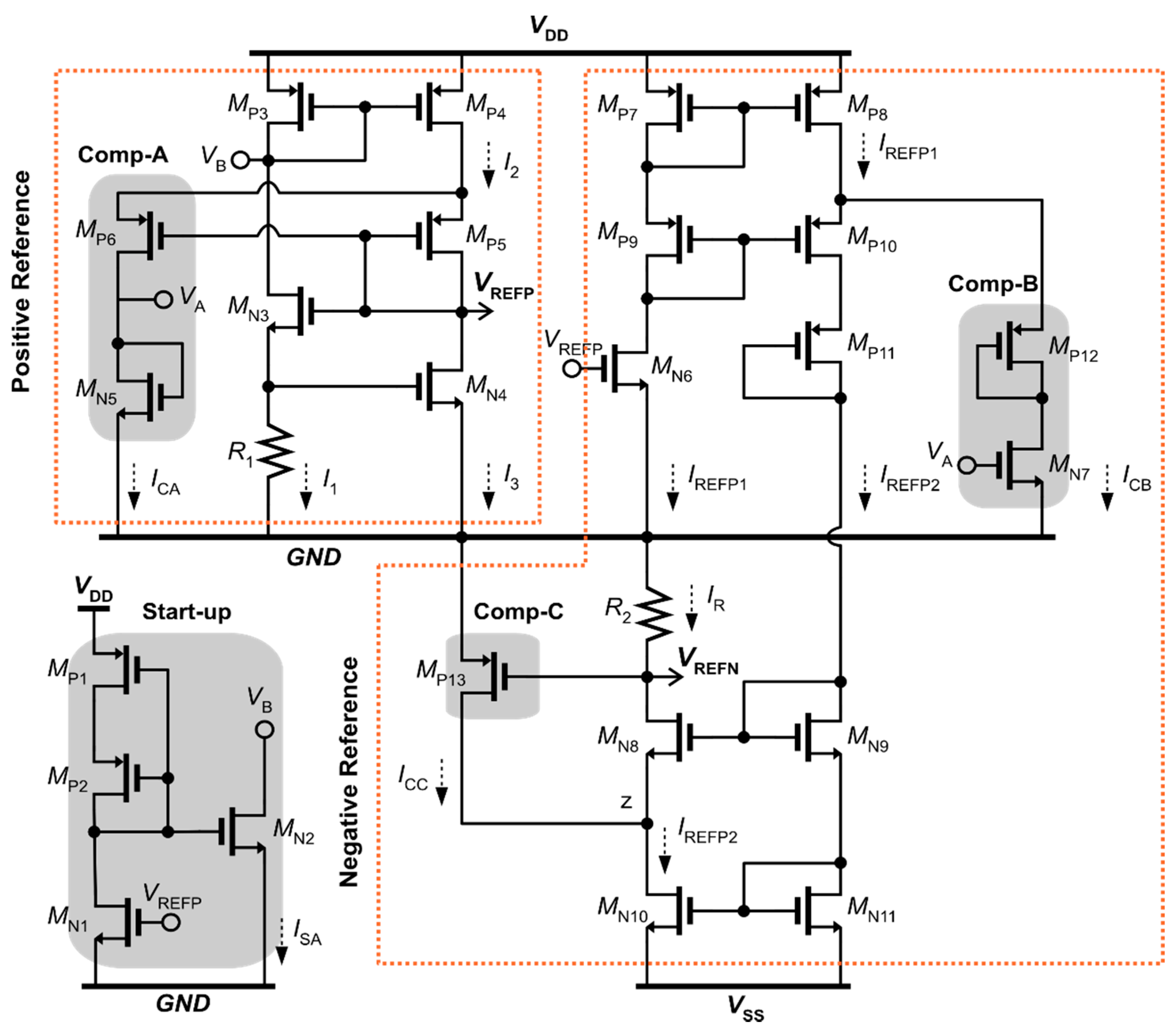
The proposed reference circuit diagram is illustrated in Figure 2. The core circuit is based on a self-biasing gate-source voltage reference [6]. The positive reference voltage, VREFP, is the established voltage across the current source circuit when both the current mirror and current source in the core circuit reach the desired operating point, as shown in Figure 2. However, an undesired operating point should be avoided because I1 = I2 = 0, a start-up circuit guarantees that the proposed circuit is not trapped in the zero-current state by initiating a current in the core circuit. The summation of VGS1 and VGS2 from V G S = V D S , S A T + V T H produces VREFP. The negative reference voltage, VREFN, indicates the voltage generated when IR flows into the resistor, R. The three compensation circuits devised in this work are designated as Comp-A, Comp-B, and Comp-C in Figure 2.
Comp-A and Comp-B aim at alleviating the supply-dependent current in I2 and IREFP1, leaving a constant current in the core and current mirror circuits. A constant current can be achieved by equalizing the slopes of S1 and S2, as well as those of S3 and S4, respectively, for Comp-A and Comp-B. Comp-C generates the current ICC, which is added to the current mirror circuit. Assuming that ICC and IREFP2 are linear currents, they may be written as
I C C = s 6 V S S + I C C _ D C
I R E F P 2 = s 5 V S S + I R E F P 2 _ D C .
where ICC_DC and IREFP2_DC are the DC currents of ICC and IREFP2, respectively. If S5 = S6, ICC in Equation (1) can be written as
I C C = s 5 V S S + I C C _ D C .
The current through resistor the R is given by
I R = I C C + I R E F P 2
Substituting Equations (2) and (3) into Equation (4) gives:
I R = I C C _ D C + I R E F P 2 _ D C
Equation (5) suggests that an independent supply current IR (S7 = 0) is obtained if S5 = S6 (the detailed equations are provided in Appendix A). The PSRR performance is also increased by incorporating Comp-A, Comp-B, and Comp-C into the proposed circuit. The small-signal analysis that proves this idea will be presented later.
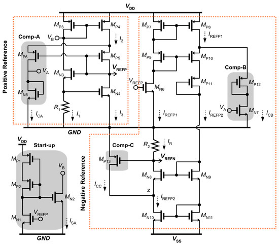
Figure 3 illustrates the proposed dual-voltage reference circuit based on the circuit diagram shown in Figure 2. When the supply is powered up, the start-up circuit sinks some current through MN2, denoted as ISA, which then initiates a voltage at the gate terminals of MP3 and MP4. The current starts flowing through MP3 and MP4, thereby establishing VREFP. When VREFP exceeds the threshold voltage of MN1, current flows through MP1 and MP2. The decrease in voltage at the drain terminal of MN1 moves MN1 into a deep triode region and eventually leads MN2 to operate in a cut-off region. MP6, MP5, MP12, MN7, and MP13 are newly added to the proposed reference circuit that consists of the Comp-A, Comp-B, and Comp-C circuits presented in Figure 2. The slopes of S2, S4, and S6 shown in Figure 2 can be adjusted by varying the size of transistors MP6, MN7, and MP13, respectively, as shown in Figure 3. VREFP can be obtained from the circuit as:
V R E F P = V G S , N 3 + V G S , N 4 .
MN6, MP7, and MP9 form a current reference circuit, providing IREFP1 to MP8. The nonlinear current in IREFP1 is compensated by Comp-B, resulting in IREFP2, which is mirrored by MN10. The constant current IR produces VREFN across R2, given as:
V R E F N = I R × R 2 .
Since VREFN becomes more negative if IR increases, the source-gate voltage of MP13 increases and more current flows into MP13. According to Equation (5), the increment in ICC decreases IR. Thus, the negative feedback loop returns VREFN back to its initial value.
Figure 4a shows the equivalent circuit for the positive reference (VREFP) small-signal analysis. vR1 can be approximately equal to vrefp because it is the output of the source follower circuit formed by MN3 and R1 in Figure 3. Therefore, vg,P2 can be obtained by letting
( v d d v g , P 2 ) g m , P 3 = v g , P 2 r o , N 3 + R 1 .
After rearranging Equation (8) for vg,P2, we obtain v g , P 2 v d d , resulting in g m , P 4 ( v d d v g , P 2 ) 0 . Applying nodal analysis at the node of vm, the following equation can be derived:
v d d v m r o . P 4 = g m , P 6 ( v m v r e f p ) + v m v n r o , P 6 + g m , N 4 ( v R 1 ) + v r e f p r o , N 4 .
Assuming that r o , P 6 and r o , N 4 are large, Equation (9) can be simplified as
v d d v m r o , P 4 g m , P 6 ( v m v r e f p ) + g m , N 4 ( v R 1 ) .
Here, v m can be derived from the circuit written as
v m v r e f p ( g m , N 4 g m , P 5 + 1 ) .
Substituting Equation (11) into Equation (10), vrefp/vdd can be obtained as follows:
v r e f p v d d 1 r o , P 4 ( g m , P 5 g m , P 6 g m , N 4 + g m , N 4 g m , P 5 ) .
Mathematical analysis shows that v r e f p exhibits small variations with v d d . r o , P 4 in Equation (12) ensures that the ratio of vrefp/vdd is nearly zero. The proposed Comp-A contributes g m , P 6 in Equation (12), and hence increases the PSRR performance.
A small-signal analysis of the negative reference is illustrated in Figure 4b. The signal path through MP10 and MP8 is ignored because IREFP1 is assumed to be an ideal current source. Assuming g m , P 13 ,   g m , N 8 1 r o , P 13 ,   1 r o , N 8 , respectively, the ro of MP13 and MN8 can be neglected. From Figure 4b, the total resistance, RTOT, is extremely high, owing to ro,N7; hence, we can assume that v x v y v s s , resulting in g m , N 10 ( v y + v s s ) 0 . Applying nodal analysis at the node of vZ, the following equation is obtained:
g m , P 13 v r e f n + g m , N 8 ( v s s v z ) = v z + v s s r o , N 10 .
and
v z = v r e f n g m , N 8 R 2 v s s .
Substituting Equation (14) into Equation (13) and rearranging for vrefn/vss, we can obtain Equation (15).
v r e f n v s s g m , N 8 R 2 g m , P 13 r o , N 10 g m , N 8 R 2 + g m , N 8 r o , N 10 + 1 R 2 r o , N 10 ( g m , P 13 R 2 + 1 ) .
Equation (15) indicates that vrefn/vss is inversely proportional to ro,N10. In addition, ro,N10 is increased by a factor of gm,p13R2, introduced by Comp-C, which decreases the ratio vrefn/vss. gm,p13 can be further increased by increasing ICC; however, IR will be reduced slightly, causing VREFN to become more positive. Hence, the PSRR is limited by the minimum value of VREFN.
The positive and negative reference voltages are fed into the LDO. Thus, PSRR in the LDO is influenced by the reference circuit. The PSRR performance of the LDO also includes an open-loop gain of the error amplifier and output capacitor. In practice, the reference voltage rejects supply noise at a low-frequency region only; hence a high PSRR reference at low frequency is required. The error amplifier maintains a high PSRR in the middle region until it reaches a 3-dB roll-off frequency. The output capacitor of the LDO determines the high-frequency PSRR performance. Table 1 tabulates the component parameters used for the proposed dual-voltage reference circuit.

3. Results

The proposed reference circuit was verified using a Hynix 0.35 μm CMOS standard process. As shown in Figure 5a, VGS,N4 decreases, whereas VGS,N3 increases with increasing VDD. As ICA in Comp-A increases rapidly at higher VDDVREFP decreases. Thus, the slope of VGS,N3 is assigned to be more positive than 3.5 mV/V to compensate for the variations at higher VDD. MN7 in Comp-B senses the variations in VDD and produces ICB, as shown in Figure 5a, which compensates for the current variation in IREFP1. The slope of ICB (S4 in Figure 2) can be adjusted by varying the size of MN7. Comp-C tracks the changes in voltage at node z, as shown in Figure 3, and produces ICC, which varies in the same manner as IREFP2, owing to channel-length modulation. ICC and IREFP2 vary from 10 µA to 19 µA and 15.7 µA to 24.7 µA, respectively, and consequently, a stable IR of 5.7 µA is obtained when VSS ranges from 2.8 V to 12 V.
The variations in output voltage with respect to VDD and VSS are presented in Figure 5b. For bio-implantable applications, that is, retinal prosthetics, it is crucial to generate a negative supply voltage for producing a cathodic waveform in a biphasic pulse [14]. Accordingly, we observed a negative output reference voltage with a supply dependency of 1.583 mV/V. As shown in Figure 5a, the nonlinear ICC increases in a similar fashion to ICA; however, VGS,N3 compensates for the VREFP variation caused by ICA. Conversely, VREFN varies at a high supply voltage owing to unmatched current rate changes in ICC and IREFP2. Thus, the negative reference line regulation is larger than the positive reference line regulation (0.916 mV/V).
The elaborate corner results for line regulation are shown in Figure 5c, according to which the compensation circuits proposed in this work can generate stable reference voltages in various environments. Furthermore, the positive and negative PSRR results with respect to VDD and VSS are plotted in Figure 5d, where the maximum PSRRs of −112 and −128 dB were obtained for VREFP and VREFN, respectively. The PSRR difference between VREFP and VREFN arises from the different factors in the denominator; ro,P4 in Equation (12) increases by a factor of gm,N4(gm,p5 + gm,p6), while ro,N10 in Equation (15) increases by approximately gm,P13.
Finally, the overall performance of the proposed reference is tabulated in Table 2 and compared with the previous voltage reference circuits presented in [12,13,16]. The line regulation obtained was higher than those in [13,16], but lower than that in [12]. However, the proposed reference circuit exhibits excellent PSRR compared with [12,13,16]. The voltage range was 9.2 V, close to [13], while the corresponding quantities for [12,16] were 3 V and 0.5 V, respectively, indicating that the proposed work is robust to wide supply changes. Considering the accuracy and stability, the proposed reference circuit with excellent line regulation and PSRR is suitable for a wide supply and high precision LDO. In addition, the proposed negative reference could possibly replace the charge pump circuit, which is typically used to generate negative voltage.

4. Conclusions

A high-PSRR wide-supply range dual-voltage reference circuit was proposed. In practice, the reference circuit needs to reject power supply noise only at low frequencies (usually a few tens of Hz), because the LDO error amplifier feedback ensures high PSRR for the remaining frequencies. Hence, the PSRR of −112 and −128 dB obtained from the positive and negative references, respectively, minimize the supply noise from the implanted LDO at low frequencies. When the supply ranged from 2.8 to 12 V, line regulation performances of 0.916 and 1.583 mV/V were obtained for the positive and negative references, respectively. The proposed circuit is suitable for retinal prosthetic applications because balanced biphasic pulses in the stimulators can be generated by supplying stable positive and negative voltages, thereby avoiding damage to body tissues. Presently, a back telemetry digital controller and a dual-voltage LDO that incorporates the proposed reference circuit are under development. These designs will be fully integrated with 256-pixel stimulators and implanted in a pig’s eyeball after in vitro testing.

Author Contributions

Conceptualization, R.B.A.Z. and J.K.; methodology, R.B.A.Z., H.C. and J.K.; writing—original draft preparation, R.B.A.Z., H.C. and J.K. Supervision, H.C. and J.K.; funding acquisition, H.C. and J.K. All authors have read and agreed to the published version of the manuscript.

Funding

This work was supported by the Korea Medical Device Development Fund grant funded by the Korea government (the Ministry of Science and ICT, the Ministry of Trade, Industry and Energy, the Ministry of Health & Welfare, the Ministry of Food and Drug Safety) (Project Number: 202017D01). This work was supported by the National Research Foundation of Korea (NRF) grant funded by the Korea government (MSIT) (No. 2020R1A2C4001606).

Data Availability Statement

The data presented in this study are included in the article.

Acknowledgments

The authors would like to express their sincere appreciation to the IC Design Education Center for chip fabrication.

Conflicts of Interest

The authors declare no conflict of interest.

Abbreviations

The following abbreviations are used in this manuscript:
PSRR Power supply rejection ratio
LDO Low-voltage drop regulator
BJTBipolar junction transistor
CMOSComplementary metal-oxide semiconductor
MOSMetal-oxide semiconductor
NMOSN-channel metal-oxide semiconductor

Appendix A

From the proposed circuit in Figure 3, we have
I C C = I D P 13 ( 1 + λ p V S D P 13 ) .
We can write the slope of S6 in Figure 2 as
δ I C C δ | V S S | = δ I C C δ V S D _ P 13 δ V S D _ P 13 δ | V S S | = S 6
where δ I C C δ V S D _ P 13 = I D _ P 13 λ p obtained from Equation (A1). For simplification δ V S D _ P 13 δ | V S S | is approximated 1, hence
S 6 = I D _ P 13 λ p .
From Figure 3, we know
I R E F P 2 = I R E F P 1 I C B   and  
I R E F P 1 = I D _ N 6 ( 1 + λ n V D S N 6 ) .  
The slope of S3 is obtained as follows
δ I R E F P 1 δ V D D = δ I R E F P 1 δ V D S _ N 6 δ V D S _ N 6 δ V D D = S 3 .
By assuming δ V D S _ N 6 δ V D D = 1 , hence
S 3 = I D _ N 6 λ n .
The variation of I R E F P 2 with respect to V D D can be written as
δ I R E F P 2 δ V D D = S 3 S 4
or
δ I R E F P 2 δ | V S S | = I D _ N 6 λ n S 4 = S 5 .
S 7 equal to 0 if S 5 = S 6 , therefore
I D _ N 6 λ n S 4 = I D _ P 13 λ p .
The slope of S5 can be controlled by adjusting S4. The following derivation is for obtaining S4. First, ICB is assumed in the saturation region,
I C B = 1 2 K n ( W L ) N 7 ( V A V T H ) 2 .
S4 is obtained from the following equation:
δ I C B δ V D D = δ I C B δ V A . δ V A δ V D D = S 4 .
By assuming δ V A δ V D D = 1 , hence
δ I C B δ V D D = K n ( W L ) N 7 ( V A V T H ) = S 4 .
Equation (A13) suggests that the size of MN7 adjusts the slope of S4.

References

  1. Jegadeesan, R.; Nag, S.; Agarwal, K.; Member, S. Enabling Wireless Powering and Telemetry for Peripheral Nerve Implants. IEEE J. Biomed. Health Inform. 2015, 19, 958–970. [Google Scholar] [CrossRef] [PubMed]
  2. Lee, B.; Kiani, M.; Ghovanloo, M. A Triple-Loop Inductive Power Transmission System for Biomedical Applications. IEEE Trans. Biomed. Circuits Syst. 2016, 10, 138–148. [Google Scholar] [CrossRef] [PubMed]
  3. Kuo, P.-H.; Wong, O.-Y.; Tzeng, C.-K.; Wu, P.-W.; Chiao, C.-C.; Chen, P.-H.; Chen, P.-C.; Tsai, Y.-C.; Chu, F.-L.; Ohta, J.; et al. Improved Charge Pump Design and Ex Vivo Experimental Validation of CMOS 256-Pixel Photovoltaic-Powered Subretinal Prosthetic Chip. IEEE Trans. Biomed. Eng. 2020, 67, 1490–1504. [Google Scholar] [CrossRef] [PubMed]
  4. Duan, Q.; Roh, J.; Member, S. A 1.2-V 4.2-ppm C High-Order Curvature- Compensated CMOS Bandgap Reference. IEEE J. Solid-State Circuits 2014, 791, 1–9. [Google Scholar]
  5. Andreou, C.M.; Koudounas, S.; Georgiou, J. A novel wide-temperature-range, 3.9 ppm/°C CMOS bandgap reference circuit. IEEE J. Solid-State Circuits 2012, 47, 574–581. [Google Scholar] [CrossRef]
  6. Osaki, Y.; Hirose, T.; Kuroki, N.; Numa, M. 1.2-V supply, 100-nW, 1.09-V bandgap and 0.7-V supply, 52.5-nW, 0.55-V subbandgap reference circuits for nanowatt CMOS LSIs. IEEE J. Solid-State Circuits 2013, 48, 1530–1538. [Google Scholar] [CrossRef]
  7. Lee, J.M.; Ji, Y.; Choi, S.; Cho, Y.C.; Jang, S.J.; Choi, J.S.; Kim, B.; Park, H.J.; Sim, J.Y. A 29 nW bandgap reference circuit. IEEE Int. Solid-State Circuits Conf. (ISSCC) Dig. Tech. Pap. 2015, 100–101. [Google Scholar] [CrossRef]
  8. Ji, Y.; Jeon, C.; Son, H.; Kim, B.; Park, H.-J.; Sim, J.-Y. A 9.3 nW all-in-one bandgap voltage and current reference circuit. IEEE Int. Solid-State Circuits Conf. (ISSCC) 2017, 100–101. [Google Scholar] [CrossRef]
  9. Lee, I.; Sylvester, D.; Blaauw, D. A subthreshold voltage reference with scalable output voltage for low-power IoT systems. IEEE J. Solid-State Circuits 2017, 52, 1443–1449. [Google Scholar] [CrossRef]
  10. Gray, P.; Meyer, R. Analysis and Design of Analog Integrated Circuits; John Wiley and Sons: Hoboken, NJ, USA, 2010. [Google Scholar]
  11. Zhu, G.; Yang, Y.; Zhang, Q. A 4.6-ppm/°C High-Order Curvature Compensated Bandgap Reference for BMIC. IEEE Trans. Circuits Syst. II Express Briefs 2019, 66, 1492–1496. [Google Scholar] [CrossRef]
  12. Zhou, Z.-K.; Shi, Y.; Wang, Y.; Li, N.; Xiao, Z.P.; Wang, Y.K.; Liu, X.L.; Wang, Z.; Zhao, B. A Resistorless High-Precision Compensated CMOS Bandgap Voltage Reference. IEEE Trans. Circuits Syst. I Regul. Pap. 2019, 66, 428–437. [Google Scholar] [CrossRef]
  13. Sodagar, A.M.; Najafi, K. A wide-range supply-independent CMOS voltage reference for telemetry-powering applications. In Proceedings of the 9th International Conference on Electronics, Circuits and Systems, Dubrovnik, Croatia, 15–18 September 2002; Volume 1, pp. 401–404. [Google Scholar] [CrossRef]
  14. Kang, H.; Abbasi, W.H.; Kim, S.-W.; Kim, J. Fully Integrated Light-Sensing Stimulator Design for Subretinal Implants. Sensors 2019, 19, 536. [Google Scholar] [CrossRef] [PubMed] [Green Version]
  15. Zawawi, R.B.A.; Choi, H.; Kim, J. High-PSRR Wide-Range Supply-Independent CMOS Voltage Reference for Retinal Prosthetic Systems. Electronics 2020, 9, 2028. [Google Scholar] [CrossRef]
  16. Kim, M.; Cho, S.H. A 0.0082-mm2, 192-nW Single BJT Branch Bandgap Reference in 0.18-µm CMOS. IEEE Solid State Circuits Lett. 2020, 3, 426–429. [Google Scholar] [CrossRef]
Figure 1. Bio-implantable system diagram.
Figure 1. Bio-implantable system diagram.
Electronics 10 02024 g001
Figure 2. The proposed reference circuit diagram.
Figure 2. The proposed reference circuit diagram.
Electronics 10 02024 g002
Figure 3. The circuit diagram of the proposed dual-voltage reference circuit.
Figure 3. The circuit diagram of the proposed dual-voltage reference circuit.
Electronics 10 02024 g003
Figure 4. Small-signal equivalent circuits of the proposed circuit. (a) Positive reference circuit and (b) negative reference circuit.
Figure 4. Small-signal equivalent circuits of the proposed circuit. (a) Positive reference circuit and (b) negative reference circuit.
Electronics 10 02024 g004
Figure 5. Results of (a) DC responses of VGS,N3, VGS,N4, ICA, ICBICC, and IR, (b) line regulation at typical condition ( 0   V V D D 12   V   and   12   V V S S 0 ) , (c) line regulation in different corners, and (d) PSRR.
Figure 5. Results of (a) DC responses of VGS,N3, VGS,N4, ICA, ICBICC, and IR, (b) line regulation at typical condition ( 0   V V D D 12   V   and   12   V V S S 0 ) , (c) line regulation in different corners, and (d) PSRR.
Electronics 10 02024 g005
Table 1. Parameters of the transistors and resistors used for the proposed reference circuit.
Table 1. Parameters of the transistors and resistors used for the proposed reference circuit.
ComponentParametersComponentParameters
MP1, MP2W = 0.5 μm, L = 25 μmMN1W = 80 μm, L = 1 μm
MP3, MP4W = 4 μm, L = 1 μm, m = 50MN2W = 10 μm, L = 1 μm
MP5W = 1.15 μm, L = 1 μmMN3W = 4 μm, L = 1 μm, m = 10
MP6W = 4 μm, L = 1 μm, m = 9MN4W = 100 μm, L = 3 μm
MP7, MP8W = 4 μm, L = 1 μm, m = 4MN5W = 4 μm, L = 1 μm, m = 20
MP9, MP10W = 16 μm, L = 1 μmMN6W = 1 μm, L = 10 μm
MP11W = 4 μm, L = 1 μmMN7W = 4 μm, L = 2 μm, m = 3
MP12W = 1 μm, L = 50 μmMN8, MN9W = 5 μm, L = 10 μm
MP13W = 4 μm, L = 1 μm, m = 62MN10, MN11W = 1 μm, L = 10 μm
R170 kΩR2150 kΩ
Table 2. Overall performance and comparison.
Table 2. Overall performance and comparison.
ParameterThis Work[12][13][16]
Technology (µm)0.350.351.60.18
Supply voltage (V)2.8~122~52.6~121.3~1.8
VREF (V)1.4 (VREFP)
−0.8 (VREFN)
1.141.61.17
Line regulation (mV/V)0.916 (VREFP)
1.583 (VREFN)
20.5110.35
PSRR (dB)−112 (VREFP)
−128 (VREFN)
−61−59.2−52
Publisher’s Note: MDPI stays neutral with regard to jurisdictional claims in published maps and institutional affiliations.

Share and Cite

MDPI and ACS Style

Zawawi, R.B.A.; Choi, H.; Kim, J. High PSRR Wide Supply Range Dual-Voltage Reference Circuit for Bio-Implantable Applications. Electronics 2021, 10, 2024. https://doi.org/10.3390/electronics10162024

AMA Style

Zawawi RBA, Choi H, Kim J. High PSRR Wide Supply Range Dual-Voltage Reference Circuit for Bio-Implantable Applications. Electronics. 2021; 10(16):2024. https://doi.org/10.3390/electronics10162024

Chicago/Turabian Style

Zawawi, Ruhaifi Bin Abdullah, Hojong Choi, and Jungsuk Kim. 2021. "High PSRR Wide Supply Range Dual-Voltage Reference Circuit for Bio-Implantable Applications" Electronics 10, no. 16: 2024. https://doi.org/10.3390/electronics10162024

APA Style

Zawawi, R. B. A., Choi, H., & Kim, J. (2021). High PSRR Wide Supply Range Dual-Voltage Reference Circuit for Bio-Implantable Applications. Electronics, 10(16), 2024. https://doi.org/10.3390/electronics10162024

Note that from the first issue of 2016, this journal uses article numbers instead of page numbers. See further details here.

Article Metrics

Back to TopTop