Review on Control Techniques for EV Bidirectional Wireless Chargers
Abstract
:1. Introduction
- Mode I, in which the battery is charged with a null power factor. It is a G2V operation.
- Mode II. The battery is discharged with a null power factor in a V2G power transfer.
- Mode III. The controller forces the combination of power converter and battery to consume positive reactive power and null active power. Under this configuration, the system has a pure inductive load on the secondary side.
- Mode IV. With a null active power and a negative reactive power, the load on the secondary side (power converter and battery) represents a pure capacitive load.
- Mode V. The controller can set any point in the area of the first quadrant so there is a positive active and a positive reactive power. The power converter and the battery on the secondary side works as a generic inductive load.
- Mode VI. The active power flows from the battery to the grid, so it is a V2G operation. In addition, the set composed of the secondary power converter and the battery consumes positive reactive power. Thus, it is also an inductive V4G process.
- Mode VII. As in Mode VI, the active power flows from the battery to the grid, but the load on the secondary side generates reactive power, that is, it works as a generic capacitor.
- Mode VIII. In this mode, the power converter and the battery on the secondary side consumes active power flow and generates reactive power.
- Power flow sense. It is possible to control the flowing of the power, that is, if the power flows from the grid to the EV battery or vice versa.
- Four-quadrant operation. Basic control algorithms only focus on the active power, but advanced V2G services also require the control of the reactive power. A relevant feature of the control techniques is the power quadrants (eight modes) on which they can operate.
- It is possible to approximate the active and/or the reactive power in the charging point to reach their corresponding reference power level, even when coil misalignment occurs.
2. V2X Services
2.1. Grid-to-Vehicle (G2V)
2.2. Vehicle-to-Grid (V2G)
2.3. Vehicle-to-Building (V2B)
2.4. Aggregator
3. Model for EV Bidirectional Wireless Charger
4. V2G Control Techniques
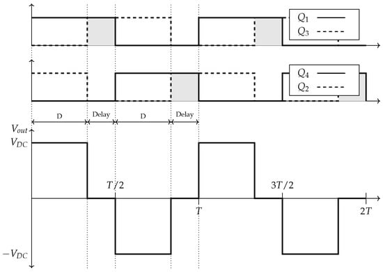
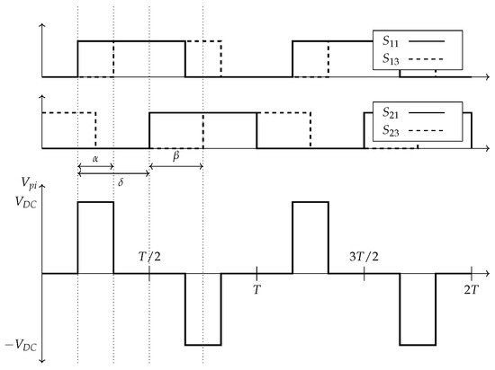
4.1. Activation of the Power Converters
4.2. Phase-Delay between the Power Converters
5. Descriptive Works on V2G Control
- Control technique applied, that is, if controllable activation/deactivation of the power converters is used or whether a phase-delay in the activation of these structures is configured.
- The range of adjustment for P and/or Q, and if the setpoint restricts one power once, the other is tuned.
6. Future Trends and Challenges
- Harmonic restriction. The controller must activate and deactivate the switching devices taking into account that the whole system must comply with the harmonic recommendations described in IEEE-519. The consideration of the switching technique when designing the EMI filter could reduce the overall cost of the system and improve its performance.
- Coupler design. Little attention has been paid to the coil design in bidirectional wireless chargers, with just some proposals in [64,77] addressing this topic. Since the power flow is in both senses, the coil design must attend to the magnetic field leakage and variations of the coupling coefficient due to misalignment for the battery charging and discharging process.
- Switching devices. SiC MOSFETs is the predominant choice for bidirectional wireless chargers due to power capability and the supported switching frequency. In order to increase the efficiency of the system, all the diodes are fast body diodes. How to effectively generate the gate signals is still a non-trivial ask as there must be synchronized with other legs in the power converter and even with those in the other power converter [78].
- Synchronisation of the power converters. Achieving precise coordination between the two power converters in real-time must be studied in practical implementations. As stated in [74], the communication delay must be considered with phase-delay approaches. A statistical characterisation of the delay or the use of communication models may be the adequate strategy to incorporate the effects of a typically variable delay in the communication system used between the primary and the secondary sides.
- Synchronisation with the grid. To date, most studies works with the reduced equivalent circuit of the wireless charger. However, if we want to adjust P and Q in the grid interface, we must consider the fact that the grid phase impacts the power factor of the energy delivered to the grid, and consequently, it must be included in the design of the V2G controllers too. Some works on bidirectional conductive chargers base the control on the voltage difference between the grid and the charger. Similar approaches must be deeply studied in the context of wireless chargers.
- Full four-quadrant operation of the system with maximum efficiency. We have observed that there are some works that configure the controller to maximise the efficiency of the power transfer for modes I and II. This optimisation should be extended for other controllers dealing with more operation modes.
7. Conclusions
Author Contributions
Funding
Conflicts of Interest
References
- United States Environmental Protection Agency. Sources of Greenhouse Gas Emissions. Available online: https://www.epa.gov/ghgemissions/sources-greenhouse-gas-emissions (accessed on 16 June 2021).
- Khan, S.U.; Mehmood, K.K.; Haider, Z.M.; Bukhari, S.B.A.; Lee, S.J.; Rafique, M.K.; Kim, C.H. Energy management scheme for an EV smart charger V2G/G2V application with an EV power allocation technique and voltage regulation. Appl. Sci. 2018, 8, 648. [Google Scholar] [CrossRef] [Green Version]
- Wang, K.; Gu, L.; He, X.; Guo, S.; Sun, Y.; Vinel, A.; Shen, J. Distributed Energy Management for Vehicle-to-Grid Networks. IEEE Netw. 2017, 31, 22–28. [Google Scholar] [CrossRef]
- Janjic, A.; Velimirovic, L.; Stankovic, M.; Petrusic, A. Commercial electric vehicle fleet scheduling for secondary frequency control. Electr. Power Syst. Res. 2017, 147, 31–41. [Google Scholar] [CrossRef]
- Triviño-Cabrera, A.; Aguado, J.A.; de la Torre, S. Joint routing and scheduling for electric vehicles in smart grids with V2G. Energy 2019, 175, 113–122. [Google Scholar] [CrossRef]
- Navigant. Available online: http://www.navigantresearch.com/research/wireless-power (accessed on 16 June 2021).
- He, T.; Lu, D.D.C.; Wu, M.; Yang, Q.; Li, T.; Liu, Q. Four-Quadrant Operations of Bidirectional Chargers for Electric Vehicles in Smart Car Parks: G2V, V2G, and V4G. Energies 2020, 14, 181. [Google Scholar] [CrossRef]
- Triviño, A.; González-González, J.M.; Aguado, J.A. Wireless Power Transfer Technologies Applied to Electric Vehicles: A Review. Energies 2021, 14, 1547. [Google Scholar] [CrossRef]
- Sharma, A.; Sharma, S. Review of Power Electronics in Vehicle-to-Grid Systems. J. Energy Storage 2019, 21, 337–361. [Google Scholar] [CrossRef]
- Global EV Outlook 2020. Wireless EV Charging Market Share, Size and Industry Growth Analysis 2020 632-2025; Technical Report; IndustryARC: Hyderabad, India, 2020.
- Global EV Outlook 2020; Technical Report; International Energy Agency: Paris, France, 2020.
- Shao, S.; Pipattanasomporn, M.; Rahman, S. Grid Integration of Electric Vehicles and Demand Response with Customer Choice. IEEE Trans. Smart Grid 2012, 3, 543–550. [Google Scholar] [CrossRef]
- Albadi, M.H.; El-Saadany, E.F. Demand response in electricity markets: An overview. In Proceedings of the 2007 IEEE Power Engineering Society General Meeting, PES, Tampa, FL, USA, 24–28 June 2007. [Google Scholar] [CrossRef]
- Li, Y.; Yu, G.; Liu, J.; Deng, F. Design of V2G auxiliary service system based on 5G technology. In Proceedings of the 2017 IEEE Conference on Energy Internet and Energy System Integration, EI2 2017-Proceedings, Beijing, China, 26–28 November 2017; Institute of Electrical and Electronics Engineers Inc.: Piscataway, NJ, USA, 2017; pp. 1–6. [Google Scholar] [CrossRef]
- Gago, R.G.; Pinto, S.F.; Silva, J.F. G2V and V2G electric vehicle charger for smart grids. In Proceedings of the IEEE 2nd International Smart Cities Conference: Improving the Citizens Quality of Life, ISC2 2016-Proceedings, Trento, Italy, 12–15 September 2016; Institute of Electrical and Electronics Engineers Inc.: Piscataway, NJ, USA, 2016. [Google Scholar] [CrossRef]
- Clement-Nyns, K.; Haesen, E.; Driesen, J. The impact of Charging plug-in hybrid electric vehicles on a residential distribution grid. IEEE Trans. Power Syst. 2010, 25, 371–380. [Google Scholar] [CrossRef] [Green Version]
- Masoum, M.A.; Moses, P.S.; Hajforoosh, S. Distribution transformer stress in smart grid with coordinated charging of plug-in electric vehicles. In Proceedings of the 2012 IEEE PES Innovative Smart Grid Technologies, ISGT 2012, Washington, DC, USA, 16–20 January 2012. [Google Scholar] [CrossRef] [Green Version]
- Clement, K.; Haesen, E.; Driesen, J. Coordinated charging of multiple plug-in hybrid electric vehicles in residential distribution grids. In Proceedings of the 2009 IEEE/PES Power Systems Conference and Exposition, PSCE 2009, Seattle, WA, USA, 15–18 March 2009. [Google Scholar] [CrossRef]
- Sortomme, E.; Hindi, M.M.; MacPherson, S.D.; Venkata, S.S. Coordinated charging of plug-in hybrid electric vehicles to minimize distribution system losses. IEEE Trans. Smart Grid 2011, 2, 198–205. [Google Scholar] [CrossRef]
- Mets, K.; Verschueren, T.; De Turck, F.; Develder, C. Exploiting V2G to optimize residential energy consumption with electrical vehicle (dis)charging. In Proceedings of the 2011 IEEE 1st International Workshop on Smart Grid Modeling and Simulation, SGMS 2011, Brussels, Belgium, 17 October 2011; pp. 7–12. [Google Scholar] [CrossRef] [Green Version]
- Pimm, A.J.; Cockerill, T.T.; Taylor, P.G. The potential for peak shaving on low voltage distribution networks using electricity storage. J. Energy Storage 2018, 16, 231–242. [Google Scholar] [CrossRef]
- Uddin, K.; Dubarry, M.; Glick, M.B. The viability of vehicle-to-grid operations from a battery technology and policy perspective. Energy Policy 2018, 113, 342–347. [Google Scholar] [CrossRef]
- Joy, E.R.; Thirugnanam, K.; Singh, M.; Kumar, P. Distributed active and reactive power transfer for voltage regulation using V2G system. In Proceedings of the 2015 4th International Conference on Electric Power and Energy Conversion Systems, EPECS 2015, Sharjah, United Arab Emirates, 24–26 November 2015; Institute of Electrical and Electronics Engineers Inc.: Piscataway, NJ, USA, 2015. [Google Scholar] [CrossRef]
- Wirasanti, P. Ancillary Services Analysis based on Multiple-Area of V2G Operation-Frequency Regulation Service. In Proceedings of the IECON Proceedings (Industrial Electronics Conference), IEEE Computer Society, Lisbon, Portugal, 14–17 October 2019; pp. 2132–2137. [Google Scholar] [CrossRef]
- Calearo, L.; Marinelli, M. Profitability of frequency regulation by electric vehicles in Denmark and Japan considering battery degradation costs. World Electr. Veh. J. 2020, 11, 48. [Google Scholar] [CrossRef]
- Bañol Arias, N.; Hashemi, S.; Andersen, P.B.; Træholt, C.; Romero, R. Assessment of economic benefits for EV owners participating in the primary frequency regulation markets. Int. J. Electr. Power Energy Syst. 2020, 120, 105985. [Google Scholar] [CrossRef]
- Gschwendtner, C.; Sinsel, S.R.; Stephan, A. Vehicle-to-X (V2X) implementation: An overview of predominate trial configurations and technical, social and regulatory challenges. Renew. Sustain. Energy Rev. 2021, 145, 110977. [Google Scholar] [CrossRef]
- Andersen, P.B.; Toghroljerdi, S.H.; Sørensen, T.M.; Christensen, B.E.; Morell, J.C.; Høj, L.; Zecchino, A.; Olesen, O.J.; Due, A. The Parker Project-Final Report; Technical Report; Parker Hannifin: Cleveland, OH, USA, 2019. [Google Scholar]
- Nissan Motor Corporation. Nissan, E.ON Drive and Imperial College Highlight the Carbon Saving and Economic Benefits of Vehicle-to-Grid Technology. Available online: https://europe.nissannews.com/en-GB/releases/release-beb6420a9f2916baf13a4ed15006b51d-nissan-eon-drive-and-imperial-college-highlight-the-carbon-saving-and-economic-benefits-of-vehicle-to-grid-technology (accessed on 22 July 2021).
- Fachrizal, R.; Munkhammar, J. Improved photovoltaic self-consumption in residential buildings with distributed and centralized smart charging of electric vehicles. Energies 2020, 13, 1153. [Google Scholar] [CrossRef] [Green Version]
- Dagdougui, H.; Ouammi, A.; Dessaint, L.A. Peak Load Reduction in a Smart Building Integrating Microgrid and V2B-Based Demand Response Scheme. IEEE Syst. J. 2019, 13, 3274–3282. [Google Scholar] [CrossRef]
- Knezovic, K.; Marinelli, M.; Moller, R.J.; Andersen, P.B.; Traholt, C.; Sossan, F. Analysis of voltage support by electric vehicles and photovoltaic in a real Danish low voltage network. In Proceedings of the Universities Power Engineering Conference, IEEE Computer Society, Cluj-Napoca, Romania, 2–5 September 2014. [Google Scholar] [CrossRef] [Green Version]
- Nguyen, H.N.; Zhang, C.; Mahmud, M.A. Optimal Coordination of G2V and V2G to Support Power Grids with High Penetration of Renewable Energy. IEEE Trans. Transp. Electrif. 2015, 1, 188–195. [Google Scholar] [CrossRef]
- Barone, G.; Buonomano, A.; Forzano, C.; Giuzio, G.F.; Palombo, A. Increasing self-consumption of renewable energy through the Building to Vehicle to Building approach applied to multiple users connected in a virtual micro-grid. Renew. Energy 2020, 159, 1165–1176. [Google Scholar] [CrossRef]
- Tchagang, A.; Yoo, Y. V2B/V2G on energy cost and battery degradation under different driving scenarios, peak shaving, and frequency regulations. World Electr. Veh. J. 2020, 11, 14. [Google Scholar] [CrossRef] [Green Version]
- Liu, C.; Chau, K.T.; Wu, D.; Gao, S. Opportunities and challenges of vehicle-to-home, vehicle-to-vehicle, and vehicle-to-grid technologies. Proc. IEEE 2013, 101, 2409–2427. [Google Scholar] [CrossRef] [Green Version]
- Wang, X.; Liu, Y.; Qian, W.; Wang, B.; Lu, X.; Zou, K.; González-Santini, N.; Karki, U.; Peng, F.Z.; Chen, C. A 25 kW SiC Universal Power Converter Building Block for G2V, V2G, and V2L Applications. In Proceedings of the 2018 IEEE International Power Electronics and Application Conference and Exposition, PEAC 2018, Shenzhen, China, 4–7 November 2018; Institute of Electrical and Electronics Engineers Inc.: Piscataway, NJ, USA, 2018. [Google Scholar] [CrossRef]
- Sovacool, B.K.; Kester, J.; Noel, L.; Zarazua de Rubens, G. Actors, Business Models, and Innovation Activity Systems for Vehicle-to-Grid (V2G) Technology: A Comprehensive Review. Renew. Sustain. Energy Rev. 2020, 131, 109963. [Google Scholar] [CrossRef]
- Escudero-Garzas, J.J.; Garcia-Armada, A.; Seco-Granados, G. Fair design of plug-in electric vehicles aggregator for V2G regulation. IEEE Trans. Veh. Technol. 2012, 61, 3406–3419. [Google Scholar] [CrossRef] [Green Version]
- Sun, S.; Dong, M.; Liang, B. Real-time welfare-maximizing regulation allocation in dynamic aggregator-EVs system. IEEE Trans. Smart Grid 2014, 5, 1397–4109. [Google Scholar] [CrossRef] [Green Version]
- Han, S.; Han, S.; Sezaki, K. Estimation of achievable power capacity from plug-in electric vehicles for V2G frequency regulation: Case studies for market participation. IEEE Trans. Smart Grid 2011, 2, 632–641. [Google Scholar] [CrossRef]
- Miller, J.M.; Onar, O.C.; Chinthavali, M. Primary-side power flow control of wireless power transfer for electric vehicle charging. IEEE J. Emerg. Sel. Top. Power Electron. 2015, 3, 147–162. [Google Scholar] [CrossRef]
- Thrimawithana, D.J.; Madawala, U.K. A primary side controller for inductive power transfer systems. In Proceedings of the IEEE International Conference on Industrial Technology, Via del Mar, Chile, 14–17 March 2010; pp. 661–666. [Google Scholar] [CrossRef]
- Triviño-Cabrera, A.; Ochoa, M.; Fernández, D.; Aguado, J.A. Independent primary-side controller applied to wireless chargers for electric vehicles. In Proceedings of the 2014 IEEE International Electric Vehicle Conference, IEVC 2014, Florence, Italy, 17–19 December 2014; Institute of Electrical and Electronics Engineers Inc.: Piscataway, NJ, USA, 2014. [Google Scholar] [CrossRef] [Green Version]
- González-González, J.M.; Triviño-Cabrera, A.; Aguado, J.A. Design and validation of a control algorithm for a SAE J2954-compliant wireless charger to guarantee the operational electrical constraints. Energies 2018, 11, 604. [Google Scholar] [CrossRef] [Green Version]
- Omori, H.; Iga, Y.; Morizane, T.; Kimura, N.; Nakagawa, K.; Nakaoka, M. A novel wireless EV charger using SiC single-ended quasi-resonant inverter for home use. In Proceedings of the 15th International Power Electronics and Motion Control Conference and Exposition, EPE-PEMC 2012 ECCE Europe, Novi Sad, Serbia, 4–6 September 2012. [Google Scholar] [CrossRef]
- Deng, Q.; Wang, Z.; Chen, C.; Czarkowski, D.; Kazimierczuk, M.K.; Zhou, H.; Hu, W. Modeling and control of inductive power transfer system supplied by multiphase phase-controlled inverter. IEEE Trans. Power Electron. 2019, 34, 9303–9315. [Google Scholar] [CrossRef]
- Vu, V.B.; Dahidah, M.; Pickert, V.; Phan, V.T. A High-Power Multiphase Wireless Dynamic Charging System with Low Output Power Pulsation for Electric Vehicles. IEEE J. Emerg. Sel. Top. Power Electron. 2020, 8, 3592–3608. [Google Scholar] [CrossRef] [Green Version]
- Chen, C.; Zhou, H.; Deng, Q.; Hu, W.; Yu, Y.; Lu, X.; Lai, J. Modeling and Decoupled Control of Inductive Power Transfer to Implement Constant Current/Voltage Charging and ZVS Operating for Electric Vehicles. IEEE Access 2018, 6, 59917–59928. [Google Scholar] [CrossRef]
- Gonzalez-Gonzalez, J.M.M.; Trivino, A.; Aguado, J.A. Model Predictive Control to Maximize the Efficiency in EV Wireless Chargers. IEEE Trans. Ind. Electron. 2021. [Google Scholar] [CrossRef]
- Wu, H.H.; Gilchrist, A.; Sealy, K.D.; Bronson, D. A high efficiency 5 kW inductive charger for EVs using dual side control. IEEE Trans. Ind. Inform. 2012, 8, 585–595. [Google Scholar] [CrossRef] [Green Version]
- Corti, F.; Reatti, A.; Nepote, A.; Pugi, L.; Pierini, M.; Paolucci, L.; Grasso, F.; Grasso, E.; Nienhause, M. A secondary-side controlled electric vehicle wireless charger. Energies 2020, 13, 6527. [Google Scholar] [CrossRef]
- Zhong, W.X.; Hui, S.Y. Maximum energy efficiency tracking for wireless power transfer systems. IEEE Trans. Power Electron. 2015, 30, 4025–4034. [Google Scholar] [CrossRef] [Green Version]
- Cui, C.; Liu, Y.; Pehrman, D.; Huang, X.; Zhang, Q. A Full Power Range ZVS Control Technology for Bidirectional Inductive Power Transfer System. In Proceedings of the IECON Proceedings (Industrial Electronics Conference), IEEE Computer Society, Singapore, 18–21 October 2020; pp. 3861–3865. [Google Scholar] [CrossRef]
- Fayyaz, A.; Romano, G.; Castellazzi, A. Body diode reliability investigation of SiC power MOSFETs. Microelectron. Reliab. 2016, 64, 530–534. [Google Scholar] [CrossRef]
- Ahmed, M.R.; Todd, R.; Forsyth, A.J. Switching performance of a SiC MOSFET body diode and SiC schottky diodes at different temperatures. In Proceedings of the 2017 IEEE Energy Conversion Congress and Exposition, ECCE 2017, Cincinnati, OH, USA, 1–5 October 2017; Institute of Electrical and Electronics Engineers Inc.: Piscataway, NJ, USA, 2017; pp. 5487–5494. [Google Scholar] [CrossRef]
- Haque, M.S.; Mohammad, M.; Pries, J.L.; Choi, S. Comparison of 22 kHz and 85 kHz 50 kW Wireless Charging System Using Si and SiC Switches for Electric Vehicle. In Proceedings of the 2018 IEEE 6th Workshop on Wide Bandgap Power Devices and Applications, WiPDA 2018, Atlanta, GA, USA, 31 October–2 November 2018; Institute of Electrical and Electronics Engineers Inc.: Piscataway, NJ, USA, 2018; pp. 192–198. [Google Scholar] [CrossRef]
- Triviño, A.; Gonzalez-Gonzalez, J.M.; Aguado, J.A. Theoretical analysis of the efficiency of a V2G wireless charger for Electric Vehicles. Trans. Environ. Electr. Eng. 2018, 3, 9. [Google Scholar] [CrossRef]
- Shi, Z.H.; Qiu, Z.C.; Chen, X.Y.; Li, M.Y. Modeling and experimental verification of bidirectional wireless power transfer. IEEE Trans. Appl. Supercond. 2019, 29. [Google Scholar] [CrossRef]
- Lee, J.Y.; Han, B.M. A Bidirectional Wireless Power Transfer EV Charger Using Self-Resonant PWM. IEEE Trans. Power Electron. 2015, 30, 1784–1787. [Google Scholar] [CrossRef]
- Moghaddami, M.; Sundararajan, A.; Sarwat, A.I. A Power-Frequency Controller with Resonance Frequency Tracking Capability for Inductive Power Transfer Systems. IEEE Trans. Ind. Appl. 2018, 54, 1773–1783. [Google Scholar] [CrossRef]
- Bojarski, M.; Kutty, K.K.; Czarkowski, D.; de Leon, F. Multiphase resonant inverters for bidirectional wireless power transfer. In Proceedings of the 2014 IEEE International Electric Vehicle Conference (IEVC), Florence, Italy, 17–19 December 2014; pp. 1–7. [Google Scholar] [CrossRef]
- Samanta, S.; Rathore, A.K.; Thrimawithana, D.J. Bidirectional Current-Fed Half-Bridge (C) (LC)-(LC) Configuration for Inductive Wireless Power Transfer System. IEEE Trans. Ind. Appl. 2017, 53, 4053–4062. [Google Scholar] [CrossRef]
- Liao, C.C.; Huang, M.S.; Li, Z.F.; Lin, F.J.; Wu, W.T. Simulation-Assisted Design of a Bidirectional Wireless Power Transfer with Circular Sandwich Coils for E-Bike Sharing System. IEEE Access 2020, 8, 110003–110017. [Google Scholar] [CrossRef]
- Berger, A.; Agostinelli, M.; Vesti, S.; Oliver, J.A.; Cobos, J.A.; Huemer, M. A Wireless Charging System Applying Phase-Shift and Amplitude Control to Maximize Efficiency and Extractable Power. IEEE Trans. Power Electron. 2015, 30, 6338–6348. [Google Scholar] [CrossRef]
- Molina-Martínez, E.J.; Roncero-Sánchez, P.; López-Alcolea, F.J.; Vázquez, J.; Torres, A.P. Control scheme of a bidirectional inductive power transfer system for electric vehicles integrated into the grid. Electronics 2020, 9, 1724. [Google Scholar] [CrossRef]
- Madawala, U.K.; Neath, M.; Thrimawithana, D.J. A power-frequency controller for bidirectional inductive power transfer systems. IEEE Trans. Ind. Electron. 2013, 60, 310–317. [Google Scholar] [CrossRef]
- Tang, Y.; Chen, Y.; Madawala, U.K.; Thrimawithana, D.J.; Ma, H. A New Controller for Bidirectional Wireless Power Transfer Systems. IEEE Trans. Power Electron. 2018, 33, 9076–9087. [Google Scholar] [CrossRef]
- Wang, L.; Madawala, U.K.; Wong, M.C. A Wireless Vehicle to Grid to Home Power Interface with an Adaptive DC Link. IEEE J. Emerg. Sel. Top. Power Electron. 2020. [Google Scholar] [CrossRef]
- Zhang, X.; Cai, T.; Duan, S.; Feng, H.; Hu, H.; Niu, J.; Chen, C. A Control Strategy for Efficiency Optimization and Wide ZVS Operation Range in Bidirectional Inductive Power Transfer System. IEEE Trans. Ind. Electron. 2019, 66, 5958–5969. [Google Scholar] [CrossRef]
- Qi, C.; Lang, Z.; Su, L.; Chen, X.; Miao, H. Model predictive control for a bidirectional wireless power transfer system with maximum efficiency point tracking. In Proceedings of the PRECEDE 2019: 2019 IEEE International Symposium on Predictive Control of Electrical Drives and Power Electronics, Quanzhou, China, 31 May–2 June 2019; Institute of Electrical and Electronics Engineers Inc.: Piscataway, NJ, USA, 2019. [Google Scholar] [CrossRef]
- Vardani, B.; Tummuru, N.R. A Single-Stage Bidirectional Inductive Power Transfer System with Closed-Loop Current Control Strategy. IEEE Trans. Transp. Electrif. 2020, 6, 948–957. [Google Scholar] [CrossRef]
- Liu, Y.; Madawala, U.K.; Mai, R.; He, Z. Zero-Phase-Angle Controlled Bidirectional Wireless EV Charging Systems for Large Coil Misalignments. IEEE Trans. Power Electron. 2020, 35, 5343–5353. [Google Scholar] [CrossRef]
- Liu, F.; Li, K.; Chen, K.; Zhao, Z. A Phase Synchronization Technique Based on Perturbation and Observation for Bidirectional Wireless Power Transfer System. IEEE J. Emerg. Sel. Top. Power Electron. 2020, 8, 1287–1297. [Google Scholar] [CrossRef]
- Mohamed, A.A.; Mohammed, O. Bilayer Predictive Power Flow Controller for Bidirectional Operation of Wirelessly Connected Electric Vehicles. IEEE Trans. Ind. Appl. 2019, 55, 4258–4267. [Google Scholar] [CrossRef]
- Mohamed, A.A.; Berzoy, A.; Mohammed, O.A. Experimental Validation of Comprehensive Steady-State Analytical Model of Bidirectional WPT System in EVs Applications. IEEE Trans. Veh. Technol. 2017, 66, 5584–5594. [Google Scholar] [CrossRef]
- Mohamed, A.A.; Marim, A.A.; Mohammed, O.A. Magnetic Design Considerations of Bidirectional Inductive Wireless Power Transfer System for EV Applications. IEEE Trans. Magn. 2017, 53, 1–5. [Google Scholar] [CrossRef]
- Yuan, J.; Dorn-Gomba, L.; Callegaro, A.D.; Reimers, J.; Emadi, A. A Review of Bidirectional on-Board Chargers for Electric Vehicles. IEEE Access 2021, 9, 51501–51518. [Google Scholar] [CrossRef]












| Reference | Primary | Secondary | Compensation | Operation |
|---|---|---|---|---|
| Converter | Converter | Networks | Mode | |
| [60] | Full-bridge | Full-bridge | Series-Series | I, II |
| [61] | Full-bridge | Full-bridge | Series-Series | I, II |
| [62] | Eight-switch leg | Eight-switch leg | Series-Series | I, II |
| [63] | Half-bridge | Half-bridge | CLC-LC | All |
| (two-switch leg) | (two-switch leg) | (Uncontrolled Q) | ||
| [64] | Full-bridge | Full-bridge | Series-Series | I, II |
| Reference | Primary | Secondary | Compensation | Operation |
|---|---|---|---|---|
| Converter | Converter | Networks | Mode | |
| [67] | Full-bridge | Full-bridge | LCL-LCL | I, II |
| [65] | Full-bridge | Full-bridge | Series-Series | I, II |
| and DC-DC | ||||
| [71] | Full-bridge | Full-bridge | Series-Series | I, II |
| [69] | Full-bridge | Full-bridge | Series-Series | I, II |
| [68] | Full-bridge | Full-bridge | LCL-LCL | I, II |
| [70] | Full-bridge | Full-bridge | LCC-LCC | I, II |
| [66] | Full-bridge | Full-bridge | Series-Series | I, II |
| and DC-DC | ||||
| [73] | Full-bridge | Full-bridge | Series-Series | I, II |
| [59] | Full-bridge | Full-bridge | LCL-LCL | I, II |
| [74] | Full-bridge | Full-bridge | Series-Series | I, II |
| [72] | Four-switch leg | Four-switch leg | Series-Series | All |
| [75] | Full-bridge | Full-bridge | LCL-LCL | All |
Publisher’s Note: MDPI stays neutral with regard to jurisdictional claims in published maps and institutional affiliations. |
© 2021 by the authors. Licensee MDPI, Basel, Switzerland. This article is an open access article distributed under the terms and conditions of the Creative Commons Attribution (CC BY) license (https://creativecommons.org/licenses/by/4.0/).
Share and Cite
Triviño, A.; Gonzalez-Gonzalez, J.M.; Castilla, M. Review on Control Techniques for EV Bidirectional Wireless Chargers. Electronics 2021, 10, 1905. https://doi.org/10.3390/electronics10161905
Triviño A, Gonzalez-Gonzalez JM, Castilla M. Review on Control Techniques for EV Bidirectional Wireless Chargers. Electronics. 2021; 10(16):1905. https://doi.org/10.3390/electronics10161905
Chicago/Turabian StyleTriviño, Alicia, Jose M. Gonzalez-Gonzalez, and Miguel Castilla. 2021. "Review on Control Techniques for EV Bidirectional Wireless Chargers" Electronics 10, no. 16: 1905. https://doi.org/10.3390/electronics10161905
APA StyleTriviño, A., Gonzalez-Gonzalez, J. M., & Castilla, M. (2021). Review on Control Techniques for EV Bidirectional Wireless Chargers. Electronics, 10(16), 1905. https://doi.org/10.3390/electronics10161905

