An 18-Gb/s/pin Single-Ended PAM-4 Transmitter for Memory Interfaces with Adaptive Impedance Matching and Output Level Compensation
Abstract
:1. Introduction
2. Design Considerations
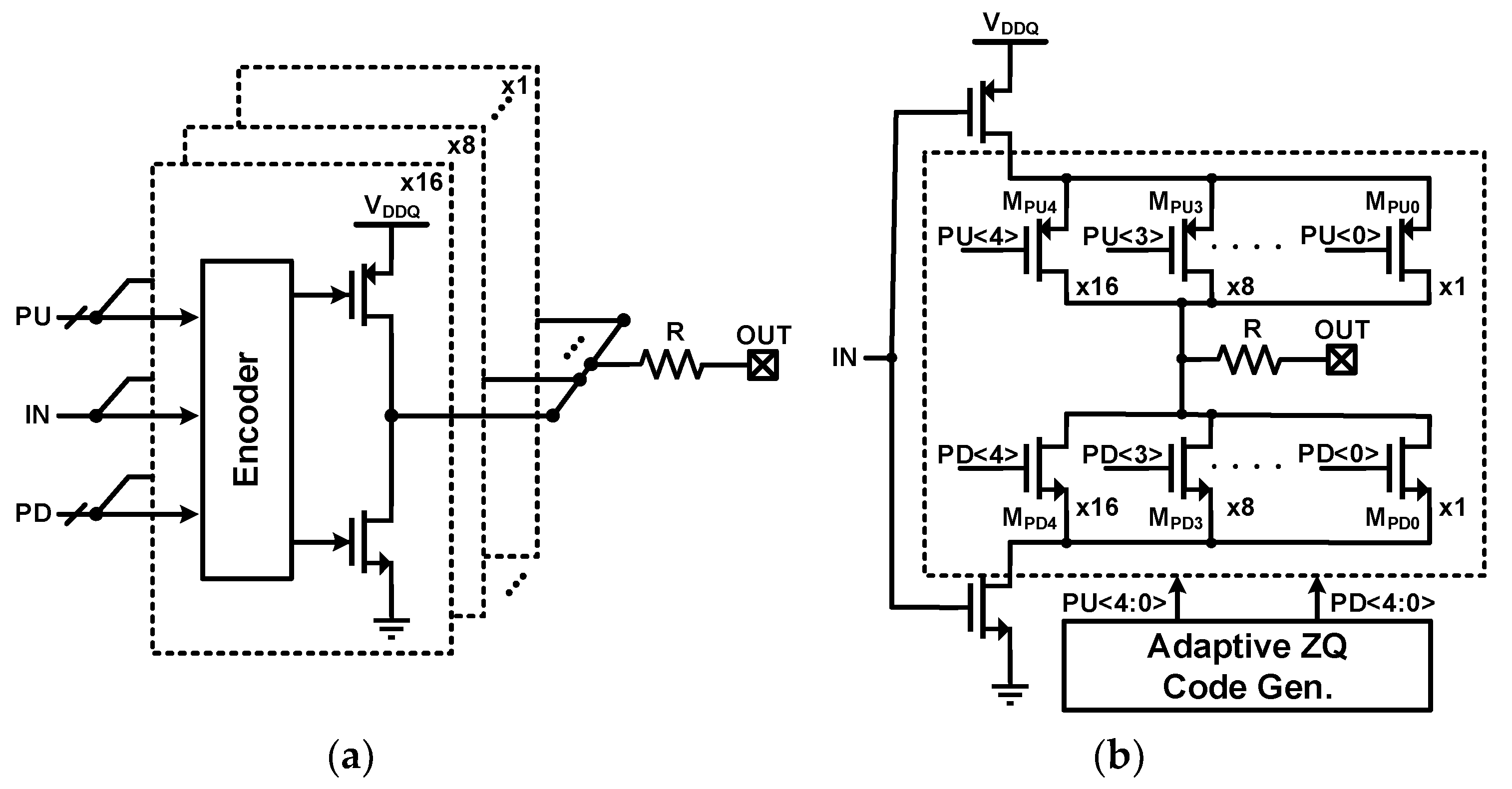
3. Proposed PAM-4 Transmitter
4. Measurement Results
5. Conclusions
Author Contributions
Funding
Acknowledgments
Conflicts of Interest
References
- Ko, H.; Kim, M.; Park, H.; Lee, S.; Kim, J.; Kim, S.; Chae, J.H. A controller PHY for managed DRAM solution with damping-resistor-aided pulse-based feed-forward equalizer. IEEE J. Solid-State Circuits 2021. [Google Scholar] [CrossRef]
- Bae, W. Supply-scalable high-speed I/O interfaces. Electronics 2020, 9, 1315. [Google Scholar] [CrossRef]
- Hollis, T.M.; Stave, E.; Ovard, D.; Greeff, R.; Spirkl, W.; Brox, M.; Taylor, J.; Butterfield, J. Recent evolution in the DRAM interface: Mile-markers along memory lane. IEEE Solid-State Circuits Mag. 2019, 11, 14–30. [Google Scholar] [CrossRef]
- Hollis, T.; Brox, M.; Spirkl, W.; Hein, T.; Ovard, D.; Greeff, R.; Lin, D.; Richter, M.; Mayer, P.; Moden, W.; et al. Achieving 16 Gb/s single-ended signaling in high-performance graphics memory. In Proceedings of the 2018 IEEE Workshop on Microelectronics and Electron Devices (WMED), San Francisco, CA, USA, 5–9 February 2018; pp. 1–5. [Google Scholar]
- Hollis, T.M.; Schneider, R.; Brox, M.; Hein, T.; Spirkl, W.; Bach, M.; Balakrishnan, M.; Dietrich, S.; Funfrock, F.; Ivanov, M.; et al. An 8Gb GDDR6X DRAM achieving 22Gb/s/pin with single-ended PAM-4 signaling. In Proceedings of the 2021 IEEE International Solid-State Circuits Conference (ISSCC), San Francisco, CA, USA, 20–24 February 2021; pp. 348–349. [Google Scholar]
- Zheng, X.; Zhang, C.; Lv, F.; Zhao, F.; Yue, S.; Wang, Z.; Li, F.; Jiang, H.; Wang, Z. A 4–40Gb/s PAM4 transmitter with output linearity optimization in 65nm CMOS. In Proceedings of the 2017 IEEE Custom Integrated Circuits Conference (CICC), Austin, TX, USA, 30 April–3 May 2017; pp. 1–4. [Google Scholar]
- Dikhaminjia, N.; He, J.; Hernandez, E.; Tsiklauri, M.; Drewniak, J.; Chada, A.; Zvonkin, M.; Mutnury, B. High-speed serial link challenges using multi-level signaling. In Proceedings of the 2015 IEEE 24th Electrical Performance of Electronic Packaging and Systems (EPEPS), San Jose, CA, USA, 25–28 October 2015; pp. 57–60. [Google Scholar]
- Upadhyaya, P.; Poon, C.F.; Lim, S.W.; Cho, J.; Roldan, A.; Zhang, W.; Namkoong, J.; Pham, T.; Xu, B.; Lin, W.; et al. A fully adaptive 19–58 Gb/s PAM-4 and 9.5–29 Gb/s NRZ wireline transceiver with configurable ADC in 16-nm FinFET. IEEE J. Solid-State Circuits 2019, 54, 18–28. [Google Scholar] [CrossRef]
- Nazemi, A.; Hu, K.; Catli, B.; Cui, D.; Singh, U.; He, T.; Huang, Z.; Zhang, B.; Momtaz, A.; Cao, J. A 36Gb/s PAM4 transmitter using an 8b 18GS/S DAC in 28nm CMOS. In Proceedings of the 2015 IEEE International Solid-State Circuits Conference (ISSCC), San Francisco, CA, USA, 22–26 February 2015; pp. 58–59. [Google Scholar]
- Bassi, M.; Radice, F.; Bruccoleri, M.; Erba, S.; Mazzanti, A. A High-swing 45 Gb/s hybrid voltage and current-mode PAM-4 transmitter in 28 nm CMOS FDSOI. IEEE J. Solid-State Circuits 2016, 51, 2702–2715. [Google Scholar] [CrossRef]
- Yang, H.; Roshan-Zamir, A.; Song, Y.; Palermo, S. A low-power dual-mode 20-Gb/s NRZ and 28-Gb/s PAM-4 voltage-mode transmitter. In Proceedings of the 2017 IEEE Asian Solid-State Circuits Conference (ASSCC), Seoul, Korea, 6–8 November 2017; pp. 261–264. [Google Scholar]
- Roshan-Zamir, A.; Elhadidy, O.; Yang, H.W.; Palermo, S. A reconfigurable 16/32 Gb/s dual-mode NRZ/PAM4 SerDes in 65nm CMOS. IEEE J. Solid-State Circuits 2017, 52, 2430–2447. [Google Scholar] [CrossRef]
- Jeong, Y.-U.; Park, H.; Hyun, C.; Chae, J.-H.; Jeong, S.-H.; Kim, S. A 0.64-pJ/bit 28-Gb/s/pin high-linearity single-ended PAM-4 transmitter with an impedance-matched driver and three-point ZQ calibration for memory interface. IEEE J. Solid-State Circuits. 2021, 43, 2120–2133. [Google Scholar] [CrossRef]
- Kim, K.; Chae, J.H.; Yang, J.; Kang, J.; Lee, G.; Byeon, S.; Kim, Y.; Kim, B.; Kim, D.H.; Cho, Y.; et al. A 24Gb/s/pin 8Gb GDDR6 with a half-rate daisy-chain-based clocking architecture and IO circuitry for low-noise operation. In Proceedings of the 2021 IEEE Int. Solid-State Circuits Conference (ISSCC), San Francisco, CA, USA, 14–18 February 2021; pp. 344–346. [Google Scholar]
- Lim, B.; Kim, D.; Yoo, C. Voltage-mode PAM4 driver with differential ternary R-2R DAC architecture. Electron. Lett. 2020, 56, 431–432. [Google Scholar] [CrossRef]










| Process | 65 nm CMOS |
|---|---|
| Data Rate | 18 Gb/s/pin |
| Supply | 1.0 V/1.2 V |
| Modulation | PAM-4 |
| Signaling | Single-Ended |
| Driver Type | Voltage-Mode w/Shared R |
| Equalization | 2-Tap FFE (De-Emphasis) |
| Channel Loss @Nyquist | −3.02 dB |
| BER | <10−12 (PRBS-7) |
| RLM | 0.975 (Simulated) 0.971 (Measured) |
| Energy Efficiency | 3.05 pJ/bit/pin (Simulated) 3.09 pJ/bit/pin (Measured) |
| Area | 0.035 mm2 |
| - | [5] ISSCC’21 | [8] JSSC’19 | [11] ASSCC’17 | [12] JSSC’17 | [13] JSSC’21 | [15] EL’20 | This Work |
|---|---|---|---|---|---|---|---|
| Process | 1 ynm DRAM | 16 nm FinFET | 65 nm CMOS | 65 nm CMOS | 65 nm CMOS | 65 nm CMOS | 65 nm CMOS |
| Data Rate (Gb/s/pin) | 22 | 29 | 14 | 16 | 28 | 5 | 18 |
| Supply (V) | 1.35 | 0.85/0.9/1.2/1/8 | 1.0/0.91/0.5 | 1.2 | 1.0/0.6 | 1.0 | 1.0/1.2 |
| Signaling | Single-Ended | Differential | Differential | Differential | Single-Ended | Differential | Single-Ended |
| Level Compensation | ZQ Cal. (Fixed Code) | Impedance Control Loop | Impedance Control Loop | LUT 1 + PseudoAnalog Control Loop | Three-PointZQ Cal. | Impedance Control Loop | Adaptive ZQ Code Gen. |
| Impedance Matching at Four Levels | No | No | No | No | No | No | Yes |
| RLM | N/A | >0.98 | 0.947 | 0.967 | 0.993 | 0.994 | 0.971 |
| pJ/bit/pin | N/A | 1.46 | 1.82 | 9.9 | 0.64 | 1.97 | 3.09 |
| Area (mm2) | 54.7 2 | N/A | 0.06 | 0.06 | 0.0333 | 0.073 | 0.035 |
Publisher’s Note: MDPI stays neutral with regard to jurisdictional claims in published maps and institutional affiliations. |
© 2021 by the authors. Licensee MDPI, Basel, Switzerland. This article is an open access article distributed under the terms and conditions of the Creative Commons Attribution (CC BY) license (https://creativecommons.org/licenses/by/4.0/).
Share and Cite
Hyun, C.; Jeong, Y.-U.; Kim, S.; Chae, J.-H. An 18-Gb/s/pin Single-Ended PAM-4 Transmitter for Memory Interfaces with Adaptive Impedance Matching and Output Level Compensation. Electronics 2021, 10, 1768. https://doi.org/10.3390/electronics10151768
Hyun C, Jeong Y-U, Kim S, Chae J-H. An 18-Gb/s/pin Single-Ended PAM-4 Transmitter for Memory Interfaces with Adaptive Impedance Matching and Output Level Compensation. Electronics. 2021; 10(15):1768. https://doi.org/10.3390/electronics10151768
Chicago/Turabian StyleHyun, Changho, Yong-Un Jeong, Suhwan Kim, and Joo-Hyung Chae. 2021. "An 18-Gb/s/pin Single-Ended PAM-4 Transmitter for Memory Interfaces with Adaptive Impedance Matching and Output Level Compensation" Electronics 10, no. 15: 1768. https://doi.org/10.3390/electronics10151768
APA StyleHyun, C., Jeong, Y.-U., Kim, S., & Chae, J.-H. (2021). An 18-Gb/s/pin Single-Ended PAM-4 Transmitter for Memory Interfaces with Adaptive Impedance Matching and Output Level Compensation. Electronics, 10(15), 1768. https://doi.org/10.3390/electronics10151768

