TSPEM Parameter Extraction Method and Its Applications in the Modeling of Planar Schottky Diode in THz Band
Abstract
:1. Introduction
2. Methods
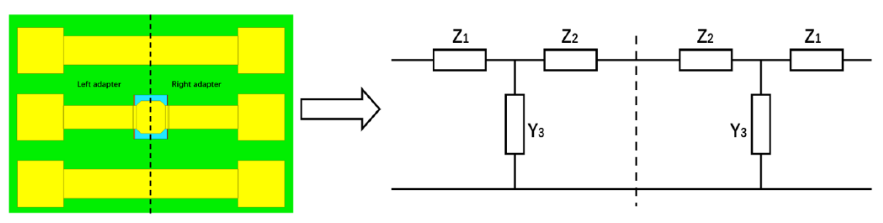
2.1. Peripheral Structure De-Embedding
2.2. Parasitic Research
2.2.1. Step 1—Parasitic Capacitance Extraction
2.2.2. Step 2—Parasitic Resistance Extraction
2.2.3. Step 3—Parasitic Inductance Extraction
2.2.4. Step 4 —Intrinsic Parameter Extraction
3. Results and Discussion
4. Application
5. Conclusions
Author Contributions
Funding
Conflicts of Interest
References
- Dhillon, S.S.; Vitiello, M.S.; Linfield, E.H.; Davies, A.G.; Hoffmann, M.C.; Booske, J.; Paoloni, C.; Gensch, M.; Weightman, P.; Williams, G.P.; et al. The 2017 terahertz science and technology roadmap. J. Phys. D Appl. Phys. 2017, 50. [Google Scholar] [CrossRef]
- Siegel, P.H. Terahertz Technology. IEEE Trans. Microw. Theory Tech. 2002, 50, 910–928. [Google Scholar] [CrossRef]
- Mehdi, I.; Siles, J.V.; Lee, C.; Schlecht, E. THz Diode Technology: Status, Prospects, and Applications. Proc. IEEE. 2017, 105, 990–1007. [Google Scholar] [CrossRef]
- Crowe, T.W.; Bishop, W.L.; Porterfield, D.W.; Hesler, J.L.; Weikle, R.M. Opening the terahertz window with integrated diode circuits. IEEE J. Solid State Circuits 2005, 40, 2104–2110. [Google Scholar] [CrossRef]
- Siles, J.V.; Grajal, J. Physics-Based Design and Optimization of Schottky Diode Frequency Multipliers for Terahertz Applications. IEEE Trans. Microw. Theory Tech. 2010, 58, 1933–1942. [Google Scholar] [CrossRef]
- Hesler, J.L.; Hall, W.R. Fixed-Tuned Submillimeter Wavelength Waveguide Mixers Using Planar Schottky-Barrier Diodes. IEEE Trans. Microw. Theory Tech. 1997, 45, 653–658. [Google Scholar] [CrossRef]
- Song, H.J.; Nagatsuma, T. Handbook of Terahertz Technologies: Devices and Applications; Kangogaku Zasshi; CRC Press: Boca Raton, FL, USA, 2015; pp. 101–131. [Google Scholar]
- Hesler, J.L. Planar Schottky Diodes in Submillimeter-Wavelength Waveguide Receivers. Ph.D. Dissertation, University of Virginia, Charlottesville, VA, USA, January 1996. [Google Scholar]
- Zhang, Y.; Zhong, W.; Ren, T.; Chen, Y.; Yan, B.; Xu, R. A 220 GHz frequency tripler based on 3D electromagnetic model of the schottky diode and the field circuit co-simulation method. Microw. Opt. Technol. Lett. 2016, 58, 1647–1651. [Google Scholar] [CrossRef]
- Wu, C.; Zhang, Y.; Cui, J.; Li, Y.; Xu, Y.; Xu, R. A 135-190 GHz Broadband Self-Biased Frequency Doubler using Four-Anode Schottky Diodes. Micromachines 2019, 10, 277. [Google Scholar] [CrossRef] [PubMed] [Green Version]
- Jiang, J.; Lu, B.; Miao, L.; He, Y.; Shi, X.; Tian, Y.; Hao, H.; Chen, F.; Deng, X.; Zhang, J. Single-Stage Frequency Quadrupler With SBD and Four-Octave LPF at 335 GHz. IEEE Trans. Terahertz Sci. Technol. 2017, 7, 446–454. [Google Scholar] [CrossRef]
- Yan, B.; Ren, T.; Wu, C.; Wei, H.; Wang, L.; Li, Y.; Xu, R.; Zhang, Y. A 140 GHz high efficiency frequency doubler based on a physical-based SDD model of SBD. Int. J. Circuit Theory Appl. 2021, 49, 1378–1389. [Google Scholar] [CrossRef]
- Qi, L.; Meng, J.; Liu, X.; Yang, C.; Zhou, J.; Zhang, D.; Jin, Z. Design of a Schottky Metal-Brim Structure to Optimize 180–220 GHz Broadband Frequency Doubler MMIC. Electronics 2020, 9, 715. [Google Scholar] [CrossRef]
- Meng, J.; Qi, L.; Liu, X.; Zhou, J.; Zhang, D.; Jin, Z. The Design of Terahertz Monolithic Integrated Frequency Multipliers Based on Gallium Arsenide Material. Micromachines 2020, 11, 336. [Google Scholar] [CrossRef] [PubMed] [Green Version]
- Doo, J.; Kim, J.; Jeong, J. D-Band Frequency Tripler Module Using Anti-Parallel Diode Pair and Waveguide Transitions. Electronics 2020, 9, 1201. [Google Scholar] [CrossRef]
- Zhang, B.; Zhang, Y.; Pan, L.; Li, Y.; Cui, J.; Xu, R.; Yan, B. A 560 GHz Sub-Harmonic Mixer Using Half-Global Design Method. Electronics 2021, 10, 234. [Google Scholar] [CrossRef]
- Guo, C.; Shang, X.; Lancaster, M.J.; Xu, J.; Powell, J.; Wang, H.; Parow-Souchon, K.; Henry, M.; Viegas, C.; Alderman, B.; et al. A 290–310 GHz Single Sideband Mixer With Integrated Waveguide Filters. IEEE Trans. Terahertz Sci. Technol. 2018, 8, 446–454. [Google Scholar] [CrossRef] [Green Version]
- He, Y.; Tian, Y.; Miao, L.; Jiang, J.; Deng, X.J. A Broadband 630-720 GHz Schottky Based Sub-Harmonic Mixer Using Intrinsic Resonances of Hammer-Head Filter. China Commun. 2019, 16, 76–84. [Google Scholar]
- Ji, D.; Zhang, B.; Yang, Y.; Niu, Z.; Chen, X. A 220-GHz Third-Harmonic Mixer Based on Balanced Structure and Hybrid Transmission Line. IEEE Access 2019, 7, 50007–50011. [Google Scholar] [CrossRef]
- Schiselski, M.; Laabs, M.; Neumann, N.; Kovalev, S.; Plettemeier, D. A planar Schottky diode based integrated THz detector for fast electron pulse diagnostics. In Proceedings of the 2016 IEEE MTT-S International Microwave Symposium (IMS), San Francisco, CA, USA, 22–27 May 2016. [Google Scholar]
- Ederra, I.; Gonzalo, R.; Martinez, B.; Alderman, B.E.J. Design and Test of a 0.5 THz Dipole Antenna With Integrated Schottky Diode Detector on a High Dielectric Constant Ceramic Electromagnetic Bandgap Substrate. IEEE Trans. Terahertz Sci. Technol. 2013, 3, 584–593. [Google Scholar] [CrossRef]
- Zhang, B.; Ji, D.; Fang, D.; Liang, S.; Fan, Y.; Chen, X. A Novel 220-GHz GaN Diode On-Chip Tripler With High Driven Power. IEEE Electron Device Lett. 2019, 40, 780–783. [Google Scholar] [CrossRef]
- Liang, S.; Song, X.; Zhang, L.; Lv, Y.; Wang, Y.; Wei, B.; Guo, Y.; Wang, B.; Cai, S.; Feng, Z. A 177–183 GHz High-Power GaN-Based Frequency Doubler With Over 200 mW Output Power. IEEE Electron Device Lett. 2020, 41, 669–672. [Google Scholar] [CrossRef]
- Tiemeijer, L.F.; Havens, R.J. A calibrated lumped-element de-embedding technique for on-wafer RF characterization of high-quality inductors and high-speed transistors. IEEE Trans. Electron Devices 2003, 50, 822–829. [Google Scholar] [CrossRef]
- Bu, Q.; Li, N.; Okada, K.; Matsuzawa, A. Evaluation of L-2L De-Embedding Method Considering Misalignment of Contact Position for Millimeter-Wave CMOS Circuit Design. IEICE Trans. Electron. 2012, 95, 942–948. [Google Scholar] [CrossRef]
- Mangan, A.M.; Voinigescu, S.P.; Yang, M.T.; Tazlauanu, M. De-embedding transmission line measurements for accurate modeling of IC designs. IEEE Trans. Electron Devices 2006, 53, 235–241. [Google Scholar] [CrossRef] [Green Version]
- Maestrini, A.; Thomas, B.; Hui, W.; Jung, C.; Treuttel, J.; Jin, Y.; Chattopadhyay, G.; Mehdi, I.; Beaudin, G. Schottky diode-based terahertz frequency multipliers and mixers. Comptes Rendus Phys. 2010, 11, 480–495. [Google Scholar] [CrossRef]












| Parameters | Value |
|---|---|
| Intrinsic junction capacitance, Cj0 | 5.9 fF (2 μm), 11.7 fF (3 μm), 20.0 fF (4 μm), 31.6 fF (5 μm) |
| pad to pad capacitance, Cpp | 7.2 fF |
| finger to pad capacitance, Cfp | 2.7 fF |
| finger inductance, Lf | 35.5 pH |
| finger resistance, Rf | 0.25 Ω |
| cathode series resistance, Rs | 6.51 Ω (2 μm), 6.14Ω (3 μm), 5.41 Ω (4 μm), 5.05 Ω (5 μm) |
Publisher’s Note: MDPI stays neutral with regard to jurisdictional claims in published maps and institutional affiliations. |
© 2021 by the authors. Licensee MDPI, Basel, Switzerland. This article is an open access article distributed under the terms and conditions of the Creative Commons Attribution (CC BY) license (https://creativecommons.org/licenses/by/4.0/).
Share and Cite
Liu, X.; Zhang, Y.; Wang, H.; Qi, L.; Wang, B.; Zhou, J.; Ding, W.; Jin, Z.; Xiao, F. TSPEM Parameter Extraction Method and Its Applications in the Modeling of Planar Schottky Diode in THz Band. Electronics 2021, 10, 1540. https://doi.org/10.3390/electronics10131540
Liu X, Zhang Y, Wang H, Qi L, Wang B, Zhou J, Ding W, Jin Z, Xiao F. TSPEM Parameter Extraction Method and Its Applications in the Modeling of Planar Schottky Diode in THz Band. Electronics. 2021; 10(13):1540. https://doi.org/10.3390/electronics10131540
Chicago/Turabian StyleLiu, Xiaoyu, Yong Zhang, Haoran Wang, Luwei Qi, Bo Wang, Jingtao Zhou, Wuchang Ding, Zhi Jin, and Fei Xiao. 2021. "TSPEM Parameter Extraction Method and Its Applications in the Modeling of Planar Schottky Diode in THz Band" Electronics 10, no. 13: 1540. https://doi.org/10.3390/electronics10131540
APA StyleLiu, X., Zhang, Y., Wang, H., Qi, L., Wang, B., Zhou, J., Ding, W., Jin, Z., & Xiao, F. (2021). TSPEM Parameter Extraction Method and Its Applications in the Modeling of Planar Schottky Diode in THz Band. Electronics, 10(13), 1540. https://doi.org/10.3390/electronics10131540

