LED Rail Signals: Full Hardware Realization of Apparatus with Independent Intensity by Temperature Changes
Abstract
1. Introduction
2. Light Signals: Thermal Effect
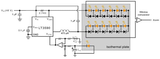
3. Circuit Solution
4. Experimental Results
5. Conclusions
Author Contributions
Funding
Conflicts of Interest
References
- Traffic Control Equipment—Signal Heads, en 12368:2015. Available online: https://www.en-standard.eu/bs-en-12368-2015-traffic-control-equipment.-signal-heads/ (accessed on 10 April 2021).
- Commission Internationale de l’Eclairage (CIE). Colorimetry, 3rd ed.; CIE: Vienna, Austria, 2018. [Google Scholar] [CrossRef]
- UNIFER 9296, Colore dei Segnali Luminosi Ferroviari. 1988. Available online: https://www.rfi.it/it/Sicurezza-e-tecnologie/norme-di-esercizio.html (accessed on 21 May 2021).
- Li, S.S. Light-Emitting Devices. In Semiconductor Physical Electronics; Springer Science and Business Media LLC.: Berlin/Heidelberg, Germany, 2007; pp. 458–512. [Google Scholar]
- Zhu, D.; Humphreys, C.J. Solid-State Lighting Based on Light Emitting Diode Technology. In Optics in Our Time; Metzler, J.B., Ed.; Springer: Cham, Switzerland, 2016; pp. 87–118. [Google Scholar]
- Krames, M.R.; Shchekin, O.B.; Mueller-Mach, R.; Mueller, G.O.; Zhou, L.; Harbers, G.; Craford, M.G. Status and Future of High-Power Light-Emitting Diodes for Solid-State Lighting. J. Disp. Technol. 2007, 3, 160–175. [Google Scholar] [CrossRef]
- Mukai, T.; Yamada, M.; Nakamura, S. Characteristics of InGaN-Based UV/Blue/Green/Amber/Red Light-Emitting Diodes. Jpn. J. Appl. Phys. 1999, 38, 3976–3981. [Google Scholar] [CrossRef]
- Mills, A. Phosphors development for LED lighting. III-Vs Rev. 2005, 18, 32–34. [Google Scholar] [CrossRef]
- Meneghini, M.; Trevisanello, L.-R.; Meneghesso, G.; Zanoni, E. A Review on the Reliability of GaN-Based LEDs. IEEE Trans. Device Mater. Reliab. 2008, 8, 323–331. [Google Scholar] [CrossRef]
- Meneghesso, G.; Meneghini, M.; Zanoni, E. Recent results on the degradation of white LEDs for lighting. J. Phys. D Appl. Phys. 2010, 43, 354007. [Google Scholar] [CrossRef]
- Meneghini, M.; Lago, M.D.; Trivellin, N.; Meneghesso, G.; Zanoni, E. Thermally Activated Degradation of Remote Phosphors for Application in LED Lighting. IEEE Trans. Device Mater. Reliab. 2012, 13, 316–318. [Google Scholar] [CrossRef]
- Grossman, H.; Lambertville, N.J. LED Driving Circuitry with Light Intensity Feedback to Control Output Light Intensity of an LED. U.S. Patent 6,153,985, 28 November 2000. Available online: https://www.google.com/patents/US6153985 (accessed on 10 April 2021).
- Wu, C.H.; Chuang, H.J. LED Power Supply with Temperature Compensation. U.S. Patent 6,111,739, 29 August 2000. Available online: https://www.google.com/patents/US6111739 (accessed on 10 April 2021).
- Papalillo, D.; Del Vecchio, P.; Spagnolo, G.S. LED Applications in Road and Railway Signals: Is It Possible to Fit Specifications. In Photonics, Devices, and Systems V; International Society for Optics and Photonics: Bellingham, WA, USA, 2011; Volume 8306. [Google Scholar] [CrossRef]
- Spagnolo, G.S.; Papalillo, D.; Martocchia, A. Light emitting diode in stationary transportation applications: Wavelength response to varying temperature. In Proceedings of the Light-Emitting Diodes: Materials, Devices, and Applications for Solid State Lighting XVI, San Francisco, CA, USA, 21–26 January 2012; Volume 8278. [Google Scholar] [CrossRef]
- Spagnolo, G.S.; Papalillo, D.; Martocchia, A.; Makary, G. Application of LEDs to traffic signal. In Proceedings of the 11th International Conference on Environment and Electrical Engineering, Venice, Italy, 18–25 May 2012; pp. 864–868. [Google Scholar]
- Spagnolo, G.S.; Papalillo, D.; Malta, C.; Vinzani, S. Led railway signal vs full compliance with colorimetric specifications. Int. J. Transp. Dev. Integr. 2017, 1, 568–577. [Google Scholar] [CrossRef]
- Bera, S.; Singh, R.; Garg, V. Temperature behavior and compensation of light-emitting diode. IEEE Photonics Technol. Lett. 2005, 17, 2286–2288. [Google Scholar] [CrossRef]
- OptoSemicondutors OSRAM, LS E6SF Datasheet. Available online: https://dammedia.osram.info/media/resource/hires/osram-dam-6811438/LY%20E6SF_EN.pdf (accessed on 10 April 2021).
- OSRAM, LED ColorCalculator. Available online: https://www.osram.us/cb/tools-and-resources/applications/led-colorcalculator/index.jsp (accessed on 21 May 2021).
- Gibson, K.; Haupt, G.; Keegan, H. Specification of railroad signal colors and glasses. J. Res. Natl. Inst. Stand. Technol. 1946, 36, 1–30. [Google Scholar] [CrossRef] [PubMed]
- RailCorp. SPG 157 Specification Light Signals, July 2019. Available online: https://www.transport.nsw.gov.au/industry/asset-standards-authority/find-a-standard/light-signals-15 (accessed on 21 May 2021).
- Sclar, N.; Pollock, D. On diode thermometers. Solid-State Electron. 1972, 15, 473–480. [Google Scholar] [CrossRef]
- Acharya, Y.B.; Vyavahare, P.D. Study on the temperature sensing capability of a light-emitting diode. Rev. Sci. Instrum. 1997, 68, 4465–4467. [Google Scholar] [CrossRef]
- Iskrenovic, P.S. Systematic error of diode thermometer. Rev. Sci. Instrum. 2009, 80, 084901. [Google Scholar] [CrossRef] [PubMed]
- Linear Technology LED Driver LT3590 Datasheet. Available online: https://www.analog.com/media/en/technical-documentation/data-sheets/3590f.pdf (accessed on 10 April 2021).
- Texas Instruments INA122 Instrumentation Amplifier Datasheet. Available online: https://www.ti.com/lit/ds/symlink/ina122.pdf?ts=1621628908085&ref_url=https%253A%252F%252Fwww.ti.com%252Fproduct%252FINA122 (accessed on 10 April 2021).
- Texas Instruments, Adjustable Reference Voltage Circuit. Available online: https://www.ti.com/lit/an/sboa246/sboa246.pdf?ts=1621630715400&ref_url=https%253A%252F%252Fwww.google.it%252F (accessed on 10 April 2021).















Publisher’s Note: MDPI stays neutral with regard to jurisdictional claims in published maps and institutional affiliations. |
© 2021 by the authors. Licensee MDPI, Basel, Switzerland. This article is an open access article distributed under the terms and conditions of the Creative Commons Attribution (CC BY) license (https://creativecommons.org/licenses/by/4.0/).
Share and Cite
Schirripa Spagnolo, G.; Leccese, F. LED Rail Signals: Full Hardware Realization of Apparatus with Independent Intensity by Temperature Changes. Electronics 2021, 10, 1291. https://doi.org/10.3390/electronics10111291
Schirripa Spagnolo G, Leccese F. LED Rail Signals: Full Hardware Realization of Apparatus with Independent Intensity by Temperature Changes. Electronics. 2021; 10(11):1291. https://doi.org/10.3390/electronics10111291
Chicago/Turabian StyleSchirripa Spagnolo, Giuseppe, and Fabio Leccese. 2021. "LED Rail Signals: Full Hardware Realization of Apparatus with Independent Intensity by Temperature Changes" Electronics 10, no. 11: 1291. https://doi.org/10.3390/electronics10111291
APA StyleSchirripa Spagnolo, G., & Leccese, F. (2021). LED Rail Signals: Full Hardware Realization of Apparatus with Independent Intensity by Temperature Changes. Electronics, 10(11), 1291. https://doi.org/10.3390/electronics10111291
