Research on Decarburization of Offshore Platforms Based on Membrane–Cryogenic Distillation Coupling Technology
Abstract
1. Introduction
2. Experiment
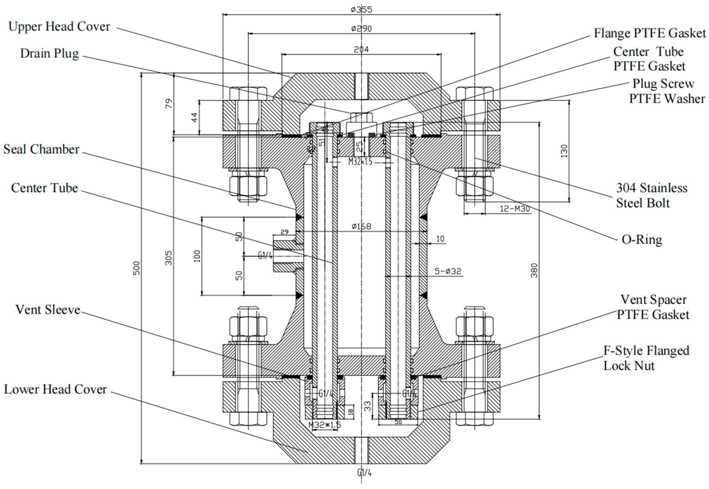
2.1. Experimental Device
2.2. Experimental Principle
2.3. Experimental Procedure
3. Experimental Results
3.1. Experimental Results and Analysis of Decarburization by Membrane
3.1.1. Effect of Temperature on Membrane Separation Method
3.1.2. Effect of Carbon Dioxide Concentration on Membrane Separation
3.1.3. Effect of Pressure on Membrane Separation
3.2. Experimental Results and Analysis of Low-Temperature Fractionation Method
3.2.1. Effect of Temperature on Cryogenic Fractionation
3.2.2. Effect of Pressure on Cryogenic Fractionation
3.2.3. Effect of Carbon Dioxide Concentration on Cryogenic Fractionation
3.3. Experimental Results and Analysis of Membrane–Cryogenic Distillation Temperature Coupling Decarburization
3.3.1. Effect of Liquefaction Temperature on Membrane–Cryogenic Coupling Decarburization Results
3.3.2. Effect of Liquefaction Pressure on Membrane–Cryogenic Coupling Decarburization Results
3.3.3. Effect of Tower Top Temperature on Membrane-Cryogenic Coupling Decarburization Results
3.3.4. Effect of Kettle Temperature on Membrane–Cryogenic Distillation Coupling Decarburization Results
3.3.5. Membrane–Cryogenic Coupling Energy Consumption Analysis
4. Conclusions
Author Contributions
Funding
Data Availability Statement
Conflicts of Interest
References
- Tetley, M.J.; Braulik, G.T.; Lanfredi, C.; Minton, G.; Panigada, S.; Politi, E.; Zanardelli, M.; di Sciara, G.N.; Hoyt, E. The important marine mammal area network: A tool for systematic spatial planning in response to the marine mammal habitat conservation crisis. Front. Mar. Sci. 2022, 9, 841789. [Google Scholar] [CrossRef]
- Yang, Y.; Yan, F.; Yang, Y.; Chen, Y. Evaluating provincial carbon emission characteristics under China’s carbon peaking and carbon neutrality goals. Ecol. Indic. 2023, 156, 111146. [Google Scholar] [CrossRef]
- Lin, B. China’s high-quality economic growth in the process of carbon neutrality. China Finance Econ. Rev. 2022, 11, 3–22. [Google Scholar] [CrossRef]
- International Energy Agency. CO2 Emissions in 2022 [Report]; IEA: Paris, France, 2023; Available online: https://www.iea.org/reports/CO2-emissions-in-2022 (accessed on 9 May 2025).
- Li, B.; Guo, Z.; Zheng, L.; Du, M.; Han, J.; Yang, C. Effect of modified EVA-GMX bionic nanocomposite pour point depressants on the rheological properties of waxy crude oil. Fuel 2026, 403, 136025. [Google Scholar] [CrossRef]
- Acevedo Blanco, V.L.; Gallo, W.L.R. Diagnosis of GHG Emissions in an Offshore Oil and Gas Production Facili-ty. Gases 2024, 4, 351–370. [Google Scholar] [CrossRef]
- Zhang, C.; Sheng, M.; Hu, Y.; Yuan, Y.; Kang, Y.; Sun, X.; Wang, T.; Li, Q.; Zhao, X.; Wang, Z. Efficient facilitated transport polymer membrane for CO2/CH4 separation from oilfield associated gas. Membranes 2021, 11, 118. [Google Scholar] [CrossRef]
- Liu, Z.; Sun, G.; Chen, Z.; Ma, Y.; Qiu, K.; Li, M.; Ni, B.-J. Anchoring Cu-N active sites on functionalized polyacrylonitrile fibers for highly selective H2S/CO2 separation. J. Hazard. Mater. 2023, 450, 131084. [Google Scholar] [CrossRef]
- Wang, S.; Li, X.; Wu, H.; Tian, Z.; Xin, Q.; He, G.; Peng, D.; Chen, S.; Yin, Y.; Jiang, Z.; et al. Advances in high permeability polymer-based mem-brane materials for CO2 separations. Energy Environ. Sci. 2016, 9, 1863–1890. [Google Scholar] [CrossRef]
- Burkett, V. Global climate change implications for coastal and offshore oil and gas development. Energy Policy 2011, 39, 7719–7725. [Google Scholar] [CrossRef]
- Dong, J.; Asif, Z.; Shi, Y.; Zhu, Y.; Chen, Z. Climate change impacts on coastal and offshore petroleum infrastructure and the associated oil spill risk: A review. J. Mar. Sci. Eng. 2022, 10, 849. [Google Scholar] [CrossRef]
- Grainger, D.; Bindingsbø, A.; Brekke, O.; De Koeijer, G.; Nilssen, O.; Pettersen, J. Reducing CO2 Emissions from Offshore Oil and Gas Production. In Proceedings of the 15th Greenhouse Gas Control Technologies Conference, Abu Dhabi, United Arab Emirates, 15–18 March 2021; pp. 15–18. [Google Scholar]
- Dou, L.; Sun, L.; Lyu, W.; Wang, M.; Gao, F.; Gao, M.; Jiang, H. Trend of global carbon dioxide capture, utilization and storage industry and challenges and countermeasures in China. Pet. Explor. Dev. 2023, 50, 1246–1260. [Google Scholar] [CrossRef]
- Tao, M.; Xu, N.; Gao, J.; Zhang, W.; Li, Y.; Bernards, M.T.; Shi, Y.; He, Y.; Pan, H. Phase-change mechanism for capturing CO2 into an environmentally benign nonaqueous solution: A combined NMR and molecular dynamics simulation study. Energy Fuels 2018, 33, 474–483. [Google Scholar] [CrossRef]
- Kothandaraman, A. Carbon Dioxide Capture by Chemical Absorption: A Solvent Comparison Study. Ph.D. Thesis, Massachusetts Institute of Technology, Cambridge, MA, USA, 2010. [Google Scholar]
- Li, S.; Wu, N.; Gong, Y.; Wang, L. Progress of research on purification of CH4 from a CH4/CO2/N2 mixture by pressure swing adsorption. Sustain. Energy Fuels 2024, 8, 5077–5090. [Google Scholar] [CrossRef]
- Hasan, H.F.; Al-Sudani, F.T.; Albayati, T.M.; Salih, I.K.; Hharah, H.N.; Majdi, H.S.; Saady, N.M.C.; Zendehboudi, S.; Amari, A.; Gheni, S.A. Solid adsorbent material: A review on trends of post-combustion CO2 capture. Process Saf. Environ. Prot. 2024, 182, 975–988. [Google Scholar] [CrossRef]
- Yin, N.-H.; Louvat, P.; Thibault-De-Chanvalon, A.; Sebilo, M.; Amouroux, D. Iron isotopic fractionation driven by low-temperature biogeochemical processes. Chemosphere 2023, 316, 137802. [Google Scholar] [CrossRef] [PubMed]
- Wang, H.; Song, S.; Zhang, Z.; Xin, L.; Wang, T.; Wang, L. A novel process of low-temperature fractionation combined with extractive distillation for H2S removal from natural gas. Sep. Purif. Technol. 2022, 302, 122102. [Google Scholar] [CrossRef]
- Kotowicz, J.; Chmielniak, T.; Janusz-Szymańska, K. The influence of membrane CO2 separation on the efficiency of a coal-fired power plant. Energy 2010, 35, 841–850. [Google Scholar] [CrossRef]
- Li, B.; Qi, B.; Han, J.; Qian, X.; Yang, C.; Cai, S. Separation of oil–water emulsion by biomimetic polycaprolactone tannic acid hydrophilic modified membranes. Fuel 2025, 386, 134242. [Google Scholar] [CrossRef]
- Li, B.; Qian, X.; Han, J.; Qi, B.; Yang, C.; Jiao, T. A mussel bionic-inspired membrane based on modified waste masks for oily wastewater treatment. Colloids Surf. A Physicochem. Eng. Asp. 2024, 708, 136066. [Google Scholar] [CrossRef]
- Zheng, Y.; He, S.; Gao, L.; Li, S. Analysis and evaluation of the energy saving potential of the CO2 chemical absorption process. Int. J. Greenh. Gas Control 2021, 112, 103486. [Google Scholar] [CrossRef]
- Kopac, T. Emerging applications of process intensification for enhanced separation and energy efficiency, environmentally friendly sustainable adsorptive separations: A review. Int. J. Energy Res. 2021, 45, 15839–15856. [Google Scholar] [CrossRef]
- Song, C.; Liu, Q.; Deng, S.; Li, H.; Kitamura, Y. Cryogenic-based CO2 capture technologies: State-of-the-art developments and current challenges. Renew. Sustain. Energy Rev. 2019, 101, 265–278. [Google Scholar] [CrossRef]
- Liang, B.; He, X.; Hou, J.; Li, L.; Tang, Z. Membrane separation in organic liquid: Technologies, achievements, and opportunities. Adv. Mater. 2019, 31, e1806090. [Google Scholar] [CrossRef] [PubMed]
- Belaissaoui, B.; Le Moullec, Y.; Willson, D.; Favre, E. Hybrid membrane cryogenic process for post-combustion CO2 capture. J. Membr. Sci. 2012, 415, 424–434. [Google Scholar] [CrossRef]
- Zeng, L.; Liu, Q.; Luo, L.; Liu, L.; Tang, K. Enhancement mechanism of an improved liquid membrane using selective permeation retardant for heavy metal ions separation. Chem. Eng. Sci. 2019, 201, 1–14. [Google Scholar] [CrossRef]
- Berstad, D.; Anantharaman, R.; Nekså, P. Low-temperature CO2 capture technologies–Applications and potential. Int. J. Refrig. 2013, 36, 1403–1416. [Google Scholar] [CrossRef]
- Kalmykov, D.; Balynin, A.; Yushkin, A.; Grushevenko, E.; Sokolov, S.; Malakhov, A.; Volkov, A.; Bazhenov, S. Membranes based on PTMSP/PVTMS blends for membrane contactor applications. Membranes 2022, 12, 1160. [Google Scholar] [CrossRef]
- Scholes, C.A.; Kanehashi, S.; Stevens, G.W.; Kentish, S.E. Water permeability and competitive permeation with CO2 and CH4 in perfluorinated polymeric membranes. Sep. Purif. Technol. 2015, 147, 203–209. [Google Scholar] [CrossRef]
- Bi, Y.; Ju, Y. Review on cryogenic technologies for CO2 removal from natural gas. Front. Energy 2022, 16, 793–811. [Google Scholar] [CrossRef]
- Yang, W.; Li, S.; Li, X.; Liang, Y.; Zhang, X. Analysis of a new liquefaction combined with desublimation system for CO2 separation based on N2/CO2 phase equilibrium. Energies 2015, 8, 9495–9508. [Google Scholar] [CrossRef]
- Wang, K.; Xia, M.; Yao, Q.-F.; Xie, Y.-X.; Zhong, L.; Li, Y.-Z.; Yang, W.; Luo, Y.-J. Low-temperature rheological properties and viscosity equation of Al/HTPB suspension system. Energetic Mater. Front. 2024, 5, 96–104. [Google Scholar] [CrossRef]
- Baik, W.; Yun, R. In-tube condensation heat transfer characteristics of CO2 with N2 at near critical pressure. Int. J. Heat Mass Transf. 2019, 144, 118628. [Google Scholar] [CrossRef]




















| Number | CO2 (%) | CH4 (%) | N2 (%) |
|---|---|---|---|
| 1 | 30 | 56 | 14 |
| 2 | 40 | 48 | 12 |
| 3 | 50 | 40 | 10 |
| 4 | 60 | 32 | 8 |
| 5 | 70 | 24 | 6 |
Disclaimer/Publisher’s Note: The statements, opinions and data contained in all publications are solely those of the individual author(s) and contributor(s) and not of MDPI and/or the editor(s). MDPI and/or the editor(s) disclaim responsibility for any injury to people or property resulting from any ideas, methods, instructions or products referred to in the content. |
© 2025 by the authors. Licensee MDPI, Basel, Switzerland. This article is an open access article distributed under the terms and conditions of the Creative Commons Attribution (CC BY) license (https://creativecommons.org/licenses/by/4.0/).
Share and Cite
Meng, L.; Chen, Y.; Wu, X.; Chen, P.; Liu, J.; Pan, Z. Research on Decarburization of Offshore Platforms Based on Membrane–Cryogenic Distillation Coupling Technology. Coatings 2025, 15, 1272. https://doi.org/10.3390/coatings15111272
Meng L, Chen Y, Wu X, Chen P, Liu J, Pan Z. Research on Decarburization of Offshore Platforms Based on Membrane–Cryogenic Distillation Coupling Technology. Coatings. 2025; 15(11):1272. https://doi.org/10.3390/coatings15111272
Chicago/Turabian StyleMeng, Longqi, Yibin Chen, Xuanzhang Wu, Panpan Chen, Jie Liu, and Zhen Pan. 2025. "Research on Decarburization of Offshore Platforms Based on Membrane–Cryogenic Distillation Coupling Technology" Coatings 15, no. 11: 1272. https://doi.org/10.3390/coatings15111272
APA StyleMeng, L., Chen, Y., Wu, X., Chen, P., Liu, J., & Pan, Z. (2025). Research on Decarburization of Offshore Platforms Based on Membrane–Cryogenic Distillation Coupling Technology. Coatings, 15(11), 1272. https://doi.org/10.3390/coatings15111272
