High-Performance UV–Visible Broad Spectral Phototransistors Based on CuPc/Cs3Bi2I9 Heterojunction
Abstract
1. Introduction
2. Materials and Methods
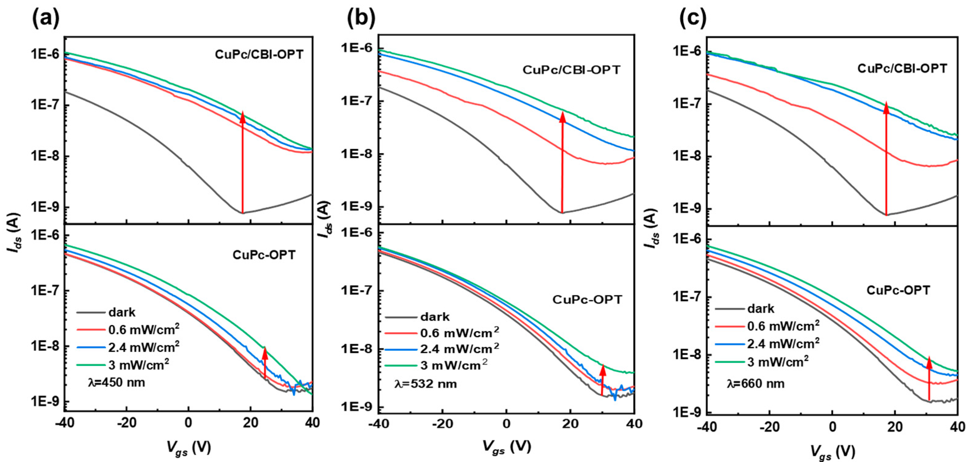
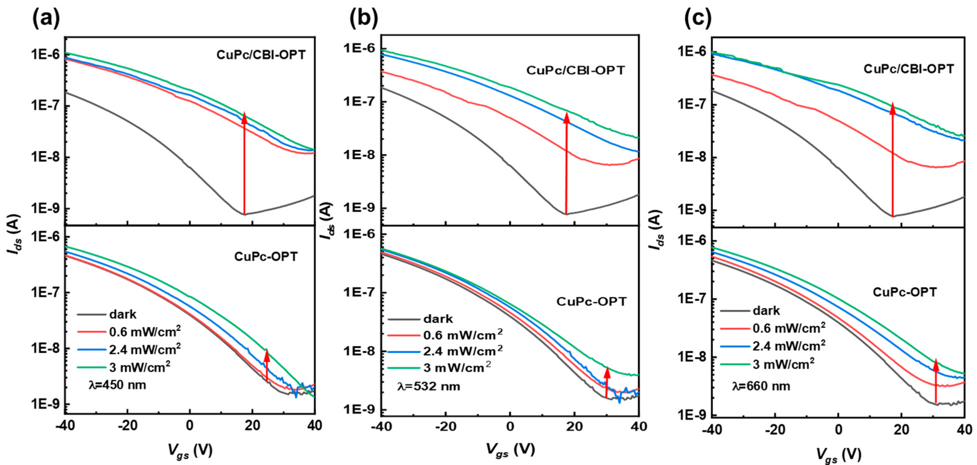
3. Results
4. Conclusions
Author Contributions
Funding
Institutional Review Board Statement
Informed Consent Statement
Data Availability Statement
Conflicts of Interest
References
- Hou, Q.; Liu, K.; Chen, X.; Yang, J.; Ai, Q.; Cheng, Z.; Zhu, Y.; Li, B.; Liu, L.; Shen, D. Effects of Mg Component Ratio on Photodetection Performance of MgGa2O4 Solar-Blind Ultraviolet Photodetectors. Phys. Status Solidi (RRL) Rapid Res. Lett. 2022, 16, 2200137. [Google Scholar] [CrossRef]
- Wang, Z.; Liu, J.; Liu, X.; Jin, J.; Liu, H.; Peng, K.; Peng, Z.; Wei, H.; Chu, W.; Fan, W.; et al. Template-Guided C8-BTBT/MAPbBr3/C8-BTBT Heterostructures for Broadband Bipolar Phototransistors. Adv. Mater. Interfaces 2022, 9, 2102344. [Google Scholar] [CrossRef]
- Wang, J.; Xu, H.; He, D.; Wang, H.; Kang, Y.; Pei, Y.; Jiang, C.; Li, W.; Xiao, X. Modulating the Photoresponse Performance of Two-Dimensional GeSe Photodetectors in Visible Region by Ion Irradiation. Adv. Electron. Mater. 2023, 9, 2300177. [Google Scholar] [CrossRef]
- Xu, H.; Li, J.; Leung, B.H.K.; Poon, C.C.Y.; Ong, B.S.; Zhang, Y.; Zhao, N. A high-sensitivity near-infrared phototransistor based on an organic bulk heterojunction. Nanoscale 2013, 5, 11850–11855. [Google Scholar] [CrossRef] [PubMed]
- Shi, J.; Wang, Y.; Yao, B.; Chen, Y.; Yu, Q.; Lv, X.; Liu, S.; Li, Y.; Zhang, T.; He, G.; et al. High-Performance Flexible Near-Infrared-II Phototransistor Realized by Combining the Optimized Charge-Transfer-Complex/Organic Heterojunction Active Layer and Gold Nanoparticle Modification. IEEE Trans. Electron Devices 2024, 71, 3714–3721. [Google Scholar] [CrossRef]
- Farid, S.M.; Saleh, M.Z.; Elbadawy, H.M.; Elramly, S.H. Novel unipolar optical modulation techniques for enhancing visible light communication systems performance. IEEE Access 2022, 10, 67925–67939. [Google Scholar] [CrossRef]
- Li, M.; Xu, J.P.; Zhu, K.; Shi, S.; Zhang, Q.; Bu, Y.; Chen, J.; Xu, J.; Zheng, Q.; Su, Y.; et al. The fabrication of a self-powered CuInS2/TiO2 heterojunction photodetector and its application in visible light communication with ultraviolet light encryption. J. Mater. Chem. C 2021, 9, 14613–14622. [Google Scholar] [CrossRef]
- Sun, T.; Chen, T.; Chen, J.; Lou, Q.; Liang, Z.; Li, G.; Lin, X.; Yang, G.; Zhou, H. High-performance p-i-n perovskite photodetectors and image sensors with long-term operational stability enabled by a corrosion-resistant titanium nitride back electrode. Nanoscale 2023, 15, 7803–7811. [Google Scholar] [CrossRef] [PubMed]
- Basir, A.; Alzahrani, H.; Sulaiman, K.; Muhammadsharif, F.F.; Abdullah, S.M.; Mahmoud, A.Y.; Bahabry, R.R.; Alsoufi, M.S.; Bawazeer, T.M.; Ab Sani, S.F. A novel self-powered photodiode based on solution-processed organic TPD:Alq3 active layer. Mater. Sci. Semicond. Process. 2021, 131, 105886. [Google Scholar] [CrossRef]
- Feng, G.; Zhu, M.; Lin, X.; Xu, L.; Gao, X. Preparation of a CuPc Organic Phototransistor and Research on its Dynamic Photoelectric Properties. J. Electron. Mater. 2022, 51, 133–140. [Google Scholar] [CrossRef]
- Wang, H.; Liu, S.; Li, Y.; Yue, X.; Shen, Y.; Xu, H.; Xu, H.; Tan, Y.; Zeng, L.; Yao, B.; et al. Near-infrared-II photodetection realized by introducing organic-inorganic charge-transfer-complex photosensitive material into pentacene phototransistor. Org. Electron. 2019, 77, 105500. [Google Scholar] [CrossRef]
- Kim, H.; Hagfeldt, A. Photoinduced Lattice Symmetry Enhancement in Mixed Hybrid Perovskites and Its Beneficial Effect on the Recombination Behavior. Adv. Opt. Mater. 2019, 7, 1801512. [Google Scholar] [CrossRef]
- Mansouri, S.; Jouilia, A.; Dere, A.; El Mir, L.; Al-Sehemi, A.G.; Al-Ghamdi, A.; Şerbetçi, Z.; Yakuphanoglu, F. Photoconduction and photovoltaic effects in Pentacene based on thin film organic phototransistor. J. Mater. Electron. Devices 2019, 1, 11–18. [Google Scholar]
- Narayan, K.S.; Kumar, N. Light responsive polymer field-effect transistor. Appl. Phys. Lett. 2001, 79, 1891–1893. [Google Scholar] [CrossRef]
- Zhang, H.; Zhang, Y.; Song, X.; Yu, Y.; Cao, M.; Che, Y.; Wang, J.; Yang, J.; Dai, H.; Zhang, G.; et al. High performance PbSe colloidal quantum dot vertical field effect phototransistors. Nanotechnology 2016, 27, 425204. [Google Scholar] [CrossRef]
- Lee, C.; Kim, H.; Kim, Y. Short-Wave Infrared-Sensing Organic Phototransistors with a Triarylamine-Based Polymer Doped with a Lewis Acid-Type Small Molecule. ACS Appl. Mater. Interfaces 2021, 13, 19064–19071. [Google Scholar] [CrossRef]
- Ma, L.; Li, Z.; Chen, B.; Xue, P.; Wang, Z.; Wu, Y.; Zhan, X.; Liu, Y.; Chen, X. The Impact of Benzothiadiazole on the Optoelectronic Performance of Polymer/PC71BM Blend Films and Their Application in NIR Phototransistors. Adv. Electron. Mater. 2022, 8, 2101297. [Google Scholar] [CrossRef]
- Yang, Z.; Lin, S.; Liu, J.; Zheng, K.; Lu, G.; Ye, B.; Huang, J.; Zhang, Y.; Ye, Y.; Guo, T.; et al. High performance phototransistors with organic/quantum dot composite materials channels. Org. Electron. 2020, 78, 105565. [Google Scholar] [CrossRef]
- Hong, S.; Choi, S.H.; Park, J.; Yoo, H.; Oh, J.Y.; Hwang, E.; Yoon, D.H.; Kim, S. Sensory Adaptation and Neuromorphic Phototransistors Based on CsPb(Br1–xIx)3 Perovskite and MoS2 Hybrid Structure. ACS Nano 2020, 14, 9796–9806. [Google Scholar] [CrossRef]
- Chen, Z.; Sheleg, G.; Shekhar, H.; Tessler, N. Structure-Property Relation in Organic-Metal Oxide Hybrid Phototransistors. ACS Appl. Mater. Interfaces 2020, 12, 15430–15438. [Google Scholar] [CrossRef]
- Peng, Y.; Lv, W.; Yao, B.; Fan, G.; Chen, D.; Gao, P.; Zhou, M.; Wang, Y. High performance near infrared photosensitive organic field-effect transistors realized by an organic hybrid planar-bulk heterojunction. Org. Electron. 2013, 14, 1045–1051. [Google Scholar] [CrossRef]
- Yang, S.; Li, J.; Song, P.; Guo, N.; Liu, J.; Ye, X.; Cai, H.; Ni, J.; Zhang, J. Investigation of 3D and 2D/3D heterojunction perovskite-based phototransistors. Appl. Phys. Lett. 2022, 120, 263501. [Google Scholar] [CrossRef]
- Chen, Q.; Lai, D.; He, L.; Yan, Y.; Li, E.; Liu, Y.; Zeng, H.; Chen, H.; Guo, T. High-Performance Vertical Organic Phototransistors Enhanced by Ferroelectrics. ACS Appl. Mater. Interfaces 2021, 13, 1035–1042. [Google Scholar] [CrossRef] [PubMed]
- Feng, G.; Zhu, M.; Ge, Q.; Gao, X.; Zhao, Y. Preparation and operating characteristics analysis of high-speed iron phthalocyanine organic phototriode. Semicond. Sci. Technol. 2022, 37, 105008. [Google Scholar] [CrossRef]
- Heo, J.H.; Choi, Y.K.; Koh, C.W.; Woo, H.Y.; Im, S.H. Semitransparent FAPbI3−xBrx Perovskite Solar Cells Stable under Simultaneous Damp Heat (85 °C/85%) and 1 Sun Light Soaking. Adv. Mater. Technol. 2019, 4, 1800390. [Google Scholar] [CrossRef]
- Chowdhury, F.A.; Pradhan, B.; Ding, Y.; Towers, A.; Gesquiere, A.J.; Tetard, L.; Thomas, J. Perovskite Quantum Dot-Reduced Graphene Oxide Superstructure for Efficient Photodetection. ACS Appl. Mater. Interfaces 2020, 12, 45165–45173. [Google Scholar] [CrossRef] [PubMed]
- Son, A.G.; Krivogina, E.V.; Romanov, N.V.; Presnyakov, M.Y.; Shapovalov, S.S.; Kozyukhin, S.A. CsPbI3 Perovskite Nanoparticles: Room-Temperature Synthesis and Optical Study. Russ. J. Inorg. Chem. 2019, 64, 1587–1591. [Google Scholar] [CrossRef]
- Cegielski, P.J.; Giesecke, A.L.; Neutzner, S.; Porschatis, C.; Gandini, M.; Schall, D.; Perini, C.A.R.; Bolten, J.; Suckow, S.; Kataria, S.; et al. Monolithically Integrated Perovskite Semiconductor Lasers on Silicon Photonic Chips by Scalable Top-Down Fabrication. Nano Lett. 2018, 18, 6915–6923. [Google Scholar] [CrossRef] [PubMed]
- Zou, Y.; Shi, Y.; Wang, B.; Liu, M.; An, J.; Zhang, N.; Qi, L.; Yu, W.; Li, D.; Li, S. Electrical and Optoelectrical Dual-Modulation in Perovskite-Based Vertical Field-Effect Transistors. ACS Photonics 2022, 10, 2280–2289. [Google Scholar] [CrossRef]
- Sun, Y.; Teng, C.; Xie, D.; Qian, L.; Sun, M. Photomodulated Hysteresis Behaviors in Perovskite Phototransistors with Ultra-Low Operating Voltage. J. Phys. Chem. C 2017, 121, 11665–11671. [Google Scholar] [CrossRef]
- Patel, J.B.; Wright, A.D.; Lohmann, K.B.; Peng, K.; Xia, C.Q.; Ball, J.M.; Noel, N.K.; Crothers, T.W.; Wong-Leung, J.; Snaith, H.J.; et al. Light Absorption and Recycling in Hybrid Metal Halide Perovskite Photovoltaic Devices. Adv. Energy Mater. 2020, 10, 1903653. [Google Scholar] [CrossRef]
- Khazaee, M.; Sardashti, K.; Sun, J.-P.; Zhou, H.; Clegg, C.; Hill, I.G.; Jones, J.L.; Lupascu, D.C.; Mitzi, D.B. A Versatile Thin-Film Deposition Method for Multidimensional Semiconducting Bismuth Halides. Chem. Mater. 2018, 30, 3538–3544. [Google Scholar] [CrossRef]
- Yu, Y.; Zhang, Y.; Zhang, Z.; Zhang, H.; Song, X.; Cao, M.; Che, Y.; Dai, H.; Yang, J.; Wang, J.; et al. Broadband Phototransistor Based on CH3NH3PbI3 Perovskite and PbSe Quantum Dot Heterojunction. J. Phys. Chem. Lett. 2017, 8, 445–451. [Google Scholar] [CrossRef] [PubMed]
- Kim, B.J.; Park, S.; Kim, T.Y.; Jung, E.Y.; Hong, J.-A.; Kim, B.-S.; Jeon, W.; Park, Y.; Kang, S.J. Improving the photoresponsivity and reducing the persistent photocurrent effect of visible-light ZnO/quantum-dot phototransistors via a TiO2 layer. J. Mater. Chem. C 2020, 8, 16384–16391. [Google Scholar] [CrossRef]
- Sadhasivam, S.; Gunasekaran, A.; Anbarasan, N.; Mukilan, M.; Jeganathan, K. Topotactic transition of Pb0.99Bi0.01I2 into CH3NH3Pb0.99Bi0.01I3 on TiO2 for high-performance visible light perovskite photodetector. Mater. Lett. 2020, 276, 128155. [Google Scholar] [CrossRef]
- Ramachandran, A.A.; Krishnan, B.; Avellaneda, D.A.; Palma, M.I.M.; Martinez, J.A.A.; Shaji, S. Development of lead-free Cu2BiI5 rudorffite thin films for visible light photodetector application. Appl. Surf. Sci. 2021, 564, 150438. [Google Scholar] [CrossRef]
- Alanazi, T.I.; Alenazi, R.A.; El Sayed, A.M. Tuning the band gap, optical, mechanical, and electrical features of a bio-blend by Cr2O3/V2O5 nanofillers for optoelectronics and energy applications. Sci. Rep. 2024, 14, 12537. [Google Scholar] [CrossRef] [PubMed]
- Mariyappan, P.; Pandian, M.G.M.; Chowdhury, T.H.; Babu, S.M.; Subashchandran, S. Investigations on the stability of the ambient processed bismuth based lead-free A3Bi2I9 (A = MA; Cs) perovskite thin-films for optoelectronic applications. Mater. Sci. Eng. B 2023, 297, 116706. [Google Scholar] [CrossRef]
- Li, W.; Liu, Y.; Gao, Y.; Ji, Z.; Fu, Y.; Zhao, C.; Mai, W. Tunneling-assisted highly sensitive and stable lead-free Cs3Bi2I9 perovskite photodetectors for diffuse reflection imaging. J. Mater. Chem. C 2021, 9, 1008–1013. [Google Scholar] [CrossRef]
- Piao, J.; Wu, J.; Ye, Z.; Zhang, H.; Li, J.; Liu, P.; Wang, H.; Cao, Z.; Wang, Y. Effective integration of a MOSFET phototransistor to a GaN LED for UV sensing. Opt. Lett. 2022, 47, 3572–3575. [Google Scholar] [CrossRef]
- Yao, B.; Li, Y.; Fang, Z.; Tan, Y.; Liu, S.; Peng, Y.; Xu, H. Investigation of the source-drain electrodes/the active layer contact-effect on the performance of organic phototransistor. Synth. Met. 2017, 233, 58–62. [Google Scholar] [CrossRef]
- Luo, X.; Li, Y.; Lv, W.; Zhao, F.; Sun, L.; Peng, Y.; Wen, Z.; Zhong, J.; Zhang, J. Position-dependent performance of copper phthalocyanine based field-effect transistors by gold nanoparticles modification. Nanotechnology 2015, 26, 035201. [Google Scholar] [CrossRef] [PubMed]









| Samples | Dark | 450 nm (cm2/Vs) | 532 nm (cm2/Vs) | 660 nm (cm2/Vs) |
|---|---|---|---|---|
| CuPc | 6.43 × 10−5 | 7.24 × 10−5 | 7.61 × 10−5 | 7.95 × 10−5 |
| CuPc/CBI | 3.83 × 10−5 | 9.16 × 10−5 | 9.04 × 10−5 | 8.90 × 10−5 |
| Samples | λ (nm) | Rmax (A/W) | Ion/Ioff | EQE (%) | P | D* (Jones) | Year/Ref. |
|---|---|---|---|---|---|---|---|
| CuPc -OPT | 450/ 532/ 660 | 0.14/0.16/0.18 | 3.81 × 102 | 0.78/0.85/ 2.14 | 461%@Vgs = 28 V/ 300%@Vgs = 28 V/ 277%@Vgs = 24.5 V | 1.12 × 1010/ 1.23 × 1010/ 1.49 × 1010/ | This work |
| Cupc/CBI-OPT | 450/ 532/ 660 | 1.96/1.64/1.33 | 4.14 × 102 | 43.91/7.43/4.17 | 1277%@Vgs = 13.5 V/ 1077%@Vgs = 17.5 V/ 910%Vgs = 13.5 V | 6.99 × 1011/ 9.66 × 1010/ 4.22 × 1010 | This work |
| CH3NH3 PbI3 | 532 | 1 | 1.8×104 | - | 3.2 × 107 | 2017/[33] | |
| ZnO/QDs/TiO2 | 520 | 0.07 | 5.07 × 106 | - | 4.2 × 106 (Pmax) | - | 2020/[34] |
| Pb0.99Bi0.01I2/TiO2 | Visible light | 3.55 × 10−3 | - | - | 6.03 × 108 | 2020/[35] | |
| Cu2BiI5 | 465/520/590 | 46 × 10−6/ 36 × 10−6/ 48 × 10−6 | 0.0125/ 0.008/ 0.01 | - | - | 2021/[36] |
Disclaimer/Publisher’s Note: The statements, opinions and data contained in all publications are solely those of the individual author(s) and contributor(s) and not of MDPI and/or the editor(s). MDPI and/or the editor(s) disclaim responsibility for any injury to people or property resulting from any ideas, methods, instructions or products referred to in the content. |
© 2024 by the authors. Licensee MDPI, Basel, Switzerland. This article is an open access article distributed under the terms and conditions of the Creative Commons Attribution (CC BY) license (https://creativecommons.org/licenses/by/4.0/).
Share and Cite
Wang, Y.; Jiang, B.; Zhao, X.; Chen, Y.; Pan, X.; Yu, Q.; Yao, B. High-Performance UV–Visible Broad Spectral Phototransistors Based on CuPc/Cs3Bi2I9 Heterojunction. Coatings 2024, 14, 966. https://doi.org/10.3390/coatings14080966
Wang Y, Jiang B, Zhao X, Chen Y, Pan X, Yu Q, Yao B. High-Performance UV–Visible Broad Spectral Phototransistors Based on CuPc/Cs3Bi2I9 Heterojunction. Coatings. 2024; 14(8):966. https://doi.org/10.3390/coatings14080966
Chicago/Turabian StyleWang, Yurui, Benfu Jiang, Xijun Zhao, Yuxing Chen, Xinxin Pan, Qing Yu, and Bo Yao. 2024. "High-Performance UV–Visible Broad Spectral Phototransistors Based on CuPc/Cs3Bi2I9 Heterojunction" Coatings 14, no. 8: 966. https://doi.org/10.3390/coatings14080966
APA StyleWang, Y., Jiang, B., Zhao, X., Chen, Y., Pan, X., Yu, Q., & Yao, B. (2024). High-Performance UV–Visible Broad Spectral Phototransistors Based on CuPc/Cs3Bi2I9 Heterojunction. Coatings, 14(8), 966. https://doi.org/10.3390/coatings14080966

