Preparation Method and Application of Nanobubbles: A Review
Abstract
1. Introduction
2. The Composition and Stability of Nanobubbles
2.1. The Composition of Membrane Nanobubbles
2.2. The Composition of Non-Membrane Nanobubbles
2.3. The Stability of Nanobubbles
3. Preparation Methods of BNBs
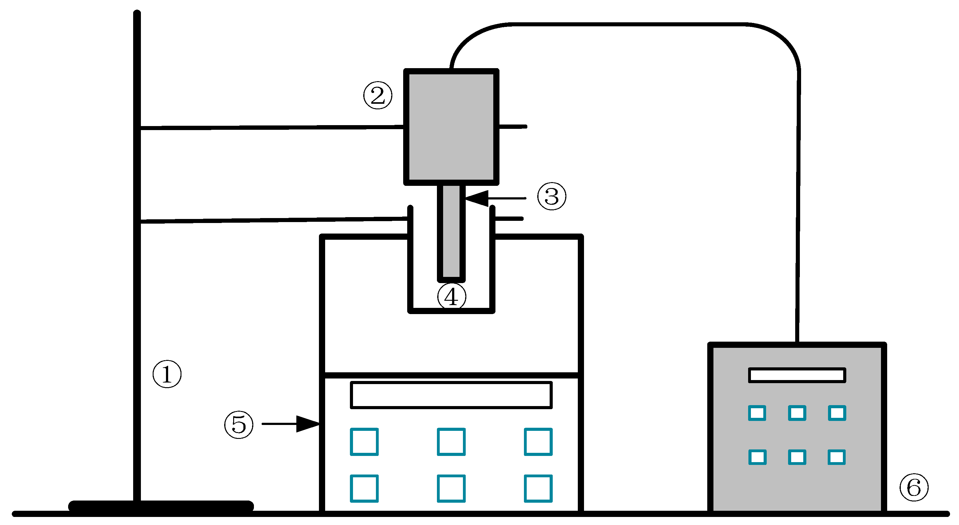
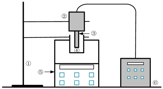
3.1. Mechanical Stirring Method
3.2. Nanoscale Pore Membrane Method
3.3. Microfluidic Method
3.4. Acoustic Cavitation Method
3.5. Hydrodynamic Cavitation Method
3.6. Dissolved Gas Release Method
3.7. Periodic Pressure Variation Method
3.8. Hydraulic Air Compression Method
4. Preparation Methods of SBNs
4.1. Aqueous Solution Electrolysis Method
4.2. Cold Water Method
4.3. Solvent Exchange Method
4.4. Depressurization Method
4.5. Microwave Irradiation Method
5. Applications of Nanobubbles
5.1. Ultrasound Imaging
5.2. Drug Delivery
5.3. Plant Growth
5.4. Wastewater Treatment
5.5. Surface Cleaning
5.6. Channel Flow Resistance Reduction
5.7. Foam Flotation
6. Summary and Outlook
Author Contributions
Funding
Institutional Review Board Statement
Informed Consent Statement
Data Availability Statement
Conflicts of Interest
Abbreviations
| BNBs | Bulk nanobubbles |
| SNBs | Surface nanobubbles |
| SPG | Shirasu Porous Glass |
| PFC | Perfluorocarbon |
| HOPG | Highly ordered pyrolytic graphite |
| AFM | Atomic force microscopy |
| FRET | Fluorescence resonance energy transfer |
| BRET | Bioluminescence resonance energy transfer |
References
- Chu, P.; Finch, J.; Bournival, G.; Ata, S.; Hamlett, C.; Pugh, R.J. A Review of Bubble Break-Up. Adv. Colloid Interface Sci. 2019, 270, 108–122. [Google Scholar] [CrossRef] [PubMed]
- Zhang, M.; Seddon, J.R. Nanobubble-Nanoparticle Interactions in Bulk Solutions. Langmuir 2016, 32, 11280–11286. [Google Scholar] [CrossRef] [PubMed]
- Ulatowski, K. Stability of Nanobubbles Generated in Water Using Porous Membrane System. Chem. Eng. 2019, 136, 62–71. [Google Scholar] [CrossRef]
- Alheshibri, M.; Al Baroot, A.; Shui, L.; Zhang, M. Nanobubbles and Nanoparticles. Curr. Opin. Colloid Interface Sci. 2021, 55, 101470. [Google Scholar] [CrossRef]
- Helfield, B.; Zou, Y.; Matsuura, N. Acoustically-Stimulated Nanobubbles: Opportunities in Medical Ultrasound Imaging and Therapy. Front. Phys. 2021, 9, 654374. [Google Scholar] [CrossRef]
- Marcelino, K.R.; Ling, L.; Wongkiew, S.; Nhan, H.T.; Surendra, K.C.; Shitanaka, T.; Lu, H.; Khanal, S.K. Nanobubble Technology Applications in Environmental and Agricultural Systems: Opportunities and Challenges. Crit. Rev. Environ. Sci. Technol. 2023, 53, 1378–1403. [Google Scholar] [CrossRef]
- Kalogerakis, N.; Kalogerakis, G.C.; Botha, Q.P. Environmental Applications of Nanobubble Technology: Field Testing at Industrial Scale. Can. J. Chem. Eng. 2021, 99, 2345–2354. [Google Scholar] [CrossRef]
- Zhou, L.; Wang, X.; Hyun-Joon, S.; Zhang, L.; Hu, J. Surface Nanobubbles Produced by Cold Water Investigated Using Scanning Transmission X-Ray Microscopy. Microsc. Microanal. 2018, 24, 470–471. [Google Scholar] [CrossRef][Green Version]
- Şanlıer, Ş.H. Development of Ultrasound-Triggered and Magnetic-Targeted Nanobubble System for Dual-Drug Delivery. J. Pharm. Sci. 2019, 108, 1272–1283. [Google Scholar] [CrossRef]
- Wu, Y.; Lyu, T.; Yue, B.; Tonoli, E.; Verderio, E.A.M.; Ma, Y.; Pan, G. Enhancement of Tomato Plant Growth and Productivity in Organic Farming by Agri-Nanotechnology Using Nanobubble Oxygation. J. Agric. Food Chem. 2019, 67, 10823–10831. [Google Scholar] [CrossRef]
- Ahmadi, M.; Bidhendi, G.N.; Torabian, A.; Mehrdadi, N. Effects of Nanobubble Aeration in Oxygen Transfer Efficiency and Sludge Production in Wastewater Biological Treatment. J. Adv. Environ. Health Res. 2018, 6, 225–233. [Google Scholar]
- Wu, Z.; Chen, H.; Dong, Y.; Mao, H.; Sun, J.; Chen, S.; Craig, V.S.J.; Hu, J. Cleaning Using Nanobubbles: Defouling by Electrochemical Generation of Bubbles. J. Colloid Interface Sci. 2008, 328, 10–14. [Google Scholar] [CrossRef] [PubMed]
- Du, T.L.C.; Govender, T.; Pillay, V.; Choonara, Y.E.; Kodama, T. Investigating the Effect of Polymeric Approaches on Circulation Time and Physical Properties of Nanobubbles. Pharm. Res. 2011, 28, 494–504. [Google Scholar]
- Li, D.Y.; Zhao, X.Z. Contact angle of surface nanobubbles. J. Heilongjiang Univ. Sci. Technol. 2017, 27. [Google Scholar] [CrossRef]
- Lohse, D.; Zhang, X. Pinning and Gas Oversaturation Imply Stable Single Surface Nanobubbles. Phys. Rev. E 2015, 91, 031003. [Google Scholar] [CrossRef] [PubMed]
- Ma, X.; Li, M.; Xu, X.; Sun, C. On the Role of Surface Charge and Surface Tension Tuned by Surfactant in Stabilizing Bulk Nanobubbles. Appl. Surf. Sci. 2023, 608, 155232. [Google Scholar] [CrossRef]
- Meegoda, J.N.; Hewage, S.A.; Batagoda, J.H. Stability of Nanobubbles. Environ. Eng. Sci. 2018, 35, 1216–1227. [Google Scholar] [CrossRef]
- Senthilkumar, G.; Purusothaman, M.; Rameshkumar, C.; Joy, N.; Sachin, S.; Siva Thanigai, K. Generation and Characterization of Nanobubbles for Heat Transfer Applications. Mater. Today Proc. 2021, 43, 3391–3393. [Google Scholar] [CrossRef]
- Etchepare, R.; Oliveira, H.; Nicknig, M.; Azevedo, A.; Rubio, J. Nanobubbles: Generation Using a Multiphase Pump, Properties and Features in Flotation. Miner. Eng. 2017, 112, 19–26. [Google Scholar] [CrossRef]
- Jadhav, A.J.; Ferraro, G.; Barigou, M. Generation of Bulk Nanobubbles Using a High-Shear Rotor–Stator Device. Ind. Eng. Chem. Res. 2021, 60, 8597–8606. [Google Scholar] [CrossRef]
- Ulatowski, K.; Sobieszuk, P. Influence of Liquid Flowrate on Size of Nanobubbles Generated by Porous-Membrane Modules. Chem. Process Eng. 2018, 39, 335–345. [Google Scholar] [CrossRef]
- Kukizaki, M.; Goto, M. Size Control of Nanobubbles Generated from Shirasu-Porous-Glass (SPG) Membranes. J. Membr. Sci. 2006, 281, 386–396. [Google Scholar] [CrossRef]
- Ahmed, A.K.A.; Sun, C.; Hua, L.; Zhang, Z.; Zhang, Y.; Zhang, W.; Marhaba, T. Generation of Nanobubbles by Ceramic Membrane Filters: The Dependence of Bubble Size and Zeta Potential on Surface Coating, Pore Size and Injected Gas Pressure. Chemosphere 2018, 203, 327–335. [Google Scholar] [CrossRef] [PubMed]
- Zhang, R.; Gao, Y.; Chen, L.; Ge, G. Controllable Preparation of Monodisperse Nanobubbles by Membrane Sieving. Colloid Surf. A Physicochem. Eng. Asp. 2022, 642, 128656. [Google Scholar] [CrossRef]
- Fan, Y.Q.; Wang, H.L.; Gao, K.X.; Liu, J.J.; Chai, D.P.; Zhang, Y.J. Applications of Modular Microfluidics Technology. Chin. J. Anal. Chem. 2018, 46, 1863–1871. [Google Scholar] [CrossRef]
- Xu, J.; Salari, A.; Wang, Y.; He, X.; Kerr, L.; Darbandi, A.; Leon, A.C.; Exner, A.A.; Kolios, M.C.; Yuen, D.; et al. Microfluidic Generation of Monodisperse Nanobubbles by Selective Gas Dissolution. Small 2021, 17, 2100345. [Google Scholar] [CrossRef]
- Ferrari, A. Fluid Dynamics of Acoustic and Hydrodynamic Cavitation in Hydraulic Power Systems. Proc. R. Soc. A 2017, 473, 20160345. [Google Scholar] [CrossRef]
- Nirmalkar, N.; Pacek, A.W.; Barigou, M. Bulk Nanobubbles from Acoustically Cavitated Aqueous Organic Solvent Mixtures. Langmuir 2019, 35, 2188–2195. [Google Scholar] [CrossRef]
- Zheng, H.; Zheng, Y.; Zhu, J. Recent Developments in Hydrodynamic Cavitation Reactors: Cavitation Mechanism, Reactor Design, and Applications. Engineering 2022, 19, 180–198. [Google Scholar] [CrossRef]
- Alam, H.S.; Sutikno, P.; Soelaiman, T.A.F.; Sugiarto, A.T. Bulk Nanobubbles: Generation Using a Two-Chamber Swirling Flow Nozzle and Long-Term Stability in Water. J. Flow Chem. 2022, 12, 161–173. [Google Scholar] [CrossRef]
- Wu, M.; Song, H.; Liang, X.; Huang, N.; Li, X. Generation of Micro-Nano Bubbles by Self-Developed Swirl-Type Micro-Nano Bubble Generator. Chem. Eng. Process. Process Intensif. 2022, 181, 109136. [Google Scholar] [CrossRef]
- Iben, U.; Makhnov, A.; Schmidt, A. Numerical Study of the Effects of Dissolved Gas Release in Cavitating Flow. AIP Conf. Proc. 2018, 2027, 030128. [Google Scholar] [CrossRef]
- Servio, P.; Englezos, P. Effect of Temperature and Pressure on the Solubility of Carbon Dioxide in Water in the Presence of Gas Hydrate. Fluid Phase Equilibria 2001, 190, 127–134. [Google Scholar] [CrossRef]
- Wang, B.; Lu, X.; Tao, S.; Ren, Y.; Gao, W.; Liu, X.; Yang, B. Preparation and Properties of CO2 Micro-Nanobubble Water Based on Response Surface Methodology. Appl. Sci. 2021, 11, 11638. [Google Scholar] [CrossRef]
- Ferraro, G.; Jadhav, A.J.; Barigou, M. A Henry’s Law Method for Generating Bulk Nanobubbles. Nanoscale 2020, 12, 15869–15879. [Google Scholar] [CrossRef]
- Wang, Q.; Zhao, H.; Qi, N.; Qin, Y.; Zhang, X.; Li, Y. Generation and Stability of Size-Adjustable Bulk Nanobubbles Based on Periodic Pressure Change. Sci. Rep. 2019, 9, 1118. [Google Scholar] [CrossRef]
- Yang, X.; Yang, Q.; Zhou, L.; Zhang, L.; Hu, J. Nanobubbles Produced by Hydraulic Air Compression Technique. Chin. Phys. B 2022, 31, 054702. [Google Scholar] [CrossRef]
- Lee, S.; Sutomo, W.; Liu, C.; Loth, E. Micro-Fabricated Electrolytic Micro-Bubblers. Int. J. Multiph. Flow 2005, 31, 706–722. [Google Scholar] [CrossRef]
- Yang, S.; Tsai, P.; Kooij, E.S.; Prosperetti, A.; Zandvliet, H.J.W.; Lohse, D. Electrolytically Generated Nanobubbles on Highly Orientated Pyrolytic Graphite Surfaces. Langmuir 2009, 25, 1466–1474. [Google Scholar] [CrossRef]
- Wilhelm, E.; Battino, R.; Wilcock, R.J. Low-Pressure Solubility of Gases in Liquid Water Available online. Chem. Rev. 1977, 77, 219–262. [Google Scholar] [CrossRef]
- An, H.; Tan, B.H.; Zeng, Q.; Ohl, C.-D. Stability of Nanobubbles Formed at the Interface between Cold Water and Hot Highly Oriented Pyrolytic Graphite. Langmuir 2016, 32, 11212–11220. [Google Scholar] [CrossRef]
- Chen, N.; Wen, Z.; Li, X.; Ye, Z.; Ren, D.; Xu, J.; Chen, Q.; Ma, S. Controllable Preparation and Formation Mechanism of Monodispersed Bulk Nanobubbles in Dilute Ethanol-Water Solutions. Colloid Surf. A Physicochem. Eng. Asp. 2021, 616, 126372. [Google Scholar] [CrossRef]
- Guo, W.; Shan, H.; Guan, M.; Gao, L.; Liu, M.; Dong, Y. Investigation on Nanobubbles on Graphite Substrate Produced by the Water-NaCl Solution Replacement. Surf. Sci. 2012, 606, 1462–1466. [Google Scholar] [CrossRef]
- Qiu, J.; Zou, Z.; Wang, S.; Wang, X.; Wang, L.; Dong, Y.; Zhao, H.; Zhang, L.; Hu, J. Formation and Stability of Bulk Nanobubbles Generated by Ethanol-Water Exchange. ChemPhysChem 2017, 18, 1345–1350. [Google Scholar] [CrossRef] [PubMed]
- Fang, Z.; Wang, L.; Wang, X.; Zhou, L.; Wang, S.; Zou, Z.; Tai, R.; Zhang, L.; Hu, J. Formation and Stability of Surface/Bulk Nanobubbles Produced by Decompression at Lower Gas Concentration. J. Phys. Chem. C 2018, 122, 22418–22423. [Google Scholar] [CrossRef]
- Wang, L.; Miao, X.; Pan, G. Microwave-Induced Interfacial Nanobubbles. Langmuir 2016, 32, 11147–11154. [Google Scholar] [CrossRef]
- Yuan, K.; Zhou, L.; Wang, J.; Geng, Z.; Qi, J.; Wang, X.; Zhang, L.; Hu, J. Formation of Bulk Nanobubbles Induced by Accelerated Electrons Irradiation: Dependences on Dose Rates and Doses of Irradiation. Langmuir 2022, 38, 7938–7944. [Google Scholar] [CrossRef]
- Wang, Y.; Li, X.; Zhou, Y.; Huang, P.; Xu, Y. Preparation of Nanobubbles for Ultrasound Imaging and Intracelluar Drug Delivery. Int. J. Pharm. 2010, 384, 148–153. [Google Scholar] [CrossRef]
- Cai, W.B.; Yang, H.L.; Zhang, J.; Yin, J.K.; Yang, Y.L.; Yuan, L.J.; Zhang, L.; Duan, Y.Y. The Optimized Fabrication of Nanobubbles as Ultrasound Contrast Agents for Tumor Imaging. Sci. Rep. 2015, 5, 13725. [Google Scholar] [CrossRef]
- Liu, R.; Tang, J.; Xu, Y.; Dai, Z. Bioluminescence Imaging of Inflammation in Vivo Based on Bioluminescence and Fluorescence Resonance Energy Transfer Using Nanobubble Ultrasound Contrast Agent. ACS Nano 2019, 13, 5124–5132. [Google Scholar] [CrossRef]
- Cavalli, R.; Bisazza, A.; Giustetto, P.; Civra, A.; Lembo, D.; Trotta, G.; Guiot, C.; Trotta, M. Preparation and Characterization of Dextran Nanobubbles for Oxygen Delivery. Int. J. Pharm. 2009, 381, 160–165. [Google Scholar] [CrossRef]
- Baram, S.; Weinstein, M.; Evans, J.F.; Berezkin, A.; Sade, Y.; Ben-Hur, M.; Bernstein, N.; Mamane, H. Drip Irrigation with Nanobubble Oxygenated Treated Wastewater Improves Soil Aeration. Sci. Hortic. 2022, 291, 110550. [Google Scholar] [CrossRef]
- Liu, S.; Oshita, S.; Makino, Y.; Wang, Q.; Kawagoe, Y.; Uchida, T. Oxidative Capacity of Nanobubbles and Its Effect on Seed Germination. ACS Sustain. Chem. Eng. 2016, 4, 1347–1353. [Google Scholar] [CrossRef]
- Farid, M.U.; Choi, P.J.; Kharraz, J.A.; Lao, J.-Y.; St-Hilaire, S.; Ruan, Y.; Lam, P.K.S.; An, A.K. Hybrid Nanobubble-Forward Osmosis System for Aquaculture Wastewater Treatment and Reuse. Chem. Eng. J. 2022, 435, 135164. [Google Scholar] [CrossRef]
- Jin, N.; Zhang, F.; Cui, Y.; Sun, L.; Gao, H.; Pu, Z.; Yang, W. Environment-Friendly Surface Cleaning Using Micro-Nano Bubbles. Particuology 2022, 66, 1–9. [Google Scholar] [CrossRef]
- Ramisetti, S.B.; Borg, M.K.; Lockerby, D.A.; Reese, J.M. Liquid Slip over Gas Nanofilms. Phys. Rev. Fluids 2017, 2, 084003. [Google Scholar] [CrossRef]
- Gao, Y.; Li, J.; Shum, H.C.; Chen, H. Drag Reduction by Bubble-Covered Surfaces Found in PDMS Microchannel through Depressurization. Langmuir 2016, 32, 4815–4819. [Google Scholar] [CrossRef] [PubMed]
- Bournival, G.; Ata, S.; Jameson, G.J. Bubble and Froth Stabilizing Agents in Froth Flotation. Miner. Process. Extr. Metall. Rev. 2017, 38, 366–387. [Google Scholar] [CrossRef]
- Rosa, A.F.; Rubio, J. On the Role of Nanobubbles in Particle–Bubble Adhesion for the Flotation of Quartz and Apatitic Minerals. Miner. Eng. 2018, 127, 178–184. [Google Scholar] [CrossRef]
- Chen, G.; Ren, L.; Zhang, Y.; Bao, S. Improvement of Fine Muscovite Flotation through Nanobubble Pretreatment and Its Mechanism. Miner. Eng. 2022, 189, 107868. [Google Scholar] [CrossRef]
- Zhang, D.; Ma, F.; Tao, Y. Study on Effect of Nanobubble on Ultra-Fine Flake Graphite (UFG) Flotation. Part. Sci. Technol. 2023, 1–9. [Google Scholar] [CrossRef]


















| Methods | Advantages | Disadvantages |
|---|---|---|
| Mechanical Stirring Method | The principle is simple and easy to implement | Only a small number of nanobubbles can be prepared |
| Nanoscale pore membrane method | Enables control over bubble size and distribution | Requires specialized membranes with accurate pore sizes. Potential blockage or fouling of pores may reduce efficiency over time |
| Microfluidic method | Enables precise control of bubble size and distribution. Offers a high degree of automation and integration with other processes | Requires complex microfluidic devices and fabrication techniques |
| Acoustic cavitation method | Efficient and rapid generation of nanobubbles | Requires specialized equipment and ultrasound sources. Control over bubble size and distribution may be limited |
| Hydrodynamic cavitation method | High energy efficiency, low cost, and scalability | Efficiency can be influenced by factors such as the flow rate and pressure. |
| Dissolved gas release method | Easy and straightforward to implement. Low cost | Limited control over bubble size and distribution. May result in larger bubble sizes compared to other methods |
| Periodic pressure variation method | A more uniform bubble can be prepared, and the size of the bubble can be controlled by controlling the pressure and period. | Only a small number of nanobubbles can be prepared |
| Hydraulic air compression method | Nanobubbles can be produced on a large scale at low cost and with high efficiency. | Limited control over bubble size and distribution |
| Methods | Types | Advantages | Disadvantages |
|---|---|---|---|
| Aqueous solution electrolysis method | Chemistry | Allows precise control over the generation of nanobubbles | Requires specialized electrolysis equipment |
| Cold water method | Physics | Simple and easily accessible method. Can produce nanobubbles without the need for complex equipment | Limited control over bubble size and stability |
| Solvent exchange method | Physics | Easy and straightforward to implement. Low cost | Control over bubble size and distribution may be limited |
| Depressurization method | Physics | Allows the controlled and rapid generation of nanobubbles. | The resulting nanobubbles are unstable |
| Microwave irradiation method | Physics | No impurities are introduced, and the output of nanobubbles can be controlled | Requires specialized microwave equipment that has precise power control |
| Application Areas | Applicable Nanobubble Preparation Methods |
|---|---|
| Ultrasound imaging | Microfluidic method Nanoscale pore membrane method |
| Drug delivery | Microfluidic method Nanoscale pore membrane method |
| Plant growth | Mechanical stirring method |
| Wastewater treatment | Acoustic cavitation method |
| Surface cleaning | Mechanical stirring method |
| Channel flow resistance reduction | Aqueous solution electrolysis method Microwave irradiation method |
| Foam flotation | Acoustic cavitation method |
Disclaimer/Publisher’s Note: The statements, opinions and data contained in all publications are solely those of the individual author(s) and contributor(s) and not of MDPI and/or the editor(s). MDPI and/or the editor(s) disclaim responsibility for any injury to people or property resulting from any ideas, methods, instructions or products referred to in the content. |
© 2023 by the authors. Licensee MDPI, Basel, Switzerland. This article is an open access article distributed under the terms and conditions of the Creative Commons Attribution (CC BY) license (https://creativecommons.org/licenses/by/4.0/).
Share and Cite
Wang, Y.; Wang, T. Preparation Method and Application of Nanobubbles: A Review. Coatings 2023, 13, 1510. https://doi.org/10.3390/coatings13091510
Wang Y, Wang T. Preparation Method and Application of Nanobubbles: A Review. Coatings. 2023; 13(9):1510. https://doi.org/10.3390/coatings13091510
Chicago/Turabian StyleWang, Yanwei, and Tianxiang Wang. 2023. "Preparation Method and Application of Nanobubbles: A Review" Coatings 13, no. 9: 1510. https://doi.org/10.3390/coatings13091510
APA StyleWang, Y., & Wang, T. (2023). Preparation Method and Application of Nanobubbles: A Review. Coatings, 13(9), 1510. https://doi.org/10.3390/coatings13091510
