Investigation of the Lubricated Tribo-System of Modified Electrospark Coatings
Abstract
1. Introduction
2. Materials and Methods
2.1. Surface Hardness
2.2. Surface Roughness
2.3. Rinsing and Weighing of the Samples
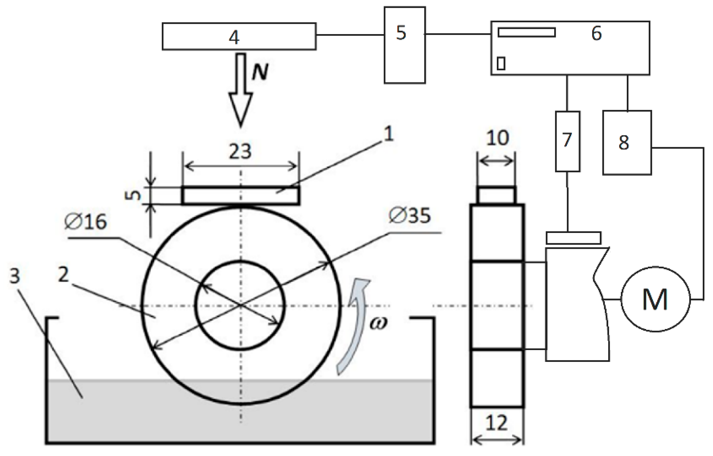
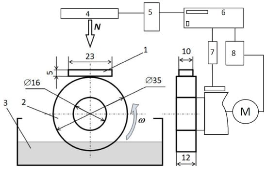
2.4. Tribological Test
2.5. Scanning Electron Microscopy (SEM) and X-ray Diffraction (XRD) Analysis of the Surface
3. Results
3.1. Microhardness and Elasticity Testing
3.2. Surface Roughness Results
3.3. Tribological Tests Results
3.4. Surface Analysis of the Coatings by SEM and EDS
4. Discussion
5. Conclusions
Author Contributions
Funding
Institutional Review Board Statement
Informed Consent Statement
Data Availability Statement
Conflicts of Interest
References
- Chen, Z.; Zhou, Y. Surface modification of resistance welding electrode by electro-spark deposited composite coatings: Part I. Coating characterization. Surf. Coat. Technol. 2006, 201, 1503–1510. [Google Scholar] [CrossRef]
- Padgurskas, J.; Kreivaitis, R.; Rukuiža, R.; Mihailov, V.; Agafii, V.; Kriūkienė, R.; Baltušnikas, A. Tribological properties of coatings obtained by electro-spark alloying C45 steel surfaces. Surf. Coat. Technol. 2017, 311, 90–97. [Google Scholar] [CrossRef]
- Chu, P.K.; Li, L. Characterization of amorphous and nanocrystalline carbon films. Mater. Chem. Phys. 2006, 96, 253–277. [Google Scholar] [CrossRef]
- Xie, Y.J.; Wang, M.C. Microstructural morphology of electrospark deposition layer of a high gamma prime superalloy. Surf. Coat. Technol. 2006, 201, 691–698. [Google Scholar] [CrossRef]
- Ribalko, A.V.; Sahin, O.; Korkmaz, K. A modified electrospark alloying method for low surface roughness. Surf. Coat. Technol. 2009, 203, 3509–3515. [Google Scholar] [CrossRef]
- Belkin, P.N.; Naumov, A.; Shadrin, S.; Dyakov, I.G.; Zhirov, A.; Kusmanov, S.A.; Mukhacheva, T. Anodic plasma electrolytic saturation of steels by carbon and nitrogen. Adv. Mater. Res. 2013, 704, 37–42. [Google Scholar] [CrossRef]
- Wang, Y.W.; Wang, X.Y.; Wang, X.L.; Yang, Y.; Cui, Y.H.; Ma, Y.D.; Sun, W.W. Microstructure and properties of in-situ composite coatings prepared by plasma spraying MoO3–Al composite powders. Ceram. Int. 2021, 47, 1109–1120. [Google Scholar] [CrossRef]
- Tailor, S.; Modi, A.; Modi, S.C. High-Performance Molybdenum Coating by Wire–HVOF Thermal Spray Process. J. Therm. Spray Technol. 2018, 27, 757–768. [Google Scholar] [CrossRef]
- Feng, J.; Xiao, H. Tribocorrosion Behavior of Laser Cladded Ti-Al-(C, N) Composite Coatings in Artificial Seawater. Coatings 2022, 12, 187. [Google Scholar] [CrossRef]
- Mihailov, V.; Kazak, N.; Ivashcu, S.; Ovchinnikov, E.; Baciu, C.; Ianachevici, A.; Rukuiza, R.; Zunda, A. Synthesis of Multicomponent Coatings by Electrospark Alloying with Powder Materials. Coatings 2023, 13, 651. [Google Scholar] [CrossRef]
- Zhang, F.; Chen, J.; Yan, S.; Yu, G.; He, J.; Yin, F. Plasma spraying Ti–Al–C based composite coatings from Ti/Al/graphite agglomerates: Synthesis, characterization and reaction mechanism. Vacuum 2022, 200, 111036. [Google Scholar] [CrossRef]
- Rukanskis, M.; Padgurskas, J.; Sabalius, A.; Michailov, V.; Kazak, N.; Zunda, A. Friction and Wear of Electrospark Coatings Made of Molybdenum, Bronze, and Combined (Ti + Al + C) Composition on Steel 45 in a Lubricant Medium. J. Frict. Wear 2021, 42, 56–62. [Google Scholar] [CrossRef]
- Kukareko, V.; Agafii, V.; Mihailov, V.; Grigorchic, A.; Kazak, N. Evaluation of tribological properties of hard coatings obtained on steel C45 by electro-spark alloying. Key Eng. Mater. 2019, 813, 381–386. [Google Scholar] [CrossRef]
- Auchynnikau, E.; Kazak, N.; Mikhailov, V.; Ivashcu, S.; Shkurpelo, A. Tribotechnical characteristics of nanostructured coatings formed by EIL method. In Proceedings of the 10th International Scientific Conference BALTTRIB 2019, Kaunas, Lithuania, 14–16 November 2019; pp. 114–118. [Google Scholar] [CrossRef]
- Belkin, V.P.; Gonchar, P.N. Chemical, Thermal Hardening of Steel Elements during Anodic Electrolytic Heating. Methodical Recommendations; Academy of Sciences of the Moldavian SSR, Institute of Applied Physics: Kishinev, Republic of Moldova, 1989. [Google Scholar]
- Agafii, V.; Padgurskas, J.; Mihailov, V.; Andriušis, A.; Kreivaitis, R.; Ianachevici, A. Increasing wear resistance of 30X13 stianless steel by electrospark alloying. In Proceedings of the BALTTRIB 2015: Proceedings of VIII International Scientific Conference, Dedicated to 50th Anniversary Year of Tribology, Aleksandras Stulginskis University, Kaunas, Lithuania, 26–27 November 2015; pp. 70–75. [Google Scholar] [CrossRef]
- Laribi, M.; Vannes, A.B.; Treheux, D. Study of mechanical behavior of molybdenum coating using sliding wear and impact tests. Wear 2007, 262, 1330–1336. [Google Scholar] [CrossRef]
- Kirik, G.V.; Gaponova, O.P.; Tarelnyk, V.B.; Myslyvchenko, O.M.; Antoszewski, B. Quality Analysis of Aluminized Surface Layers Produced by Electrospark Deposition. Powder Metall. Met. Ceram. 2018, 56, 688–696. [Google Scholar] [CrossRef]
- Tarelnyk, V.B.; Paustovskii, A.V.; Tkachenko, Y.G.; Konoplianchenko, E.V.; Martsynkovskyi, V.S.; Antoszewski, B. Electrode Materials for Composite and Multilayer Electrospark-Deposited Coatings from Ni–Cr and WC–Co Alloys and Metals. Powder Metall. Met. Ceram. 2017, 55, 585–595. [Google Scholar] [CrossRef]
- Sawa, T. Correlation between nanoindentation test result and Vickers hardness. In Proceedings of the 21st Conference on Measurement of Force, Mass and Torque Together with HARDMEKO 2010 and 2nd Meeting on Vibration Measurement, IMEKO TC3, TC5 and TC22, Pattaya, Thailand, 21–25 November 2010; pp. 171–174. [Google Scholar]
- Pliszka, I.; Radek, N.; Gądek-Moszczak, A. Properties of WC-Cu electro spark coatings subjected to laser modification. Tribologia 2017, 275, 73–79. [Google Scholar] [CrossRef]













| Deposited Material | The Current of Electrospark Alloying, A |
|---|---|
| Molybdenum | 1 layer: 1.2–1.5 2 layer: 1.5–2.0 3 layer: 0.7–1.2 |
| Titanium | 1.2–1.5 |
| Aluminum | 1.5–2.0 |
| C—graphite | 1.5–2.0 |
| Coating | Microhardness, GPa | Work by Elastic Deformation, Welast, µJ | Total Work of the Process, Wtotal, µJ | Elastic Index ȠIT, % | ||||
|---|---|---|---|---|---|---|---|---|
| On Top | In Section | On Top | In Section | On Top | In Section | On Top | In Section | |
| Mo + TEAH | 11.78 | 8.10 | 0.030 | 0.029 | 0.102 | 0.118 | 29.41 | 24.58 |
| Ti-Al-C + TEAH | 2.47 | 2.99 | 0.020 | 0.028 | 0.217 | 0.227 | 9.22 | 12.33 |
| RS | 5.05 | 0.019 | 0.148 | 12.84 | ||||
| Coatings and Counter-body Surface | The Initial Surface Roughness Ra of the Coatings, µm | The Surface Roughness Ra after Polishing Before the Test, µm |
|---|---|---|
| Molybdenum + TEAH | 1.02 | 0.08 |
| Ti-Al-C + TEAH | 2.13 | 0.14 |
| RS | 0.91 | 0.04 |
| Counter-body disk (steel C45) | 0.12 | |
| Load, N | Numerical Characteristics | Friction Torque of Tested Samples, Nm | ||
|---|---|---|---|---|
| Mo + TEAH | Ti-Al-C + TEAH | Not Coated (RS) | ||
| 300 N | Average | 0.670 | 0.657 | 0.632 |
| Max | 0.703 | 0.708 | 0.672 | |
| Min | 0.376 | 0.535 | 0.458 | |
| St DEV | 0.027 | 0.027 | 0.029 | |
| 600 N | Average | 1.216 | 1.248 | 1.031 |
| Max | 1.457 | 1.308 | 1.255 | |
| Min | 0.825 | 0.874 | 0.614 | |
| St DEV | 0.095 | 0.048 | 0.138 | |
| Sample | Composition (wt.%) | |||||
|---|---|---|---|---|---|---|
| Fe | Mo | Zn | Mn | Ti | Al | |
| C45 | 97.22 | - | - | 0.8 | - | - |
| Mo-TEAH | 71.12 | 19.76 | 2.7 | 0.55 | - | - |
| Ti-Al-C-TEAH | 72.06 | - | 7.23 | 0.76 | 1.74 | 4.4 |
Disclaimer/Publisher’s Note: The statements, opinions and data contained in all publications are solely those of the individual author(s) and contributor(s) and not of MDPI and/or the editor(s). MDPI and/or the editor(s) disclaim responsibility for any injury to people or property resulting from any ideas, methods, instructions or products referred to in the content. |
© 2023 by the authors. Licensee MDPI, Basel, Switzerland. This article is an open access article distributed under the terms and conditions of the Creative Commons Attribution (CC BY) license (https://creativecommons.org/licenses/by/4.0/).
Share and Cite
Rukanskis, M.; Padgurskas, J.; Mihailov, V.; Rukuiža, R.; Žunda, A.; Baltakys, K.; Tučkutė, S. Investigation of the Lubricated Tribo-System of Modified Electrospark Coatings. Coatings 2023, 13, 825. https://doi.org/10.3390/coatings13050825
Rukanskis M, Padgurskas J, Mihailov V, Rukuiža R, Žunda A, Baltakys K, Tučkutė S. Investigation of the Lubricated Tribo-System of Modified Electrospark Coatings. Coatings. 2023; 13(5):825. https://doi.org/10.3390/coatings13050825
Chicago/Turabian StyleRukanskis, Mindaugas, Juozas Padgurskas, Valentin Mihailov, Raimundas Rukuiža, Audrius Žunda, Kęstutis Baltakys, and Simona Tučkutė. 2023. "Investigation of the Lubricated Tribo-System of Modified Electrospark Coatings" Coatings 13, no. 5: 825. https://doi.org/10.3390/coatings13050825
APA StyleRukanskis, M., Padgurskas, J., Mihailov, V., Rukuiža, R., Žunda, A., Baltakys, K., & Tučkutė, S. (2023). Investigation of the Lubricated Tribo-System of Modified Electrospark Coatings. Coatings, 13(5), 825. https://doi.org/10.3390/coatings13050825

