The Leakage Current Characteristics of High-Gradient MOA Plate and Its Heating Analysis with Coatings under High-Frequency Overvoltage
Abstract
1. Introduction
2. Analysis of the Leakage Current and Thermal Process of Surge Arrestors at High Frequency
2.1. The Leakage Current of an Arrestor Valve
2.2. Thermal Process Analysis of an Arrestor Valve
3. Leakage Current Characteristics of an Arrestor Valve under High Frequency
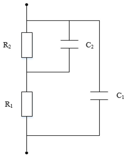
3.1. Test Equipment and Test Method
3.2. Power Characteristics of an Arrestor under High-Frequency Voltage
4. Material Characteristics and Microscopic Characteristics of a High-Gradient Valve Slice
5. Thermal Distribution of an Arrestor Considering High-Frequency Overvoltage
Thermal Process of Arrestor under Power Frequency Operating Voltage
6. Discussion of the Applicability of High-Gradient Valves under High-Order Harmonic Conditions
7. Conclusions
Author Contributions
Funding
Institutional Review Board Statement
Informed Consent Statement
Data Availability Statement
Acknowledgments
Conflicts of Interest
References
- Eda, K.; Iga, A.; Matsuoka, M. Degradation mechanism of non-Ohmic zinc oxide ceramics. J. Appl. Phys. 1980, 51, 2678. [Google Scholar] [CrossRef]
- Wang, S.; Ou, Q.; Lei, S.; Liu, H.; Mao, S.; Zhang, Q.; Liu, J.; Lv, F. Study on the Measurement of the On-Site Overvoltage and Internal Temperature Rise Simulation of the EMU Arrestor. Appl. Sci. 2022, 12, 312–321. [Google Scholar]
- Lu, H.; Zhu, F.; Liu, Q.; Li, X.; Tang, Y.; Qiu, R. Suppression of Cable Overvoltage in a High-Speed Electric Multiple Units System. IEEE Trans. Electromagn. Compat. 2019, 61, 361–371. [Google Scholar] [CrossRef]
- Li, M.; Wen, Y.; Sun, X.; Wang, G. Analysis of Propagation Characteristics of Electromagnetic Disturbance from the Off-Line of Pantograph-Catenary in High-Speed Railway Viaducts. Chin. J. Electron. 2020, 29, 966–972. [Google Scholar] [CrossRef]
- Zhang, J.; Han, Y.; Li, L.; Deng, J.; Luo, X.; Meng, Y.; Sun, Q. Study on the Unipolar Impulse Aging of ZnO Varistors and Their Condition Monitoring Methods Based on the Basic and Even-Order Harmonics of the Leakage Current Resistive Component. IEEE Trans. Power Deliv. 2022, 37, 4888–4898. [Google Scholar] [CrossRef]
- Hoshino, T.; Maruyama, S.; Sakakibara, T. Simulation of Propagating Electromagnetic Wave Due to Partial Discharge in GIS Using FDTD. IEEE Trans. Power Deliv. 2009, 24, 153–159. [Google Scholar] [CrossRef]
- Amiji, N.; Tanno, Y.; Okuma, H.; Kan, M. Homogeneity of Zinc Oxide Varistors. Adv. Ceram. Mater. 1986, 1, 232–236. [Google Scholar] [CrossRef]
- Zhang, L.; Yu, C.; Zhang, L.; Liu, W.; Wu, K.; Li, S.; Li, J. A statistical approach for effectively analyzing the grain size distribution along the thickness direction in commercial ZnO-based varistor ceramics. In Proceedings of the 2018 Condition Monitoring and Diagnosis (CMD), Perth, WA, Australia, 23–26 September 2018; IEEE: New York, NY, USA, 2018; pp. 1–6. [Google Scholar]
- Kejian, S.; Mingli, W.; Agelidis, V.G.; Hui, W. Current harmonics of three-level neutral-point-clamped electric multiple unit rectifiers: Analysis, simulation and testing. IET Power Electron. 2014, 7, 712–721. [Google Scholar] [CrossRef]
- Wu, J.; Hu, J.; Chen, S.; He, J. Harmonic Characteristics of Leakage Currents of ZnO Varistors Under Impulse Aging. IEEE Trans. Power Deliv. 2017, 32, 1758–1767. [Google Scholar] [CrossRef]
- Yasuda, E.J. Gapless Surhe Arrestors or Power Systems Applications Volume 2 BPA’s Field Installation and Evaluation of 1200-kV Arrestors: EPRI Final Report, EL-3166; EPRI: Palo Alto, CA, USA, 1983. [Google Scholar]
- Zhang, Q.; Wang, S.; Sun, K.; Dong, X.; Liu, M.; Lü, F. Study on operation voltage monitoring and electro thermal coupling simulation of electric multiple unit (EMU) roof arrester. High Volt. 2022, 7, 357–368. [Google Scholar] [CrossRef]
- Eda, K. Destruction mechanism of ZnO varistors due to high currents. J. Appl. Phys. 1984, 56, 2948–2955. [Google Scholar] [CrossRef]
- Gustavsen, B.; Portillo, A.; Ronchi, R.; Mjelve, A. High-Frequency Resonant Overvoltages in Transformer Regulating Winding Caused by Ground Fault Initiation on Feeding Cable. IEEE Trans. Power Deliv. 2018, 33, 699–708. [Google Scholar] [CrossRef]
- Xia, X. Analysis and treatment of harmonic overvoltage in wati Railway traction network. Electr. Railw. 2021, 32, 118–121. [Google Scholar]
- Zhang, B.; Li, G.; Zhang, C.; Song, J.; Chen, L.; Su, N. Internal Temperature Rise of MOA Under Pollution Condition. High Volt. Eng. 2011, 37, 2065–2072. [Google Scholar]
- Seyyedbarzegar, S.M.; Mirzaie, M. Application of finite element method for electro-thermal modeling of metal oxide surge arrestor. Comput. Appl. Eng. Educ. 2015, 23, 910–920. [Google Scholar] [CrossRef]
- Vanadamme, L.K.J.; Brugman, J.C. Conduction mechanisms in ZnO varistors. J. Appl. Phys. 2008, 51, 4240–4244. [Google Scholar] [CrossRef]
- Sun, J.; Ding, F.; Lv, Y.; Ren, J.; Song, S.; Li, T.; Zhi, Q.; Guo, C. Leakage Current Characteristics and Aging Assessment Technology of Roof Arrestor under Ultra Harmonics Overvoltage. IET High Volt. 2021, 3, 346–356. [Google Scholar]
- Cojocaru-Mirédin, O.; Schmieg, J.; Müller, M.; Weber, A.; Ivers-Tiffée, E.; Gerthsen, D. Quantifying Lithium in Lithium-ion battery solid electrolyte by atom probe tomography correlated with high-resolution scanning electron microscopy. Microsc. Microanal. 2022, 28, 760–762. [Google Scholar] [CrossRef]
- Zhao, X.; Meng, P.; Yang, X.; Yuan, Z.; Hu, J.; Li, Q.; He, J. Gradient structure design of zinc oxide varistor microsphere composites for efficient electric field grading. Compos. Part A Appl. Sci. Manuf. 2022, 153, 106731. [Google Scholar] [CrossRef]
- Li, S.; Li, J.; Liu, W.; Lin, J.; He, J.; Cheng, P. Advances in ZnO varistors in China during the past 30 years-fundamentals, processing, and applications. IEEE Electr. Insul. Mag. 2015, 31, 35–44. [Google Scholar] [CrossRef]
- Shichimiya, S.; Yamaguchi, M.; Furuse, N.; Kobayashi, M.; Ishibe, S. Development of advanced arrestors for GIS with new zinc-oxide elements. IEEE Trans. Power Deliv. 1998, 13, 465–471. [Google Scholar] [CrossRef]
- Liu, W.; Xiao, J.; Jin, S.; Yang, S.; Gao, M.; Zhang, Y. Analysison Damp Defect of 500 kV Zinc Oxide Arrester Based on Field Circuit Coupling. Insul. Surge Arresters 2022, 1, 118–125. [Google Scholar]
- Zeng, G.; Wang, X.; Liu, S.; Liu, B.; Zhang, S.; Liu, B.; Wei, Z.; Wang, Z.; Li, S. Simulation Analysis of Temperature Rise Distribu-tionCharacteristics of Damp Arrester. Hubei Electr. Power 2020, 44, 34–41. [Google Scholar]
- Fang, Z.; Wu, X.; Guo, J.; Xie, P.; Hu, J.; Li, C. Heat Dissipation Model of Arrester Under Transient Time-varying Load. High Volt. Eng. 2020, 46, 34–41. [Google Scholar]
- Zha, J.; Dang, Z.; Zhao, K.; Zheng, X.; Li, S. Prominent nonlinear electrical conduction characteristic in T-ZnOw/PTFE composites with low threshold field. IEEE Trans. Dielectr. Electr. Insul. 2012, 19, 567–573. [Google Scholar]
- Zhu, Y.; Yang, J.; Shen, J. Analysis and research on contact ablation of high voltage circuit breaker. Power Equip. 2022, 35, 5. [Google Scholar]
- Wu, Q.; Wang, Y.; Wang, Y.; Wang, J.; Lan, L.; Deng, Y.; Wen, X.; Luo, B.; Xiao, W. Ablation state assessment of SF6 circuit breaker contacts based on BP neural network and mean impact value. Energy Rep. 2022, 8, 874–883. [Google Scholar] [CrossRef]















| Sample Specification | Diameter/mm | Thickness/mm | Potential Gradient V/mm | DC Reference Voltage /kV |
|---|---|---|---|---|
| D71 (normal gradient) | 71 | 22 | 214 | 4.75 |
| D71 (high gradient) | 71 | 22 | 327 | 7.30 |
| Name | Ordinary-Gradient Valve | High-Gradient Valve Plate |
|---|---|---|
| specification/mm | D71 × 22 | D71 × 22 |
| average gradient/V·mm | 214 | 327 |
| dc reference voltage/kV | 4.75 | 7.3 |
| General-Gradient Valve Piece | High-Gradient Valves | |||||
|---|---|---|---|---|---|---|
| Frequency/Hz | 1050 | 2050 | 3050 | 1050 | 2050 | 3050 |
| Total leakage current/mA | 24.69 | 38.43 | 47.09 | 18.38 | 28.85 | 36.09 |
| Resistive leakage current/mA | 2.76 | 3.95 | 4.41 | 2.05 | 2.96 | 3.38 |
| Active power loss/W | 8.78 | 12.57 | 14.04 | 6.49 | 9.38 | 10.69 |
Disclaimer/Publisher’s Note: The statements, opinions and data contained in all publications are solely those of the individual author(s) and contributor(s) and not of MDPI and/or the editor(s). MDPI and/or the editor(s) disclaim responsibility for any injury to people or property resulting from any ideas, methods, instructions or products referred to in the content. |
© 2023 by the authors. Licensee MDPI, Basel, Switzerland. This article is an open access article distributed under the terms and conditions of the Creative Commons Attribution (CC BY) license (https://creativecommons.org/licenses/by/4.0/).
Share and Cite
Sun, J.; Fan, Y.; Zhang, K.; Liu, J.; Wang, X.; Yan, S. The Leakage Current Characteristics of High-Gradient MOA Plate and Its Heating Analysis with Coatings under High-Frequency Overvoltage. Coatings 2023, 13, 497. https://doi.org/10.3390/coatings13030497
Sun J, Fan Y, Zhang K, Liu J, Wang X, Yan S. The Leakage Current Characteristics of High-Gradient MOA Plate and Its Heating Analysis with Coatings under High-Frequency Overvoltage. Coatings. 2023; 13(3):497. https://doi.org/10.3390/coatings13030497
Chicago/Turabian StyleSun, Jixing, Yongzhi Fan, Kun Zhang, Jiyong Liu, Xin Wang, and Shengchun Yan. 2023. "The Leakage Current Characteristics of High-Gradient MOA Plate and Its Heating Analysis with Coatings under High-Frequency Overvoltage" Coatings 13, no. 3: 497. https://doi.org/10.3390/coatings13030497
APA StyleSun, J., Fan, Y., Zhang, K., Liu, J., Wang, X., & Yan, S. (2023). The Leakage Current Characteristics of High-Gradient MOA Plate and Its Heating Analysis with Coatings under High-Frequency Overvoltage. Coatings, 13(3), 497. https://doi.org/10.3390/coatings13030497

