Effects of Base Metal Preheating on the Microstructure, Mechanical Properties, and Corrosion Resistance of UNS S32750 SDSS Pulsed Nd:YAG Laser Welding
Abstract
:1. Introduction
2. Materials and Methods
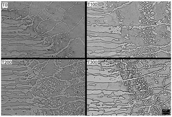
3. Results
4. Conclusions
Author Contributions
Funding
Institutional Review Board Statement
Informed Consent Statement
Data Availability Statement
Conflicts of Interest
References
- Köse, C. Fiber laser beam welding of additive manufactured 316L austenitic stainless steel with wrought 2507 super duplex and wrought 904L super austenitic stainless steels: Crystallographic texture, microstructure, and mechanical properties. Vacuum 2023, 215, 112347. [Google Scholar] [CrossRef]
- Gupta, M.K.; Singh, N.; Gupta, N. Deformation behaviour and notch sensitivity of a super duplex stainless steel at different strain rates and temperatures. Int. J. Impact Eng. 2023, 174, 104494. [Google Scholar] [CrossRef]
- Junior, E.J.D.C.; Seloto, B.B.; Ventrella, V.A.; Varasquim, F.M.F.A.; Zambon, A.; Calliari, I.; Gennari, C.; Settimi, A.G. Correction of Phase Balance on Nd: YAG pulsed laser welded uns s32750 using cobalt electroplating technique. Crystals 2023, 13, 256. [Google Scholar] [CrossRef]
- Salvetr, P.; Školáková, A.; Melzer, D.; Brázda, M.; Duchoň, J.; Drahokoupil, J.; Svora, P.; Msallamová, Š.; Novák, P. Characterization of super duplex stainless steel SAF2507 deposited by directed energy deposition. Mater. Sci. Eng. A 2022, 857, 144084. [Google Scholar] [CrossRef]
- Köse, C.; Topal, C. Effect of heat input and post-weld heat treatment on surface, texture, microstructure, and mechanical properties of dissimilar laser beam welded AISI 2507 super duplex to AISI 904L super austenitic stainless steels. J. Manuf. Process. 2022, 73, 861–894. [Google Scholar] [CrossRef]
- Arun, D.; Vimala, R.; Ramkumar, K.D. Investigating the microbial-influenced corrosion of UNS S32750 stainless-steel base alloy and weld seams by biofilm-forming marine bacterium Macrococcus equipercicus. Bioelectrochemistry 2020, 135, 107546. [Google Scholar] [CrossRef]
- Zhang, Z.; Zhao, H.; Zhang, H.; Hu, J.; Jin, J. Microstructure evolution and pitting corrosion behavior of UNS S32750 super duplex stainless steel welds after short-time heat treatment. Corros. Sci. 2017, 121, 22–31. [Google Scholar] [CrossRef]
- Zhang, Z.; Zhang, H.; Hu, J.; Qi, X.; Bian, Y.; Shen, A.; Xu, P.; Zhao, Y. Microstructure evolution and mechanical properties of briefly heat-treated SAF 2507 super duplex stainless steel welds. Constr. Build. Mater. 2018, 168, 338–345. [Google Scholar] [CrossRef]
- Saravanan, S.; Sivagurumanikandan, N.; Raghukandan, K. Effect of process parameters in microstructural and mechanical properties of Nd:YAG laser welded super duplex stainless steel. Mater. Today Proc. 2021, 39, 1248–1253. [Google Scholar] [CrossRef]
- Cruz Junior, E.J.; Franzini, O.D.; Calliari, I.; Ventrella, V.A. Effects of Nickel Addition on the Microstructure of Laser-Welded UNS S32750 Duplex Stainless Steel. Metall. Mater. Trans. A 2019, 50, 1616–1618. [Google Scholar] [CrossRef]
- Sung, C.; Shin, B.-H.; Chung, W. Effect of Heat Energy Input on Electrochemical Properties of Solution-Annealed Super-Duplex Stainless Steel UNS S 32750 Laser Welding. Int. J. Electrochem. Sci. 2022, 17, 1–9. [Google Scholar] [CrossRef]
- Tahaei, A.; Perez, A.F.M.; Merlin, M.; Valdes, F.A.R.; Garagnani, G.L. Effect of the Addition of Nickel Powder and Post Weld Heat Treatment on the Metallurgical and Mechanical Properties of the Welded UNS S32304 Duplex Stainless Steel. Soldag. Inspeção 2016, 21, 197–208. [Google Scholar] [CrossRef]
- Videira, A.M.; Mendes, W.R.; Ventrella, V.A.; Calliari, I. Increasing the Corrosion Resistance in the UNS S32750 Super Duplex Steel Welded Joints through Hybrid GTAW-Laser Welding and Nitrogen. Materials 2023, 16, 543. [Google Scholar] [CrossRef] [PubMed]
- Peng, J.; Liu, J.; Yang, X.; Ge, J.; Han, P.; Wang, X.; Li, S.; Wang, Y. Numerical Simulation of Preheating Temperature on Molten Pool Dynamics in Laser Deep-Penetration Welding. Coatings 2022, 12, 1280. [Google Scholar] [CrossRef]
- Da Cruz Junior, E.J.; Seloto, B.B.; Ventrella, V.A.; Settimi, A.G.; Gennari, C.; Zambon, A.; Calliari, I. Addition of Nickel by Watts Bath as a Way to Correct the Phase Balance on Nd:YAG Pulsed-Laser-Welded UNS S32750. Metall. Mater. Trans. A 2022, 53, 25–28. [Google Scholar] [CrossRef]
- Abdo, H.S.; Seikh, A.H.; Mohammed, J.A.; Uzzaman, T. Ameliorative Corrosion Resistance and Microstructure Characterization of 2205 Duplex Stainless Steel by Regulating the Parameters of Pulsed Nd:YAG Laser Beam Welding. Metals 2021, 11, 1206. [Google Scholar] [CrossRef]
- Mohammed, G.R.; Ishak, M.; Aqida, S.N.; Abdulhadi, H.A. Effects of Heat Input on Microstructure, Corrosion and Mechanical Characteristics of Welded Austenitic and Duplex Stainless Steels: A Review. Metals 2017, 7, 39. [Google Scholar] [CrossRef]
- Khan, W.N.; Mahajan, S.; Chhibber, R. Investigations on Reformed Austenite in the Microstructure of Dissimilar Super Duplex/Pipeline Steel Weld. Mater. Lett. 2021, 285, 129109. [Google Scholar] [CrossRef]
- Varbai, B.; Pickle, T.; Májlinger, K. Effect of heat input and role of nitrogen on the phase evolution of 2205 duplex stainless steel weldment. Int. J. Press. Vessel. Pip. 2019, 176, 103952. [Google Scholar] [CrossRef]
- Lapsanska, H.; Chmelickova, H.; Hrabovsky, M. Effect of Beam Energy on Weld Geometric Characteristics in Nd:YAG Laser Overlapping 85 Spot Welding of Thin AISI 304 Stainless Steel Sheets. Metall. Mater. Trans. B 2010, 41, 1108–1115. [Google Scholar] [CrossRef]
- Ramkumar, K.D.; Thiruvengatam, G.; Sudharsan, S.P.; Mishra, D.; Arivazhagan, N.; Sridhar, R. Characterization of Weld Strength and Impact Toughness in the Multi-Pass Welding of Super-Duplex Stainless Steel UNS 32750. Mater. Des. 2014, 60, 125–135. [Google Scholar] [CrossRef]
- M-CR-601; Common Requirements Welding and Inspection Of Piping. Norsok Standard: Lysaker, Norway, 2004; pp. 1–13.
- Kang, D.H.; Lee, H.W. Study of the Correlation between Pitting Corrosion and the Component Ratio of the Dual Phase in Duplex Stainless Steel Welds. Corros. Sci. 2013, 74, 396–407. [Google Scholar] [CrossRef]
- Mitra, S.; Kumar, A.; Velu, M. Characterization of Gas Tungsten Arc welded dissimilar joint of AISI2205 and EN10025. Mater. Today: Proc. 2023, 1–6. [Google Scholar] [CrossRef]
- Amiri, E.; Ostovan, F.; Toozandehjani, M.; Shafiei, E.; Mohamed, I.F. Study and selection of most appropriate filler rod for GTAW of S32750 super duplex steel joints: A comprehensive study on microstructural, mechanical and corrosion properties. Mater. Chem. Phys. 2021, 270, 124839. [Google Scholar] [CrossRef]
- Wang, Q.; Gu, G.; Jia, C.; Li, K.; Wu, C. Investigation of microstructure evolution, mechanical and corrosion properties of SAF 2507 super duplex stainless steel joints by keyhole plasma arc welding. J. Mater. Res. Technol. 2023, 22, 355–374. [Google Scholar] [CrossRef]







| Cr | Ni | Mo | Mn | Si | N | Cu | P | C | S | Fe | 
|---|---|---|---|---|---|---|---|---|---|---|
| 25.61 | 6.97 | 3.84 | 0.63 | 0.29 | 0.27 | 0.15 | 0.02 | 0.018 | 0.001 | balance | 
| PREN = %Cr + 3.3%Mo + 16%N = 42.6 | ||||||||||
| Cr equivalent = 29.45 | ||||||||||
| Ni equivalent = 13.01 | ||||||||||
| Sample | Width [mm] | Depth [mm] | Area [mm2] | 
|---|---|---|---|
| T0 | 0.45 ± 0.02 | 0.93 ± 0.01 | 0.49 ± 0.01 | 
| T100 | 0.79 ± 0.01 | 1.06 ± 0.01 | 0.77 ± 0.01 | 
| T200 | 0.78 ± 0.02 | 1.08 ± 0.02 | 0.78 ± 0.01 | 
| T300 | 0.78 ± 0.02 | 1.09 ± 0.02 | 0.78 ± 0.02 | 
| Sample | Ferrite [%] | Austenite [%] | 
|---|---|---|
| T0 | 91.4 ± 0.6 | 8.6 ± 0.6 | 
| T100 | 74.4 ± 0.9 | 25.6 ± 0.9 | 
| T200 | 70.7 ± 0.9 | 29.3 ± 0.9 | 
| T300 | 67.1 ± 0.4 | 32.9 ± 0.4 | 
| Sample | Microhardness [HV] | 
|---|---|
| Base Metal | 298 ± 3 | 
| T0 | 377 ± 2 | 
| T100 | 330 ± 1 | 
| T200 | 326 ± 2 | 
| T300 | 322 ± 1 | 
| Disclaimer/Publisher’s Note: The statements, opinions and data contained in all publications are solely those of the individual author(s) and contributor(s) and not of MDPI and/or the editor(s). MDPI and/or the editor(s) disclaim responsibility for any injury to people or property resulting from any ideas, methods, instructions or products referred to in the content. | 
© 2023 by the authors. Licensee MDPI, Basel, Switzerland. This article is an open access article distributed under the terms and conditions of the Creative Commons Attribution (CC BY) license (https://creativecommons.org/licenses/by/4.0/).
Share and Cite
da Cruz Junior, E.J.; Varasquim, F.M.F.A.; Crespo, G.S.; Ventrella, V.A.; Zambon, A.; Calliari, I. Effects of Base Metal Preheating on the Microstructure, Mechanical Properties, and Corrosion Resistance of UNS S32750 SDSS Pulsed Nd:YAG Laser Welding. Coatings 2023, 13, 1930. https://doi.org/10.3390/coatings13111930
da Cruz Junior EJ, Varasquim FMFA, Crespo GS, Ventrella VA, Zambon A, Calliari I. Effects of Base Metal Preheating on the Microstructure, Mechanical Properties, and Corrosion Resistance of UNS S32750 SDSS Pulsed Nd:YAG Laser Welding. Coatings. 2023; 13(11):1930. https://doi.org/10.3390/coatings13111930
Chicago/Turabian Styleda Cruz Junior, Eli J., Francisco M. F. A. Varasquim, Gillian S. Crespo, Vicente. A. Ventrella, Andrea Zambon, and Irene Calliari. 2023. "Effects of Base Metal Preheating on the Microstructure, Mechanical Properties, and Corrosion Resistance of UNS S32750 SDSS Pulsed Nd:YAG Laser Welding" Coatings 13, no. 11: 1930. https://doi.org/10.3390/coatings13111930
APA Styleda Cruz Junior, E. J., Varasquim, F. M. F. A., Crespo, G. S., Ventrella, V. A., Zambon, A., & Calliari, I. (2023). Effects of Base Metal Preheating on the Microstructure, Mechanical Properties, and Corrosion Resistance of UNS S32750 SDSS Pulsed Nd:YAG Laser Welding. Coatings, 13(11), 1930. https://doi.org/10.3390/coatings13111930
 
        





 
       