Mechanical Properties and Residual Stress Measurement of TiN/Ti Duplex Coating Using HiPIMS TiN on Cold Spray Ti
Abstract
:1. Introduction
2. Experimental Procedure
2.1. Ti Cold-Spray Deposition
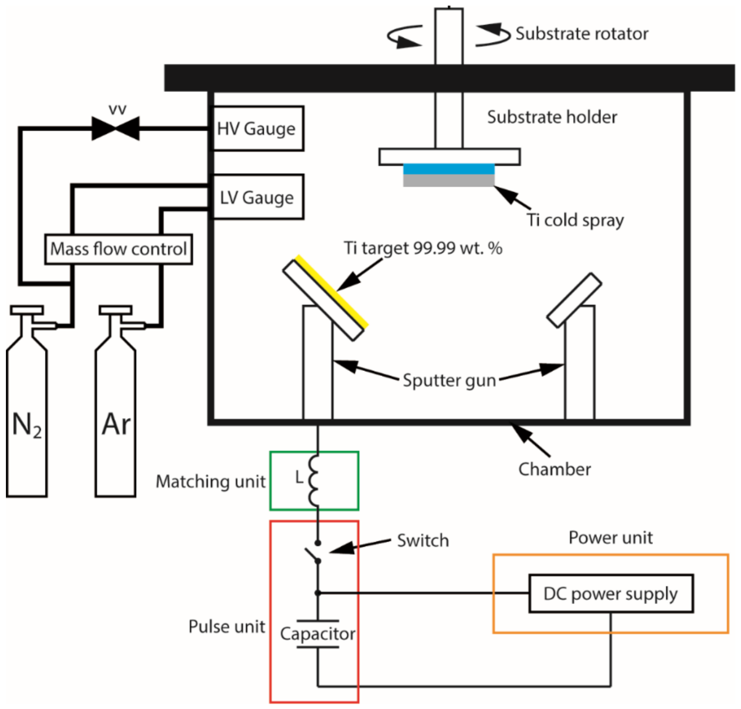
2.2. TiN Thin Film HiPIMS Deposition
2.3. Nano-Indentation Testing, Surface Profilometer and Atomic Force Microscope (AFM)
2.4. FIB–DIC
2.5. Methods of Residual Stress Measurement
3. Results and Discussion
3.1. Roughness and Hardness Measurement
3.2. DIC Displacement and Strain Measurement
3.3. Residual Stress of TiN Thin Film and TiN/Ti Duplex Coating
3.4. Discussion
4. Conclusions
Author Contributions
Funding
Institutional Review Board Statement
Informed Consent Statement
Data Availability Statement
Conflicts of Interest
References
- Goldbaum, D.; Manimuda, P.; Kamath, G.; Descartes, S.; Klemberg-Sapieha, J.E.; Chromik, R.R. Tribological behavior of TiN and Ti (Si,C)N coatings on cold sprayed Ti substrates. Surf. Coat. Technol. 2016, 291, 264–275. [Google Scholar] [CrossRef]
- Fardan, A.; Berndt, C.C.; Ahmed, R. Numerical modelling of particle impact and residual stresses in cold sprayed coatings: A review. Surf. Coat. Technol. 2021, 409, 126835. [Google Scholar] [CrossRef]
- Alidokht, S.A.; Vo, P.; Yue, S.; Chromik, R.R. Cold Spray Deposition of Ni and WC-Reinforced Ni Matrix Composite Coatings. J. Therm. Spray Technol. 2017, 109, 1908–1921. [Google Scholar] [CrossRef]
- Walker, M. Microstructure and bonding mechanisms in cold spray coatings. Mater. Sci. Technol. 2018, 34, 2057–2077. [Google Scholar] [CrossRef]
- Wong, W.; Irissou, E.; Ryabinin, A.N.; Legoux, J.G.; Yue, S. Influence of helium and nitrogen gases on the properties of cold gas dynamic sprayed pure titanium coatings. J. Therm. Spray Technol. 2011, 20, 213–226. [Google Scholar] [CrossRef] [Green Version]
- Kouznetsov, V.; Macák, K.; Schneider, J.M.; Helmersson, U.; Petrov, I. A novel pulsed magnetron sputter technique utilizing very high target power densities. Surf. Coat. Technol. 1999, 122, 290–293. [Google Scholar] [CrossRef]
- Ehiasarian, A.P.; New, R.; Münz, W.D.; Hultman, L.; Helmersson, U.; Kouznetsov, V. Influence of high power densities on the composition of pulsed magnetron plasmas. Vacuum 2002, 65, 147–154. [Google Scholar] [CrossRef]
- Helmersson, U.; Lattemann, M.; Bohlmark, J.; Ehiasarian, A.P.; Gudmundsson, J.T. Ionized physical vapor deposition (IPVD): A review of technology and applications. Thin Solid Films 2006, 513, 1–24. [Google Scholar] [CrossRef] [Green Version]
- Kubart, T.; Čada, M.; Lundin, D.; Hubička, Z. Investigation of ionized metal flux fraction in HiPIMS discharges with Ti and Ni targets. Surf. Coat. Technol. 2014, 238, 152–157. [Google Scholar] [CrossRef]
- Čapek, J.; Hála, M.; Zabeida, O.; Klemberg-Sapieha, J.E.; Martinu, L. Steady state discharge optimization in high-power impulse magnetron sputtering through the control of the magnetic field. J. Appl. Phys. 2012, 111, 23301. [Google Scholar] [CrossRef]
- Hála, M.; Čapek, J.; Zabeida, O.; Klemberg-Sapieha, J.E.; Martinu, L. Pulse management in high power pulsed magnetron sputtering of niobium. Surf. Coat. Technol. 2012, 206, 4186–4193. [Google Scholar] [CrossRef]
- Ehiasarian, A.P.; Hovsepian, P.E.; Hultman, L.; Helmersson, U. Comparison of microstructure and mechanical properties of chromium nitride-based coatings deposited by high power impulse magnetron sputtering and by the combined steered cathodic arc/unbalanced magnetron technique. Thin Solid Films 2004, 457, 270–277. [Google Scholar] [CrossRef]
- Hultman, L.; Sundgren, J.E.; Greene, J.; Bergstrom, D.; Petrov, I. High-flux low-energy (≂20 eV) N+ 2 ion irradiation during TiN deposition by reactive magnetron sputtering: Effects on microstructure and preferred orientation. J. Appl. Phys. 1995, 78, 5395–5403. [Google Scholar] [CrossRef]
- Chen, W.-C.; Wang, Z.-Y.; Yu, C.-Y.; Liao, B.-H.; Lin, M.-T. A study of the phase transformation of low temperature deposited tantalum thin films using high power impulse magnetron sputtering and pulsed DC magnetron sputtering. Surf. Coat. Technol. 2022, 436, 128288. [Google Scholar] [CrossRef]
- Chen, T.Y.-F.; Chou, Y.-C.; Wang, Z.-Y.; Lin, W.-Y.; Lin, M.-T. Using Digital Image Correlation on SEM Images of Strain Field after Ion Beam Milling for the Residual Stress Measurement of Thin Films. Materials 2020, 13, 1291. [Google Scholar] [CrossRef] [Green Version]
- Sebastiani, M.; Eberl, C.; Bemporad, E.; Pharr, G.M. Depth-resolved residual stress analysis of thin coatings by a new FIB–DIC method. Mater. Sci. Eng. A 2011, 528, 7901–7908. [Google Scholar] [CrossRef]
- Korsunsky, A.M.; Sebastiani, M.; Bemporad, E. Focused ion beam ring drilling for residual stress evaluation. Mater. Lett. 2009, 63, 1961–1963. [Google Scholar] [CrossRef]
- Korsunsky, A.M.; Salvati, E.; Lunt, A.G.J.; Sui, T.; Mughal, M.Z.; Daniel, R.; Keckes, J.; Bemporad, E.; Sebastiani, M. Nanoscale residual stress depth profiling by Focused Ion Beam milling and eigenstrain analysis. Mater. Des. 2018, 145, 55–64. [Google Scholar] [CrossRef]
- Korsunsky, A.M.; Sebastiani, M.; Bemporad, E. Residual stress evaluation at the micrometer scale: Analysis of thin coatings by FIB milling and digital image correlation. Surf. Coat. Technol. 2010, 205, 2393–2403. [Google Scholar] [CrossRef]
- ASTM International, ASTM B265-20a. Available online: https://www.astm.org/b0265-20a.html (accessed on 9 April 2022).
- Ajaja, J.; Goldbaum, D.; Chromik, R.R. Characterization of Ti cold spray coatings by indentation methods. Acta Astronaut. 2011, 69, 923–928. [Google Scholar] [CrossRef]
- Goldbaum, D.; Ajaja, J.; Chromik, R.R.; Wong, W.; Yue, S.; Irissou, E.; Legoux, J.G. Mechanical behavior of Ti cold spray coatings determined by a multi-scale indentation method. Mater. Sci. Eng. A 2011, 530, 253–265. [Google Scholar] [CrossRef] [Green Version]
- Goldbaum, D.; Chromik, R.R.; Brodusch, N.; Gauvin, R. Microstructure and Mechanical Properties of Ti Cold-Spray Splats Determined by Electron Channeling Contrast Imaging and Nanoindentation Mapping. Microsc. Microanal. 2015, 21, 570–581. [Google Scholar] [CrossRef] [PubMed]
- Wang, Z.; Zhang, D.; Ke, P.; Liu, X.; Wang, A. Influence of Substrate Negative Bias on Structure and Properties of TiN Coatings Prepared by Hybrid HIPIMS Method. J. Mater. Sci. Technol. 2015, 31, 37–42. [Google Scholar] [CrossRef]
- Elmkhah, H.; Attarzadeh, F.; Fattah-alhosseini, A.; Kim, K.H. Microstructural and electrochemical comparison between TiN coatings deposited through HIPIMS and DCMS techniques. J. Alloys Compd. 2018, 735, 422–429. [Google Scholar] [CrossRef]
- Lei, S.; Huang, J.-H.; Chen, H. Measurement of residual stress on TiN/Ti bilayer thin films using average X-ray strain combined with laser curvature and nanoindentation methods. Mater. Chem. Phys. 2017, 199, 185–192. [Google Scholar] [CrossRef]
- ASTM International, ASTM E837-08. Available online: https://www.astm.org/e0837-08.html (accessed on 9 April 2022).
- Chen, T.Y.-F.; Chen, T.-C.; Cheng, F.-Y.; Tsai, A.-T.; Lin, M.-T. Digital image correlation of SEM images for surface deformation of CMOS IC. Microelectron. Eng. 2018, 201, 16–21. [Google Scholar] [CrossRef]
- Chen, T.Y.-F.; Dang, N.M.; Wang, Z.-Y.; Chang, L.-W.; Ku, W.-Y.; Lo, Y.-L.; Lin, M.-T. Use of Digital Image Correlation Method to Measure Bio-Tissue Deformation. Coatings 2021, 11, 924. [Google Scholar] [CrossRef]
- Moridi, A.; Gangaraj, S.M.H.; Vezzu, S.; Guagliano, M. Number of Passes and Thickness Effect on Mechanical Characteristics of Cold Spray Coating. Procedia Eng. 2014, 74, 449–459. [Google Scholar] [CrossRef] [Green Version]
- Suhonen, T.; Varis, T.; Dost, S.; Torrell, M.; Guilemany, J.M. Residual stress development in cold sprayed Al, Cu and Ti coatings. Acta Mater. 2013, 61, 6329–6337. [Google Scholar] [CrossRef]
- Luzin, V.; Kirstein, O.; Zahiri, S.H.; Fraser, D. Residual Stress Buildup in Ti Components Produced by Cold Spray Additive Manufacturing (CSAM). J. Therm. Spray Tech. 2020, 29, 1498–1507. [Google Scholar] [CrossRef]













| HiPIMS Conditions | TiN | Ti |
|---|---|---|
| Power (W) | 150 | 40 |
| Process Pressure (Torr) | 5 × 10−3 | 5 × 10−3 |
| On/off time (µs) | 40/360 | 40/40 |
| Time (min) | 30 | 10 |
| Rate of N2:Ar gas (sccm) | 3:18 | 0:18 |
| Voltage (V) | 550 | 404 |
| Thickness (nm) | 600 | 50 |
| Sample | Modulus (GPa) | Hardness (GPa) |
|---|---|---|
| Ti 2p | 113.10 ± 9.63 | 2.405 ± 0.2 |
| Ti 8p | 114.26 ± 8.95 | 2.74 ± 0.29 |
| Ti 14p | 106.54 ± 12.81 | 2.68 ± 0.26 |
| Sample | Modulus (GPa) | Hardness (GPa) |
|---|---|---|
| TiN/Ti 2p | 167.35 ± 5.64 | 21.36 ± 1.13 |
| TiN/Ti 8p | 182.68 ± 8.98 | 21.96 ± 0.87 |
| TiN/Ti 14p | 159.24 ± 6.75 | 21.67 ± 0.50 |
Publisher’s Note: MDPI stays neutral with regard to jurisdictional claims in published maps and institutional affiliations. |
© 2022 by the authors. Licensee MDPI, Basel, Switzerland. This article is an open access article distributed under the terms and conditions of the Creative Commons Attribution (CC BY) license (https://creativecommons.org/licenses/by/4.0/).
Share and Cite
Dang, N.M.; Lin, W.-Y.; Wang, Z.-Y.; Alidokht, S.A.; Chromik, R.R.; Chen, T.Y.-F.; Lin, M.-T. Mechanical Properties and Residual Stress Measurement of TiN/Ti Duplex Coating Using HiPIMS TiN on Cold Spray Ti. Coatings 2022, 12, 759. https://doi.org/10.3390/coatings12060759
Dang NM, Lin W-Y, Wang Z-Y, Alidokht SA, Chromik RR, Chen TY-F, Lin M-T. Mechanical Properties and Residual Stress Measurement of TiN/Ti Duplex Coating Using HiPIMS TiN on Cold Spray Ti. Coatings. 2022; 12(6):759. https://doi.org/10.3390/coatings12060759
Chicago/Turabian StyleDang, Nhat Minh, Wen-Yen Lin, Zhao-Ying Wang, Sima Ahmad Alidokht, Richard R. Chromik, Terry Yuan-Fang Chen, and Ming-Tzer Lin. 2022. "Mechanical Properties and Residual Stress Measurement of TiN/Ti Duplex Coating Using HiPIMS TiN on Cold Spray Ti" Coatings 12, no. 6: 759. https://doi.org/10.3390/coatings12060759
APA StyleDang, N. M., Lin, W.-Y., Wang, Z.-Y., Alidokht, S. A., Chromik, R. R., Chen, T. Y.-F., & Lin, M.-T. (2022). Mechanical Properties and Residual Stress Measurement of TiN/Ti Duplex Coating Using HiPIMS TiN on Cold Spray Ti. Coatings, 12(6), 759. https://doi.org/10.3390/coatings12060759

