Influence of Texture and Thickness of Pyrocarbon Coatings as Interphase on the Mechanical Behavior of Specific 2.5D SiC/SiC Composites Reinforced with Hi-Nicalon S Fibers
Abstract
1. Introduction
2. Materials and Methods
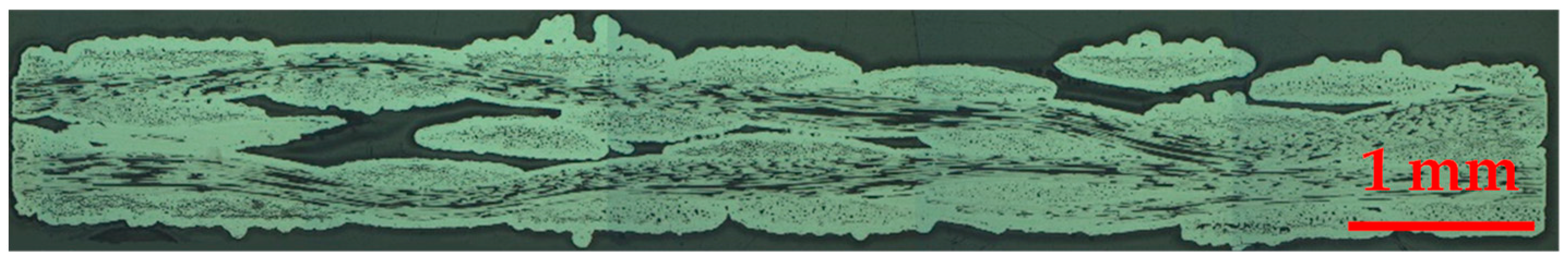
2.1. SiC/SiC Specimen Processing
2.2. Thermal Induced Residual Stresses
2.3. Characterization of PyC Texture
2.4. Mechanical Tests
2.4.1. Push-Out Tests
2.4.2. Tensile Mechanical Tests
3. Results
3.1. Pyrocarbon Texture Characterization
3.2. Push-Out Tests
3.3. Tensile Tests
3.3.1. Tensile Mechanical Behavior
3.3.2. Unloading–Reloading Cycles Analysis
4. Discussion
5. Conclusions
Author Contributions
Funding
Institutional Review Board Statement
Informed Consent Statement
Data Availability Statement
Acknowledgments
Conflicts of Interest
References
- Spriet, P. CMC Applications to Gas Turbines. In Ceramic Matrix Composites; John Wiley & Sons, Ltd.: Hoboken, NJ, USA, 2014; pp. 591–608. ISBN 978-1-118-83299-8. [Google Scholar]
- DiCarlo, J.A. Advances in SiC/SiC Composites for Aero-Propulsion. In Ceramic Matrix Composites; John Wiley & Sons, Ltd.: Hoboken, NJ, USA, 2014; pp. 217–235. ISBN 978-1-118-83299-8. [Google Scholar]
- Lewis, D.A.; Hogan, M.T.; McMahon, J.; Kinney, S. Application of Uncooled Ceramic Matrix Composite for Turbine Blades for Performance Improvement of Advanced Turboshaft Engines; Annual Forum Proceedings-American Helicopter Society: Montréal, QC, Canada, 2008; pp. 961–966. [Google Scholar]
- Katoh, Y.; Snead, L.L.; Szlufarska, I.; Weber, W.J. Radiation Effects in SiC for Nuclear Structural Applications. Curr. Opin. Solid State Mater. Sci. 2012, 16, 143–152. [Google Scholar] [CrossRef]
- Katoh, Y. Radiation Effects. In Ceramic Matrix Composites; John Wiley & Sons, Ltd.: Hoboken, NJ, USA, 2014; pp. 389–404. ISBN 978-1-118-83299-8. [Google Scholar]
- Sauder, C. Nuclear Applications. In Ceramic Matrix Composites; John Wiley & Sons, Ltd.: Hoboken, NJ, USA, 2014; pp. 609–646. ISBN 978-1-118-83299-8. [Google Scholar]
- Terrani, K.A. Accident Tolerant Fuel Cladding Development: Promise, Status, and Challenges. J. Nucl. Mater. 2018, 501, 13–30. [Google Scholar] [CrossRef]
- Katoh, Y.; Ozawa, K.; Shih, C.; Nozawa, T.; Shinavski, R.J.; Hasegawa, A.; Snead, L.L. Continuous SiC Fiber, CVI SiC Matrix Composites for Nuclear Applications: Properties and Irradiation Effects. J. Nucl. Mater. 2014, 448, 448–476. [Google Scholar] [CrossRef]
- Koyanagi, T.; Katoh, Y.; Nozawa, T. Design and Strategy for Next-Generation Silicon Carbide Composites for Nuclear Energy. J. Nucl. Mater. 2020, 540, 152375. [Google Scholar] [CrossRef]
- Katoh, Y.; Snead, L.L. Silicon Carbide and Its Composites for Nuclear Applications—Historical Overview. J. Nucl. Mater. 2019, 526, 151849. [Google Scholar] [CrossRef]
- Koyanagi, T.; Nozawa, T.; Katoh, Y.; Snead, L.L. Mechanical Property Degradation of High Crystalline SiC Fiber–Reinforced SiC Matrix Composite Neutron Irradiated to ~100 Displacements per Atom. J. Eur. Ceram. Soc. 2018, 38, 1087–1094. [Google Scholar] [CrossRef]
- Kagawa, Y. Two Approaches for Interface Design of Continuous Fiber Ceramic Matrix Composites. Ceram. Trans. 1998, 99, 179–185. [Google Scholar]
- Lamon, J.; Rebillat, F.; Evans, A.G. Microcomposite Test Procedure for Evaluating the Interface Properties of Ceramic Matrix Composites. J. Am. Ceram. Soc. 1995, 78, 401–405. [Google Scholar] [CrossRef]
- Naslain, R. Fibre-Matrix Interphases and Interfaces in Ceramic Matrix Composites Processed by CVI. Compos. Interfaces 1993, 1, 253–286. [Google Scholar] [CrossRef]
- Vallerot, J.-M.; Bourrat, X.; Mouchon, A.; Chollon, G. Quantitative Structural and Textural Assessment of Laminar Pyrocarbons through Raman Spectroscopy, Electron Diffraction and Few Other Techniques. Carbon 2006, 44, 1833–1844. [Google Scholar] [CrossRef]
- Lavenac, J.; Langlais, F.; Féron, O.; Naslain, R. Microstructure of the Pyrocarbon Matrix in Carbon/Carbon Composites. Compos. Sci. Technol. 2001, 61, 339–345. [Google Scholar] [CrossRef]
- Fellah, C.; Braun, J.; Sauder, C.; Sirotti, F.; Berger, M.H. Impact of Ex-PAN Carbon Fibers Thermal Treatment on the Mechanical Behavior of C/SiC Composites and on the Fiber/Matrix Coupling. Carbon Trends 2021, 5, 100107. [Google Scholar] [CrossRef]
- Zhao, D.; Guo, T.; Fan, X.; Chen, C.; Ma, Y. Effect of Pyrolytic Carbon Interphase on Mechanical Properties of Mini T800-C/SiC Composites. J. Adv. Ceram. 2021, 10, 219–226. [Google Scholar] [CrossRef]
- Duan, H.; Zhang, Z.; Li, L.; Li, W. Effect of Pyrocarbon Interphase Texture and Thickness on Tensile Damage and Fracture in T-700TM Carbon Fiber–Reinforced Silicon Carbide Minicomposites. J. Am. Ceram. Soc. 2022, 105, 2171–2181. [Google Scholar] [CrossRef]
- Yang, W.; Araki, H.; Noda, T.; Park, J.Y.; Katoh, Y.; Hinoki, T.; Yu, J.; Kohyama, A. Hi-Nicalon Fiber-Reinforced CVI-SiC Matrix Composites: I Effects of PyC and PyC-SiC Multilayers on the Fracture Behaviors and Flexural Properties. Mater. Trans. 2002, 43, 2568–2573. [Google Scholar] [CrossRef][Green Version]
- Sauder, C.; Brusson, A.; Lamon, J. Influence of Interface Characteristics on the Mechanical Properties of Hi-Nicalon Type-S or Tyranno-SA3 Fiber-Reinforced SiC/SiC Minicomposites: Influence of Interface Characteristics on the Mechanical Properties. Int. J. Appl. Ceram. Technol. 2010, 7, 291–303. [Google Scholar] [CrossRef]
- Kabel, J.; Yang, Y.; Balooch, M.; Howard, C.; Koyanagi, T.; Terrani, K.A.; Katoh, Y.; Hosemann, P. Micro-Mechanical Evaluation of SiC-SiC Composite Interphase Properties and Debond Mechanisms. Compos. Part B Eng. 2017, 131, 173–183. [Google Scholar] [CrossRef]
- Karakoc, O.; Koyanagi, T.; Nozawa, T.; Katoh, Y. Fiber/Matrix Debonding Evaluation of SiCf/SiC Composites Using Micropillar Compression Technique. Compos. Part B Eng. 2021, 224, 109189. [Google Scholar] [CrossRef]
- Nakazato, N.; Kishimoto, H.; Park, J.-S. Appropriate Thickness of Pyrolytic Carbon Coating on SiC Fiber Reinforcement to Secure Reasonable Quasi-Ductility on NITE SiC/SiC Composites. Ceram. Int. 2018, 44, 19307–19313. [Google Scholar] [CrossRef]
- Braun, J.; Sauder, C. Mechanical Behavior of SiC/SiC Composites Reinforced with New Tyranno SA4 Fibers: Effect of Interphase Thickness and Comparison with Tyranno SA3 and Hi-Nicalon S Reinforced Composites. J. Nucl. Mater. 2022, 558, 153367. [Google Scholar] [CrossRef]
- Buet, E.; Sauder, C.; Sornin, D.; Poissonnet, S.; Rouzaud, J.-N.; Vix-Guterl, C. Influence of Surface Fibre Properties and Textural Organization of a Pyrocarbon Interphase on the Interfacial Shear Stress of SiC/SiC Minicomposites Reinforced with Hi-Nicalon S and Tyranno SA3 Fibres. J. Eur. Ceram. Soc. 2014, 34, 179–188. [Google Scholar] [CrossRef]
- Snead, L.L.; Burchell, T.D.; Katoh, Y. Swelling of Nuclear Graphite and High Quality Carbon Fiber Composite under Very High Irradiation Temperature. J. Nucl. Mater. 2008, 381, 55–61. [Google Scholar] [CrossRef]
- Dong, S.M.; Chollon, G.; Re, C.L.E.; Lahaye, M.; Guette, A.; Bruneel, J.L.; Couzi, M.; Naslain, R.; Jiang, D.L. Characterization of Nearly Stoichiometric SiC Ceramic Fibres. J. Mater. Sci. 2001, 36, 2371–2381. [Google Scholar] [CrossRef]
- Sauder, C.; Lamon, J. Tensile Creep Behavior of SiC-Based Fibers with a Low Oxygen Content. J. Am. Ceram. Soc. 2007, 90, 1146–1156. [Google Scholar] [CrossRef]
- Buet, E.; Sauder, C.; Poissonnet, S.; Brender, P.; Gadiou, R.; Vix-Guterl, C. Influence of Chemical and Physical Properties of the Last Generation of Silicon Carbide Fibres on the Mechanical Behaviour of SiC/SiC Composite. J. Eur. Ceram. Soc. 2012, 32, 547–557. [Google Scholar] [CrossRef]
- Bhatt, R.T.; Cosgriff, L.M.; Fox, D.S. Influence of Fiber Architecture on Impact Resistance of Uncoated SiC/SiC Composites. In Design, Development, and Applications of Engineering Ceramics and Composites; John Wiley & Sons, Ltd.: Hoboken, NJ, USA, 2010; pp. 97–104. ISBN 978-0-470-90983-6. [Google Scholar]
- Nozawa, T.; Katoh, Y.; Snead, L.L. The Effects of Neutron Irradiation on Shear Properties of Monolayered PyC and Multilayered PyC/SiC Interfaces of SiC/SiC Composites. J. Nucl. Mater. 2007, 367–370, 685–691. [Google Scholar] [CrossRef]
- Katoh, Y.; Nozawa, T.; Snead, L.L.; Hinoki, T. Effect of Neutron Irradiation on Tensile Properties of Unidirectional Silicon Carbide Composites. J. Nucl. Mater. 2007, 367–370, 774–779. [Google Scholar] [CrossRef]
- Nozawa, T.; Koyanagi, T.; Katoh, Y.; Tanigawa, H. High-Dose, Intermediate-Temperature Neutron Irradiation Effects on Silicon Carbide Composites with Varied Fiber/Matrix Interfaces. J. Eur. Ceram. Soc. 2019, 39, 2634–2647. [Google Scholar] [CrossRef]
- Michaux, A.; Sauder, C.; Camus, G.; Pailler, R. Young’s Modulus, Thermal Expansion Coefficient and Fracture Behavior of Selected Si–B–C Based Carbides in the 20–1200 °C Temperature Range as Derived from the Behavior of Carbon Fiber Reinforced Microcomposites. J. Eur. Ceram. Soc. 2007, 27, 3551–3560. [Google Scholar] [CrossRef]
- Braun, J.; Sauder, C.; Lamon, J.; Balbaud-Célérier, F. Influence of an Original Manufacturing Process on the Properties and Microstructure of SiC/SiC Tubular Composites. Compos. Part A Appl. Sci. Manuf. 2019, 123, 170–179. [Google Scholar] [CrossRef]
- Kabel, J.; Edwards, T.E.J.; Sharma, A.; Michler, J.; Hosemann, P. Direct Observation of the Elasticity-Texture Relationship in Pyrolytic Carbon via in Situ Micropillar Compression and Digital Image Correlation. Carbon 2021, 182, 571–584. [Google Scholar] [CrossRef]
- ISO 20323:2018. Fine Ceramics (Advanced Ceramics, Advanced Technical Ceramics)—Mechanical Properties of Ceramic Composites at Ambient Temperature in Air Atmospheric Pressure—Determination of Tensile Properties of Tubes: International Organization for Standardization. 2018. Available online: https://www.iso.org/standard/67672.html (accessed on 14 March 2022).
- Camus, G.; Guillaumat, L.; Baste, S. Development of Damage in a 2D Woven C/SiC Composite under Mechanical Loading: I. Mechanical Characterization. Compos. Sci. Technol. 1996, 56, 1363–1372. [Google Scholar] [CrossRef]
- Baste, S. Inelastic Behaviour of Ceramic-Matrix Composites. Compos. Sci. Technol. 2001, 61, 2285–2297. [Google Scholar] [CrossRef]
- Domergue, J.-M.; Vagaggini, E.; Evans, A.G. Relationships between Hysteresis Measurements and the Constituent Properties of Ceramic Matrix Composites: II, Experimental Studies on Unidirectional Materials. J. Am. Ceram. Soc. 1995, 78, 2721–2731. [Google Scholar] [CrossRef]
- Igawa, N.; Taguchi, T.; Snead, L.L.; Katoh, Y.; Jitsukawa, S.; Kohyama, A.; McLaughlin, J.C. Optimizing the Fabrication Process for Superior Mechanical Properties in the FCVI SiC Matrix/Stoichiometric SiC Fiber Composite System. J. Nucl. Mater. 2002, 307–311, 1205–1209. [Google Scholar] [CrossRef]
- Yang, W.; Noda, T.; Araki, H.; Yu, J.; Kohyama, A. Mechanical Properties of Several Advanced Tyranno-SA Fiber-Reinforced CVI-SiC Matrix Composites. Mater. Sci. Eng. A 2003, 345, 28–35. [Google Scholar] [CrossRef]
- Evans, A.G.; Zok, F.W. The Physics and Mechanics of Fibre-Reinforced Brittle Matrix Composites. J. Mater. Sci. 1994, 29, 3857–3896. [Google Scholar] [CrossRef]
- Lissart, N.; Lamon, J. Damage and Failure in Ceramic Matrix Minicomposites: Experimental Study and Model. Acta Mater. 1997, 45, 1025–1044. [Google Scholar] [CrossRef]
- Fellah, C.; Braun, J.; Sauder, C.; Sirotti, F.; Berger, M.-H. Influence of the Carbon Interface on the Mechanical Behavior of SiC/SiC Composites. Compos. Part A Appl. Sci. Manuf. 2020, 133, 105867. [Google Scholar] [CrossRef]
- Bouchard, E.; Lavenac, J.; Roux, J.-C.; Langlais, F.; Delhaès, P. Pyrocarbon Deposits on a Graphite Surface Observed by STM. Chem. Vap. Depos. 2001, 7, 125–130. [Google Scholar] [CrossRef]
- Nozawa, T.; Katoh, Y.; Snead, L.L. The Effect of Neutron Irradiation on the Fiber/Matrix Interphase of Silicon Carbide Composites. J. Nucl. Mater. 2009, 384, 195–211. [Google Scholar] [CrossRef]














| Characteristic | HNS Fiber |
|---|---|
| Lot number/Type | 418206 |
| Young Modulus E (GPa) | 381 |
| Strength (GPa) | 2.7 |
| Density (g/cm3) | 3.0 |
| Diameter (μm) | 13 |
| Sizing content (%) | 0.5 |
| Tex (g/km) | 202 |
| Samples | Vf (%) | Vm (%) | Vi (%) | Vp (%) | Section (mm2) | Density (g/cm3) |
|---|---|---|---|---|---|---|
| HNS/PyC30nm/SiC | 48.5 | 36.6 | 0.5 | 14.4 | 7.77 (0.28) | 2.85 (0.09) |
| HNS/PyC150nm/SiC (GPa) | 47.3 | 35.7 | 2.6 | 14.4 |
| Properties | HNS Fiber | CVI SiC Matrix | PyCLA | PyCHA |
|---|---|---|---|---|
| El (MPa) | A = −8.88 × 10−5 | A = −9.85 × 10−5 | D = 55 × 103 | D = 115 × 103 |
| B = 1.23 × 10−1 | B = 1.36 × 10−1 | |||
| C = −6.41 × 101 | C = −7.11 × 101 | |||
| D = 3.76 × 105 | D = 4.18 × 105 | |||
| Et (MPa) | =El | =El | D = 30 × 103 | D = 30 × 103 |
| ν12 = ν13 | 0.2 | 0.2 | 0.3 | 0.2 |
| αl (°C−1) | B = −2.25 × 10−12 | B = −4.51 × 10−12 | B = −1.22 × 10−12 | B = −3.25 × 10−12 |
| C = 4.75 × 10−9 | C = 9.36 × 10−9 | C = 3.97 × 10−9 | C = 5.71 × 10−9 | |
| D = 2.91 × 10−6 | D = 1.30 × 10−6 | D = 1.58 × 10−6 | D = 0.765 × 10−6 | |
| αt (°C−1) | =αl | =αl | C = 2 × 10−9 | C = 2 × 10−9 |
| D = 5 × 10−6 | D = 10 × 10−6 |
| Samples | PyCLA | PyCHA |
|---|---|---|
| OA | 61 (5) | 44 (4) |
| Samples | HNS/PyCHA30nm/SiC | HNS/PyCHA150nm/SiC | HNS/PyCLA30nm/SiC | HNS/PyCLA150nm/SiC |
|---|---|---|---|---|
| σd (MPa) | 1276 (295) | 989 (185) | 470 (130) | 270 (80) |
| τ (MPa) | 63 (16) | 55 (8) | 50 (14) | 7 (2) |
| Samples | HNS/PyCHA30nm/SiC | HNS/PyCHA150nm/SiC | HNS/PyCLA30nm/SiC | HNS/PyCLA150nm/SiC |
|---|---|---|---|---|
| E (GPa) | 365 (14) | 355 (6) | 291 (3) | 302 (21) |
| σr (MPa) | 319 (6) | 297 (7) | 337 (3) | 325 (7) |
| εr (%) | 0.497 (0.01) | 0.465 (0.051) | 0.582 (0.018) | 0.641 (0.016) |
Publisher’s Note: MDPI stays neutral with regard to jurisdictional claims in published maps and institutional affiliations. |
© 2022 by the authors. Licensee MDPI, Basel, Switzerland. This article is an open access article distributed under the terms and conditions of the Creative Commons Attribution (CC BY) license (https://creativecommons.org/licenses/by/4.0/).
Share and Cite
Buet, E.; Braun, J.; Sauder, C. Influence of Texture and Thickness of Pyrocarbon Coatings as Interphase on the Mechanical Behavior of Specific 2.5D SiC/SiC Composites Reinforced with Hi-Nicalon S Fibers. Coatings 2022, 12, 573. https://doi.org/10.3390/coatings12050573
Buet E, Braun J, Sauder C. Influence of Texture and Thickness of Pyrocarbon Coatings as Interphase on the Mechanical Behavior of Specific 2.5D SiC/SiC Composites Reinforced with Hi-Nicalon S Fibers. Coatings. 2022; 12(5):573. https://doi.org/10.3390/coatings12050573
Chicago/Turabian StyleBuet, Emilien, James Braun, and Cédric Sauder. 2022. "Influence of Texture and Thickness of Pyrocarbon Coatings as Interphase on the Mechanical Behavior of Specific 2.5D SiC/SiC Composites Reinforced with Hi-Nicalon S Fibers" Coatings 12, no. 5: 573. https://doi.org/10.3390/coatings12050573
APA StyleBuet, E., Braun, J., & Sauder, C. (2022). Influence of Texture and Thickness of Pyrocarbon Coatings as Interphase on the Mechanical Behavior of Specific 2.5D SiC/SiC Composites Reinforced with Hi-Nicalon S Fibers. Coatings, 12(5), 573. https://doi.org/10.3390/coatings12050573
