An Optimum Specimen Geometry for Equibiaxial Experimental Tests of Reinforced Magnetorheological Elastomers with Iron Micro- and Nanoparticles
Abstract
:1. Introduction
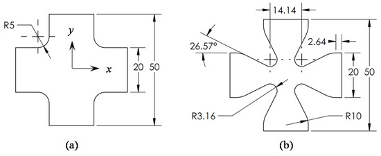
Polymer Biaxial Testing Specimen Geometry
2. Materials and Methods
2.1. Cruciform Geometry Optimization
2.2. Polymer Biaxial Testing Specimen Geometry
2.3. Reinforced Magnetorheological Elastomer Specimens
2.4. Test Rig Configuration
2.5. Biaxial Stress and Mullin’s Effect
3. Results
4. Conclusions
Acknowledgments
Author Contributions
Conflicts of Interest
References
- Shlyannikov, V.; Zakharov, A.; Lyagova, A. Surface and through thickness crack growth in cruciform specimens subjected to biaxial loading. Procedia Struct. Integr. 2016, 2, 3248–3255. [Google Scholar] [CrossRef]
- Upadhyay, M.V.; Van Petegem, S.; Panzner, T.; Lebensohn, R.A. Study of lattice strain evolution during biaxial deformation of stainless steel using a finite element and fast Fourier transform based multiscale approach. Acta Mater. 2016, 118, 28–43. [Google Scholar] [CrossRef]
- Bernardi, L.; Hopf, A.; Ferrari, A.; Ehret, A.E.; Mazza, E. On the large strain deformation behavior of silicone-based elastomers for biomedical applications. Polym. Test. 2017, 58, 189–198. [Google Scholar] [CrossRef]
- Urayama, K. New aspects of nonlinear elasticity of polymer gels and elastomers revealed by stretching experiments in various geometries. Polym. Int. 2016, 66, 195–206. [Google Scholar] [CrossRef]
- Fehervary, H.; Smoljkic, M.; VanderSloten, J.; Famaey, N. Planar biaxial testing of soft biological tissue using rakes: A critical analysis of protocol and fitting process. J. Mech. Behav. Biomed. Mater. 2016, 61, 135–151. [Google Scholar] [CrossRef] [PubMed]
- Zemánek, M.; Burša, J.; Děták, M. Biaxial Tension Tests with Soft Tissues of Arterial Wall. Eng. Mech. 2009, 1, 3–11. Available online: http://www.im.fme.vutbr.cz/pdf/16_1_003.pdf (accessed on 23 March 2017).
- Iadicola, M.A.; Creuziger, A.A.; Foecke, T. Advanced Biaxial Cruciform Testing at the NIST Center for Automotive Lightweighting. In Residual Stress, Thermomechanics & Infrared Imaging, Hybrid Techniques and Inverse Problem; Rossi, M., Sasso, M., Connesson, N., Singh, R., DeWald, A., Backman, D., Gloeckner, P., Eds.; Springer: Cham, Switzerland, 2014; Volume 8. [Google Scholar]
- Brown, R. Physical Testing of Rubber; Springer: New York, NY, USA, 2006. [Google Scholar]
- Rivlin, R.S.; Saunders, D.W. Large elastic deformations of isotropic materials. VII Experiments on the deformation of rubber. Philos. Trans. R. Soc. Lond. Ser. A 1951, 243, 251–288. [Google Scholar] [CrossRef]
- Shiratori, E.; Ikegami, K. A New Biaxial Tension Testing Machine with Flat Specimens. Bull. Tokyo Inst. Technol. 1967, 82, 433–439. [Google Scholar] [CrossRef]
- Pascoe, K.J.; Villiers, J.W.R. Low cycle fatigue of steels under biaxial straining. J. Strain Anal. Eng. Des. 1967, 2, 117–126. [Google Scholar] [CrossRef]
- Parsons, M.W.; Pascoe, K.J. Development of a biaxial fatigue testing rig. J. Strain Anal. Eng. Des. 1975, 10, 1–9. [Google Scholar] [CrossRef]
- Smiths, A.; Ramault, C.; Van Hemelrijck, D.; Clarke, A.; Williamson, C.; Gower, M.; Shaw, R.; Mera, R.; Lamkanfi, E.; Van Paepegem, W. Review of biaxial test methods for composites. In Proceedings of the International Conference on Experimental Techniques, Alexandroupolis, Geece, 1–6 June 2007. [Google Scholar]
- Makris, A.; Vandenbergh, T.; Ramault, C.; Van Hemelrijck, D.; Lamkanfi, E. Shape optimisation of a biaxially loaded cruciform specimen. Polym. Test. 2010, 29, 216–223. [Google Scholar] [CrossRef]
- Engqvist, J.; Wallin, M.; Ristinmaa, M.; Hall, S.A. Modelling and experiments of glassy polymers using biaxial loading and digital image correlation. Int. J. Solids Struct. 2016, 102, 100–111. [Google Scholar] [CrossRef]
- Hariharaputhiran, H.; Saravanan, U. A new set of biaxial and uniaxial experiments on vulcanized rubber and attempts at modeling it using classical hyperelastic models. Mech. Mater. 2016, 92, 211–222. [Google Scholar] [CrossRef]
- Schubert, G.; Harrison, P. Equi-biaxial tension tests on magnetorheological elastomers. Smart Mater. Struct. 2016, 25, 1–13. [Google Scholar] [CrossRef]
- Simpson, T.W. Comparison of Response Surface and Kriging Models in the Multidisciplinary Design of an Aerospike; Nozzle, National Aeronautics and Space Administration: Hampton, VA, USA, 1998. [Google Scholar]
- Reiher, W.; Hammersley, J.M.; Handsc, D.C. Monte Carlo Methods. Biom. J. 1966, 8, 209. [Google Scholar] [CrossRef]
- ANSYS® Academic Research, Release 15, Help System, Theory Guide; ANSYS, Inc.: Canonsburg, PA, US, 2016.
- Yeoh, O.H. Some forms of the strain energy function for rubber. Rubber Chem. Technol. 1993, 66, 754–771. [Google Scholar] [CrossRef]
- Perales-Martínez, A.I.; Palacios-Pineda, L.M.; Lozano-Sanchez, L.M.; Martínez-Romero, O.; Puente-Cordova, J.; Elías-Zuñiga, A. Enhancement of a magnetorheological PDMS elastomer with carbonyl iron particles. Polym. Test. 2017, 57, 78–86. [Google Scholar] [CrossRef]
- Bloemacher, D.I. (BASF, Ludwigshafen, Germany) Carbonyl Iron Powders: Its Production and New Developments. Met. Power Rep. 1990, 45, 117–119. [Google Scholar] [CrossRef]
- Huber, D.L. Synthesis, Properties, and Applications of Iron Nanoparticles. Small 2005, 1, 482–501. [Google Scholar] [CrossRef] [PubMed]
- Watt, J.; Bleier, G.C.; Austin, M.J.; Ivanovb, S.A.; Huber, D.L. Non-volatile iron carbonyls as versatile precursors for the synthesis of iron-containing nanoparticles. Nanoscale 2017, 25, 6632–6637. [Google Scholar] [CrossRef] [PubMed]
- Wu, J.; Gong, X.; Chen, L.; Xia, H.; Hu, Z. Preparation and Characterization of Isotropic Polyurethane Magnetorheological Elastomer through In Situ Polymerization. J. Appl. Polym. Sci. 2009, 114, 901–909. [Google Scholar] [CrossRef]
- Elias-Zuñiga, A.; Baylón, K.; Ferrer, I.; Sereno, L.; Garcia-Romeu, M.L.; Bagudanch, I.; Grabalosa, J.; Pérez-Recio, T.; Martínez-Romero, O.; Ortega-Lara, W.; et al. On the Rule of Mixtures for Predicting Stress-Softening and Residual Strain Effects in Biological Tissues and Biocompatible Materials. Materials 2014, 7, 441–456. [Google Scholar] [CrossRef] [PubMed]
- Rozenberga, B.A.; Tenne, R. Polymer-assisted fabrication of nanoparticles and nanocomposites. Prog. Polym. Sci. 2008, 33, 40–112. [Google Scholar] [CrossRef]
- Fiedler, B.; Gojny, F.H.; Wichmann, M.H.G.; Nolte, M.C.M.; Schulte, K. Fundamental aspects of nano-reinforced composites. Compos. Sci. Technol. 2006, 66, 3115–3125. [Google Scholar] [CrossRef]
- Rezvani, M.B.; Atai, M.; Hamze, F.; Hajrezai, R. The effect of silica nanoparticles on the mechanical properties of fiber-reinforced composite resins. J. Dent. Res. 2016, 10, 112–117. [Google Scholar] [CrossRef] [PubMed]
- Hanemann, T.; Szabó, D.V. Polymer-Nanoparticle Composites: From Synthesis to Modern Applications. Materials 2010, 3, 3468–3517. [Google Scholar] [CrossRef]
- DeAntonio, D.A. Soft Magnetic Ferritic Stainless Steels; Advance Materials and Processes; ASM International: Novelty, OH, USA, 2003; Volume 161. [Google Scholar]
- Gudmundsson, I. A Feasibility Study of Magnetorheological Elastomers for a Potential Application in Prosthetic Devices. Master’s Thesis, University of Iceland, Reykjavik, Iceland, 2011. Available online: http://hdl.handle.net/1946/10168 (accessed on 17 March 2017).













| Candidate Point | l (mm) | d (mm) | r (mm) | Δε (-) | εmax (-) |
|---|---|---|---|---|---|
| 1 | 1.40 | 10.17 | 2.59 | 0.033 | 0.88 |
| 2 | 2.64 | 10.00 | 10.05 | 0.054 | 0.97 |
| 3 | 1.89 | 10.01 | 7.38 | 0.067 | 0.97 |
| Nomenclature | Filler | Shore a Hardness | Silicon Oil Volume % |
|---|---|---|---|
| MS04 | Microparticles | 14 (Soft) | 04 |
| NS04 | Nanoparticles | 14 (Soft) | 04 |
| MS24 | Microparticles | 14 (Soft) | 24 |
| NS24 | Nanoparticles | 14 (Soft) | 24 |
| MH04 | Microparticles | 20 (Hard) | 04 |
| NH04 | Nanoparticles | 20 (Hard) | 04 |
| MH24 | Microparticles | 20 (Hard) | 24 |
| NH24 | Nanoparticles | 20 (Hard) | 24 |
| Sample | μ (MPa) | N (-) | A1 (MPa) | A2 (MPa) | b (-) | c (MPa) | f (-) | Permanent Set |
|---|---|---|---|---|---|---|---|---|
| MS04 | 1.94 | 2.62 | −58.27 | 0 | 1.18 | 14.28 | 0.033 | 1.032 |
| NS04 | 3.61 | 2.29 | −102.70 | 0 | 1.20 | 39.48 | 0.033 | 1.014 |
| MS24 | 1.44 | 2.41 | −42.58 | 0 | 0.76 | 11.05 | 0.033 | 1.024 |
| NS24 | 2.24 | 3.76 | −72.40 | 0 | 1.32 | 9.59 | 0.033 | 1.031 |
| MH04 | 1.52 | 2.28 | −44.90 | 0 | 0.88 | 18.01 | 0.033 | 1.020 |
| NH04 | 2.12 | 2.93 | −65.31 | 0 | 1.01 | 10.43 | 0.033 | 1.029 |
| MH24 | 1.53 | 2.51 | −44.93 | 0 | 1.01 | 7.00 | 0.033 | 1.026 |
| NH24 | 2.14 | 2.99 | −67.87 | 0 | 1.68 | 4.5 | 0.033 | 1.042 |
© 2017 by the authors. Licensee MDPI, Basel, Switzerland. This article is an open access article distributed under the terms and conditions of the Creative Commons Attribution (CC BY) license (http://creativecommons.org/licenses/by/4.0/).
Share and Cite
Palacios-Pineda, L.M.; Perales-Martínez, I.A.; Moreno-Guerra, M.R.; Elías-Zúñiga, A. An Optimum Specimen Geometry for Equibiaxial Experimental Tests of Reinforced Magnetorheological Elastomers with Iron Micro- and Nanoparticles. Nanomaterials 2017, 7, 254. https://doi.org/10.3390/nano7090254
Palacios-Pineda LM, Perales-Martínez IA, Moreno-Guerra MR, Elías-Zúñiga A. An Optimum Specimen Geometry for Equibiaxial Experimental Tests of Reinforced Magnetorheological Elastomers with Iron Micro- and Nanoparticles. Nanomaterials. 2017; 7(9):254. https://doi.org/10.3390/nano7090254
Chicago/Turabian StylePalacios-Pineda, Luis Manuel, Imperio Anel Perales-Martínez, Mario Regino Moreno-Guerra, and Alex Elías-Zúñiga. 2017. "An Optimum Specimen Geometry for Equibiaxial Experimental Tests of Reinforced Magnetorheological Elastomers with Iron Micro- and Nanoparticles" Nanomaterials 7, no. 9: 254. https://doi.org/10.3390/nano7090254
APA StylePalacios-Pineda, L. M., Perales-Martínez, I. A., Moreno-Guerra, M. R., & Elías-Zúñiga, A. (2017). An Optimum Specimen Geometry for Equibiaxial Experimental Tests of Reinforced Magnetorheological Elastomers with Iron Micro- and Nanoparticles. Nanomaterials, 7(9), 254. https://doi.org/10.3390/nano7090254

