Oxidation of Methanol and Dichloromethane on TiO2-CeO2-CuO, TiO2-CeO2 and TiO2-CuO@VUKOPOR®A Ceramic Foams
Abstract
1. Introduction
| Catalyst | VOC/Reaction | Reference |
|---|---|---|
| 20%CuO/CeO2 | methanol oxidation | [24] |
| TiO2-CeO2 | methanol decomposition ethylacetate oxidation | [11] |
| TiO2-CeO2-CuO | methanol decomposition ethylacetate oxidation | [20] |
| TiO2-CeO2-CuO | ethanol, ethylacetate and CO oxidation | [22] |
| 5% CuOx-TiO2 | CO oxidation | [15] |
| Pd, Pt-Pd/CeO2-Al2O3-TiO2 | methanol oxidation | [23] |
| CuO-TiO2, CuO-CeO2 | dichloromethane oxidation | [26] |
| TiO2, Ce/TiO2 | dichloromethane oxidation | [18] |
| Ce/TiO2-Cu/CeO2 | dichloromethane oxidation | [25] |
| Cu-Mn/Al2O3 | ethanol and dichloromethane oxidation | [27] |
| M/TiO2, Pd-M/TiO2 (M-Ce, V, Mn) | dichloromethane oxidation | [28] |
2. Materials and Methods
2.1. Preparation of TiO2, CeO2 and CuO-Supported VUKOPOR®A Ceramic Foams
2.2. Physicochemical Characterization of TiO2, CeO2 and CuO-Supported VUKOPOR®A Ceramic Foams
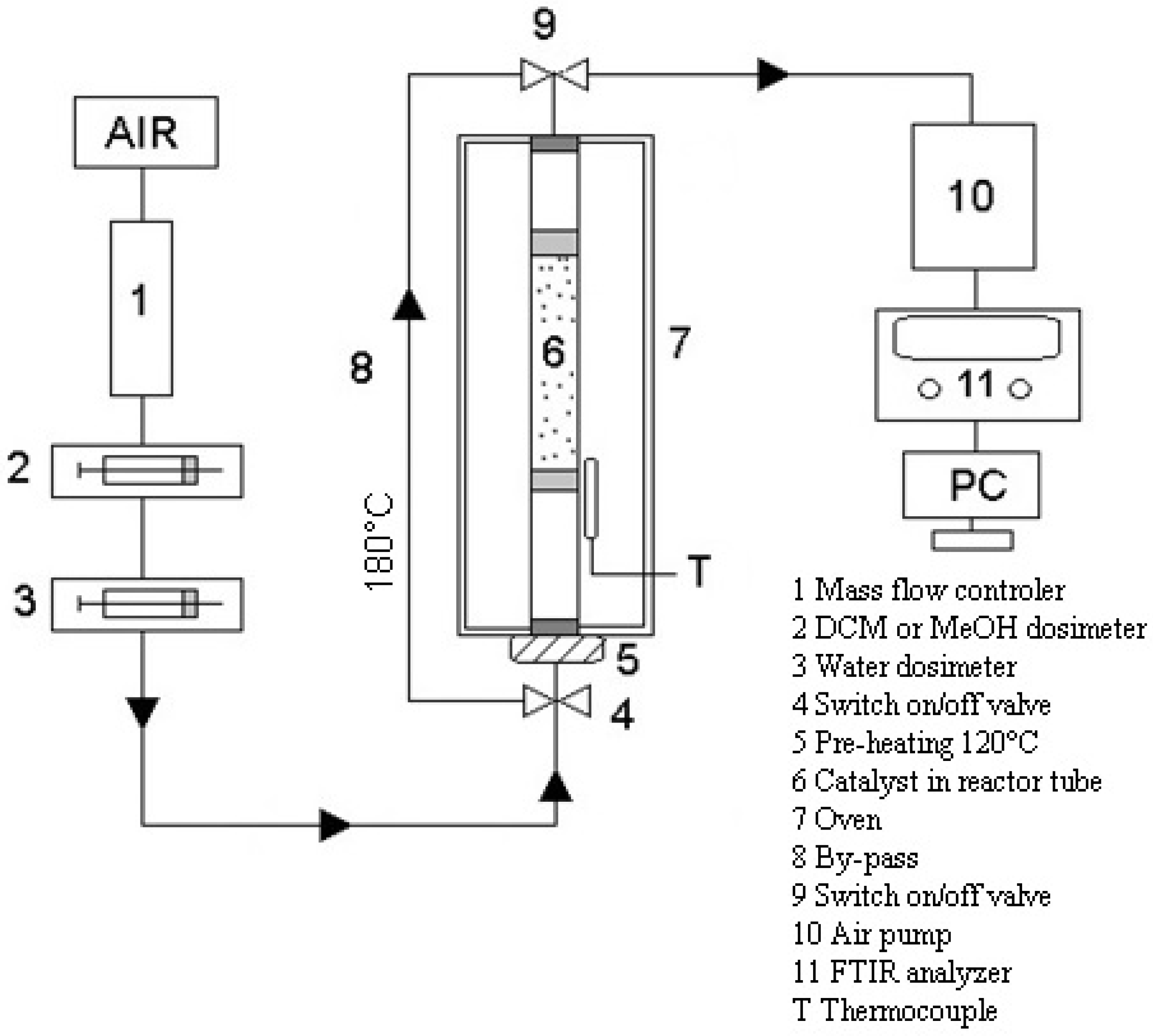
2.3. TiO2, CeO2 and CuO-Supported VUKOPOR®A Ceramic Foams Testing in Methanol and Dichloromethane Oxidation
3. Results and Discussion
3.1. Physicochemical Characterization of TiO2, CeO2 and CuO-Supported VUKOPOR®A Ceramic Foams
3.2. Catalytic Results of TiO2, CeO2 and CuO-Supported VUKOPOR®A Ceramic Foams in the Oxidation of Methanol and Dichloromethane
3.3. Effect of Physicochemical Properties of Catalytic Foams on Their Catalytic Performance in the Oxidation of Methanol
3.4. Effect of Physicochemical Properties of Catalytic Foams on Their Catalytic Performance in the Oxidation of Dichloromethane
3.5. Chlorine in the Catalytic Foams after Dichloromethane Oxidation Testing
3.6. Stability Study of TiO2-CuO@VUKOPOR®A Foam in Methanol Oxidation
4. Conclusions
Author Contributions
Funding
Data Availability Statement
Acknowledgments
Conflicts of Interest
References
- Kamal, M.S.; Razzak, S.A.; Hossain, M.M. Catalytic oxidation of volatile organic compounds (VOCs)—A review. Atmos. Environ. 2016, 140, 117–134. [Google Scholar] [CrossRef]
- Huang, B.B.; Lei, C.; Wei, C.H.; Zeng, G.M. Chlorinated volatile organic compounds (Cl-VOCs) in environment—Sources, potential human health impacts, and current remediation technologies. Environ. Int. 2014, 71, 118–138. [Google Scholar] [CrossRef]
- IARC. IARC Monographs on the Identification of Carcinogenic Hazards to Humans 1–131. List of Classifications—IARC Monographs on the Identification of Carcinogenic Hazards to Humans. Available online: https://monographs.iarc.who.int/list-of-classifications/ (accessed on 20 January 2023).
- Ojala, S.; Pitkaaho, S.; Laitinen, T.; Koivikko, N.N.; Brah mi, R.; Gaalova, J.; Matejova, L.; Kucherov, A.; Paivarinta, S.; Hirschmann, C.; et al. Catalysis in VOC Abatement. Top. Catal. 2011, 54, 1224–1256. [Google Scholar] [CrossRef]
- Tomatis, M.; Xu, H.H.; He, J.; Zhang, X.D. Recent development of catalysts for removal of volatile organic compounds in flue gas by combustion: A review. J. Chem. 2016, 2016, 8324826. [Google Scholar] [CrossRef]
- Wu, X.Q.; Han, R.; Liu, Q.L.; Su, Y.; Lu, S.C.; Yang, L.Z.; Song, C.F.; Ji, N.; Ma, D.G.; Lu, X.B. A review of confined-structure catalysts in the catalytic oxidation of VOCs: Synthesis, characterization, and applications. Catal. Sci. Technol. 2021, 11, 5374–5387. [Google Scholar] [CrossRef]
- Lin, F.W.; Zhang, Z.M.; Li, N.; Yan, B.B.; He, C.; Hao, Z.P.; Chen, G.Y. How to achieve complete elimination of Cl-VOCs: A critical review on byproducts formation and inhibition strategies during catalytic oxidation. Chem. Eng. J. 2021, 404, 126534. [Google Scholar] [CrossRef]
- Akbari, A.; Amini, M.; Tarassoli, A.; Eftekhari-Sis, B.; Ghasemian, N.; Jabbari, E. Transition metal oxide nanoparticles as efficient catalysts in oxidation reactions. Nano-Struct. Nano-Obj. 2018, 14, 19–48. [Google Scholar] [CrossRef]
- Twigg, M.V.; Spencer, M.S. Deactivation of supported copper metal catalysts for hydrogenation reactions. Appl. Catal. A-Gen. 2001, 212, 161–174. [Google Scholar] [CrossRef]
- Sedjame, H.J.; Fontaine, C.; Lafaye, G.; Barbier, J. On the promoting effect of the addition of ceria to platinum based alumina catalysts for VOCs oxidation. Appl. Catal. B-Environ. 2014, 144, 233–242. [Google Scholar] [CrossRef]
- Tsoncheva, T.; Mileva, A.; Issa, G.; Dimitrov, M.; Kovacheva, D.; Henych, J.; Scotti, N.; Kormunda, M.; Atanasova, G.; Stengl, V. Template-assisted hydrothermally obtained titania-ceria composites and their application as catalysts in ethyl acetate oxidation and methanol decomposition with a potential for sustainable environment protection. Appl. Surf. Sci. 2017, 396, 1289–1302. [Google Scholar] [CrossRef]
- Djinović, P.; Levec, J.; Pintar, A. Effect of structural and acidity/basicity changes of CuO–CeO2 catalysts on their activity for water–gas shift reaction. Catal. Today 2008, 138, 222–227. [Google Scholar] [CrossRef]
- Di Sarli, V.; Landi, G.; Lisi, L.; Di Benedetto, A. Ceria-coated diesel particulate filters for continuous regeneration. AIChE J. 2017, 63, 3442–3449. [Google Scholar] [CrossRef]
- Di Sarli, V.; Landi, G.; Di Benedetto, A.; Lisi, L. Synergy Between Ceria and Metals (Ag or Cu) in Catalytic Diesel Particulate Filters: Effect of the Metal Content and of the Preparation Method on the Regeneration Performance. Top. Catal. 2021, 64, 256–269. [Google Scholar] [CrossRef]
- Senanayake, S.D.; Pappoe, N.A.; Nguyen-Phan, T.D.; Luo, S.; Li, Y.Y.; Xu, W.Q.; Liu, Z.Y.; Mudiyanselage, K.; Johnston-Peck, A.C.; Frenkel, A.I.; et al. Interfacial Cu+ promoted surface reactivity: Carbon monoxide oxidation reaction over polycrystalline copper-titania catalysts. Surf. Sci. 2016, 652, 206–212. [Google Scholar] [CrossRef]
- Xiao, J.R.; Peng, T.Y.; Li, R.; Peng, Z.H.; Yan, C.H. Preparation, phase transformation and photocatalytic activities of cerium-doped mesoporous titania nanoparticles. J. Solid State Chem. 2006, 179, 1161–1170. [Google Scholar] [CrossRef]
- Graciani, J.; Plata, J.J.; Sanz, J.F.; Liu, P.; Rodriguez, J.A. A theoretical insight into the catalytic effect of a mixed-metal oxide at the nanometer level: The case of the highly active metal/CeOx/TiO2(110) catalysts. J. Chem. Phys. 2010, 132, 104703. [Google Scholar] [CrossRef]
- Cao, S.; Wang, H.Q.; Yu, F.X.; Shi, M.P.; Chen, S.; Weng, X.L.; Liu, Y.; Wu, Z.B.A. Catalyst performance and mechanism of catalytic combustion of dichloromethane (CH2Cl2) over Ce doped TiO2. J. Colloid Interf. Sci. 2016, 463, 233–241. [Google Scholar] [CrossRef]
- Chen, L.; Si, Z.C.; Wu, X.D.; Weng, D. DRIFT study of CuO-CeO2-TiO2 mixed oxides for NOx reduction with NH3 at low temperatures. ACS Appl. Mater. Interface 2014, 6, 8134–8145. [Google Scholar] [CrossRef]
- Tsoncheva, T.; Mileva, A.; Issa, G.; Henych, J.; Tolasz, J.; Dimitrov, M.; Kovacheva, D.; Atanasova, G.; Stengl, V. Mesoporous copper-ceria-titania ternary oxides as catalysts for environmental protection: Impact of Ce/Ti ratio and preparation procedure. Appl. Catal. A-Gen. 2020, 595, 117487. [Google Scholar] [CrossRef]
- Araiza, D.G.; Gomez-Cortes, A.; Diaz, G. Methanol decomposition over bimetallic Cu-M catalysts supported on nanoceria: Effect of the second metal on the catalytic properties. Catal. Today 2020, 356, 440–455. [Google Scholar] [CrossRef]
- Larsson, P.O.; Andersson, A. Complete oxidation of CO, ethanol, and ethyl acetate over copper oxide supported on titania and ceria modified titania. J. Catal. 1998, 179, 72–89. [Google Scholar] [CrossRef]
- Zhang, S.; Guo, Y.Y.; Li, X.Y.; Li, Z. Effects of cerium doping position on physicochemical properties and catalytic performance in methanol total oxidation. J. Rare Earth 2018, 36, 811–818. [Google Scholar] [CrossRef]
- Dziembaj, R.; Molenda, M.; Chmielarz, L.; Drozdek, M.; Zaitz, M.M.; Dudek, B.; Rafalska-Lasocha, A.; Piwowarska, Z. Nanostructured Cu-Doped Ceria Obtained by Reverse Microemulsion Method as Catalysts for Incineration of Selected VOCs. Catal. Lett. 2010, 135, 68–75. [Google Scholar] [CrossRef]
- Cao, S.; Shi, M.P.; Wang, H.Q.; Yu, F.X.; Weng, X.L.; Liu, Y.; Wu, Z.B. A two-stage Ce/TiO2-Cu/CeO2 catalyst with separated catalytic functions for deep catalytic combustion of CH2Cl2. Chem. Eng. J. 2016, 290, 147–153. [Google Scholar] [CrossRef]
- El Assal, Z.; Pitkaaho, S.; Ojala, S.; Maache, R.; Bensitel, M.; Pirault-Roy, L.; Brahmi, R.; Keiski, R.L. Total oxidation of dichloromethane over metal oxide catalysts. Top. Catal. 2013, 56, 679–687. [Google Scholar] [CrossRef]
- Matejova, L.; Topka, P.; Jiratova, K.; Solcova, O. Total oxidation of model volatile organic compounds over some commercial catalysts. Appl. Catal. A-Gen. 2012, 443, 40–49. [Google Scholar] [CrossRef]
- Wang, L.; Li, G.B.; Wu, P.; Shen, K.; Zhang, Y.P.; Zhang, S.L.; Xiao, R. Promoting effect of Pd modification on the M/TiO2 (M = V, Ce, Mn) catalyst for catalytic oxidation of dichloromethane (DCM). Chem. Eng. Sci. 2021, 234, 116405. [Google Scholar] [CrossRef]
- Matejova, L.; Matej, Z.; Fajgar, R.; Cajthaml, T.; Solcova, O. TiO2 powders synthesized by pressurized fluid extraction and supercritical drying: Effect of water and methanol on structural properties and purity. Mater. Res. Bull. 2012, 47, 3573–3579. [Google Scholar] [CrossRef]
- Matejova, L.; Matej, Z. Nanostructured ZrO2 synthesized by using pressurized and supercritical fluids-Its structural and microstructural evolution and thermal stability. J. Supercrit. Fluid 2017, 128, 182–193. [Google Scholar] [CrossRef]
- Brunauer, S.; Emmett, P.H.; Teller, E. Adsorption of gases in multimolecular layers. J. Am. Chem. Soc. 1938, 60, 309–319. [Google Scholar] [CrossRef]
- Barrett, E.P.; Joyner, L.G.; Halenda, P.P. The determination of pore volume and area distributions in porous substances. I. Computations from nitrogen isotherms. J. Am. Chem. Soc. 1951, 73, 373–380. [Google Scholar] [CrossRef]
- Roberts, B.F. A procedure for estimating pore volume and area distributions from sorption isotherms. J. Colloid Interface Sci. 1967, 23, 266. [Google Scholar] [CrossRef]
- Gorecka, S.; Pacultova, K.; Fridrichova, D.; Gorecki, K.; Bilkova, T.; Zebrak, R.; Obalova, L. Catalytic oxidation of ammonia over cerium-modified copper aluminium zinc mixed oxides. Materials 2021, 14, 6581. [Google Scholar] [CrossRef] [PubMed]
- Kim, J.Y.; Rodriguez, J.A.; Hanson, J.C.; Frenkel, A.I.; Lee, P.L. Reduction of CuO and Cu2O with H2: H Embedding and kinetic effects in the formation of suboxides. J. Am. Chem. Soc. 2003, 125, 10684–10692. [Google Scholar] [CrossRef] [PubMed]
- Kim, J.Y.; Hanson, J.C.; Frenkel, A.I.; Lee, P.L.; Rodriguez, J.A. Reaction of CuO with hydrogen studied by using synchrotron-based x-ray diffraction. J. Phys.-Condens. Matter 2004, 16, S3479–S3484. [Google Scholar] [CrossRef]
- Panagiotopoulou, P.; Christodoulakis, A.; Kondarides, D.I.; Boghosian, S. Particle size effects n the reducibility of titanium dioxide and its relation to the water-gas shift activity of Pt/TiO2 catalysts. J. Catal. 2006, 240, 114–125. [Google Scholar] [CrossRef]
- Zhu, H.Q.; Qin, Z.F.; Shan, W.J.; Shen, W.J.; Wang, J.G. Pd/CeO2-TiO2 catalyst for CO oxidation at low temperature: A TPR study with H-2 and CO as reducing agents. J. Catal. 2004, 225, 267–277. [Google Scholar] [CrossRef]
- Shyu, J.Z.; Weber, W.H.; Gandhi, H.S. Surface characterization of alumina-supported ceria. J. Phys. Chem. 1988, 92, 4964–4970. [Google Scholar] [CrossRef]
- Liu, J.; Wang, L.-L.; Fei, Z.-Y.; Chen, X.; Tang, J.-H.; Cui, M.-F.; Qiao, X. Structure and properties of amorphous CeO2@TiO2 catalyst and its performance in the selective catalytic reduction of NO with NH3. J. Fuel Chem. Technol. 2016, 44, 954–960. [Google Scholar] [CrossRef]
- Li, P.; Xin, Y.; Li, Q.; Wang, Z.P.; Zhang, Z.L.; Zheng, L.R. Ce-Ti amorphous oxides for selective catalytic reduction of NO with NH3: Confirmation of Ce-O-Ti active sites. Environ. Sci. Technol. 2012, 46, 9600–9605. [Google Scholar] [CrossRef]
- Tatibouet, J.M. Methanol oxidation as a catalytic surface probe. Appl. Catal. A-Gen. 1997, 148, 213–252. [Google Scholar] [CrossRef]
- Chung, J.S.; Miranda, R.; Bennett, C.O. Mechanism of Partial Oxidation of Methanol over MoO3. J. Catal. 1988, 114, 398–410. [Google Scholar] [CrossRef]
- Miranda, B.; Diaz, E.; Ordonez, S.; Vega, A.; Diez, F.V. Oxidation of trichloroethene over metal oxide catalysts: Kinetic studies and correlation with adsorption properties. Chemosphere 2007, 66, 1706–1715. [Google Scholar] [CrossRef] [PubMed]
















| Catalyst | (wt.%) | (mol.%) | ||||
|---|---|---|---|---|---|---|
| TiO2 | CeO2 | CuO | Ti | Ce | Cu | |
| TiO2-CeO2-CuO foam | 86 | 11 | 3 | 90 | 7 | 3 |
| TiO2-CeO2 foam | 93 | 7 | 0 | 97 | 3 | 0 |
| TiO2-CuO foam | 97 | 0 | 3 | 97 | 0 | 3 |
| Catalyst | SBET (m2 g−1) | Vtotal (mm3liq g−1) |
|---|---|---|
| TiO2-CeO2-CuO foam | 59 | 126 |
| TiO2-CeO2 foam | 58 | 129 |
| TiO2-CuO foam | 37 | 119 |
| Catalyst | Phase Composition/Crystallite-Size (nm) | ||
|---|---|---|---|
| TiO2 | CeO2 | CuO | |
| TiO2-CeO2-CuO foam | Anatase/12 | Cerianite/nuclei < 4 nm | n.d. |
| TiO2-CeO2 foam | Anatase/9 | Cerianite | n.d. |
| TiO2-CuO foam | Anatase/33 Rutile | n.d. | Tenorite |
| Catalyst | Reducibility | Acidity | Basicity | |
|---|---|---|---|---|
| H2-TPR a (mmol g−1) | H2-TPR b (mmol g−1) | NH3-TPD a (mmol g−1) | CO2-TPD a (mmol g−1) | |
| TiO2-CeO2-CuO foam | 1.07 | 0.42 | 0.36 | 0.23 |
| TiO2-CeO2 foam | 0.54 | 0.94 | 0.27 | 0.18 |
| TiO2-CuO foam | 0.71 | 0.40 | 0.20 | 0.20 |
| Catalyst | T50 (°C) | T90 (°C) | T95 (°C) | Cmax (%) | Main Products | By-Products * | ||
|---|---|---|---|---|---|---|---|---|
| YCO2,max (%) | YH2O,max (%) | CH2O (ppm) | CO (ppm) | |||||
| TiO2-CeO2-CuO foam | 203 | 237 | 253 | 98 | 94 | 86 | 13 | 9 |
| TiO2-CeO2 foam | 231 | 267 | 279 | 100 | 25 | 74 | 125 | 393 |
| TiO2-CuO foam | 205 | 233 | 246 | 97 | 100 | 90 | 20 | 2 |
| Catalyst | T50 (°C) | T80 (°C) | Cmax (%) | Main Products | By-Products * | ||||
|---|---|---|---|---|---|---|---|---|---|
| cmax(CO2) (ppm) | YCO2,max (%) | YHCl,max (%) | CH2O (ppm) | CO (ppm) | CHCl3 (ppm) | ||||
| TiO2-CeO2-CuO foam | 421 | 497 | 82 | 465 | 91 | 76 | 0 | 15 | 6 |
| TiO2-CeO2 foam | 377 | 455 | 89 | 128 | 25 | 62 | 12 | 305 | 0 |
| TiO2-CuO foam | 421 | 492 | 83 | 426 | 81 | 66 | 0 | 2 | 9 |
| Catalyst | DisMC | EDX-SEM |
|---|---|---|
| Cl * (µgCl g−1cat) | Cl (wt.%) | |
| Parent foam | 1.4 | n.d. |
| TiO2-CeO2-CuO foam | 0.7 | 0.43 |
| TiO2-CeO2 foam | 20.4 | 0.72 |
| TiO2-CuO foam | 9.5 | 1.12 |
Disclaimer/Publisher’s Note: The statements, opinions and data contained in all publications are solely those of the individual author(s) and contributor(s) and not of MDPI and/or the editor(s). MDPI and/or the editor(s) disclaim responsibility for any injury to people or property resulting from any ideas, methods, instructions or products referred to in the content. |
© 2023 by the authors. Licensee MDPI, Basel, Switzerland. This article is an open access article distributed under the terms and conditions of the Creative Commons Attribution (CC BY) license (https://creativecommons.org/licenses/by/4.0/).
Share and Cite
Matějová, L.; Troppová, I.; Pitkäaho, S.; Pacultová, K.; Fridrichová, D.; Kania, O.; Keiski, R. Oxidation of Methanol and Dichloromethane on TiO2-CeO2-CuO, TiO2-CeO2 and TiO2-CuO@VUKOPOR®A Ceramic Foams. Nanomaterials 2023, 13, 1148. https://doi.org/10.3390/nano13071148
Matějová L, Troppová I, Pitkäaho S, Pacultová K, Fridrichová D, Kania O, Keiski R. Oxidation of Methanol and Dichloromethane on TiO2-CeO2-CuO, TiO2-CeO2 and TiO2-CuO@VUKOPOR®A Ceramic Foams. Nanomaterials. 2023; 13(7):1148. https://doi.org/10.3390/nano13071148
Chicago/Turabian StyleMatějová, Lenka, Ivana Troppová, Satu Pitkäaho, Kateřina Pacultová, Dagmar Fridrichová, Ondřej Kania, and Riitta Keiski. 2023. "Oxidation of Methanol and Dichloromethane on TiO2-CeO2-CuO, TiO2-CeO2 and TiO2-CuO@VUKOPOR®A Ceramic Foams" Nanomaterials 13, no. 7: 1148. https://doi.org/10.3390/nano13071148
APA StyleMatějová, L., Troppová, I., Pitkäaho, S., Pacultová, K., Fridrichová, D., Kania, O., & Keiski, R. (2023). Oxidation of Methanol and Dichloromethane on TiO2-CeO2-CuO, TiO2-CeO2 and TiO2-CuO@VUKOPOR®A Ceramic Foams. Nanomaterials, 13(7), 1148. https://doi.org/10.3390/nano13071148

