Improving the Melting Duration of a PV/PCM System Integrated with Different Metal Foam Configurations for Thermal Energy Management
Abstract
:1. Introduction
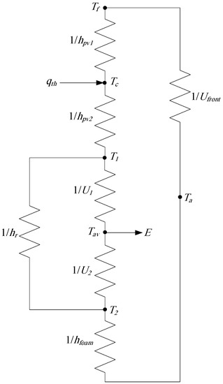
2. Mathematical Modeling of the PV/PCM–Metal Foam System
3. Adjustment and Validation of the Proposed Model
4. Results and Discussion
4.1. Time Profiles of Main System Parameters
4.2. Parametric Variation of PCM Melting Duration
5. Conclusions
- The new PV/PCM–metal foam model proposed in the present paper would greatly save computational resources compared to the widely used CFD simulation as the present model has the unique feature of using simple numerical solving functions of MATLAB without the need for mesh patterns in the mathematical formulation.
- Utilizing a metal foam configuration with a higher convective heat transfer coefficient would promote a slower time-variation of the heat transfer process within the PCM, as depicted by the developed functions in this paper for the PCM heat transfer coefficients, thus causing a longer melting duration and in turn a better thermal energy management.
- The variation of the operating conditions: solar radiation, ambient temperature, and wind speed of the PV/PCM–metal foam system has nonlinear effects on the improvement of PCM melting duration and thus on the thermal energy management for different metal foam configurations. While the effect of tilt angle variation is almost linear with an average improvement of PCM melting duration of 116% using a metal foam configuration of a high convective heat transfer coefficient (20 W/m2.K).
- The PCM thickness has a positive linear effect on the PCM melting duration for different metal foam configurations. The average improvement in PCM melting duration using a metal foam configuration of a high convective heat transfer coefficient (20 W/m2.K) is 100% at a given PCM thickness.
- The average PV cell temperature can be reduced by about 12 °C using a metal foam configuration of a high convective heat transfer coefficient (20 W/m2.K), which offers better thermal operating conditions and, consequently, a longer lifespan of the PV module. The corresponding improvement of PCM melting duration is 127% which as a result will enhance the thermal storage capability of the system.
- It is recommended that the inclusion of a metal foam layer of an appropriate configuration to a given PV/PCM system would be advantageous at operating conditions of low solar radiation, low ambient temperature, or high wind speeds for a comparatively effective improvement of PCM melting duration and thus better thermal energy management in respect to thermal storage capabilities, thermal conditions, and a lifetime of PV modules.
Author Contributions
Funding
Institutional Review Board Statement
Informed Consent Statement
Data Availability Statement
Conflicts of Interest
References
- Huang, M.; Eames, P.; Norton, B. Thermal regulation of building-integrated photovoltaics using phase change materials. Int. J. Heat Mass Transf. 2004, 47, 2715–2733. [Google Scholar] [CrossRef]
- Huang, M.; Eames, P.; Norton, B. Phase change materials for limiting temperature rise in building integrated photovoltaics. Sol. Energy 2006, 80, 1121–1130. [Google Scholar] [CrossRef]
- Maiti, S.; Banerjee, S.; Vyas, K.; Patel, P.; Ghosh, P.K. Self regulation of photovoltaic module temperature in V-trough using a metal–wax composite phase change matrix. Sol. Energy 2011, 85, 1805–1816. [Google Scholar] [CrossRef]
- Biwole, P.H.; Eclache, P.; Kuznik, F. Phase-change materials to improve solar panel’s performance. Energy Build. 2013, 62, 59–67. [Google Scholar] [CrossRef] [Green Version]
- Atkin, P.; Farid, M.M. Improving the efficiency of photovoltaic cells using PCM infused graphite and aluminium fins. Sol. Energy 2015, 114, 217–228. [Google Scholar] [CrossRef]
- Khanna, S.; Reddy, K.; Mallick, T.K. Performance analysis of tilted photovoltaic system integrated with phase change material under varying operating conditions. Energy 2017, 133, 887–899. [Google Scholar] [CrossRef]
- Mahdi, J.M.; Pal Singh, R.; Taqi Al-Najjar, H.M.; Singh, S.; Nsofor, E.C. Efficient thermal management of the photovoltaic/phase change material system with innovative exterior metal-foam layer. Sol. Energy 2021, 216, 411–427. [Google Scholar] [CrossRef]
- Mahdi, J.M.; Mohammed, H.I.; Talebizadehsardari, P. A new approach for employing multiple PCMs in the passive thermal management of photovoltaic modules. Sol. Energy 2021, 222, 160–174. [Google Scholar] [CrossRef]
- Elayiaraja, P.; Harish, S.; Wilson, L.; Bensely, A.; Lal, D.M. Experimental Investigation on Pressure Drop and Heat Transfer Characteristics of Copper Metal Foam Heat Sink. Exp. Heat Transf. 2010, 23, 185–195. [Google Scholar] [CrossRef]
- Mahdi, J.M.; Najim, F.T.; Aljubury, I.M.A.; Mohammed, H.I.; Khedher, N.B.; Alshammari, N.K.; Cairns, A.; Talebizadehsardari, P. Intensifying the thermal response of PCM via fin-assisted foam strips in the shell-and-tube heat storage system. J. Energy Storage 2022, 45, 103733. [Google Scholar] [CrossRef]
- Ghalambaz, M.; Zhang, J. Conjugate solid-liquid phase change heat transfer in heatsink filled with phase change material-metal foam. Int. J. Heat Mass Transf. 2020, 146, 118832. [Google Scholar] [CrossRef]
- Mahdi, J.M.; Nsofor, E.C. Multiple-segment metal foam application in the shell-and-tube PCM thermal energy storage system. J. Energy Storage 2018, 20, 529–541. [Google Scholar] [CrossRef]
- Mahdi, J.M.; Mohammed, H.I.; Hashim, E.T.; Talebizadehsardari, P.; Nsofor, E.C. Solidification enhancement with multiple PCMs, cascaded metal foam and nanoparticles in the shell-and-tube energy storage system. Appl. Energy 2020, 257, 113993. [Google Scholar] [CrossRef]
- Talebizadeh Sardari, P.; Mohammed, H.I.; Mahdi, J.M.; Ghalambaz, M.; Gillott, M.; Walker, G.S.; Grant, D.; Giddings, D. Localized heating element distribution in composite metal foam-phase change material: Fourier’s law and creeping flow effects. Int. J. Energy Res. 2021, 45, 13380–13396. [Google Scholar] [CrossRef]
- Chamkha, A.; Doostanidezfuli, A.; Izadpanahi, E.; Ghalambaz, M. Phase-change heat transfer of single/hybrid nanoparticles-enhanced phase-change materials over a heated horizontal cylinder confined in a square cavity. Adv. Powder Technol. 2017, 28, 385–397. [Google Scholar] [CrossRef]
- Mehryan, S.; Vaezi, M.; Sheremet, M.; Ghalambaz, M. Melting heat transfer of power-law non-Newtonian phase change nano-enhanced n-octadecane-mesoporous silica (MPSiO2). Int. J. Heat Mass Transf. 2020, 151, 119385. [Google Scholar] [CrossRef]
- Mahdi, J.M.; Nsofor, E.C. Solidification of a PCM with nanoparticles in triplex-tube thermal energy storage system. Appl. Therm. Eng. 2016, 108, 596–604. [Google Scholar] [CrossRef]
- Mahdi, J.M.; Nsofor, E.C.; Ashrae. Melting of PCM with Nanoparticles in a Triplex-Tube Thermal Energy Storage System. Ashrae Trans. 2016, 122, 215–224. [Google Scholar]
- Ho, C.; Liu, Y.-C.; Ghalambaz, M.; Yan, W.-M. Forced convection heat transfer of Nano-Encapsulated Phase Change Material (NEPCM) suspension in a mini-channel heatsink. Int. J. Heat Mass Transf. 2020, 155, 119858. [Google Scholar] [CrossRef]
- Liu, S.; Sheng, M.; Wu, H.; Shi, X.; Lu, X.; Qu, J. Biological porous carbon encapsulated polyethylene glycol-based phase change composites for integrated electromagnetic interference shielding and thermal management capabilities. J. Mater. Sci. Technol. 2022, 113, 147–157. [Google Scholar] [CrossRef]
- Ghalambaz, M.; Zadeh, S.M.H.; Mehryan, S.; Pop, I.; Wen, D. Analysis of melting behavior of PCMs in a cavity subject to a non-uniform magnetic field using a moving grid technique. Appl. Math. Model. 2020, 77, 1936–1953. [Google Scholar] [CrossRef]
- Klugmann-Radziemska, E.; Wcisło-Kucharek, P. Photovoltaic module temperature stabilization with the use of phase change materials. Sol. Energy 2017, 150, 538–545. [Google Scholar] [CrossRef]
- Mahmood, A.S. Experimental Study on Double-Pass Solar Air Heater with and without using Phase Change Material. J. Eng. 2019, 25, 1–17. [Google Scholar] [CrossRef] [Green Version]
- Walshe, J.; Carron, P.M.; McLoughlin, C.; McCormack, S.; Doran, J.; Amarandei, G. Nanofluid Development Using Silver Nanoparticles and Organic-Luminescent Molecules for Solar-Thermal and Hybrid Photovoltaic-Thermal Applications. Nanomaterials 2020, 10, 1201. [Google Scholar] [CrossRef] [PubMed]
- Wu, H.; Hu, X.; Li, X.; Sheng, M.; Sheng, X.; Lu, X.; Qu, J. Large-scale fabrication of flexible EPDM/MXene/PW phase change composites with excellent light-to-thermal conversion efficiency via water-assisted melt blending. Compos. Part A: Appl. Sci. Manuf. 2022, 152, 106713. [Google Scholar] [CrossRef]
- Elarga, H.; Goia, F.; Zarrella, A.; Dal Monte, A.; Benini, E. Thermal and electrical performance of an integrated PV-PCM system in double skin façades: A numerical study. Sol. Energy 2016, 136, 112–124. [Google Scholar] [CrossRef]
- Japs, E.; Sonnenrein, G.; Krauter, S.; Vrabec, J. Experimental study of phase change materials for photovoltaic modules: Energy performance and economic yield for the EPEX spot market. Sol. Energy 2016, 140, 51–59. [Google Scholar] [CrossRef]
- Karthick, A.; Murugavel, K.K.; Ramanan, P. Performance enhancement of a building-integrated photovoltaic module using phase change material. Energy 2018, 142, 803–812. [Google Scholar] [CrossRef]
- Park, J.; Kim, T.; Leigh, S.-B. Application of a phase-change material to improve the electrical performance of vertical-building-added photovoltaics considering the annual weather conditions. Sol. Energy 2014, 105, 561–574. [Google Scholar] [CrossRef]
- Cui, T.; Xuan, Y.; Li, Q. Design of a novel concentrating photovoltaic–thermoelectric system incorporated with phase change materials. Energy Convers. Manag. 2016, 112, 49–60. [Google Scholar] [CrossRef]
- Malvi, C.; Dixon-Hardy, D.; Crook, R. Energy balance model of combined photovoltaic solar-thermal system incorporating phase change material. Sol. Energy 2011, 85, 1440–1446. [Google Scholar] [CrossRef]
- Fan, S.; Wang, Y.; Cao, S.; Sun, T.; Liu, P. A novel method for analyzing the effect of dust accumulation on energy efficiency loss in photovoltaic (PV) system. Energy 2021, 234, 121112. [Google Scholar] [CrossRef]
- Ma, T.; Yang, H.; Zhang, Y.; Lu, L.; Wang, X. Using phase change materials in photovoltaic systems for thermal regulation and electrical efficiency improvement: A review and outlook. Renew. Sustain. Energy Rev. 2015, 43, 1273–1284. [Google Scholar] [CrossRef]
- Li, Z.; Ma, T.; Zhao, J.; Song, A.; Cheng, Y. Experimental study and performance analysis on solar photovoltaic panel integrated with phase change material. Energy 2019, 178, 471–486. [Google Scholar] [CrossRef]
- Amori, K.E.; Taqi Al-Najjar, H.M. Analysis of thermal and electrical performance of a hybrid (PV/T) air based solar collector for Iraq. Appl. Energy 2012, 98, 384–395. [Google Scholar] [CrossRef]
- Ma, T.; Zhao, J.; Li, Z. Mathematical modelling and sensitivity analysis of solar photovoltaic panel integrated with phase change material. Appl. Energy 2018, 228, 1147–1158. [Google Scholar] [CrossRef]
- Duffie, J.A.; Beckman, W.A.; Blair, N. Solar Engineering of Thermal Processes, Photovoltaics and Wind; John Wiley & Sons: New York, NY, USA, 2020. [Google Scholar]
- Brent, A.; Voller, V.; Reid, K. Enthalpy-porosity technique for modeling convection-diffusion phase change: Application to the melting of a pure metal. Numer. Heat Transf. Part A Appl. 1988, 13, 297–318. [Google Scholar]
- Rubitherm GmbH, Germany. Available online: https://www.rubitherm.eu (accessed on 20 December 2021).
- MATLAB R2019b (9.7.0.1190202). In Getting Started Guide; MathWorks Inc.: Natick, MA, USA, 2019.
- Fluent 14.0 User’s Guide; ANSYS FLUENT Inc.: Canonsburg, PA, USA, 2011.












| Parameter | Value | Unit |
|---|---|---|
| Density (ρ) | 770 | (kg/m3) |
| Specific heat (Cp) | 2000 | (J/kg K) |
| Thermal conductivity (Kc) | 0.2 | (W/m K) |
| Kinematic viscosity (υ) | 5 × 10−6 | (m2/s) |
| Latent enthalpy of melting (Δhm) | 160,000 | (J/kg) |
| Melting temperature range (ΔTm) | 305–309 | (K) |
| Parameter | Value | Parameter | Value |
|---|---|---|---|
| hpv1 | 210.8 W/m2.K | ε2 | 0.1 |
| hpv2 | 240 W/m2.K | Kv1 | 1.48 W/m K |
| εf | 0.88 | Kv2 | 2.47 W/m K |
| τf | 0.96 | ξ | 0.51 K−1 |
| αpv | 0.95 | β | 0.6 |
| ε1 | 0.1 |
| Case Number | Metal-Foam Convective Heat Transfer Coefficient (W/m2.K) | PCM Melting Duration (hrs.) | Percentage Improvement |
|---|---|---|---|
| 1 | 0.5 | 2.92 | - |
| 2 | 5.0 | 3.38 | 15.8 |
| 3 | 10 | 4.08 | 39.7 |
| 4 | 15 | 5.08 | 74.0 |
| 5 | 20 | 6.63 | 127 |
Publisher’s Note: MDPI stays neutral with regard to jurisdictional claims in published maps and institutional affiliations. |
© 2022 by the authors. Licensee MDPI, Basel, Switzerland. This article is an open access article distributed under the terms and conditions of the Creative Commons Attribution (CC BY) license (https://creativecommons.org/licenses/by/4.0/).
Share and Cite
Al-Najjar, H.M.T.; Mahdi, J.M.; Bokov, D.O.; Khedher, N.B.; Alshammari, N.K.; Catalan Opulencia, M.J.; Fagiry, M.A.; Yaïci, W.; Talebizadehsardari, P. Improving the Melting Duration of a PV/PCM System Integrated with Different Metal Foam Configurations for Thermal Energy Management. Nanomaterials 2022, 12, 423. https://doi.org/10.3390/nano12030423
Al-Najjar HMT, Mahdi JM, Bokov DO, Khedher NB, Alshammari NK, Catalan Opulencia MJ, Fagiry MA, Yaïci W, Talebizadehsardari P. Improving the Melting Duration of a PV/PCM System Integrated with Different Metal Foam Configurations for Thermal Energy Management. Nanomaterials. 2022; 12(3):423. https://doi.org/10.3390/nano12030423
Chicago/Turabian StyleAl-Najjar, Hussein M. Taqi, Jasim M. Mahdi, Dmitry Olegovich Bokov, Nidhal Ben Khedher, Naif Khalaf Alshammari, Maria Jade Catalan Opulencia, Moram A. Fagiry, Wahiba Yaïci, and Pouyan Talebizadehsardari. 2022. "Improving the Melting Duration of a PV/PCM System Integrated with Different Metal Foam Configurations for Thermal Energy Management" Nanomaterials 12, no. 3: 423. https://doi.org/10.3390/nano12030423
APA StyleAl-Najjar, H. M. T., Mahdi, J. M., Bokov, D. O., Khedher, N. B., Alshammari, N. K., Catalan Opulencia, M. J., Fagiry, M. A., Yaïci, W., & Talebizadehsardari, P. (2022). Improving the Melting Duration of a PV/PCM System Integrated with Different Metal Foam Configurations for Thermal Energy Management. Nanomaterials, 12(3), 423. https://doi.org/10.3390/nano12030423

