Formation of UHMWPE Nanofibers during Solid-State Deformation
Abstract
1. Introduction
2. Materials and Methods
3. Results
3.1. Morphology of Nanocomposites
3.2. Melting of Nanofibers
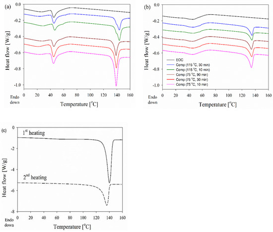
3.3. Melting Behavior of Nanocomposites
3.4. The Mechanism of Melting
4. Conclusions
Author Contributions
Funding
Institutional Review Board Statement
Informed Consent Statement
Data Availability Statement
Conflicts of Interest
References
- Thomas, A.; Goettmann, F.; Antonietti, M. Hard Templates for Soft Materials: Creating Nanostructured Organic Materials. Chem. Mater. 2008, 20, 738–755. [Google Scholar] [CrossRef]
- Pan, L.; Qiu, H.; Dou, C.; Li, Y.; Pu, L.; Xu, J.; Shi, Y. Conducting Polymer Nanostructures: Template Synthesis and Applications in Energy Storage. Int. J. Mol. Sci. 2010, 11, 2636–2657. [Google Scholar] [CrossRef] [PubMed]
- Martin, C.R. Template Synthesis of Electronically Conductive Polymer Nanostructures. Accounts Chem. Res. 1995, 28, 61–68. [Google Scholar] [CrossRef]
- Martin, C.R. Nanomaterials: A Membrane-Based Synthetic Approach. Science 1994, 266, 1961–1966. [Google Scholar] [CrossRef]
- Duchet, J.; Legras, R.; Demoustier-Champagne, S. Chemical synthesis of polypyrrole: Structure–properties relationship. Synth. Met. 1998, 98, 113–122. [Google Scholar] [CrossRef]
- Liang, W.; Rhodes, S.; Zheng, J.; Wang, X.; Fang, J. Soft-Templated Synthesis of Lightweight, Elastic, and Conductive Nanotube Aerogels. ACS Appl. Mater. Interfaces 2018, 10, 37426–37433. [Google Scholar] [CrossRef]
- Xue, J.; Wu, T.; Dai, Y.; Xia, Y. Electrospinning and Electrospun Nanofibers: Methods, Materials, and Applications. Chem. Rev. 2019, 119, 5298–5415. [Google Scholar] [CrossRef]
- Givens, S.R.; Gardner, K.H.; Rabolt, J.F.; Chase, D.B. High-Temperature Electrospinning of Polyethylene Microfibers from Solution. Macromolecules 2007, 40, 608–610. [Google Scholar] [CrossRef]
- Ma, J.; Zhang, Q.; Mayo, A.; Ni, Z.; Yi, H.; Chen, Y.; Mu, R.; Bellan, L.M.; Li, D. Thermal conductivity of electrospun polyethylene nanofibers. Nanoscale 2015, 7, 16899–16908. [Google Scholar] [CrossRef]
- Zakaria, M.; Shibahara, K.; Nakane, K. Melt-Electrospun Polyethylene Nanofiber Obtained from Polyethylene/Polyvinyl Butyral Blend Film. Polymers 2020, 12, 457. [Google Scholar] [CrossRef]
- Huang, Z.-M.; Zhang, Y.-Z.; Kotaki, M.; Ramakrishna, S. A review on polymer nanofibers by electrospinning and their applications in nanocomposites. Compos. Sci. Technol. 2003, 63, 2223–2253. [Google Scholar] [CrossRef]
- Greiner, A.; Wendorff, J.H. Functional Self-Assembled Nanofibers by Electrospinning. Adv. Polym. Sci. 2008, 219, 107–171. [Google Scholar] [CrossRef]
- Iwatake, A.; Nogi, M.; Yano, H. Cellulose nanofiber-reinforced polylactic acid. Compos. Sci. Technol. 2008, 68, 2103–2106. [Google Scholar] [CrossRef]
- Jonoobi, M.; Harun, J.; Mathew, A.P.; Oksman, K. Mechanical properties of cellulose nanofiber (CNF) reinforced polylactic acid (PLA) prepared by twin screw extrusion. Compos. Sci. Technol. 2010, 70, 1742–1747. [Google Scholar] [CrossRef]
- Fakirov, S.; Bhattacharyya, D.; Shields, R. Nanofibril reinforced composites from polymer blends. Colloids Surf. A Physicochem. Eng. Asp. 2008, 313–314, 2–8. [Google Scholar] [CrossRef]
- Voznyak, Y.; Morawiec, J.; Galeski, A. Ductility of polylactide composites reinforced with poly(butylene succinate) nanofibers. Compos. Part A Appl. Sci. Manuf. 2016, 90, 218–224. [Google Scholar] [CrossRef]
- Hosseinnezhad, R.; Vozniak, I.; Morawiec, J.; Galeski, A.; Dutkiewicz, S. In situ generation of sustainable PLA-based nanocomposites by shear induced crystallization of nanofibrillar inclusions. RSC Adv. 2019, 9, 30370–30380. [Google Scholar] [CrossRef]
- Vozniak, I.; Hosseinnezhad, R.; Morawiec, J.; Galeski, A. Nanofibrillar Green Composites of Polylactide/Polyhydroxyalkanoate Produced in Situ due to Shear Induced Crystallization. Polymers 2019, 11, 1811. [Google Scholar] [CrossRef]
- Hosseinnezhad, R.; Vozniak, I.; Morawiec, J.; Galeski, A. Nanofibrillar green composites of polylactide/polyamide produced in situ due to shear induced crystallization. Compos. Commun. 2020, 22, 100512. [Google Scholar] [CrossRef]
- Hosseinnezhad, R.; Vozniak, I.; Morawiec, J.; Galeski, A. Evolution of green in-situ generated polyamide nanofibers controlled by viscoelasticity. Express Polym. Lett. 2021, 15, 250–261. [Google Scholar] [CrossRef]
- Jurczuk, K.; Galeski, A.; Piorkowska, E. All-polymer fibrillar nanocomposites and method for manufacture thereof. European. Patent EP 2428597, 4 March 2011. [Google Scholar]
- Jurczuk, K.; Galeski, A.; Piorkowska, E. All-polymer nanocomposites with nanofibrillar inclusions generated in situ during compounding. Polymer 2013, 54, 4617–4628. [Google Scholar] [CrossRef]
- Jurczuk, K.; Galeski, A.; Piorkowska, E. Strain hardening of molten thermoplastic polymers reinforced with poly(tetrafluoroethylene) nanofibers. J. Rheol. 2014, 58, 589–605. [Google Scholar] [CrossRef]
- Galeski, S.; Piorkowska, E.; Rozanski, A.; Regnier, G.; Galeski, A.; Jurczuk, K. Crystallization kinetics of polymer fibrous nanocomposites. Eur. Polym. J. 2016, 83, 181–201. [Google Scholar] [CrossRef][Green Version]
- Sowinski, P.; Veluri, S.; Piorkowska, E. Crystallization of Isotactic Polypropylene Nanocomposites with Fibrillated Poly(tetrafluoroethylene) under Elevated Pressure. Polymers 2022, 14, 88. [Google Scholar] [CrossRef] [PubMed]
- Krajenta, J.; Pawlak, A.; Galeski, A. Deformation of disentangled polypropylene crystalline grains into nanofibers. J. Polym. Sci. Part B Polym. Phys. 2016, 54, 1983–1994. [Google Scholar] [CrossRef]
- Harrowell, P. Mechanical instability of colloidal crystals under shear flow. Phys. Rev. A 1990, 42, 3427–3431. [Google Scholar] [CrossRef]
- Brooks, N. Temperature and stem length dependence of the yield stress of polyethylene. Polymer 2000, 41, 1475–1480. [Google Scholar] [CrossRef]
- Argon, A.; Galeski, A.; Kazmierczak, T. Rate mechanisms of plasticity in semi-crystalline polyethylene. Polymer 2005, 46, 11798–11805. [Google Scholar] [CrossRef]
- Kazmierczak, T.; Galeski, A.; Argon, A. Plastic deformation of polyethylene crystals as a function of crystal thickness and compression rate. Polymer 2005, 46, 8926–8936. [Google Scholar] [CrossRef]
- Young, R.J. A dislocation model for yield in polyethylene. Philos. Mag. 1974, 30, 85–94. [Google Scholar] [CrossRef]
- Capaccio, G.; Crompton, T.; Ward, I. Ultra-high modulus polyethylene by high temperature drawing. Polymer 1976, 17, 644–645. [Google Scholar] [CrossRef]
- Crist, B. Yielding of Semicrystalline Polyethylene—A Quantitive Dislocation Model. Polym. Commun. 1989, 30, 69–71. [Google Scholar]
- Brooks, N.W.J.; Duckett, R.A.; Ward, I.M. Temperature and strain-rate dependence of yield stress of polyethylene. J. Polym. Sci. Part B Polym. Phys. 1998, 36, 2177–2189. [Google Scholar] [CrossRef]
- Galeski, A. Strength and toughness of crystalline polymer systems. Prog. Polym. Sci. 2003, 28, 1643–1699. [Google Scholar] [CrossRef]
- Jurczuk, K.; Galeski, A.; Piorkowska, E. Polimerowe Nanokompozyty Włókniste i Sposób Ich Otrzymywania. Polish Patent PL221502, 4 March 2010. [Google Scholar]
- Wunderlich, B. Crystallization during Polymerization. Angew. Chem. Int. Ed. 1968, 7, 912–919. [Google Scholar] [CrossRef]
- Wunderlich, B. Fibers Grown on Crystallization during Polymerization. In Macromolecular Physics: Crystal Structure, Morphology, Defects; Academic Press: New York, NY, USA, 1973; Volume 1, pp. 341–347. [Google Scholar] [CrossRef]
- Psarski, M.; Piorkowska, E.; Galeski, A. Crystallization of Polyethylene from Melt with Lowered Chain Entanglements. Macromolecules 2000, 33, 916–932. [Google Scholar] [CrossRef]
- Rastogi, S.; Lippits, D.R.; Peters, G.W.M.; Graf, R.; Yao, Y.; Spiess, H. Heterogeneity in polymer melts from melting of polymer crystals. Nat. Mater. 2005, 4, 635–641. [Google Scholar] [CrossRef]
- Romano, D.; Ronca, S.; Rastogi, S. A Hemi-metallocene Chromium Catalyst with Trimethylaluminum-Free Methylaluminoxane for the Synthesis of Disentangled Ultra-High Molecular Weight Polyethylene. Macromol. Rapid Commun. 2015, 36, 327–331. [Google Scholar] [CrossRef]
- Loos, J.; Arndt-Rosenau, M.; Weingarten, U.; Kaminsky, W.; Lemstra, P.J. Melting behavior of nascent polyolefins synthesized at various polymerization conditions. Polym. Bull. 2002, 48, 191–198. [Google Scholar] [CrossRef]
- Wunderlich, B. CHAPTER VI—The Growth of Crystals. In Macromolecular Physics; Wunderlich, B., Ed.; Academic Press: New York, NY, USA, 1976; pp. 115–347. [Google Scholar] [CrossRef]
- Barham, P.J.; Sadler, D.M. A neutron scattering study of the melting behaviour of polyethylene single crystals. Polymer 1991, 32, 393–395. [Google Scholar] [CrossRef]
- Hosseinnezhad, R.; Talebi, S.; Rezaei, M. The unique effect of chain entanglements and particle morphology on the sintering of ultrahigh molecular weight polyethylene. J. Elastom. Plast. 2017, 49, 609–629. [Google Scholar] [CrossRef]
- Wunderlich, B.; Czornyj, G. A Study of Equilibrium Melting of Polyethylene. Macromolecules 1977, 10, 906–913. [Google Scholar] [CrossRef]
- Muthukumar, M. Nucleation in Polymer Crystallization. In Advances in Chemical Physics; Rice, S.A., Ed.; Wiley: Hoboken, NJ, USA, 2004; Volume 128, pp. 1–63. [Google Scholar]
- Hoffman, J.D.; Miller, R.L. Kinetic of crystallization from the melt and chain folding in polyethylene fractions revisited: Theory and experiment. Polymer 1997, 38, 3151–3212. [Google Scholar] [CrossRef]
- Peacock, A.J.; Mandelkern, L.; Alamo, R.G.; Fatou, J.G. The influence of the deformation temperature on the tensile properties of polyethylenes. J. Mater. Sci. 1998, 33, 2255–2268. [Google Scholar] [CrossRef]
- Romano, D.; Tops, N.; Andablo-Reyes, E.; Ronca, S.; Rastogi, S. Influence of Polymerization Conditions on Melting Kinetics of Low Entangled UHMWPE and Its Implications on Mechanical Properties. Macromolecules 2014, 47, 4750–4760. [Google Scholar] [CrossRef]
- Rastogi, S.; Yao, Y.; Ronca, S.; Bos, J.; van der Eem, J. Unprecedented High-Modulus High-Strength Tapes and Films of Ultrahigh Molecular Weight Polyethylene via Solvent-Free Route. Macromolecules 2011, 44, 5558–5568. [Google Scholar] [CrossRef]
- Kaptay, G. The Gibbs Equation versus the Kelvin and the Gibbs-Thomson Equations to Describe Nucleation and Equilibrium of Nano-Materials. J. Nanosci. Nanotechnol. 2012, 12, 2625–2633. [Google Scholar] [CrossRef]
- Armistead, J.P.; Hoffman, J.D. Direct Evidence of Regimes I, II, and III in Linear Polyethylene Fractions as Revealed by Spherulite Growth Rates. Macromolecules 2002, 35, 3895–3913. [Google Scholar] [CrossRef]
- Bin Ali, M.A.; Nobukawa, S.; Yamaguchi, M. Morphology development of polytetrafluoroethylene in a polypropylene melt (IUPAC Technical Report). Pure Appl. Chem. 2011, 83, 1819–1830. [Google Scholar] [CrossRef]
- Pandey, A.; Toda, A.; Rastogi, S. Influence of Amorphous Component on Melting of Semicrystalline Polymers. Macromolecules 2011, 44, 8042–8055. [Google Scholar] [CrossRef]








| Sample Code | First Heating | Second Heating | ||||||||
|---|---|---|---|---|---|---|---|---|---|---|
| To [°C] | Tm [°C] | Te [°C] | Δhm [J g−1] | Xc [%] | To [°C] | Tm [°C] | Te [°C] | Δhm [J g−1] | Xc [%] | |
| Dis-UHMWPE | 133.5 | 140.0 | 144.7 | 202.0 | 68 | 126.8 | 136.0 | 140.3. | 132.9 | 45 |
| Comp (75 °C, 10 min) | 131.9 | 138.9 | 144.4 | 9.08 | 62 | 127.7 | 134.1 | 137.9 | 4.83 | 33 |
| Comp (75 °C, 30 min) | 132.2 | 138.8 | 144.2 | 5.86 | 40 | 127.7 | 134.4 | 138.0 | 3.36 | 23 |
| Comp (75 °C, 90 min) | 133.4 | 139.1 | 143.8 | 5.71 | 39 | 127.8 | 134.7 | 138.1 | 3.37 | 23 |
| Comp (115 °C, 10 min) | 136.1 | 144.0 (139.9) | 150.5 | 5.56 | 38 | 128.5 | 135.1 | 137.6 | 2.64 | 18 |
| Comp (115 °C, 30 min) | 136.2 | 143.8 (139.8) | 148.8 | 4.98 | 34 | 128.3 | 135.0 | 137.8 | 2.78 | 19 |
Publisher’s Note: MDPI stays neutral with regard to jurisdictional claims in published maps and institutional affiliations. |
© 2022 by the authors. Licensee MDPI, Basel, Switzerland. This article is an open access article distributed under the terms and conditions of the Creative Commons Attribution (CC BY) license (https://creativecommons.org/licenses/by/4.0/).
Share and Cite
Hosseinnezhad, R.; Vozniak, I.; Romano, D.; Rastogi, S.; Regnier, G.; Piorkowska, E.; Galeski, A. Formation of UHMWPE Nanofibers during Solid-State Deformation. Nanomaterials 2022, 12, 3825. https://doi.org/10.3390/nano12213825
Hosseinnezhad R, Vozniak I, Romano D, Rastogi S, Regnier G, Piorkowska E, Galeski A. Formation of UHMWPE Nanofibers during Solid-State Deformation. Nanomaterials. 2022; 12(21):3825. https://doi.org/10.3390/nano12213825
Chicago/Turabian StyleHosseinnezhad, Ramin, Iurii Vozniak, Dario Romano, Sanjay Rastogi, Gilles Regnier, Ewa Piorkowska, and Andrzej Galeski. 2022. "Formation of UHMWPE Nanofibers during Solid-State Deformation" Nanomaterials 12, no. 21: 3825. https://doi.org/10.3390/nano12213825
APA StyleHosseinnezhad, R., Vozniak, I., Romano, D., Rastogi, S., Regnier, G., Piorkowska, E., & Galeski, A. (2022). Formation of UHMWPE Nanofibers during Solid-State Deformation. Nanomaterials, 12(21), 3825. https://doi.org/10.3390/nano12213825

