Synthesis and Characterization of MWCNT-COOH/Fe3O4 and CNT-COOH/Fe3O4/NiO Nanocomposites: Assessment of Adsorption and Photocatalytic Performance
Abstract
:1. Introduction
2. Materials and Methods
2.1. Materials
2.2. Synthesis of Nanocomposites
2.2.1. MWCNT-COOH/Fe3O4 Synthesis
2.2.2. MWCNT-COOH/Fe3O4/NiO Synthesis
2.3. Nanocomposite Characterization
2.4. Analysis of Adsorption Process
2.5. Photocatalytic Degradation of Tartrazine
2.5.1. Tartrazine Photodegradation
2.5.2. Determination of Photodegradation Efficiency
3. Results
3.1. Characterization of Synthesized Nanocomposite
3.1.1. XRD Analysis
3.1.2. SPEM Analysis
3.1.3. FTIR Analysis
3.1.4. Raman Analysis
3.1.5. Surface Area and Porosity Analysis
3.1.6. Morphological Characterization
3.2. Testing of MWCNT-COOH/Fe3O4 and MWCNT-COOH/Fe3O4/NiO Nanocomposites for Removal of Tartrazine from Synthetic Aqueous Solutions by Adsorption
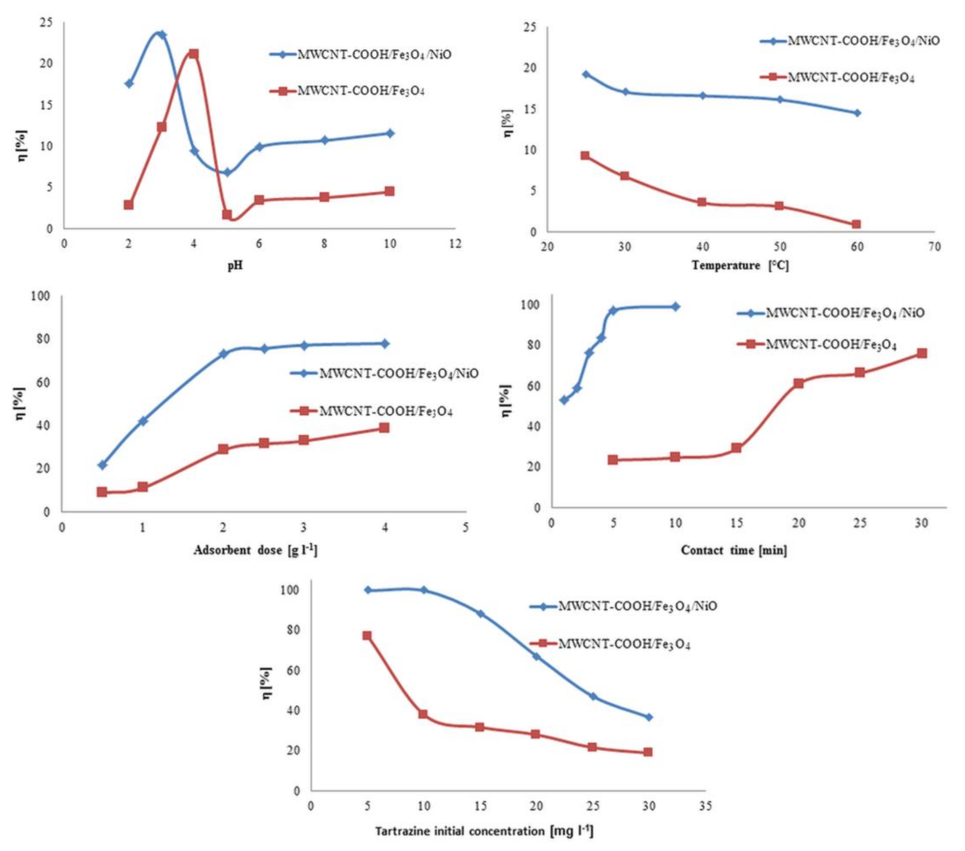
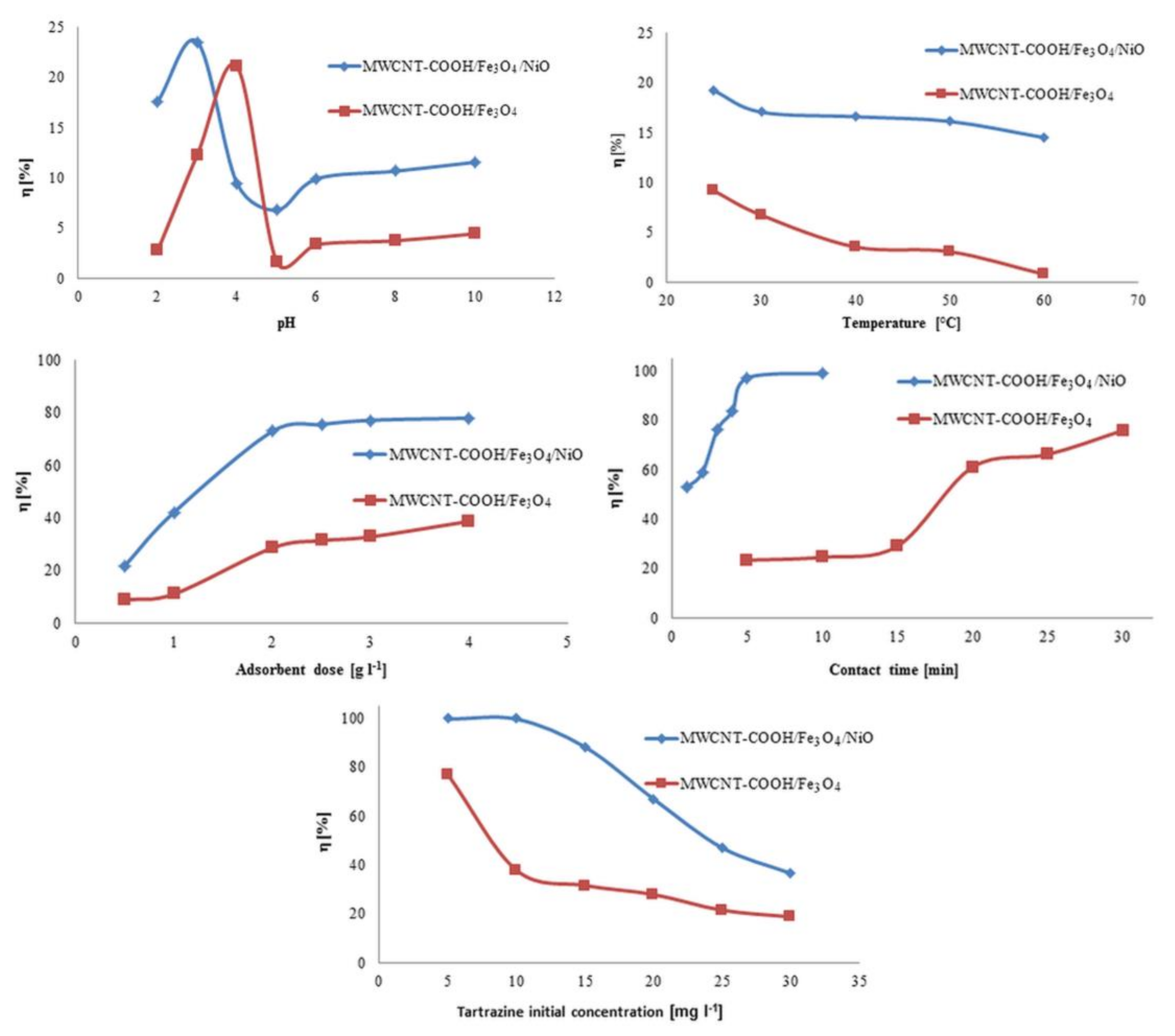
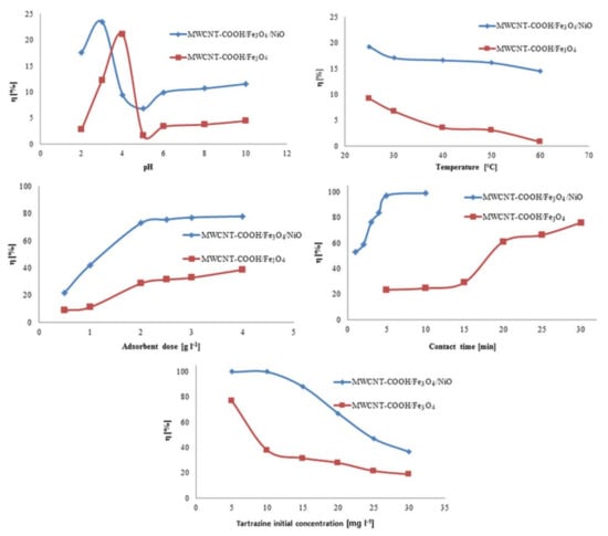
3.2.1. The Influence of pH on the Adsorption Process
3.2.2. The Influence of Temperature on the Adsorption Process
3.2.3. Influence of Adsorbent Dose on the Adsorption Process
3.2.4. Influence of Initial Tartrazine Concentration on the Adsorption Process
3.2.5. The Influence of Contact Time on the Adsorption Process
3.3. Photocatalytic Performance of Synthesized Nanocomposites
4. Conclusions
Author Contributions
Funding
Institutional Review Board Statement
Informed Consent Statement
Data Availability Statement
Acknowledgments
Conflicts of Interest
References
- Iijima, S. Synthesis of Carbon Nanotubes. Nature 1991, 354, 56–58. [Google Scholar] [CrossRef]
- Jian-Hua, L.I.; Ruo-Yu, H.; Guo-Hua, L.; Ying, Z.; Hong-Zhong, L.; Dong-Guang, W. An easy approach to encapsulating Fe3O4 nanoparticles in multiwalled carbon nanotubes. New Carbon Mater. 2010, 25, 192–198. [Google Scholar]
- Zhang, Q.; Zhu, M.; Zhang, Q.; Li, Y.; Wang, H. The formation of magnetite nanoparticles on the sidewalls of multi-walled carbon nanotube. Compos. Sci. Technol. 2009, 69, 633–638. [Google Scholar] [CrossRef]
- Gupta, V.K.; Saleh, T.A. Carbon Nanotubes—From Research to Applications; Bianco, S., Ed.; IntechOpen: London, UK, 2011. [Google Scholar]
- Sun, K.; Zhang, Z.; Gao, B.; Wang, Z.; Xu, D.; Jin, J.; Liu, X. Adsorption of diuron, fluridone and norflurazon on single-walled and multi-walled carbon nanotubes. Sci. Total Environ. 2012, 439, 1–7. [Google Scholar] [CrossRef] [PubMed]
- Li, N.; Chen, J.; Shi, Y.P. Magnetic graphene solid-phase extraction for the determination of carbamate pesticides in tomatoes coupled with high performance liquid chromatography. Talanta 2015, 141, 212–219. [Google Scholar] [CrossRef] [PubMed]
- Dong, J.; Feng, Z.; Kang, S.S.; An, M.; Wu, G.D. Magnetic solid-phase extraction based on magnetic amino modified multiwalled carbon nanotubes for the fast determination of seven pesticide residues in water samples. Anal. Methods 2020, 12, 2747–2756. [Google Scholar] [CrossRef]
- Alghuthaymi, M.; Amal, A.; Mostafa, M.; Abd-Elsalam, K.A. Carbon Nanomaterials for Agri-Food and Environmental Applications; Elsevier: Amsterdam, The Netherlands, 2020; pp. 429–457. [Google Scholar]
- Yu, A.; Mizuno, M.; Sasaki, Y.; Kondo, H. Structural characteristics and magnetic properties of chemically synthesized CoPt nanoparticles. Appl. Phys. Lett. 2002, 81, 3786–3788. [Google Scholar] [CrossRef]
- Jiang, L.; Gao, L. Carbon Nanotubes-Magnetite Nanocomposites from Solvothermal Processes: Formation, Characterization, and Enhanced Electrical Properties. Chem. Mater. 2003, 15, 2848–2853. [Google Scholar] [CrossRef]
- Teng, X.W.; Yang, H. Effects of surfactants and synthetic conditions on the sizes and self-assembly of monodisperse iron oxide nanoparticles. J. Mater. Chem. 2004, 14, 774–779. [Google Scholar] [CrossRef]
- Menezes, H.C.; de Barcelos, S.M.; Macedo, D.F.; Purceno, A.D.; Machado, B.F.; Teixeira, A.P.; Lago, R.M.; Serp, P.; Cardeal, Z.L. Magnetic N-doped carbon nanotubes: A versatile and efficient material for the determination of polycyclic aromatic hydrocarbons in environmental water samples. Anal. Chim. Acta 2015, 873, 51–56. [Google Scholar] [CrossRef]
- Luo, S.; Xu, S.; Zhang, Y.; Liu, J.; Wang, S.; He, P. Preparation of MnO2 and MnO2/carbon nanotubes nanocomposites with improved electrochemical performance for lithium ion batteries. J. Solid State Electrochem. 2016, 20, 2045–2053. [Google Scholar] [CrossRef]
- Rao, M.P.; Wu, J.J.; Asiri, A.M.; Anandan, S. Photocatalytic degradation of tartrazine dye using CuO straw-sheaf-like nanostructures. Water Sci. Technol. 2017, 75, 1421–1430. [Google Scholar] [CrossRef] [PubMed]
- Gupta, V.K.; Ali, I.; Saleh, T.A.; Nayak, A.; Agarwal, S. Chemical treatment technologies for waste-water recycling—An overview. RSC Adv. 2012, 2, 6380–6388. [Google Scholar] [CrossRef]
- Das, R.; Ali, M.E.; Hamid, S.B.A.; Ramakrishna, S.; Chowdhury, Z.Z. Carbon nanotube membranes for water purification: A bright future in water desalination. Desalination 2014, 336, 97–109. [Google Scholar] [CrossRef]
- Soylak, M.; Cihan, Z. Solid-phase extraction of tartrazine on multiwalled carbon nanotubes for separation and enrichment. Toxicol. Environ. Chem. 2013, 95, 559–566. [Google Scholar] [CrossRef]
- Messina, P.V.; Schulz, P.C. Adsorption of reactive dyes on titania-silica mesoporous materials. J. Colloid Interface Sci. 2006, 299, 305–320. [Google Scholar] [CrossRef]
- Sirianuntapiboon, S.; Srisornsak, P. Removal of disperse dyes from textile wastewater using bio-sludge. Bioresour. Technol. 2007, 98, 1057–1066. [Google Scholar] [CrossRef]
- Tsuboy, M.S.; Angeli, J.P.F.; Mantovani, M.S.; Knasmüller, S.; Umbuzeiro, G.A.; Ribeiro, L.R. Genotoxic, mutagenic and cytotoxic effects of the commercial dye CI Disperse Blue 291 in the human hepatic cell line HepG2. Toxicology 2007, 21, 1650–1655. [Google Scholar] [CrossRef]
- Diacu, E.; Ene, C.P. Simultaneous determination of Tartrazine and Sunset Yellow in Soft Drinks by Liquid Chromatography. Rev. Chim. 2009, 60, 745–749. [Google Scholar]
- Krishna, V.N.; Meyyanathan, S.N.; Narende, B.B.; Abhishek, K.S.; Arun, S.B.; Bombhroliya, S.A.; Suresh, B. Simultaneous estimation of colorants Sunset Yellow and Tartrazine in food products by RP-HPLC. Int. J. Res. Pharm. Sci. 2011, 2, 545–549. [Google Scholar]
- El-Sheikh, A.H.; Al-Degs, Y.S. Spectrophotometric determination of food dyes in soft drinks by second order multivariate calibration of the absorbance spectra-pH data matrices. Dye. Pigm. 2013, 97, 330–339. [Google Scholar] [CrossRef]
- Sahraei, R.; Farmany, A.; Mortazavi, S.S. A nanosilver-based spectrophotometry method for sensitive determination of tartrazine in food samples. Food Chem. 2013, 138, 1239–1242. [Google Scholar] [CrossRef]
- Nait-Merzouga, A.; Guellatia, O.; Benjaballaha, A.; Janowskad, I.; Bégind, D.; Manyalae, N.; Guerioune, M. Tartrazine removal from water using functionalized multiwall carbon nanotubes. Desalin. Water Treat. 2017, 67, 397–405. [Google Scholar] [CrossRef] [Green Version]
- Khan, J.; Ilyas, S.; Akram, B.; Ahmad, K.; Hafeez, M.; Siddiq, M.; Ashraf, M.A. Zno/NiO coated multi-walled carbon nanotubes for textile dyes degradation. Arab. J. Chem. 2018, 11, 880–896. [Google Scholar] [CrossRef]
- Mahmoodi, N.M. Photocatalytic Degradation of Dyes Using Carbon Nanotube and Titania Nanoparticle. Water Air Soil Pollut. 2013, 224, 1612. [Google Scholar] [CrossRef]
- Abdelhamid, M.; Korte., D.; Cabrera, H.; Pliekhova, O.; Ebrahimpour, Z.; Štangar, U.L.; Franko, M. Thermo-Optical Characterization of Cu- and Zr-Modified TiO2 Photocatalysts by Beam Deflection Spectrometry. Appl. Sci. 2021, 11, 10937. [Google Scholar] [CrossRef]
- Wang, W.D.; Serp, P.; Kalck, P.; Faria, J.L. Visible light photodegradation of phenol on MWNT-TiO2 composite catalysts prepared by a modified sol–gel method. J. Mol. Catal. A Chem. 2005, 235, 194–199. [Google Scholar] [CrossRef]
- An, G.; Ma, W.; Sun, Z.; Liu, Z.; Han, B.; Miao, S.; Miao, Z.; Ding, K. Preparation of titania/carbon nanotube composites using supercritical ethanol and their photocatalytic activity for phenol degradation under visible light irradiation. Carbon 2007, 45, 1795–1801. [Google Scholar] [CrossRef]
- Yao, Y.; Li, G.; Ciston, S.; Lueptow, R.M.; Gray, K.A. Photoreactive TiO2/carbon nanotube composites: Synthesis and reactivity. Environ. Sci. Technol. 2008, 42, 4952–4957. [Google Scholar] [CrossRef]
- Saleh,, T.A. The Role of Carbon Nanotubes in Enhancement of Photocatalysis; Satoru, S., Ed.; IntechOpen: London, UK, 2013. [Google Scholar]
- Zhang, W.D. Growth of ZnO nanowires on modified well-aligned carbon nanotube arrays. Nanotechnology 2006, 17, 1036–1040. [Google Scholar] [CrossRef]
- Agnihotri, S.; Mota, J.P.B.; Rostam-Abadi, M.; Rood, M.J. Adsorption site analysis of impurity embedded single-walled carbon nanotube bundles. Carbon 2006, 44, 2376–2383. [Google Scholar] [CrossRef]
- Jiang, L.; Gao, L. Fabrication and characterization of ZnO-coated multi-walled carbon nanotubes with enhanced photocatalytic activity. Mater. Chem. Phys. 2005, 91, 313–316. [Google Scholar] [CrossRef]
- Abyaneh, M.K.; Gregoratti, L.; Amati, M.; Dalmiglio, M.; Kiskinova, M. Scanning Photoelectron Microscopy: A Powerful Technique for Probing Micro and Nano-Structures. e-J. Surf. Sci. Nanotechnol. 2011, 9, 158–162. [Google Scholar] [CrossRef] [Green Version]
- Gregoratti, L.; Barinov, A.; Benfatto, E.; Cautero, G.; Fava, C.; Lacovig, P.; Lonza, D.; Kiskinova, M.; Tommasini, R.; Mahl, S. 48-Channel electron detector for photoemission spectroscopy and microscopy. Rev. Sci. Instrum. 2004, 75, 64. [Google Scholar] [CrossRef]
- Chiang, Y.C.; Lin, W.H.; Chang, Y.C. The influence of treatment duration on multi-walled carbon nanotubes functionalized by H2SO4/HNO3 oxidation. Appl. Surf. Sci. 2011, 257, 2401–2410. [Google Scholar] [CrossRef]
- Stobinski, L.; Lesiak, B.; Malolepszy, A.; Mazurkiewicz, M.; Mierzwa, B.; Zemek, J.; Jiricek, P.; Bieloshapka, I. Graphene Oxide and Reduced Graphene Oxide Studied by the XRD, TEM and Electron Spectroscopy Methods. J. Electron Spectros. Relat. Phenom. 2014, 195, 145–154. [Google Scholar] [CrossRef]
- Biesinger, M.C.; Payne, B.P.; Grosvenor, A.P.; Lau, L.W.M.; Gerson, A.R.; Smart, R.S.C. Resolving Surface Chemical States in XPS Analysis of First Row Transition Metals, Oxides and Hydroxides: Cr, Mn, Fe, Co and Ni. Appl. Surf. Sci. 2011, 257, 2717–2730. [Google Scholar] [CrossRef]
- Lung, I.; Soran, M.L.; Stegarescu, A.; Opriș, O.; Gutoiu, S.; Leoștean, C.; Lazar, M.D.; Kacso, I.; Silipas, T.D.; Porav, A.S. Evaluation of CNT-COOH/MnO2/Fe3O4 nanocomposite for ibuprofen and paracetamol removal from aqueous solutions. J. Hazard. Mater. 2021, 403, 123528. [Google Scholar] [CrossRef]
- Misra, A.; Tyagi, P.K.; Rai, P.; Misra, D.S. FTIR spectroscopy of multiwalled carbon nanotubes: A simple approach to study the nitrogen doping. J. Nanosci. Nanotechnol. 2007, 7, 1820–1823. [Google Scholar] [CrossRef]
- Baykal, A.; Senel, M.; Unal, B.; Karaoglu, E.; Sozeri, H.; Toprak, M.S. Acid functionalized multiwall carbon nanotube/magnetite (MWCNT)-COOH/Fe3O4 hybrid: Synthesis, characterization and conductivity evaluation. J. Inorg. Organomet. Polym. 2013, 23, 726–735. [Google Scholar] [CrossRef]
- Mitróová, Z.; Tomašovičová, N.; Lancz, G.; Kováč, J.; Vávra, I.; Kopčanský, P. Preparation and Characterization of Carbon Nanotubes Functionalized by Magnetite Nanoparticles. In Proceedings of the NANOCON 2010, Olomouc, Czech Republic, 12–14 October 2010; p. 012041, ISBN 978-80-87294-19-2. [Google Scholar]
- Rahdar, A.; Aliahmad, M.; Azizi, Y. NiO Nanoparticles: Synthesis and Characterization. J. Nanostructures. 2015, 5, 145–151. [Google Scholar]
- Lee, Y.I.; Park, M.H.; Bae, J.H.; Lee, S.E.; Song, K.W.; Kim, T.H.; Lee, Y.H.; Yang, C.W. Loading Behavior of Pt Nanoparticles on the Surface of Multiwalled Carbon Nanotubes Having Defects Formed via Microwave Treatment. J. Nanosci. Nanotechnol. 2011, 11, 479–483. [Google Scholar] [CrossRef] [PubMed]
- Balacianu, F.D.; Nechifor, A.C.; Bartos, R.; Voicu, S.I.; Nechifor, G. Synthesis and characterization of Fe3O4 magnetic particles-multiwalled carbon nanotubes by covalent functionalization. Optoelectron. Adv. Mater. Rapid Commun. 2009, 3, 219–222. [Google Scholar]
- Dotto, G.L.; Vieira, M.L.G.; Pinto, L.A.A. Kinetics and mechanism of tartrazine adsorption on chitin and chitosan. Ind. Eng. Chem. Res. 2012, 51, 6599–6608. [Google Scholar] [CrossRef]
- Banerjee, S.; Chattopadhyaya, M.C. Adsorption characteristics for the removal of a toxic dye, tartrazine from aqueous solutions by a low cost agricultural by-product. Arab. J. Chem. 2017, 10, S1629–S1638. [Google Scholar] [CrossRef] [Green Version]
- Chukwuemeka-Okorie, H.O.; Ekuma, F.K.; Akpomie, K.G.; Nnaji, J.C.; Okereafor, A.G. Adsorption of tartrazine and sunset yellow anionic dyes onto activated carbon derived from cassava sievate biomass. Appl. Water Sci. 2021, 11, 27. [Google Scholar] [CrossRef]
- Xu, J.; Wen, Q.; Zhang, X.; Li, Y.; Cui, Z.; Li, P.; Pan, C. One-Step Construction of Multi-Walled CNTs Loaded with Alpha-Fe2O3 Nanoparticles for Efficient Photocatalytic Properties. Materials 2021, 14, 2820. [Google Scholar] [CrossRef]
- Bellamkonda, S.; Thangavel, N.; Hafeez, H.Y.; Neppolian, B.; Ranga, G. Highly active and stable multi-walled carbon nanotubes-graphene-TiO2 nanohybrid: An efficient non-noble metal photocatalyst for water splitting. Catal. Today 2019, 321, 120–127. [Google Scholar] [CrossRef]
- Ramesh, M.; Purna Chander Rao, M.; Anandan, S.; Nagaraja, H. Adsorption and photocatalytic properties of NiO nanoparticles synthesized via a thermal decomposition process. J. Mater. Res. 2018, 33, 601–610. [Google Scholar] [CrossRef]
- Wang, H.; Shen, Y.; Shen, C.; Wen, Y.; Li, H. Enhanced adsorption of dye on magnetic Fe3O4 via HCl-assisted sonication pretreatment. Desalination 2012, 284, 122–127. [Google Scholar] [CrossRef]
- Rehman, R.; Uz-Zaman, W.; Abbas, A.; Mitu, L. Rapid photocatalytic degradation of methylene blue, tartrazine and brilliant green dyes by high-flux UV irradiation photolysis reactor. Bulg. Chem. Commun. 2019, 51, 337–341. [Google Scholar] [CrossRef]
- Kang, S.; Han, H.; Mhin, S.; Chae, H.R.; Kim, W.R.; Kim, K.M. Ni-doped carbon nanotubes fabricated by pulsed laser ablation in liquid as efficient electrocatalysts for oxygen evolution reaction. Appl. Surf. Sci. 2021, 547, 149197. [Google Scholar] [CrossRef]













Publisher’s Note: MDPI stays neutral with regard to jurisdictional claims in published maps and institutional affiliations. |
© 2022 by the authors. Licensee MDPI, Basel, Switzerland. This article is an open access article distributed under the terms and conditions of the Creative Commons Attribution (CC BY) license (https://creativecommons.org/licenses/by/4.0/).
Share and Cite
Stegarescu, A.; Cabrera, H.; Budasheva, H.; Soran, M.-L.; Lung, I.; Limosani, F.; Korte, D.; Amati, M.; Borodi, G.; Kacso, I.; et al. Synthesis and Characterization of MWCNT-COOH/Fe3O4 and CNT-COOH/Fe3O4/NiO Nanocomposites: Assessment of Adsorption and Photocatalytic Performance. Nanomaterials 2022, 12, 3008. https://doi.org/10.3390/nano12173008
Stegarescu A, Cabrera H, Budasheva H, Soran M-L, Lung I, Limosani F, Korte D, Amati M, Borodi G, Kacso I, et al. Synthesis and Characterization of MWCNT-COOH/Fe3O4 and CNT-COOH/Fe3O4/NiO Nanocomposites: Assessment of Adsorption and Photocatalytic Performance. Nanomaterials. 2022; 12(17):3008. https://doi.org/10.3390/nano12173008
Chicago/Turabian StyleStegarescu, Adina, Humberto Cabrera, Hanna Budasheva, Maria-Loredana Soran, Ildiko Lung, Francesca Limosani, Dorota Korte, Matteo Amati, Gheorghe Borodi, Irina Kacso, and et al. 2022. "Synthesis and Characterization of MWCNT-COOH/Fe3O4 and CNT-COOH/Fe3O4/NiO Nanocomposites: Assessment of Adsorption and Photocatalytic Performance" Nanomaterials 12, no. 17: 3008. https://doi.org/10.3390/nano12173008
APA StyleStegarescu, A., Cabrera, H., Budasheva, H., Soran, M.-L., Lung, I., Limosani, F., Korte, D., Amati, M., Borodi, G., Kacso, I., Opriş, O., Dan, M., & Bellucci, S. (2022). Synthesis and Characterization of MWCNT-COOH/Fe3O4 and CNT-COOH/Fe3O4/NiO Nanocomposites: Assessment of Adsorption and Photocatalytic Performance. Nanomaterials, 12(17), 3008. https://doi.org/10.3390/nano12173008

