Power Quality Analysis of a Microgrid-Based on Renewable Energy Sources: A Simulation-Based Approach
Abstract
1. Introduction
1.1. State of the Art
1.2. Paper Motivation, Contribution, and Organization
- A fully detailed 14-bus μG system operating in grid-connected mode for power quality studies has been designed and modeled. Within this μG, various DGUs, including solar and wind power sources, as well as both balanced and unbalanced loads (comprising linear and non-linear loads), BESSs, power transformers, and distribution lines, have been considered. It is worth mentioning that the proposed μG model is a variation of the original IEEE 14-bus model and that no previous study has analyzed the impact of wind generation on μGs. The details of this impact are discussed in Section 5.
- Certain PCs have been considered, implementing both open-loop and closed-loop control strategies. Notably, these rectifiers or inverters utilize pulse width modulation (PWM) techniques with varying carrier frequencies. However, no advanced control schemes or any proposals for mitigation of power quality problems have been proposed. These topics are outside the scope of this research. However, the technical aspects of the inverters/rectifiers of the DGUs that make up the electrical μG are clearly described, unlike previous studies that omit this information.
- This study focuses on a proposed μG with a capacity of 4 MW, where 75% of the power is received from conventional generation based on a 3 MW diesel generator. The study examines various parameters, including voltage and PF variations in each bus of the μG, and voltage and current THD index variations. The relevance of the study is analyzed by comparing it with the IEEE-519 standard and with other studies that address these same problems. Furthermore, the conflicts caused by the bidirectional flow of energy and the inclusion of DGUs such as PV systems and especially wind systems are detailed, knowing that the latter, being a non-dispatchable plant, tends to inject a greater harmonic content into the electric μG.
- Finally, a comparative study of different studies carried out in the last three years related to power quality issues for applications in electrical μGs is presented. This review has been carried out as a validation tool of the results obtained in this research with respect to the results of other studies, highlighting the DGUs implemented, the types of loads selected and the impact of incorporating an electrical DC-μG into the system.
2. Microgrid Generalities
2.1. Microgrid Architecture
2.1.1. AC Microgrid (AC-μG)
2.1.2. DC Microgrid (DC-μG)
2.1.3. AC-DC or Hybrid Microgrid
2.2. Microgrid Operation Modes
2.2.1. Islanding Mode Operation of the Microgrid
2.2.2. Grid-Connected Mode Operation of the Microgrid
2.3. Technical Aspects of Electrical Microgrids
2.3.1. Power and Voltage Unbalance
2.3.2. System Stability
- Decreased inertia of the system, resulting in frequency variations and angular instability;
- Low voltage stability due to more limited power distribution;
- Frequency fluctuations due to a change in the proportion of power sharing.
2.3.3. Harmonic Distortion
Harmonic Distortion in μGs Operating in Grid-Connected Mode
Harmonic Distortion in μGs Operating in Islanding Mode
3. Model Description Proposed
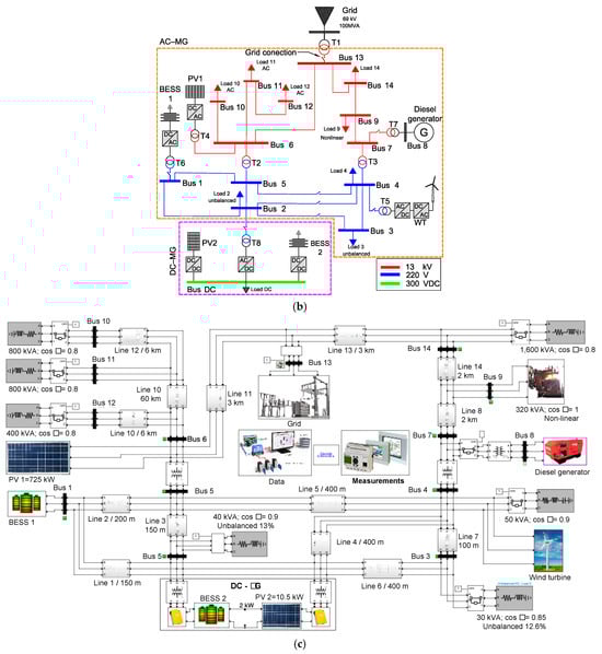
- AC-μG: Marked by an orange dotted line, this segment operates at two voltage levels—220 V and 13.8 kV—via distribution lines. It includes a 725 kW PV system, a 3 MW diesel generator, a 750 kW wind turbine, and a 96 kW and 345.6 MJ BESS1. It also supports a variety of linear and non-linear loads as well as balanced and unbalanced loads. This μG functions at a 60 Hz frequency.
- DC-μG: Highlighted by a magenta dotted line, this segment contains a DC bus featuring 960 W and 3.5 MJ BESS2 and a 10.5 kW PV system. It is connected to the AC-μG through two bidirectional, parallel PCs, enabling the transfer of active and reactive power via transformers.
- Finally, the AC-μG connects to the main electrical grid at bus 13. The grid is modeled by a Thevenin equivalent with a voltage of 69 kV, a capacity of 100 MVA, and an X/R ratio of 10.
3.1. PV System
- PV1: Connected to bus 6, it comprises over 1750 panels with a combined nominal power output of 725 kW. This system operates under standard test conditions with a total solar irradiance (G) of 1000 W/m² and a cell temperature of 25 °C.
- PV2: Linked to bus 2 within the DC section of the μG, it consists of 42 panels that collectively produce a nominal power of 10.5 kW under the same irradiance and temperature conditions.
3.2. Permant Magnet Synchronous Generator (PMSG)-Based Wind Turbine
3.3. BESS
3.4. PC
3.4.1. DC-AC PCs
3.4.2. DC-DC PCs
3.5. Power Transformers
3.6. Loads
Non-Linear Loads
3.7. Distribution Lines
4. Analysis and Simulation of Hybrid μG
4.1. Voltage Profile Analysis
4.2. Power Factor (PF)
4.3. THD
4.3.1. Voltage THD
4.3.2. Current THD
5. Discussion
6. Conclusions
Author Contributions
Funding
Data Availability Statement
Conflicts of Interest
Nomenclature
| DGU | Distributed Generation Unit |
| μG | Microgrid |
| ESS | Energy Storage System |
| PF | Power factor |
| PV | Photovoltaic |
| BESS | Battery Energy Storage System |
| THD | Total Harmonic Distortion |
| PCC | Point of Common Coupling |
| PC | Power Converter |
| DC-μG | Direct Current Microgrid |
| AC-μG | Altern Current Microgrid |
| EPS | Electrical Power System |
| HVDC | High-Voltage Direct Current |
| VUF | Voltage Unbalance Factor |
| PWM | Pulse Width Modulation |
| PMSG | Permanent Magnet Synchronous Generator |
| MPPT | Maximum Power Point Tracker |
| IGBT | Insulated-Gate Bipolar Transistor |
| SPWM | Sinusoidal Pulse Width Modulation |
| THDv | Voltage Total Harmonic Distortion |
| THDi | Current Total Harmonic Distortion |
References
- Li, Y.; Feng, B.; Li, G.; Qi, J.; Zhao, D.; Mu, Y. Optimal distributed generation planning in active distribution networks considering integration of energy storage. Appl. Energy 2018, 210, 1073–1081. [Google Scholar] [CrossRef]
- Ali, Z.M.; Calasan, M.; Abdel-Aleem, S.H.E.; Jurado, F.; Gandoman, F.H. Applications of energy storage systems in enhancing energy management and access in microgrids: A review. Energies 2023, 16, 5930. [Google Scholar] [CrossRef]
- Planas, E.; Andreu, J.; Garate, J.I.; Martínez, I.; Ibarra, E. AC and DC technology in microgrids: A review. Renew. Sustain. Energy 2015, 43, 726–749. [Google Scholar] [CrossRef]
- Sarwar, S.; Kirli, D.; Merlin, M.M.C.; Kiprakis, A.E. Major Challenges towards energy management and power sharing in a hybrid AC/DC microgrid: A review. Energies 2022, 15, 8851. [Google Scholar] [CrossRef]
- Parhizi, S.; Lotfi, H.; Khodaei, A.; Bahramirad, S. State of the art in research on microgrids: A review. IEEE Access 2015, 3, 890–925. [Google Scholar] [CrossRef]
- Jithin, K.; Haridev, P.P.; Mayadevi, N.; Harikumar, R.P.; Mini, V.P. A review on challenges in DC microgrid planning and implementation. J. Mod. Power Syst. Clean Energy 2023, 11, 1375–1395. [Google Scholar] [CrossRef]
- Li, Y.; He, J. Distribution system harmonic compensation methods: An overview of DG-interfacing inverters. IEEE Ind. Electron. Mag. 2014, 8, 18–31. [Google Scholar] [CrossRef]
- Kow, K.; Wong, Y.; Kajkumar, R. Power quality analysis for PV grid connected system using PSCAD/EMTDC. Int. J. Renew. Energy Res. 2015, 5, 121–132. [Google Scholar]
- Alhaiz, H.A.; Alsafran, A.S.; Almarhoon, A.H. Single-phase microgrid power quality enhancement strategies: A comprehensive review. Energies 2023, 16, 5576. [Google Scholar] [CrossRef]
- García, Y.; Dufo, R.; Bernal, J. Optimization of isolated hybrid microgrids with renewable energy based on different battery models and technologies. Energies 2020, 13, 581. [Google Scholar] [CrossRef]
- Talluri, G.; Lozito, G.M.; Grasso, F.; García, C.I.; Luchetta, A. Optimal battery energy storage system scheduling within renewable energy communities. Energies 2021, 14, 8480. [Google Scholar] [CrossRef]
- Palizban, O.; Kauhaniemi, K.; Guerrero, J.M. Microgrids in active grid management—Part II: System operation, power quality and protection. Renew. Sustain. Energy Rev. 2014, 36, 440–451. [Google Scholar] [CrossRef]
- Moreira, J.L.; Ferreira, A.; Oliveira, G.; Lima, M.E. Harmonic effects due to the high penetration of photovoltaic generation into a distribution system. Energies 2021, 14, 4021. [Google Scholar] [CrossRef]
- Raghavendra, L.; Parthasarathy, L. Enhancing Power Quality in Microgrids with Integrated Distributed Energy Resources: A Comprehensive Analysis. J. Propuls. Technol. 2014, 55, 1431–1438. [Google Scholar]
- Barbu, V.; Chicco, G.; Corona, F.; Golovanov, N.; Spertino, F. Impact of a Photovoltaic Plant Connected to the MV Network on Harmonic Distortion: An Experimental Assessment. Sci. Bull. 2013, 75, 179–193. [Google Scholar]
- Available online: https://powerquality.blog/2021/07/22/standard-en-50160-voltage-characteristics-of-public-distribution-systems/ (accessed on 3 November 2024).
- Ostrowska, A.; Michalec, Ł.; Skarupski, M.; Jasiński, M.; Sikorski, T.; Kostyła, P.; Lis, R.; Mudrak, G.; Rodziewicz, T. Power quality assessment in a real microgrid-statistical assessment of different long-term working conditions. Energies 2022, 15, 8089. [Google Scholar] [CrossRef]
- Roy, S.; Debnath, A.; Tariq, M.; Behnamfar, M.; Sarwat, A. Characterizing current THD’s dependency on solar irradiance and supraharmonics profiling for a grid–tied photovoltaic power plant. Sustainability 2023, 15, 1214. [Google Scholar] [CrossRef]
- Kaushal, P.; Basak, P. Power quality control based on voltage sag/swell, unbalancing, frequency, THD and power factor using artificial neural network in PV integrated AC microgrid. Sustain. Energy Grids Netw. 2020, 23, 100365. [Google Scholar] [CrossRef]
- Available online: https://standards.ieee.org/ieee/519/10677/ (accessed on 3 November 2024).
- Jarwar, A.R.; Soomro, A.M.; Memon, Z.A.; Odhano, S.A.; Uqaili, M.A.; Larik, A.S. High dynamic performance power quality conditioner for AC microgrids. IET Power Electron. 2019, 12, 5264. [Google Scholar] [CrossRef]
- Guerrero, N.F.; Batista, R.O.; Ramírez, F.A.; Ferreira, J.; Mercado, R.; Manilla, A. Harmonic Distortion Study of a Photovoltaic Generator in a Microgrid under Disturbances. Energies 2024, 19, 2031. [Google Scholar] [CrossRef]
- Isanbaev, V.; Baños, R.; Martínez, F.; Alcayde, A.; Gil, C. Monitoring Energy and Power Quality of the Loads in a Microgrid Laboratory using Smart Meters. Energies 2024, 17, 1251. [Google Scholar] [CrossRef]
- Liu, Z.; Xu, X.; Abdelsalam, H.A.; Makram, E. Power System Harmonics Study for Unbalanced Microgrid System with PV Sources and Nonlinear Loads. J. Power Energy Eng. 2015, 3, 43–55. [Google Scholar] [CrossRef]
- Andishgar, M.; Gholipour, E. An overview of control approaches of inverter-based microgrids in islanding mode of operation. Renew. Sustain. Energy Rev. 2017, 80, 1043–1060. [Google Scholar] [CrossRef]
- Mohamad, A.; Mohamed, Y. Investigation and assessment of stabilization solutions for DC microgrid with dynamic loads. IEEE Trans Smart Grid 2019, 10, 5735–5747. [Google Scholar] [CrossRef]
- Hernandez, E.; Madrigal-Martínez, M.; Mina-Antonio, J.D.; Iracheta-Cortez, R.; Enríquez-Santiago, J.A.; Rodríguez-Rivera, O.; Martínez-Reyes, G.; Mendoza-Santos, E. A comprehensive review on power quality, optimization techniques, and control strategies of microgrid based on renewable energy sources. Sustainability 2023, 15, 9847. [Google Scholar] [CrossRef]
- Blazek, V.; Petruzela, M.; Vantuch, T.; Slanina, Z.; Misak, S.; Walendziuk, W. The estimation of the influence of household appliances on the power quality in a microgrid system. Energies 2020, 13, 4323. [Google Scholar] [CrossRef]
- Lotfi, H.; Khodaei, A. AC versus DC microgrid planning. IEEE Trans. Smart Grid 2017, 8, 296–304. [Google Scholar] [CrossRef]
- Ma, T.; Cintuglu, M.; Mohammed, O.A. Control of a Hybrid AC/DC microgrid involving energy storage and pulsed loads. IEEE Trans. Ind. Appl. 2017, 53, 567–575. [Google Scholar] [CrossRef]
- IEEE Std 1547-2018; IEEE Standard for Interconnection and Interoperability of Distributed Energy Resources with Associated Electric Power Systems Interfaces. IEEE: Piscataway, NJ, USA, 2018; pp. 1–138. [CrossRef]
- Miridi, S.; Dong, X.; Said, M. Towards hybrid AC/DC micro-grids: Critical analysis and classification of protection strategies. Renew. Sustain. Energy Rev. 2018, 90, 97–103. [Google Scholar]
- Abubakar, M.; Renner, H.; Schurhuber, R. Development of a novel control scheme to achieve the minimum unbalance factor and real power fluctuations under asymmetrical faults. Energies 2023, 16, 7511. [Google Scholar] [CrossRef]
- Macii, D.; Petri, D. Rapid voltage change detection: Limits of the IEC standard approach and possible solutions. IEEE Trans. Instrum. Meas. 2020, 69, 382–392. [Google Scholar] [CrossRef]
- Ghassemi, F.; Perry, M. Review of Voltage Unbalance Limit in the GB Grid Code CC.6.1.5 (b). 2014. Available online: https://www.nationalgrid.com/sites/default/files/documents/37643-Voltage%20Unbalance%20Report.pdf? (accessed on 3 November 2024).
- Standard CSA C22.3 No. 9-08-R2015; Interconnection of Distributed Resources and Electricity Supply Systems. Canadian Standards Association: Toronto, ON, Canada, 2015.
- Gaur, P.; Singh, S. Investigations on issues in microgrids. J. Clean Energy Technol. 2017, 5, 47–51. [Google Scholar] [CrossRef]
- Li, Y.; Vilathgamuwa, D.; Loh, P. A grid-interfacing power quality compensator for three-phase three-wire microgrid applications. IEEE Trans. Power Electron. 2006, 21, 1021–1031. [Google Scholar] [CrossRef]
- Khan, M.; Haque, A.; Kurukuru, V.; Wang, H.; Blaabjerg, F. Standalone operation of distributed generation systems with improved harmonic elimination scheme. IEEE J. Emerg. Sel. Top. Power Electron. 2021, 9, 6924–6934. [Google Scholar] [CrossRef]
- Martínez, M.; Burgos-Mellado, C.; Morales-Paredes, H.K.; Gómez, J.S.; Verma, A.K.; Bonaldo, J.P. Distributed control scheme for clusters of power quality compensators in grid-tied AC microgrids. Sustainability 2023, 15, 15698. [Google Scholar] [CrossRef]
- Blooming, T.; Carnovale, D. Application of IEEE Std. 519-1992 harmonic limits. In Proceedings of the Conference Record of 2006 Annual Pulp and Paper Industry Technical Conference, Appleton, WI, USA, 18–23 June 2006. [Google Scholar]
- Cho, N.; Lee, H.; Bhat, R.; Heo, K. Analysis of harmonic hosting capacity of IEEE Std. 519 with IEC 61000-3-6 in distribution systems. In Proceedings of the 2019 IEEE PES GTD Grand International Conference and Exposition Asia (GTD Asia), Bangkok, Thailand, 19–23 March 2019. [Google Scholar]
- Gao, D.W.; Muljadi, E.; Tian, T.; Miller, M.; Wang, W. Comparison of Standards and Technical Requirements of Grid-Connected Wind Power Plants in China and the United States; Technic Report NREL/TP-5D00-64225; National Renewable Energy Lab.: Golden, CO, USA, 2016. [Google Scholar]
- Nejabatkhah, F.; Li, Y. Overview of power management strategies of hybrid AC/DC microgrid. IEEE Trans. Power Electron. 2015, 30, 7072–7089. [Google Scholar] [CrossRef]
- Mayoral, E.H.; Reyes, E.D.; Cortez, R.I.; Hernández, C.J.; Gómez, C.D.; Román, C.R.; Romero, J.D.; Rivera, O.R.; Santos, E.F.; Gómez, W.D.; et al. Power Quality in Renewable Energy Microgrids Applications with Energy Storage Technologies: Issues, Challenges and Mitigations; IntechOpen: London, UK, 2022. [Google Scholar]
- Micallef, A.; Apap, M.; Spiteri, C.; Guerrero, J.M. Mitigation of harmonic in grid-connected and islanded micro-grids via virtual admittances and impedances. IEEE Trans. Smart Grid 2017, 8, 651–661. [Google Scholar]
- Tran, T.S.; Nguyen, D.T.; Fujita, G. The analysis of technical trend in islanding operation, harmonic distortion, stabilizing frequency, and voltage of islanded entities. Resources 2019, 8, 14. [Google Scholar] [CrossRef]
- Shafiefi, A.; Dehkordi, M.; Kiyoumarsi, A.; Farhangi, S. A Control Approach for Small–Scale PMSG–based WECS in the Whole Wind Speed Range. IEEE Trans. Power Electron. 2017, 23, 9117–9130. [Google Scholar] [CrossRef]
- Cao, J.; Emadi, A.A. New Battery/UltraCapacitor Hybrid Energy Storage System for Electric, Hybrid, and Plug-In Hybrid Electric Vehicles. IEEE Trans. Power Electron. 2012, 27, 122–132. [Google Scholar]
- Khaligh, A.; Li, Z. Battery, Ultracapacitor, Fuel Cell, and Hybrid Energy Storage Systems for Electric, Hybrid Electric, Fuel Cell, and Plug-In Hybrid Electric Vehicles: State of the Art. IEEE Trans. Veh. Technol. 2010, 59, 2806–2814. [Google Scholar] [CrossRef]
- Martha, S.K.; Elias, L. Nanostructured Anode Materials for Batteries (Lithium Ion, Ni-MH, Lead-Acid, and Thermal Batteries). In Nanomaterials for Electrochemical Energy Storage Devices; John Wiley & Sons, Ltd.: Hoboken, NJ, USA, 2019; Chapter 3; pp. 145–229. [Google Scholar]
- Bizuayehu, A.W.; Medina, P.; Catalão, J.P.S.; Rodrigues, E.M.G.; Contreras, J. Analysis of Electrical Energy Storage Technologies state-of-the-Art and Applications on Islanded Grid Systems. In Proceedings of the 2014 IEEE PES T D Conference and Exposition, Chicago, IL, USA, 14–17 April 2014; pp. 1–5. [Google Scholar]
- Zhang, H.; Sun, C. Cost-effective iron-based aqueous redox flow batteries for large-scale energy storage application: A review. J. Power Sources 2021, 493, 229445. [Google Scholar] [CrossRef]
- Faisal, M.; Hannan, M.A.; Ker, P.J.; Hussain, A.; Mansor, M.B.; Blaabjerg, F. Review of energy storage system technologies in microgrid applications: Issues and challenges. IEEE Access 2018, 6, 35143–35164. [Google Scholar] [CrossRef]
- Georgious, R.; Refaat, R.; Garcia, J.; Daoud, A.A. Review on energy storage systems in microgrids. Electronics 2021, 10, 2134. [Google Scholar] [CrossRef]
- Shabestary, M.M.; Mohamed, Y.A.R.I. Autonomous coordinated control scheme for cooperative asymmetric low-voltage ride-through and grid support in active distribution networks with multiple DG units. IEEE Trans. Smart Grid 2020, 11, 2125–2139. [Google Scholar] [CrossRef]
- Arranz, A.; Zorita, A.; Morinigo, D.; Duque, O. A review of total harmonic distortion factors for the measurement of harmonic and inter-harmonic pollution in modern power systems. Energies 2021, 14, 6467. [Google Scholar] [CrossRef]
- Wu, Y.; Lin, J.; Lin, H. Standards and guidelines for grid–connected photovoltaic generation systems: A review and comparison. IEEE Trans. Ind. Appl. 2017, 53, 3205–3216. [Google Scholar] [CrossRef]
- Padayattil, G.M.; Thobias, T.; Thomas, M.; Sebastian, J.; Pathirikkat, G. Harmonic analysis of microgrid operation in islanded mode with non–linear loads. In Proceedings of the 2016 International Conference on Computer Communication and Informatics (ICCCI), Coimbatore, India, 7–9 January 2016. [Google Scholar]
- Available online: https://cdn.standards.iteh.ai/samples/19103/f419cf3a1a1e4a179aae2276e6514bb7/IEC-60831-2-2014.pdf (accessed on 3 November 2024).





















| Power of the DGUs (MVA) | |||
|---|---|---|---|
| 0.0–0.5 | 0.3 | 10 | 20 |
| >0.5–1.5 | 0.2 | 5 | 15 |
| >1.5–10 | 0.1 | 3 | 10 |
| Standards | Harmonic Order | Limit | THD | |
|---|---|---|---|---|
| Current harmonics | IEEE-1547 | 3 h 33 (odd) 2 h 32 (even) | 5% | |
| IEC 61000-3-2 [41] | 3 h 39 (odd) | 5% | ||
| UK (EREC G83 Stds.) [42] | 8 h 40 (even) 3 h 35 (odd) 8 h 40 (even) | 3% | ||
| GB/T ECM [35] | 1 h 33 (odd) 2 h 30 (even) | 5% | ||
| Standards | Voltage Level | Harmonic Limit | THD | |
| Voltage harmonics | IEC | (V 161) kV (69 V 161) kV (2.3 V 69) kV | 1% 1.5% 3% | 1.5% 2.5% 5% |
| IEEE-519 | (V 161) kV (69 V 161) kV (1 V 69) kV (V 1) kV | 1% 1.5% 3% 5% | 1.5% 2.5% 5% 8% | |
| Power Quality Issue | PV | Wind Turbine | Hydro | Biomass | Diesel |
|---|---|---|---|---|---|
| Voltage sags | ✓ | ✓ | ✓ | ✓ | |
| Voltage swells | ✓ | ✓ | |||
| Voltage unbalances | ✓ | ✓ | |||
| THD | ✓ | ✓ | ✓ | ||
| Interruptions | ✓ | ✓ | ✓ |
| PV System | |||||
|---|---|---|---|---|---|
| 1 | 8.6 A | 250 W | 37.4 V | 30.7 V | 8.6 A |
| 2 | 5.7 A | 414.8 W | 85.3 V | 73 V | 6.1 A |
| Parameter | Value |
|---|---|
| Power | 750 kW |
| Torque | 318 Kn × m |
| Voltage | 575 V |
| Current | 676 A |
| Frequency | 60 Hz |
| Pole Pairs | 26 |
| Speed | 22.5 rpm |
| Stator resistance | 6.5 |
| Rotor resistance | 0.76 |
| Stator inductance | 3.85 mH |
| Rotor inductance | 1.12 mH |
| Magnetic flow | 8.53 Wb |
| DC Capacitance | 0.16 F |
| DC voltage | 1220 V |
| Battery Unit | Nominal Voltage | Rated Capacity | Initial SoC | |
|---|---|---|---|---|
| Battery 1 | 120 V | 800 Ah | 80% | |
| Battery 1 | 650 V | 1.5 Ah | 80% | |
| Battery 2 | 650 V | 1.5 Ah | 80% | |
| Battery 3 | 650 V | 1.5 Ah | 80% |
| DC Bus Power Converter | PWM Frequency | Capacitor | |
|---|---|---|---|
| Bidirectional boost–buck | 5 kHz | 1200 μF | 300 V |
| Boost | 5 kHz | 1200 μF | 300 V |
| Transformer | (MVA) | Voltage Relationship (kV) (AV/BV) | (pu) | (pu) |
|---|---|---|---|---|
| T1 | 100 | Yg 69/13.8 D1 | 0.015 | 0.015 |
| T2 | 1.5 | Y 13.8/0.22 Y | 0.03 | 0.03 |
| T3 | 1.5 | Y 13.8/0.22 Y | 0.03 | 0.03 |
| T4 | 1 | Yg 13.8/0.25 D1 | 0.0012 | 0.03 |
| T5 | 1 | Yg 13.8/0.25 D1 | 0.0012 | 0.03 |
| T6 | 0.5 | D1 0.9/0.22 Y | 0.003 | 0.06 |
| T7 | 3.5 | Yg 13.8/2.4 D1 | 0.015 | 0.015 |
| Bus | Voltage | Load Type | kVA | PF | |
|---|---|---|---|---|---|
| 2 | Low voltage (LV) | Unbalanced | 40 | 0.9 | 13 |
| 3 | Low voltage (LV) | Unbalanced | 30 | 0.85 | 12.6 |
| 4 | Low voltage (LV) | Linear | 15 | 0.9 | – |
| 9 | Low voltage (LV) | Non-linear | 320 | 1 | – |
| 10 | Low voltage (LV) | Linear | 800 | 0.8 | – |
| 11 | Medium voltage (MV) | Linear | 400 | 0.8 | – |
| 12 | Medium voltage (MV) | Linear | 800 | 0.8 | – |
| 14 | Medium voltage (MV) | Linear | 1600 | 0.8 | – |
| DC | DC | DC load | 2 | 1 | – |
| PMW Freq. | Power | Capacitor | Rated Voltage | Resistance | |
|---|---|---|---|---|---|
| 4080 Hz | 320 kVA | 10 F | 18,500 | 1084 | −30 |
| Line | Output | Input | Distance | ||
|---|---|---|---|---|---|
| 1 | LV 1 | LV 2 | 0.0297 | 0.016335 | 0.15 km |
| 2 | LV 1 | LV 5 | 0.0396 | 0.02178 | 0.2 km |
| 3 | LV 2 | LV 5 | 0.0297 | 0.016335 | 0.15 km |
| 4 | LV 2 | LV 4 | 0.0792 | 0.04356 | 0.4 km |
| 5 | LV 4 | LV 5 | 0.0792 | 0.04356 | 0.4 km |
| 6 | LV 2 | LV 3 | 0.0792 | 0.04356 | 0.4 km |
| 7 | LV 3 | LV 4 | 0.0198 | 0.01089 | 0.1 km |
| 8 | MV 7 | MV 9 | 0.788 | 0.2336 | 2 km |
| 9 | MV 6 | MV 11 | 2364 | 0.7008 | 6 km |
| 10 | MV 6 | MV 12 | 2364 | 0.7008 | 6 km |
| 11 | MV 6 | MV 13 | 1182 | 0.3504 | 3 km |
| 12 | MV 10 | MV 11 | 2364 | 0.7008 | 6 km |
| 13 | MV 13 | MV 14 | 1182 | 0.3504 | 3 km |
| 14 | MV 9 | MV 14 | 0.788 | 0.2336 | 2 km |
| Bus | PU | Bus | PU | Bus | PU | Bus | PU |
|---|---|---|---|---|---|---|---|
| 1 | 0.955 | 5 | 0.967 | 9 | 0.975 | 13 | 0.985 |
| 2 | 0.942 | 6 | 0.971 | 10 | 0.946 | 14 | 0.981 |
| 3 | 0.939 | 7 | 0.983 | 11 | 0.959 | - | |
| 4 | 0.961 | 8 | 0.988 | 12 | 0.963 | - |
| Bus | PF | Bus | PF | Bus | PF | Bus | PF |
|---|---|---|---|---|---|---|---|
| 1 | 0.8 | 5 | 0.38 | 9 | 1.0 | 13 | 1.0 |
| 2 | 1.0 | 6 | 0.84 | 10 | 0.85 | 14 | 0.4 |
| 3 | 0.9 | 7 | 0.7 | 11 | 0.85 | - | |
| 4 | 0.98 | 8 | 0.99 | 12 | 0.85 | - |
| Bus Voltage at PCC | Distortion Harmonic | (%) |
|---|---|---|
| Less than 69 kV | 3.0 | 5.0 |
| 69 kV to 161 kV | 1.5 | 2.5 |
| Greater than 161 kV | 1.0 | 1.5 |
| Bus | THD | Bus | THD | Bus | THD | Bus | THD |
|---|---|---|---|---|---|---|---|
| 1 | 10.8 | 5 | 9.1 | 9 | 12.7 | 13 | 10.7 |
| 2 | 17.6 | 6 | 9.1 | 10 | 10.1 | 14 | 11.8 |
| 3 | 13.3 | 7 | 13.5 | 11 | 10.2 | - | |
| 4 | 14.8 | 8 | 13.2 | 12 | 10.3 | - |
| n < 11 | 11 ≤ n < 17 | 17 ≤ n < 23 | 35 ≤ n | THD | |
|---|---|---|---|---|---|
| 20 | 4.0 | 2.0 | 1.5 | 0.6 | 5% |
| 20 50 | 7.0 | 3.5 | 2.5 | 1.0 | 8% |
| 50 100 | 10.0 | 4.5 | 4.0 | 1.5 | 12% |
| 100 1000 | 12.0 | 5.5 | 5.0 | 2.0 | 15% |
| 1000 | 15.0 | 7.0 | 6.0 | 2.5 | 20% |
| Bus | THD | Bus | THD | Bus | THD | Bus | THD |
|---|---|---|---|---|---|---|---|
| 1 | 2.3 | 5 | 2.8 | 9 | 132.5 | 13 | 8.7 |
| 2 | 3.6 | 6 | 2.7 | 10 | 1.6 | 14 | 62.3 |
| 3 | 2.9 | 7 | 55.2 | 11 | 1.4 | - | |
| 4 | 46.7 | 8 | 23.8 | 12 | 1.5 | - |
| Bus | Sequence | Magnitude (%) | Angle (°) | Frequency (Hz) |
|---|---|---|---|---|
| 4 | 0 | 10.25 | 148.2 | 180 |
| 5.62 | 152.2 | 300 | ||
| 2.50 | 65.6 | 420 | ||
| 0 | 4.86 | 45.3 | 540 | |
| 4.18 | 47.3 | 663.2 | ||
| 8.17 | 24.9 | 780 | ||
| 6.33 | 64.4 | 840 | ||
| 7.40 | 97.1 | 1145.2 | ||
| 7.07 | 37.9 | 1200 | ||
| 9.66 | 40.1 | 1320.3 | ||
| 0 | 6.55 | 93.1 | 1440 | |
| 4.06 | 250.3 | 1562.9 | ||
| 3.08 | 110.4 | 1620 | ||
| 7 | 18.54 | 11.1 | 300 | |
| 7.49 | 121.6 | 420 | ||
| 0 | 6.42 | 29.4 | 540 | |
| 6.05 | 206.3 | 673.2 | ||
| 4.94 | 222.9 | 784.6 | ||
| 3.71 | 255.7 | 840 | ||
| 3.0 | 125 | 961.3 | ||
| 6.26 | 245.9 | 1020 | ||
| 6.44 | 57.6 | 1140 | ||
| 0 | 2.83 | 27.0 | 1260 | |
| 4.18 | 168.1 | 1382.6 | ||
| 4.94 | 183.0 | 1500 | ||
| 0 | 4.15 | 246 | 1620 | |
| 9 | 84.98 | 27.0 | 300 | |
| 54.09 | 144.5 | 420 | ||
| 0 | 19.23 | 77.1 | 540 | |
| 38.67 | 191.9 | 693 | ||
| 6.43 | 85.8 | 781 | ||
| 7.05 | 163.1 | 856.3 | ||
| 4.27 | 151.9 | 960 | ||
| 14.06 | 48.7 | 1022.4 | ||
| 11.8 | 234.8 | 1320 | ||
| 15.87 | 21.2 | 1579 | ||
| 9.47 | 237.9 | 1684.5 |
| Aspects | Ostrowska, Anna et al. (2022) [14] | Raghavendra, L. (2023) [17] | Guerrero-Rodríguez N.F. (2024) [22] | Isanbaev Viktor et al. (2024) [23] | Zhanhe, Liu et al. (2015) [24] | This Paper |
|---|---|---|---|---|---|---|
| Characteristics of the proposed model | ||||||
| PV system | PV power plant = 189 kW PV microinstallation = 45.5 kWp | 11 kV, 200 kW | 11 kWp/460 kW Temperature = 25 C Irradiance = 1 kW/m2 | 2 solar tracker systems with 3600 W capacity each | 600 kW Irradiance = 1 kW/m2 | 10.5 kW μG-DC and 750 kW μG-AC Temperature of 25 C Irradiance = 1 kW/m2 |
| Power converter | DC-AC power converter | Dual 3 VSI 8 A, . F-PWM = 35 kHz | DC-DC boost converter, 1 kHz, 300 V and 3inverter of 1 MW, 720 VDC/300 | Inverter operates using a closed-loop control strategy, with an F-PWM = 2 kHz. | ||
| ESS | 200 kW, 250 kWh Li-ion battery | 5 kWh lithium battery | 2.6 kWh lithium battery | Ni-MH battery = 1.5 Ah, 900 | ||
| Wind turbine | 11 kV, 250 kW | 3 wind turbines | 750 kW PMSG-based wind turbine at 575 V. | |||
| Diesel generator | 110 kVA | 11 kV, 100 kVA | 3 MW | |||
| Type of load | Total load capacity = 1535.7 kW | Active load = 435 kW Reactive load = 400 kVAR | Programmable, consisting of five 3resistive loads in a Y shape | Several home appliances: fridges, refrigerators, ovens, electronic devices, etc. | 80 kW Buses 60 and 61 164.5 and 97.7 kW, and bus 62 72 kW | Unbalanced (40 and 30 kVA), linear (800, 400 kVA), and non-linear (320 kVA) |
| Operation mode | Grid-connected G | Grid-connected G | Grid-connected G | Grid-connected G | Grid-connected G | Grid-connected G |
| Transformer characteristics in PCC | 21/0.42 kV; 630 kVA | 208/208Y | 1 MVA, 60 Hz, 300 V/4.16 kV | 100 MVA, Yg 69/13.8 kV D1 | ||
| Results of the investigation | ||||||
| Voltage profile | Authors do not analyze it | Authors do not analyze it | Lower voltage profiles (in pu) at Bus 10 = 0.9486, bus 11 = 0.9478 and bus 12 = 0.9476. | Voltages on each bus are in the acceptable fluctuation range (0.95–1.05 pu) | Voltage in phase L1 = 226.4, 2.6% above nominal value | Notable voltage sags are observed in the LV grid at buses 2 (0.942), 3 (0.939), and 10 (0.946) |
| PF | An internal control loop regulates the generator PF 0.98 | Minimum PF = 0.2 (due to the activation of reactive loads) Maximum PF = 0.98 | Authors do not analyze it | Authors do not analyze it | Authors do not analyze it | Minimum PF = 0.38 in bus 5 exhibits a significant decline due to non-linear load presence |
| Voltage and current THD | = 33.54%, = 7.27% both at phase 1, without harmonic compensator | Maximum = 1.87%, and maximum = 11.56% | Maximum = 1.02% at bus 12, and maximum = 15.33% at bus 11 | Maximum = 25.8, 12.64 and 10.23% at bus 51, 60 and 62. Voltage distortion is not dominant | Maximum = 2.21%, and maximum = 21.90% | Maximum = 17.6% at bus 2, and maximum = 132.5% at bus 9 |
Disclaimer/Publisher’s Note: The statements, opinions and data contained in all publications are solely those of the individual author(s) and contributor(s) and not of MDPI and/or the editor(s). MDPI and/or the editor(s) disclaim responsibility for any injury to people or property resulting from any ideas, methods, instructions or products referred to in the content. |
© 2024 by the authors. Licensee MDPI, Basel, Switzerland. This article is an open access article distributed under the terms and conditions of the Creative Commons Attribution (CC BY) license (https://creativecommons.org/licenses/by/4.0/).
Share and Cite
Hernández-Mayoral, E.; Jiménez-Román, C.R.; Enriquez-Santiago, J.A.; López-López, A.; González-Domínguez, R.A.; Ramírez-Torres, J.A.; Rodríguez-Romero, J.D.; Jaramillo, O.A. Power Quality Analysis of a Microgrid-Based on Renewable Energy Sources: A Simulation-Based Approach. Computation 2024, 12, 226. https://doi.org/10.3390/computation12110226
Hernández-Mayoral E, Jiménez-Román CR, Enriquez-Santiago JA, López-López A, González-Domínguez RA, Ramírez-Torres JA, Rodríguez-Romero JD, Jaramillo OA. Power Quality Analysis of a Microgrid-Based on Renewable Energy Sources: A Simulation-Based Approach. Computation. 2024; 12(11):226. https://doi.org/10.3390/computation12110226
Chicago/Turabian StyleHernández-Mayoral, Emmanuel, Christian R. Jiménez-Román, Jesús A. Enriquez-Santiago, Andrés López-López, Roberto A. González-Domínguez, Javier A. Ramírez-Torres, Juan D. Rodríguez-Romero, and O. A. Jaramillo. 2024. "Power Quality Analysis of a Microgrid-Based on Renewable Energy Sources: A Simulation-Based Approach" Computation 12, no. 11: 226. https://doi.org/10.3390/computation12110226
APA StyleHernández-Mayoral, E., Jiménez-Román, C. R., Enriquez-Santiago, J. A., López-López, A., González-Domínguez, R. A., Ramírez-Torres, J. A., Rodríguez-Romero, J. D., & Jaramillo, O. A. (2024). Power Quality Analysis of a Microgrid-Based on Renewable Energy Sources: A Simulation-Based Approach. Computation, 12(11), 226. https://doi.org/10.3390/computation12110226

