Computation of Nonlinear Load Harmonic Currents in the Presence of External Distortions
Abstract
1. Introduction
- -
- a large number of electrical loads with different types, which lead to significant labor costs when modeling each of them;
- -
- discrepancy between the existing power supply scheme and the design scheme of consumers, which leads to significant complexity in the preparation of the electrical equivalent circuit;
- -
- in the design documentation, only generalized load parameters are indicated, which does not allow to accurately identify the parameters of nonlinear electrical load for simulation.
2. Research Methods
2.1. Method of Distortion Sources Assessment Based on Application of Passive Filter
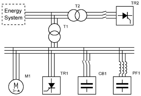
2.2. Case Study
2.3. Experimental Study in Laboratory Test Bench
3. Results and Discussion
3.1. Simulation without External Distortions
3.2. Simulation with External Distortions
3.3. Current Waveforms during Simulation
3.4. Experimental Study in Laboratory Test Bench
4. Conclusions
- The lower the passive filter resistance, the higher the accuracy of estimating the harmonic current of nonlinear load. In this case, the error does not exceed 5% for filter quality factor values from 20 to 120. In addition, it is necessary to take into account the current overload ratio of the filter, since a decrease in its resistance results in an increase in the current through the filter at harmonic frequencies.
- It is necessary to disconnect the capacitor banks for the reactive power compensation during the measurements of supply system harmonic current and filter harmonic current, since part of the harmonic current that flows through the capacitor banks at harmonic frequencies is not accounted for when performing computations of nonlinear load harmonic current.
- A passive filter should have active or active-inductive character at a tuned frequency in order to avoid the resonance phenomena with the grid impedance. Therefore, filter tuning should be made to the frequency of the generated harmonic by nonlinear load, or to a lower frequency.
- The generated reactive power of the passive filter at the fundamental frequency should not affect the voltage at the consumer’s buses. In this case, voltage deviations can affect the accuracy of calculating the harmonic current magnitudes of a nonlinear load.
Author Contributions
Funding
Institutional Review Board Statement
Informed Consent Statement
Conflicts of Interest
Nomenclature
| THDI | Total harmonic distortion in current |
| THDU | Total harmonic distortion in voltage |
| h | Harmonic order |
| h5 (h7) calc | Calculated 5th (7th) harmonic magnitude |
| h5 (h7) | Measured 5th (7th) harmonic magnitude |
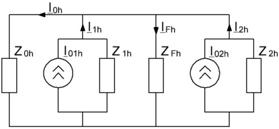
| I01h, I02h | Nonlinear load currents of the consumers (vector value) |
| I0h | Energy system harmonic current of h order (vector value) |
| IFh | Filter harmonic current of h order (vector value) |
| Z0h | Energy system impedance of h order (vector value) |
| ZFh | Filter impedance of h order (vector value) |
| Z1h, Z2h | Consumer impedance of h order (vector value) |
| T1, T2 | Supply transformer |
| ES | Energy system |
| M1 | Induction motor of the first consumer |
| TR1, TR2 | Thyristor rectifier |
| CB1 | Capacitor banks of the first consumer |
| PF1 | Passive filter of the first consumer |
| UR | Uncontrolled rectifier |
| HR | Heating resistance |
| RF | Filter resistance |
| XCF | Filter capacitance |
| ITR1 | Nonlinear load harmonic current magnitude of consumer |
| IT1 | Supply system harmonic current magnitude of the consumer |
| IPF1 | Passive filter harmonic current magnitude of the consumer |
| ISUM1 | Harmonic current magnitude calculated from the summation of the harmonic filter current and the harmonic system current of the consumer before connecting the capacitor banks |
| ISUM2 | Harmonic current magnitude calculated from the summation of the harmonic filter current and the harmonic system current of the consumer after connecting the capacitor banks |
References
- Bogdanov, I.; Abramovich, B. Improving the Efficiency of Autonomous Electrical Complexes of Oil and Gas Enterprises. J. Min. Inst. 2021, 249, 408–416. [Google Scholar] [CrossRef]
- Almeida, C.F.M.; Kagan, N. Harmonic Coupled Norton Equivalent Model for Modeling Harmonic-Producing Loads. In Proceedings of the 14th International Conference on Harmonics and Quality of Power-ICHQP, Bergamo, Italy, 26–29 September 2010; IEEE: Manhattan, NY, USA, 2010; pp. 1–9. [Google Scholar] [CrossRef]
- Shabalov, M.Y.; Zhukovskiy, Y.L.; Buldysko, A.D.; Gil, B.; Starshaia, V.V. The Influence of Technological Changes in Energy Efficiency on the Infrastructure Deterioration in the Energy Sector. Energy Rep. 2021, 7, 2664–2680. [Google Scholar] [CrossRef]
- Shklyarskiy, Y.; Guerra, D.D.; Iakovleva, E.; Rassõlkin, A. The Influence of Solar Energy on the Development of the Mining Industry in the Republic of Cuba. J. Min. Inst. 2021, 249, 427–440. [Google Scholar] [CrossRef]
- Korolev, N.; Kozyaruk, A.; Morenov, V. Efficiency Increase of Energy Systems in Oil and Gas Industry by Evaluation of Electric Drive Lifecycle. Energies 2021, 14, 6074. [Google Scholar] [CrossRef]
- Beltran-Carbajal, F.; Tapia-Olvera, R.; Valderrabano-Gonzalez, A.; Yanez-Badillo, H. An Asymptotic and Algebraic Estimation Method of Harmonics. Electr. Power Syst. Res. 2022, 206, 107771. [Google Scholar] [CrossRef]
- Jiménez Carrizosa, M.; Stankovic, N.; Vannier, J.-C.; Shklyarskiy, Y.; Bardanov, A. Multi-Terminal DC Grid Overall Control with Modular Multilevel Converters. J. Min. Inst. 2020, 243, 357. [Google Scholar] [CrossRef]
- Senchilo, N.D.; Ustinov, D.A. Method for Determining the Optimal Capacity of Energy Storage Systems with a Long-Term Forecast of Power Consumption. Energies 2021, 14, 7098. [Google Scholar] [CrossRef]
- Zhukovskiy, Y.; Tsvetkov, P.; Buldysko, A.; Malkova, Y.; Stoianova, A.; Koshenkova, A. Scenario Modeling of Sustainable Development of Energy Supply in the Arctic. Resources 2021, 10, 124. [Google Scholar] [CrossRef]
- Mayordomo, J.G.; Beites, L.F.; Yang, X.; Xu, W. A Detailed Procedure for Harmonic Analysis of Three-Phase Diode Rectifiers Under Discontinuous Conduction Mode and Nonideal Conditions. IEEE Trans. Power Deliv. 2018, 33, 741–751. [Google Scholar] [CrossRef]
- Kryltcov, S.B.; Solovev, S.V.; Munoz-Guijosa, J.M. Application of an active rectifier used to mitigate currents distortion in 6–10 kV distribution grids. J. Min. Inst. 2019, 236, 229–238. [Google Scholar] [CrossRef]
- Mayordomo, J.G.; Carbonero, Á.; Beites, L.F.; Asensi, R.; Xu, W. A Contribution Towards a General and Systematic Procedure for Modeling Line Commutated AC/DC Converters in the Harmonic Domain. IEEE Trans. Power Deliv. 2009, 24, 2415–2427. [Google Scholar] [CrossRef]
- Alexandrov, V.I.; Kopteva, A.V.; Serzan, S.L. Effective Parameters of Tail Processing of Gold-Bearing Ore Hydrotransport for Verninskaya Processing Factory. Key Eng. Mater. 2020, 836, 25–35. [Google Scholar] [CrossRef]
- Lian, K.L.; Perkins, B.K.; Lehn, P.W. Harmonic Analysis of a Three-Phase Diode Bridge Rectifier Based on Sampled-Data Model. IEEE Trans. Power Deliv. 2008, 23, 1088–1096. [Google Scholar] [CrossRef]
- Sun, Y.; Zhang, G.; Xu, W.; Mayordomo, J.G. A Harmonically Coupled Admittance Matrix Model for AC/DC Converters. IEEE Trans. Power Syst. 2007, 22, 1574–1582. [Google Scholar] [CrossRef]
- Voronin, V.; Nepsha, F. Simulation of the Electric Drive of the Shearer to Assess the Energy Efficiency Indicators of the Power Supply System. J. Min. Inst. 2021, 246, 633–639. [Google Scholar] [CrossRef]
- Shklyarskiy, Y.E.; Shklyarskiy, A.Y.; Zamyatin, E.O. Analysis of Distortion-Related Electric Power Losses in Aluminum Industry. Tsvetnye Met. 2019, 4, 84–91. [Google Scholar] [CrossRef]
- Grotzbach, M.; Redmann, R. Line Current Harmonics of VSI-Fed Adjustable-Speed Drives. IEEE Trans. Ind. Appl. 2000, 36, 683–690. [Google Scholar] [CrossRef]
- Borisov, S.; Koltunova, E.; Kladiev, S. Traction Asynchronous Electric Drive of Mine Electric Locomotive Simulation Model Structure Improvement. J. Min. Inst. 2021, 247, 1–8. [Google Scholar] [CrossRef]
- Carpinelli, G.; Iacovone, F.; Russo, A.; Varilone, P.; Verde, P. Analytical Modeling for Harmonic Analysis of Line Current of VSI-Fed Drives. IEEE Trans. Power Deliv. 2004, 19, 1212–1224. [Google Scholar] [CrossRef]
- Thakur, S.; Odavic, M.; Allu, A.; Zhu, Z.Q.; Atallah, K. Analytical Modelling and Optimization of Output Voltage Harmonic Spectra of Full-Bridge Modular Multilevel Converters in Boost Mode. IEEE Trans. Power Electron. 2022, 37, 3403–3420. [Google Scholar] [CrossRef]
- Wciślik, M. Analytical Model of Single-Phase AC Circuit with Inductance and Bridge Rectifier. Przegląd Elektrotechniczny 2018, 1, 128–131. [Google Scholar] [CrossRef]
- Zeng, Z.; Xiao, H.; Niu, C.; Chen, J.; Wang, Z.; Wu, X.; Cheng, M. An Improved Impedance Modeling Method of Grid-Tied Inverters with White-Box Property. IEEE Trans. Power Electron. 2022, 37, 3980–3989. [Google Scholar] [CrossRef]
- Hansen, S.; Asiminoaei, L.; Blaabjerg, F. Simple and Advanced Methods for Calculating Six-Pulse Diode Rectifier Line-Side Harmonics. In Proceedings of the 38th IAS Annual Meeting on Conference Record of the Industry Applications Conference, Salt Lake City, UT, USA, 12–16 October 2003; IEEE: Manhattan, NY, USA, 2003; Volume 3, pp. 2056–2062. [Google Scholar] [CrossRef]
- Iakovleva, E.; Belova, M.; Soares, A. Allocation of Potentially Environmentally Hazardous Sections on Pipelines. Geosciences 2020, 11, 3. [Google Scholar] [CrossRef]
- Faifer, M.; Laurano, C.; Ottoboni, R.; Toscani, S.; Zanoni, M. Frequency-Domain Nonlinear Modeling Approaches for Power Systems Components—A Comparison. Energies 2020, 13, 2609. [Google Scholar] [CrossRef]
- Gao, B.; Wang, Y.; Xu, W. Modeling Voltage Source Converters for Harmonic Power Flow Studies. IEEE Trans. Power Deliv. 2021, 36, 3426–3437. [Google Scholar] [CrossRef]
- Guarderas, G.; Frances, A.; Ramirez, D.; Asensi, R.; Uceda, J. Blackbox Large-Signal Modeling of Grid-Connected DC-AC Electronic Power Converters. Energies 2019, 12, 989. [Google Scholar] [CrossRef]
- John, M.; Mertens, A. Frequency-Domain Modeling of Harmonic Interactions in Voltage-Source Inverters with Closed-Loop Control. Energies 2020, 13, 5823. [Google Scholar] [CrossRef]
- Li, F.; Wang, Y.; Wu, F.; Huang, Y.; Liu, Y.; Zhang, X.; Ma, M. Review of Real-Time Simulation of Power Electronics. J. Mod. Power Syst. Clean Energy 2020, 8, 796–808. [Google Scholar] [CrossRef]
- Kovernikova, L.I.; Luong, V.C. New Approach to Modeling the Nonlinear Loads. E3S Web Conf. 2019, 139, 01055. [Google Scholar] [CrossRef]
- Nassif, A.B.; Yong, J.; Xu, W. Measurement-Based Approach for Constructing Harmonic Models of Electronic Home Appliances. IET Gener. Transm. Distrib. 2010, 4, 363. [Google Scholar] [CrossRef]
- Abdullah, A.R.; Abidullah, N.A.; Shamsudin, N.H.; Ahmad, N.H.H.; Jopri, M.H. Power Quality Signals Classification System Using Time-Frequency Distribution. Appl. Mech. Mater. 2014, 494–495, 1889–1894. [Google Scholar] [CrossRef]
- Jopri, M.H.; Abdullah, A.R.; Manap, M.; Sutikno, T.; Ab Ghani, M.R. An Identification of Multiple Harmonic Sources in a Distribution System by Using Spectrogram. Bull. Electr. Eng. Inform. 2018, 7, 244–256. [Google Scholar] [CrossRef]
- Jopri, M.H.; Abdullah, A.R.; Manap, M.; Yusoff, M.R.; Sutikno, T. A Fast Localization of Multiple Harmonic Sources for Rectifier Loads by Utilizing Periodogram. TELKOMNIKA Telecommun. Comput. Electron. Control. 2017, 15, 71. [Google Scholar] [CrossRef][Green Version]
- Manap, M.; Jopri, M.H.; Abdullah, A.R.; Karim, R.; Yusoff, M.R.; Azahar, A. A Verification of Periodogram Technique for Harmonic Source Diagnostic Analytic by Using Logistic Regression. TELKOMNIKA Telecommun. Comput. Electron. Control. 2019, 17, 497. [Google Scholar] [CrossRef][Green Version]
- Jopri, M.H.; Abdullah, A.R.; Sutikno, T.; Manap, M.; Ghani, M.R.A.; Yusoff, M.R. A Critical Review of Time-Frequency Distribution Analysis for Detection and Classification of Harmonic Signal in Power Distribution System. Int. J. Electr. Comput. Eng. 2018, 8, 4603. [Google Scholar] [CrossRef][Green Version]
- Jopri, M.H.; Ab Ghani, M.R.; Abdullah, A.R.; Manap, M.; Sutikno, T.; Too, J. K-Nearest Neighbor and Naïve Bayes Based Diagnostic Analytic of Harmonic Source Identification. Bull. Electr. Eng. Inform. 2021, 9, 2650–2657. [Google Scholar] [CrossRef]
- Jopri, M.H.; Abdullah, A.R.; Manap, M.; Yusoff, M.R.; Sutikno, T.; Habban, M.F. An Improved of Multiple Harmonic Sources Identification in Distribution System with Inverter Loads by Using Spectrogram. Int. J. Power Electron. Drive Syst. 2016, 7, 1355. [Google Scholar] [CrossRef]
- Shawon, M.H.; Barczentewicz, S.; Bień, A.; Hanzelka, Z. Localization of Harmonic Sources in Power System-Simulation and Laboratory Study. Renew. Energy Power Qual. J. 2016, 14, 546–551. [Google Scholar] [CrossRef]
- Skamyin, A.; Shklyarskiy, Y.; Dobush, V.; Dobush, I. Experimental Determination of Parameters of Nonlinear Electrical Load. Energies 2021, 14, 7762. [Google Scholar] [CrossRef]
- Busatto, T.; Ravindran, V.; Larsson, A.; Rönnberg, S.K.; Bollen, M.H.J.; Meyer, J. Deviations between the Commonly-Used Model and Measurements of Harmonic Distortion in Low-Voltage Installations. Electr. Power Syst. Res. 2020, 180, 106166. [Google Scholar] [CrossRef]
- Kryltcov, S.; Makhovikov, A.; Korobitcyna, M. Novel Approach to Collect and Process Power Quality Data in Medium-Voltage Distribution Grids. Symmetry 2021, 13, 460. [Google Scholar] [CrossRef]












| Elements of the Scheme | Parameters and Values |
|---|---|
| Energy system (ES) | U0 = 0.4 kV, X0 = 0.002 Ω |
| Transformer (T1, T2) | S = 630 kVA, UHV/LV = 10/0.4 kV, ΔPSC = 7.6 kW, USC = 5.5% |
| Induction motor (M1) | PM = 250 kW, QM = 200 kvar |
| Thyristor rectifier (TR1, TR2) | STR = 200 kVA, I5 = 61 A |
| Capacitor banks (CB1) | Unom = 0.4 kV, QCB = 120 kvar |
| Passive filter (PF1) | QF = 25 kvar, LF = 0.77 mH, CF = 530 μF, RF = 0.02 Ω |
| Simulation Number | Options of Simulation | Range of Variation |
|---|---|---|
| TR2 disconnected | ||
| 1 | Variation of PF1 resistance with switched on/off CB1 | [0; 0.1] Ω |
| 2 | Variation of PF1 capacitance with switched on/off CB1 | [−30; +30]% |
| 3 | Variation of T1 impedance with switched on/off CB1 | [0; 0.04] Ω |
| TR2 connected | ||
| 4 | Variation of PF1 resistance with switched on/off CB1 | [0; 0.1] Ω |
| 5 | Variation of PF1 capacitance with switched on/off CB1 | [−30; +30]% |
| 6 | Variation of T1 impedance with switched on/off CB1 | [0; 0.04] Ω |
| Equipment | Parameters |
|---|---|
| Grid parameters | U = 380 V, L = 1 mH |
| Uncontrolled rectifier UR | UUR = 380 V, RUR = 121 Ω |
| Thyristor rectifier TR | UTR = 380 V, PTR = 0.5 ÷ 4.0 kW |
| Passive filter PF | RF = 0.2 Ω, LF = 8.29 mH, CF = 50 μF |
| Induction motor M | PM = 1.5 kW, UM = 220/380 V, PF = 0.84 |
| Capacitor banks | QCB = 0.5 kvar, C = 9 μF, UCB = 450 V, star connection |
| Mode Number | Relative Error, % | |||
|---|---|---|---|---|
| CB Connected | CB Disconnected | |||
| UR Connected | UR Disconnected | UR Connected | UR Disconnected | |
| 1 | 2.8 | 4.3 | 3.7 | 4.2 |
| 2 | −0.9 | 2.6 | 3.3 | 0.5 |
| 3 | −1.0 | −3.4 | 4.1 | −1.2 |
Publisher’s Note: MDPI stays neutral with regard to jurisdictional claims in published maps and institutional affiliations. |
© 2022 by the authors. Licensee MDPI, Basel, Switzerland. This article is an open access article distributed under the terms and conditions of the Creative Commons Attribution (CC BY) license (https://creativecommons.org/licenses/by/4.0/).
Share and Cite
Skamyin, A.; Belsky, A.; Dobush, V.; Gurevich, I. Computation of Nonlinear Load Harmonic Currents in the Presence of External Distortions. Computation 2022, 10, 41. https://doi.org/10.3390/computation10030041
Skamyin A, Belsky A, Dobush V, Gurevich I. Computation of Nonlinear Load Harmonic Currents in the Presence of External Distortions. Computation. 2022; 10(3):41. https://doi.org/10.3390/computation10030041
Chicago/Turabian StyleSkamyin, Aleksandr, Aleksey Belsky, Vasiliy Dobush, and Ilya Gurevich. 2022. "Computation of Nonlinear Load Harmonic Currents in the Presence of External Distortions" Computation 10, no. 3: 41. https://doi.org/10.3390/computation10030041
APA StyleSkamyin, A., Belsky, A., Dobush, V., & Gurevich, I. (2022). Computation of Nonlinear Load Harmonic Currents in the Presence of External Distortions. Computation, 10(3), 41. https://doi.org/10.3390/computation10030041

