Integrating Instrument Networking and Programming into Electronics Curricula: Design, Implementation, and Impact
Abstract
1. Introduction
2. Related Work
3. Measurement Instruments, Their SCPI Commands, and Networking
3.1. Our Laboratory Setup for Electronics Education
3.2. Oscilloscope and Its SCPI Commands
3.3. Signal Generator and Its SCPI Commands
3.4. Power Supply and Its SCPI Commands
3.5. Local Network of Measurement Instruments
4. Automation of Networked Instruments Measurements Using Python
4.1. The Workflow
- 1.
- Importing relevant libraries;
- 2.
- Establishing and testing communication with networked instruments;
- 3.
- Remote configuration of laboratory instruments parameters;
- 4.
- Reading measured values and/or waveforms from networked instruments;
- 5.
- Automated circuit characterization (such as input–output relations and frequency responses);
- 6.
- Saving measurement parameters, results, and plots;
- 7.
- Conducting additional analyses either on the local network or in the Cloud.

4.2. Environment Preparation in Python
4.3. Testing Communication of Networked Instruments Using Python
4.4. Remote Configuration of Instruments Using Python and SCPI
4.5. Remote Acquisition of Measured Values and Waveforms Using Python and SCPI
4.6. Automated Generation and Acquisition of a Large Number of Measurement Results Using Python and SCPI
4.7. Saving Measurement Results
4.8. Processing of Measurement Results Using Python and Cloud-Based Tools
5. Automated Signal Analyses for System Characterization
5.1. Introduction to System Characterization Based on Measured Data
5.2. Automated Measurement of Input and Output Characteristics
- def
- mo(channel, oscilloscope):oscilloscope.write (f’waveform:source channel {channel}’)oscilloscope.write (’waveform:format ascii’)raw_data = oscilloscope.ask (’waveform:data?’).split (’,’)V = [ float (value) for value in raw_data [:1400]]offset = float (oscilloscope.ask(f’: channel {channel}: offset?’))scale = float (oscilloscope.ask(f’channel {channel}: scale?’))Vdisplay = [(v + offset ) / scale for v in V]return V, Vdisplay

5.3. Automated Measurement of Transfer Curves
5.4. Automated Measurement of Frequency Response
5.4.1. Introduction to Automated Frequency Response Characterization
5.4.2. Amplitude Frequency Response Measurement Using Python and SCPI
- def
- afk(f):signal_generator.write (’source1:frequency ’ + str(f))oscilloscope.write (’timebase:scale ’ + str (1 / f / 10))time.sleep (0.5)VamplCH1 = float (oscilloscope.ask(’measure:Vrms? channel1’))VamplCH2 = float (oscilloscope.ask(’measure:Vrms? channel2’))afk_f = 20 ∗ np.log10 (VamplCH2 / VamplCH1 )return afk_f
5.4.3. Phase Frequency Response Using Python and SCPI
- def
- ffk(f):signal_generator.write (’source1:frequency ’ + str(f))oscilloscope.write (’channel1:coupling ac’)oscilloscope.write (’channel2:coupling ac’)oscilloscope.write (’timebase:scale ’ + str (1 / f / 10))time.sleep (0.5)ffk_f = float (oscilloscope.ask(’measure:rphase? channel1,channel2’))return ffk_f
5.5. Automated Measurement of Power-Related Quantities: RMS Values, Power, Total Harmonic Distortion and the Displacement Power Factor
- def rms(x):return sqrt(mean(x ∗∗ 2))def power(x, y):return mean(x ∗ y)def thd(x):X = abs(fft(x))X1rms2 = 2 ∗ X[1] ∗∗ 2Xrms2 = sum(X ∗∗ 2)return 100 ∗ sqrt(Xrms2 / X1rms2 - 1)def dpf(x, y):X = fft(x)Y = fft(y)return cos(angle(X[1]) - angle(Y[1]))
6. Examples of Laboratory Exercises and Obtained Results
6.1. Example 1: Frequency-Selective Circuits—RC Circuit
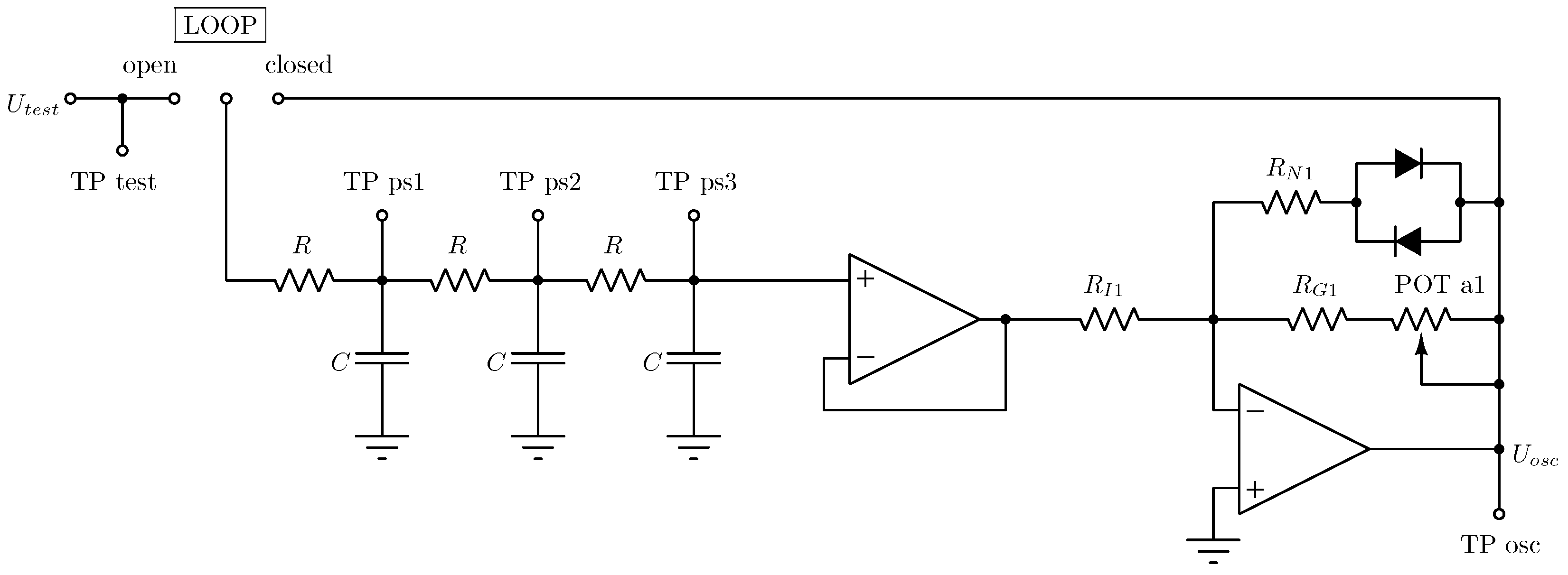
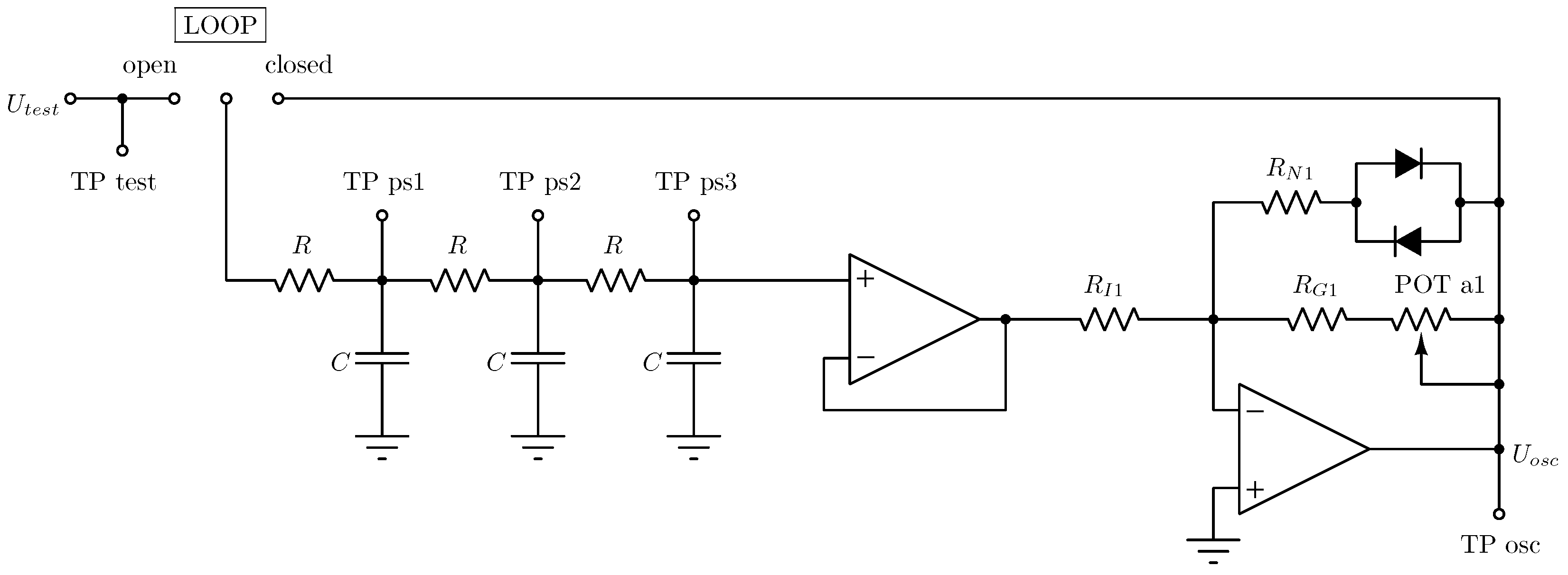
6.2. Example 2: Oscillators—RC Phase-Shift Oscillator
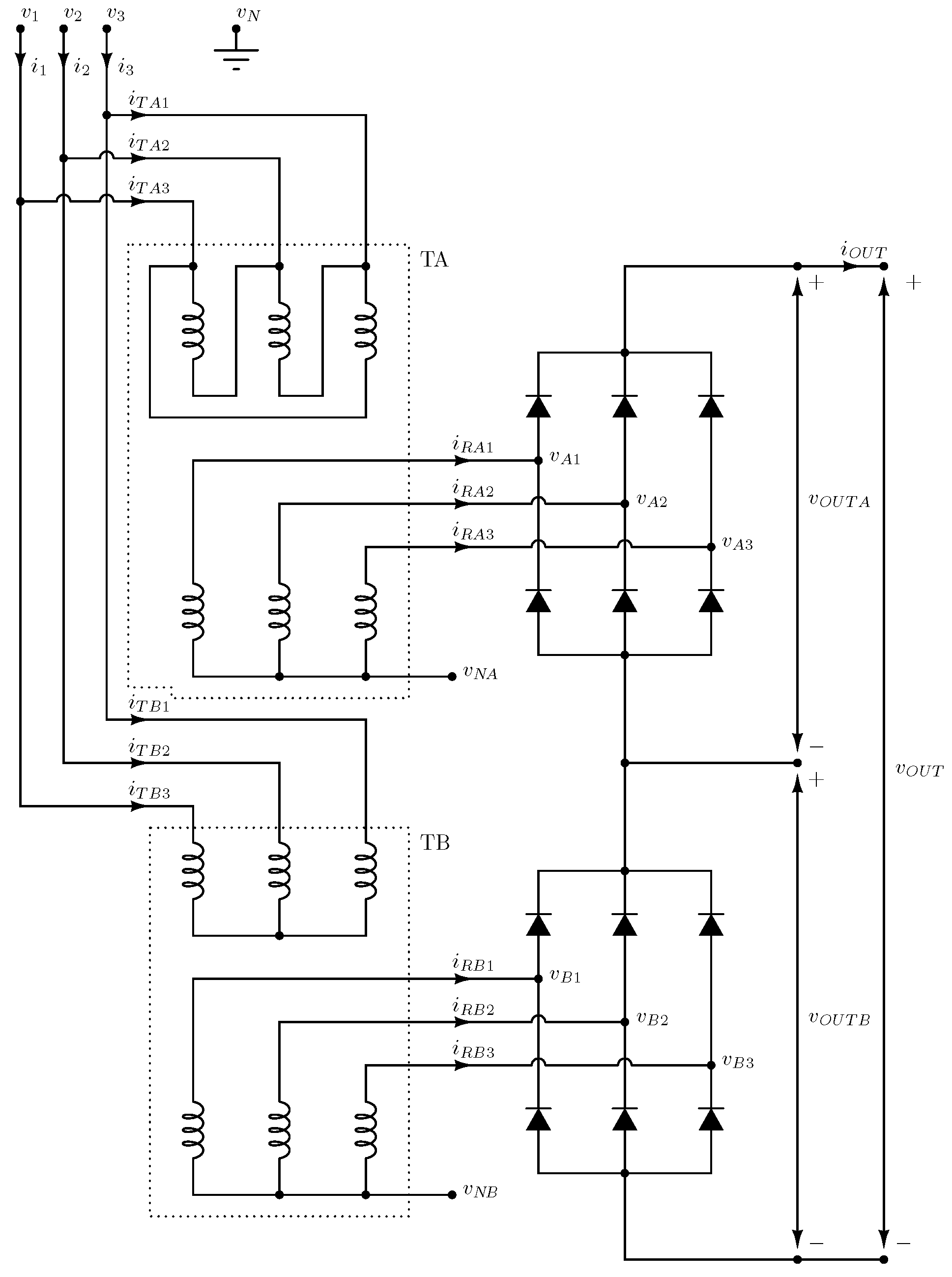
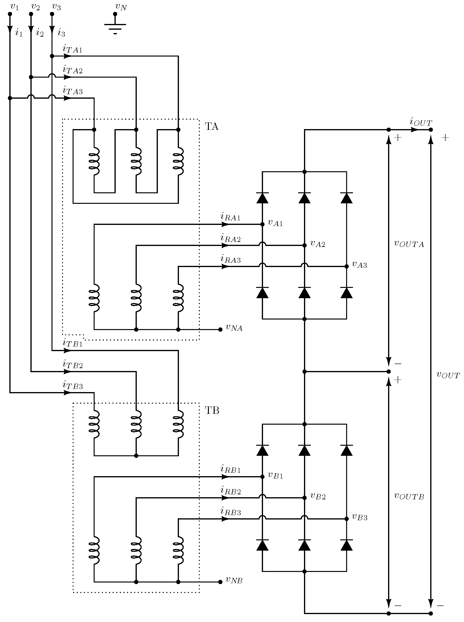
6.3. Example 3: Rectifiers—Twelve-Pulse Rectifiers
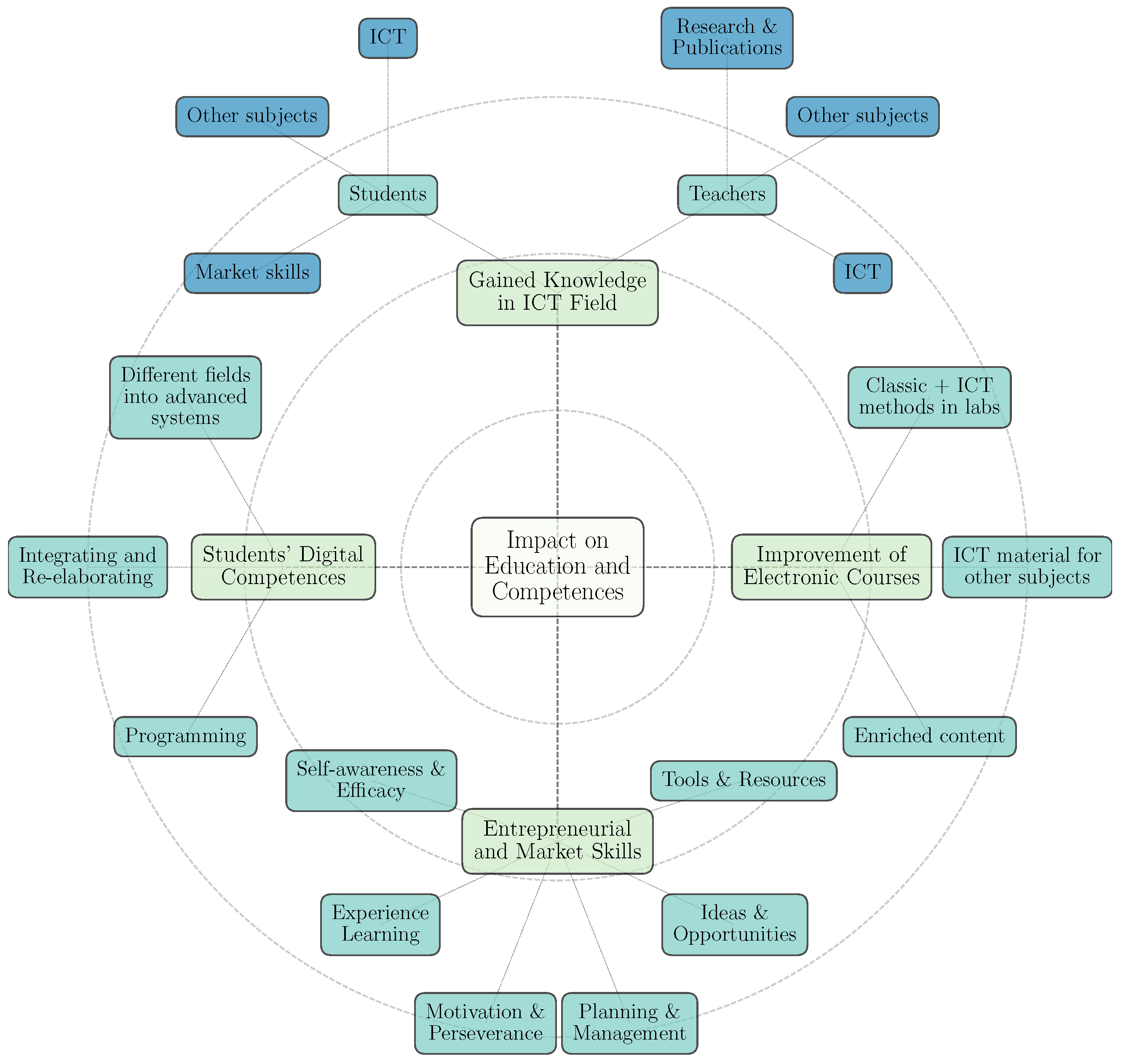
7. Impact on Education and Competencies
7.1. Overview of Impact on Education and Competencies
7.2. Improvement in Electronics Courses
7.3. Improvement in Teachers and Students Competencies in ICT Field
7.4. Students’ Digital Competencies
- Laboratory exercises integrate multiple domains—electronics, programming, and computer networks—requiring students to search, organize, and combine diverse digital content. This process reinforces higher-order competencies in structuring and linking digital information.
- Students engage with different forms of digital content, including equipment specifications, Python-based code development, and command line interfaces for networked devices. These activities correspond to Competence area 3: Digital content creation and 3.2: Integrating and re-elaborating digital content defined in DigComp 2.1 [55].
- Exposure to diverse textual, code-based, and network-oriented digital tools encourages students to integrate and manage complex digital environments, preparing them for professional engineering contexts that demand advanced digital fluency.
7.5. Students’ Entrepreneurial Competencies
- Self-awareness and self-efficacy (EntreComp—Competences per area—Resources—2.1. Self-awareness & self-efficacy): Through lectures and practical work, students are encouraged to acquire knowledge, believe in themselves, and pursue further development and learning.
- Motivation and perseverance (EntreComp—Competences per area—Resources—2.2. Motivation & perseverance): Students are encouraged to develop these skills through lectures and laboratory exercises, especially when obstacles arise during the implementation of practical problems in the lab.
- Organization and management (EntreComp—Competences per area—Into Action—3.2. Planning & management), as well as teamwork development (EntreComp—Competences per area—Into Action—3.4. Working with others): Through lab exercises, students work in pairs and coordinate multiple parts of a lab setup involving measuring devices, computers, electrical components, and circuits.
- Learning through practical work (EntreComp—Competences per area—Into Action—3.5. Learning through experience): In lab exercises of our electronics courses, students work with standard measuring equipment that is widely used and transferable to the job market, while performing measurements and testing practical implementations of electrical circuits directly in the laboratory environment, thereby actively developing practical competence through hands-on experience.
- Strengthening entrepreneurial competences in the area of ideas and opportunities (EntreComp—Competences per area—Ideas & Opportunities) through exposure to and work on a complex system that connects several different subfields within the broader areas of electrical engineering and computer science, specifically, electronics, programming, and information and communication networks, emphasizing practical implementation, broad applicability in other areas, and direct relevance to the labor market;
- Strengthening the area of resources in entrepreneurial competences (EntreComp—Competences per area—Resources—2.3. Mobilizing resources) by recognizing the availability of different options for standard network equipment and its applicability as well as understanding the ways and conditions for setting up code in the Python programming language.
7.6. Students Survey
7.7. Entrepreneurs Survey
- Q1
- Do you use programmable measuring equipment?
- Q2
- Do you perform networking of measuring equipment?
- Q3
- Do you engage in programming measuring equipment using the Python programming language?
- Q4
- Do you perform storing, visualization, and processing of measurement results using Python?
- Q5
- Do you use any other system for networking and remote control of measuring equipment?
- Q6
- If you use any other system for connecting measuring equipment, remote access, control, data acquisition, or processing, please describe the connection method and the software support used.
8. Discussion
Author Contributions
Funding
Institutional Review Board Statement
Informed Consent Statement
Data Availability Statement
Conflicts of Interest
References
- Mantri, A.; Dutt, S.; Gupta, J.P.; Chitkara, M. Design and Evaluation of a PBL-Based Course in Analog Electronics. IEEE Trans. Educ. 2008, 51, 432–438. [Google Scholar] [CrossRef]
- Soomro, J.B.; Chachar, F.A.; Munir, H.M.; Ahmed Ansari, J.; Zalhaf, A.S.; Alqarni, M.; Alamri, B. Efficient Hardware-in-the-Loop and Digital Control Techniques for Power Electronics Teaching. Sustainability 2022, 14, 3504. [Google Scholar] [CrossRef]
- Albarracin-Acero, D.A.; Romero-Toledo, F.A.; Saavedra-Bautista, C.E.; Ariza-Echeverri, E.A. Virtual Reality in the Classroom: Transforming the Teaching of Electrical Circuits in the Digital Age. Future Internet 2024, 16, 279. [Google Scholar] [CrossRef]
- Zekovic, A. Networked Instruments and Python. GitHub Repository. 2025. Available online: https://github.com/AmelaZekovic/networked-instruments-and-python (accessed on 20 October 2025).
- Pejović, P. Laboratorijske Vežbe iz Električnih Merenja. Available online: https://zenodo.org/records/1311557 (accessed on 5 October 2025).
- Macías-Guarasa, J.; Montero, J.M.; San-Segundo, R.; Araujo, Á.; Nieto-Taladriz, O. A Project-Based Learning Approach to Design Electronic Systems Curricula. IEEE Trans. Educ. 2006, 49, 389–397. [Google Scholar] [CrossRef]
- Barak, M. Science Teacher Education in the Twenty-First Century: A Pedagogical Framework for Technology-Integrated Social Constructivism. Res. Sci. Educ. 2017, 47, 283–303. [Google Scholar] [CrossRef]
- Catz, B.; Kolodny, A.; Gero, A. Promoting engineering students’ learning: An interdisciplinary teaching approach of electronic circuits. Nternational J. Eng. Educ. 2023, 39, 208–218. [Google Scholar]
- Júnior, E.L.P.; Camargo, C.E.L.; Alves, J.A.d.O.; Maia, D.F.; Bimestre, T.A.; Moreira, M.Á.L.; Gomes, C.F.S.; dos Santos, M.; Diniz, B.P. Systems Thinking as a Support Tool in Teaching Electronics: An Approach through a Systematic Literature Review and Proposal of a Framework for Integrating Maker Culture and IoT in Technical Education. Procedia Comput. Sci. 2025, 266, 778–788. [Google Scholar] [CrossRef]
- Karayaka, H.B.; Adams, R.D. A Hybrid Flipped Classroom Approach to Teaching a Power Electronics Course to Electrical Engineering Students. In Proceedings of the American Society for Engineering Education Annual Conference & Exposition, Seattle, WA, USA, 14–17 June 2015. [Google Scholar] [CrossRef]
- Sandoval Peréz, S.; Gonzalez Lopez, J.M.; Villa Barba, M.A.; Jimenez Betancourt, R.O.; Molinar Solís, J.E.; Rosas Ornelas, J.L.; Riberth García, G.I.; Rodriguez Haro, F. On the use of augmented reality to reinforce the learning of power electronics for beginners. Electronics 2022, 11, 302. [Google Scholar] [CrossRef]
- Gomez, M.J.; Ruipérez-Valiente, J.A.; García Clemente, F.J. Exploring Technology- and Sensor-Driven Trends in Education: A Natural-Language-Processing-Enhanced Bibliometrics Study. Sensors 2023, 23, 9303. [Google Scholar] [CrossRef]
- Holub, J.; Svatos, J.; Vedral, J. Teaching of electronic circuits for measuring technology at the Faculty of Electrical Engineering, Department of Measurement, CTU in Prague. Meas. Sensors 2025, 38, 101312. [Google Scholar] [CrossRef]
- Valencia de Almeida, F.; Hayashi, V.T.; Arakaki, R.; Midorikawa, E.; de Mello Canovas, S.; Cugnasca, P.S.; Corrêa, P.L.P. Teaching Digital Electronics during the COVID-19 Pandemic via a Remote Lab. Sensors 2022, 22, 6944. [Google Scholar] [CrossRef]
- Wang, S.-C.; Liu, Y.-H. Software-Reconfigurable e-Learning Platform for Power Electronics Courses. IEEE Trans. Ind. Electron. 2008, 55, 2416–2424. [Google Scholar] [CrossRef]
- Sakkas, K.; Papadopoulos, G.; Georgiou, P.; Ioannou, A. Multiplayer Virtual Labs for Electronic Circuit Design. Electronics 2025, 14, 3163. [Google Scholar] [CrossRef]
- Asham, Y.; Bakr, M.H.; Emadi, A. Applications of Augmented and Virtual Reality in Electrical Engineering Education: A Review. IEEE Access 2023, 11, 134717–134738. [Google Scholar] [CrossRef]
- Ibáñez, M.B.; Delgado-Kloos, C. Augmented reality for STEM learning: A systematic review. Comput. Educ. 2018, 123, 109–123. [Google Scholar] [CrossRef]
- Pereira Júnior, E.L.; Moreira, M.Â.L.; Portella, A.G.; de Azevedo Junior, C.M.; de Araújo Costa, I.P.; Fávero, L.P.; Gomes, C.F.S.; dos Santos, M. Systematic Literature Review on Virtual Electronics Laboratories in Education: Identifying the Need for an Aeronautical Radar Simulator. Electronics 2023, 12, 2573. [Google Scholar] [CrossRef]
- Nesic, M.; Tomcik, B.; Zekovic, A.; Pejovic, P.; Marinkovic, B. Electrical characterization of polyaniline (PANI) based organic memristors and its emulation with programmable microcontroller device. In Proceedings of the MemoCIS 6th Workshop Memristors—Devices, Models, Circuits, Systems and Applications, Krakow, Poland, 21–22 September 2017. [Google Scholar]
- Pejović, P. Application of Python Programming Language in Measurements. Facta Univ. Ser. Electron. Energetics 2019, 10, 1–23. [Google Scholar] [CrossRef]
- Pejović, P. Electrical Measurements Revisited—Experiences from Modernizing the Course. In Proceedings of the IEEE EUROCON 2017, Ohrid, North Macedonia, 6–8 July 2017; pp. 838–844. [Google Scholar]
- Power Electronics 2, Laboratory Materials and Reports. Available online: http://tnt.etf.bg.ac.rs/~ms1ee2/ (accessed on 6 October 2025).
- Pejović, P.; Zeković, A. Software Supported DC Voltage Calibrator. In Proceedings of the XI International Symposium on Industrial Electronics (INDEL 2016), Banja Luka, Bosnia and Herzegovina, 3–5 November 2016; Available online: https://zenodo.org/records/1478177 (accessed on 1 October 2025).
- Pejović, P.; Simić, M. Virtual Instruments for Power Electronics Based on Free Software Tools. In Proceedings of the 17th International Symposium on Power Electronics (Ee 2013), Novi Sad, Serbia, 30 October–1 November 2013; Available online: https://zenodo.org/records/1478187 (accessed on 5 October 2025).
- Lazarević, V.; Bjelica, M.; Pejović, P. Maximum Power Point Tracking Control System of Photovoltaic Module Using Free Software and Standard Laboratory Equipment. In Proceedings of the 18th International Symposium on Power Electronics, Ee 2015, Novi Sad, Serbia, 28–30 October 2015. [Google Scholar]
- Pejović, P. An Automated System for Frequency Response Measurement Based on Free Software Tools. In Proceedings of the XII International Symposium Industrial Electronics, INDEL 2018, Banja Luka, Bosnia and Herzegovina, 1–3 November 2018. [Google Scholar] [CrossRef]
- Zekovic, A.; Serb, A.; Berdan, R.; Pejovic, P.; Prodromakis, T. ReMem: A system for accessing memristors remotely over the Internet. In Proceedings of the Research Workshop of the Israel Science Foundation, 2017 Stephen and Sharon Seiden Frontiers in Engineering and Science Workshop: Beyond CMOS: From Devices to Systems, Technion, Haifa, Israel, 5–6 June 2017. [Google Scholar]
- Real, G.; Raviola, L.; Jauré, M.F.; Vitali, A.O. Data acquisition system for didactic laboratories based on open-source hardware and free software. In Proceedings of the 2015 XVI IEEE Workshop on Information Processing and Control (RPIC), Cordoba, Argentina, 6–9 October 2015; pp. 1–6. [Google Scholar]
- Johnson, J.L.; Wörden, H.T.; van Wijk, K. PLACE: An Open-Source Python Package for Laboratory Automation, Control, and Experimentation. J. Lab. Autom. 2015, 20, 10–16. [Google Scholar] [CrossRef]
- Koenka, I.J.; Sáiz, J.; Hauser, P.C. Instrumentino: An Open-Source Modular Python Framework for Controlling Arduino-Based Experimental Instruments. Comput. Phys. Commun. 2014, 185, 2724–2729. [Google Scholar] [CrossRef]
- Martín, F.J.F.; Llopis, M.V.; Rodríguez, J.C.C.; González, J.R.B.; Blanco, J.M. Low-cost open-source multifunction data acquisition system for accurate measurements. Measurement 2014, 55, 265–271. [Google Scholar] [CrossRef]
- Lewis, A.J.; Campbell, M.; Stavroulakis, P. Performance evaluation of a cheap, open source, digital environmental monitor based on the Raspberry Pi. Measurement 2016, 87, 228–235. [Google Scholar] [CrossRef]
- Denih, A.; Putra, G.R.; Kurniawan, Z.; Bahtiar, E.T. Developing a Model for Curve-Fitting a Tree Stem’s Cross-Sectional Shape and Sapwood-Heartwood Transition in a Polar Diagram System Using Nonlinear Regression. Forests 2023, 14, 1102. [Google Scholar] [CrossRef]
- Heuvel-Horwitz, J.; Gross, E.C.; Sears, T.J. Python control of a high-resolution near-infrared spectrometer for undergraduate use. J. Mol. Spectrosc. 2025, 407, 111983. [Google Scholar] [CrossRef]
- SCPI Consortium, Standard Commands for Programmable Instruments (SCPI). Available online: https://www.ivifoundation.org/downloads/SCPI/scpi-99.pdf (accessed on 12 November 2025).
- Rigol Technologies, Inc. Rigol DS2102A Oscilloscope Programming Guide. Available online: https://beyondmeasure.rigoltech.com/acton/attachment/1579/f-0508/1/-/-/-/-/MSO2000A%26DS2000A_ProgrammingGuide.pdf (accessed on 21 October 2025).
- Rigol Technologies, Inc. Rigol DG1000Z Series Function/Arbitrary Waveform Generator Programming Guide. Available online: https://beyondmeasure.rigoltech.com/acton/attachment/1579/f-0493/1/-/-/-/-/DG1000Z%20Programming%20Guide.pdf (accessed on 12 October 2025).
- Rigol Technologies, Inc. Rigol DP800 Series Programmable Linear DC Power Supplies Programming Guide. Available online: https://beyondmeasure.rigoltech.com/acton/attachment/1579/f-03a1/1/-/-/-/-/DP800%20Programming%20Guide.pdf (accessed on 12 October 2025).
- LXI Consortium, LXI Standard. Available online: https://www.lxistandard.org/Documents/about/LXI%201_3%202008-10-30.pdf (accessed on 12 November 2025).
- IEEE Standard Codes, Formats, Protocols, and Common Commands for Use with IEEE Standard 488.1-1987, IEEE Standard Digital Interface for Programmable Instrumentation. Available online: https://standards.ieee.org/ieee/488.2/718/ (accessed on 12 November 2025).
- EIA RS-232-C; Interface Between Data Terminal Equipment and Data Circuit-Terminating Equipment Employing Serial Binary Data Interchange. Electronic Industries Association: Washington, DC, USA, 1969.
- USB4 Specification Version 2.0. Available online: https://www.usb.org/document-library/usb4r-specification-v20 (accessed on 12 November 2025).
- Python. Available online: https://www.python.org/ (accessed on 5 October 2025).
- Python Standard Library. Available online: https://docs.python.org/3/library/index.html (accessed on 5 October 2025).
- Hughes, J.M. Real World Instrumentation with Python: Automated Data Acquisition and Control Systems; O’Reilly Media, Inc.: Sebastopol, CA, USA, 2010. [Google Scholar]
- NumPy. Available online: https://numpy.org/ (accessed on 5 October 2025).
- Python-vxi11 0.9. Available online: https://pypi.org/project/python-vxi11/ (accessed on 5 October 2025).
- Python-pyserial 3.5. Available online: https://pypi.org/project/pyserial/ (accessed on 5 October 2025).
- Python-usbtmc 0.8. Available online: https://pypi.org/project/python-usbtmc/ (accessed on 5 October 2025).
- Matplotlib. Available online: https://matplotlib.org/ (accessed on 5 October 2025).
- Pandas. Available online: https://pandas.pydata.org/ (accessed on 5 October 2025).
- Pejović, P.; Zeković, A. Bode Plots Revisited: A Software System for Automated Generation od Piecewise Linear Frequency Response Plots. Electronics 2017, 21, 76–86. [Google Scholar] [CrossRef]
- Pejović, P. Three-Phase Diode Bridge Rectifier with Low Harmonics: Current Injection Methods; Springer: Boston, MA, USA, 2007. [Google Scholar]
- Carretero Gomez, S.; Vuorikari, R.; Punie, Y. DigComp 2.1: The Digital Competence Framework for Citizens with Eight Proficiency Levels and Examples of Use; Publications Office of the European Union: Luxembourg, 2017; Available online: https://publications.jrc.ec.europa.eu/repository/handle/JRC106281 (accessed on 6 October 2025).
- Vuorikari, R.; Kluzer, S.; Punie, Y. DigComp 2.2: The Digital Competence Framework for Citizens—With New Examples of Knowledge, Skills and Attitudes; Publications Office of the European Union: Luxembourg, 2022; Available online: https://publications.jrc.ec.europa.eu/repository/handle/JRC128415 (accessed on 6 October 2025).
- Coimbra Group. AI and Digital Competence Through Higher Education: Position Paper; Coimbra Group Employability Working Group: Brussels, Belgium, 2025; Available online: https://www.coimbra-group.eu/wp-content/uploads/AI-and-Digital-Competence-through-Higher-Education-EMP-WG-Position-Paper-.pdf (accessed on 11 November 2025).
- Deroncele-Acosta, A.; Sayán-Rivera, R.M.E.; Mendoza-López, A.D.; Norabuena-Figueroa, E.D. Generative Artificial Intelligence and Transversal Competencies in Higher Education: A Systematic Review. Appl. Syst. Innov. 2025, 8, 83. [Google Scholar] [CrossRef]
- Bacigalupo, M.; Kampylis, P.; Punie, Y.; Van den Brande, G. EntreComp: The Entrepreneurship Competence Framework; Publications Office of the European Union: Luxembourg, 2016; Report No. EUR 27939 EN; Available online: https://publications.jrc.ec.europa.eu/repository/handle/JRC101581 (accessed on 6 October 2025).
- McCallum, E.; Weicht, R.; McMullan, L.; Price, A. EntreComp: A Practical Guide; Publications Office of the European Union: Luxembourg, 2020; Report No. JRC120487; Available online: https://publications.jrc.ec.europa.eu/repository/handle/JRC120487 (accessed on 6 October 2025).














| Question | 1 | 2 | 3 | 4 | 5 | Average Rating | % Rated 4–5 | |
|---|---|---|---|---|---|---|---|---|
| Q1 | 0 | 3 | 3 | 39 | 111 | 4.65 | 0.62 | 96.15 |
| Q2 | 0 | 0 | 0 | 27 | 129 | 4.83 | 0.38 | 100.00 |
| Q3 | 0 | 6 | 9 | 39 | 102 | 4.52 | 0.77 | 90.38 |
| Q4 | 3 | 3 | 21 | 42 | 87 | 4.33 | 0.92 | 82.69 |
| Q5 | 6 | 3 | 9 | 42 | 96 | 4.40 | 0.97 | 88.46 |
| Q6.1 | 0 | 0 | 18 | 39 | 99 | 4.52 | 0.70 | 88.46 |
| Q6.2 | 0 | 0 | 27 | 45 | 84 | 4.37 | 0.76 | 82.69 |
| Q6.3 | 3 | 9 | 9 | 39 | 96 | 4.38 | 0.97 | 86.54 |
| Q7 | 0 | 6 | 18 | 33 | 99 | 4.44 | 0.84 | 84.62 |
| Q8 | 3 | 3 | 18 | 48 | 84 | 4.33 | 0.90 | 84.62 |
| Q9 | 3 | 0 | 24 | 33 | 96 | 4.40 | 0.89 | 82.69 |
| Q10 | 0 | 3 | 30 | 30 | 93 | 4.37 | 0.86 | 78.85 |
| Overall | 4.46 | 0.80 | 87.18 |
Disclaimer/Publisher’s Note: The statements, opinions and data contained in all publications are solely those of the individual author(s) and contributor(s) and not of MDPI and/or the editor(s). MDPI and/or the editor(s) disclaim responsibility for any injury to people or property resulting from any ideas, methods, instructions or products referred to in the content. |
© 2025 by the authors. Licensee MDPI, Basel, Switzerland. This article is an open access article distributed under the terms and conditions of the Creative Commons Attribution (CC BY) license (https://creativecommons.org/licenses/by/4.0/).
Share and Cite
Zekovic, A.; Pejovic, P. Integrating Instrument Networking and Programming into Electronics Curricula: Design, Implementation, and Impact. Information 2025, 16, 1024. https://doi.org/10.3390/info16121024
Zekovic A, Pejovic P. Integrating Instrument Networking and Programming into Electronics Curricula: Design, Implementation, and Impact. Information. 2025; 16(12):1024. https://doi.org/10.3390/info16121024
Chicago/Turabian StyleZekovic, Amela, and Predrag Pejovic. 2025. "Integrating Instrument Networking and Programming into Electronics Curricula: Design, Implementation, and Impact" Information 16, no. 12: 1024. https://doi.org/10.3390/info16121024
APA StyleZekovic, A., & Pejovic, P. (2025). Integrating Instrument Networking and Programming into Electronics Curricula: Design, Implementation, and Impact. Information, 16(12), 1024. https://doi.org/10.3390/info16121024

