A Fuzzy Optimization Model for the Berth Allocation Problem and Quay Crane Allocation Problem (BAP + QCAP) with n Quays
Abstract
1. Introduction
2. Materials and Methods
2.1. Fuzzy Arithmetic
2.2. Fully Fuzzy Linear Programming (FFLP)
2.3. Problem Description
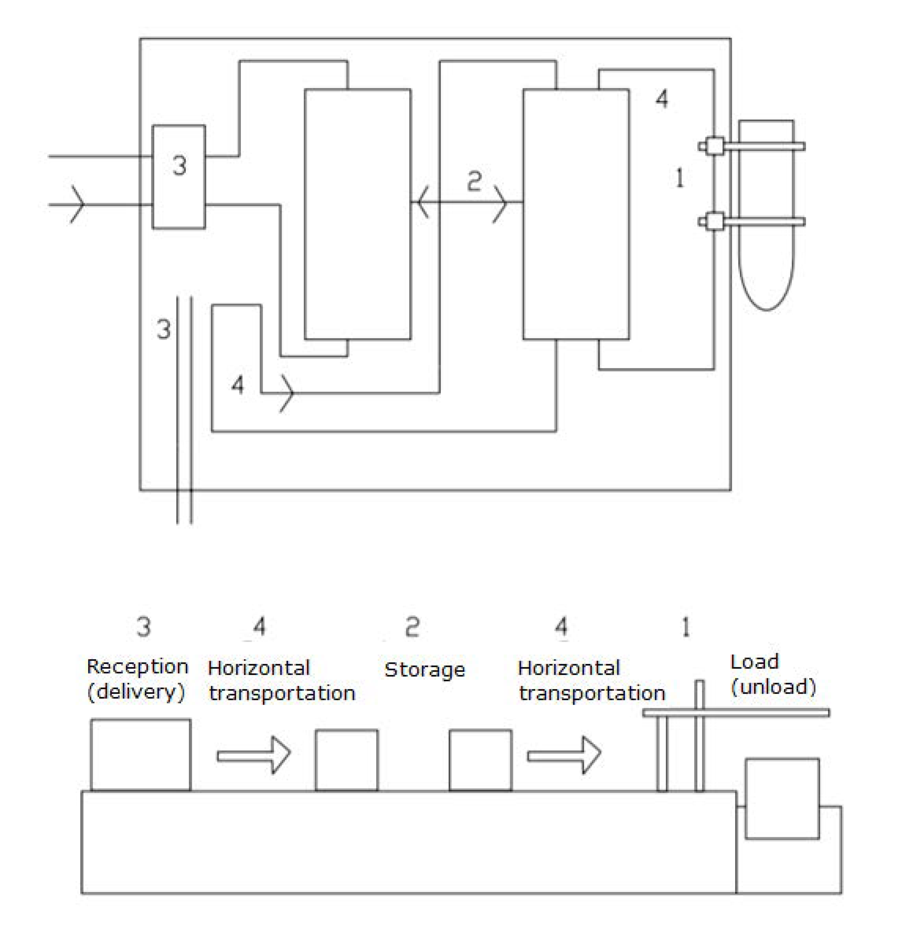
- The loading–unloading container subsystem, which is responsible for resolving the maritime interface.
- The storage container subsystem, which occupies most of the MCT surface.
- The landside reception and delivery subsystem, which act as gates in the landside for trucks and/or railways.
- The internal connection subsystem. To the previous three subsystems, which address the basic terminal functions, a fourth subsystem must be added, this ensures the horizontal transport of containers between the previous subsystems.
- : Planning Horizon.
- : Available cranes at quay q. All perform the same number of movements per unit time , data provided by the MCT.
- : The maximum number of QCs assigned to each vessel i at quay q
- : Length of quay .
- : Vessel arrival time at port.
- : Vessel length.
- : Required number of movements to load or unload the containers from the vessel.
- : Takes the value of 1 when vessel i berths at quay , and takes 0 otherwise.
- : Berthing time of vessel i at quay . The waiting time is computed as
- : Position at quay , where vessel i must berth.
- : Number of in quay assigned to vessel i.
- : Indicates whether k, (which belonging to ) works (1) or not (0) on vessel i.
- : Vessel handling time .
- : Working time of k (belonging to ) which is assigned to vessel .
- : Vessel departure time
- : Indices for the first and last , on quay , used in vessel , respectively.
- : Is a sufficiently large number.
2.4. Fuzzy Optimization Model for the BAP + QCAP with Two Quays
2.5. Fuzzy Optimization Model Solution
3. Results
3.1. Study Case
3.2. Model Efficiency Analysis
4. Discussion
Author Contributions
Funding
Conflicts of Interest
References
- CCIM (Maritime Industry Knowledge Center) “PORTS AND TERMINALS”. Available online: https://www.maritimeinfo.org/es/Maritime-Directory/ports-and-terminals-es-21f71f7e802b11e2bf310013721274c6 (accessed on 17 June 2019).
- Lim, A. The berth planning problem. Oper. Res. Lett. 1998, 22, 105–110. [Google Scholar] [CrossRef]
- Bruggeling, M.; Verbraeck, A.; Honig, H. Decision support for container terminal berth planning: Integration and visualization of terminal information. In Proceedings of the Transport Logistics Working Days (VLW2011); University Press: Zelzate, Belgium, 2011; pp. 263–283. [Google Scholar]
- Laumanns, M. Robust adaptive resource allocation in container terminals. In Proceedings of the 25th Mini-EURO Conference Uncertainty and Robustness in Planning and Decision Making, Coimbra, Portugal, 15–17 April 2010; pp. 501–517. [Google Scholar]
- Zadeh, L.A. Fuzzy sets. Inf. Control 1965, 8, 338–353. [Google Scholar] [CrossRef]
- Bierwirth, C.; Meisel, F. A survey of berth allocation and quay crane scheduling problems in container terminals. Eur. J. Oper. Res. 2010, 202, 615–627. [Google Scholar] [CrossRef]
- Budipriyanto, A.; Wirjodirdjo, B.; Pujawan, I.N.; Gurning, S. A Simulation Study of Collaborative Approach to Berth Allocation Problem under Uncertainty. Asian J. Shipp. Logist. 2017, 33, 127–139. [Google Scholar] [CrossRef]
- Xiang, X.; Liu, C.; Miao, L. Reactive strategy for discrete berth allocation and quay crane assignment problems under uncertainty. Comput. Ind. Eng. 2018, 126, 196–216. [Google Scholar] [CrossRef]
- Xiao, L.; Hu, Z.-H. Berth Allocation Problem with Quay Crane Assignment for Container Terminals Based on Rolling-Horizon Strategy. Math. Probl. Eng. 2014, 1. [Google Scholar] [CrossRef]
- Exposito, C.; Lalla, E.; Melian, B.; Moreno, J. Fuzzy optimization models for seaside port logistics: Berthing and quay crane scheduling. Comput. Intell. 2016, 323–343. [Google Scholar] [CrossRef]
- Gutierrez, F.; Lujan, E.; Vergara, E.; Asmat, F. Fuzziness in the Berth Allocation Problem. Recent Adv. Comput. Optim. Stud. Comput. Intell. 2019, 795, 149–174. [Google Scholar] [CrossRef]
- Rodriguez, M.; Ingolotti, L.; Barber, F.; Salido, M.; Puente, J. A genetic algorithm for robust berth allocation and quay crane assignment. Prog. Artif. Intell. 2014, 2, 177–192. [Google Scholar] [CrossRef]
- Frojan, P.; Correcher, J.; Alvarez, R.; Koulouris, G.; Tamarit, J. The continuous Berth Allocation Problem in a container terminal with multiple quays. Expert Syst. Appl. 2015, 42, 7356–7366. [Google Scholar] [CrossRef]
- Gutierrez, F.; Lujan, E.; Vergara, E.; Asmat, R. Fully Fuzzy Linear Programming Model for the Berth Allocation Problem with Two Quays. Uncertain. Manag. Fuzzy Rough Sets Recent Adv. Appl. Stud. Fuzziness Soft Comput. 2019, 377, 87–113. [Google Scholar] [CrossRef]
- Bouzekri, H.; Alpan, G.; Giard, V. Integrated Laycan and Berth Allocation and time-invariant Quay Crane Assignment Problem in tidal ports with multiple quays. Eur. J. Oper. Res. 2021, in press. [Google Scholar] [CrossRef]
- Young-Jou, L.; Hwang, C. Fuzzy mathematical programming: Methods and applications. In Lecture Notes in Economics and Mathematical Systems; Springer: Berlin/Heidelberg, Germany, 1992; Volume 394, pp. 74–186. [Google Scholar] [CrossRef]
- Yager, R. A procedure for ordering fuzzy subsets of the unit interval. Inf. Sci. 1981, 24, 143–161. [Google Scholar] [CrossRef]
- Das, S.K.; Mandal, T.; Edalatpanah, S.A. A mathematical model for solving fully fuzzy linear programming problem with trapezoidal fuzzy numbers. Appl. Intell. 2017, 46, 509–519. [Google Scholar] [CrossRef]
- Nasseri, S.H.; Behmanesh, E.; Taleshian, F.; Abdolalipoor, M.; Taghi-Nezhad, N.A. Fully fuzzy linear programming with inequality constraints. Int. J. Ind. Math. 2013, 5, 309–316. [Google Scholar]
- Saurí, S. Operations and Tails of Vessels in Ports. Available online: https://upcommons.upc.edu/handle/2099.1/6271 (accessed on 16 June 2019).








| Vessel | a1 | a2 | a3 | l (m) | QC Mov. |
|---|---|---|---|---|---|
| V1 | 14 | 16 | 20 | 260 | 4160 |
| V2 | 18 | 31 | 48 | 232 | 9680 |
| V3 | 56 | 68 | 86 | 139 | 3640 |
| V4 | 81 | 82 | 97 | 193 | 7610 |
| V5 | 92 | 105 | 119 | 287 | 6860 |
| V6 | 106 | 116 | 133 | 318 | 6300 |
| V7 | 126 | 138 | 147 | 366 | 8110 |
| V8 | 155 | 167 | 176 | 166 | 1560 |
| V9 | 159 | 163 | 164 | 109 | 7830 |
| V10 | 162 | 179 | 186 | 251 | 2220 |
| Vessel | m1 | m 2 | m 3 | h | d1 | d2 | d3 | p | Cranes | Q |
|---|---|---|---|---|---|---|---|---|---|---|
| V1 | 14 | 16 | 20 | 694 | 708 | 710 | 714 | 440 | 2 | 0 |
| V2 | 927 | 928 | 943 | 1076 | 2003 | 2004 | 2019 | 0 | 3 | 1 |
| V3 | 56 | 68 | 86 | 607 | 663 | 675 | 693 | 193 | 2 | 1 |
| V4 | 81 | 82 | 97 | 846 | 927 | 928 | 943 | 0 | 3 | 1 |
| V5 | 583 | 600 | 607 | 763 | 1346 | 1363 | 1370 | 0 | 3 | 0 |
| V6 | 708 | 710 | 714 | 1050 | 1758 | 1760 | 1764 | 382 | 2 | 0 |
| V7 | 663 | 675 | 693 | 1352 | 2015 | 2027 | 2045 | 334 | 2 | 1 |
| V8 | 409 | 426 | 433 | 174 | 583 | 600 | 607 | 0 | 3 | 0 |
| V9 | 1346 | 1363 | 1370 | 870 | 2216 | 2233 | 2240 | 0 | 3 | 0 |
| V10 | 162 | 179 | 186 | 247 | 409 | 426 | 433 | 189 | 3 | 0 |
| Vessel | Incidence | Time |
|---|---|---|
| V1 | Exactly | 0 |
| V2 | Exactly | 0 |
| V3 | Early | 6 |
| V4 | Late | 10 |
| V5 | Exactly | 0 |
| V6 | Late | 15 |
| V7 | Exactly | 0 |
| V8 | Late | 8 |
| V9 | Early | 3 |
| V10 | Exactly | 0 |
| Vessel | m | l | h | d | p | Cranes | Q |
|---|---|---|---|---|---|---|---|
| V1 | 16 | 260 | 694 | 710 | 440 | 2 | 0 |
| V2 | 938 | 232 | 1076 | 2014 | 0 | 3 | 1 |
| V3 | 62 | 139 | 607 | 669 | 193 | 2 | 1 |
| V4 | 92 | 193 | 846 | 938 | 0 | 3 | 1 |
| V5 | 583 | 287 | 763 | 1346 | 0 | 3 | 0 |
| V6 | 710 | 318 | 1050 | 1760 | 382 | 2 | 0 |
| V7 | 669 | 366 | 1352 | 2021 | 334 | 2 | 1 |
| V8 | 409 | 166 | 174 | 583 | 0 | 3 | 0 |
| V9 | 1346 | 109 | 870 | 2216 | 0 | 3 | 0 |
| V10 | 179 | 251 | 247 | 426 | 189 | 3 | 0 |
| Vessels | Average Objective Value | Average Processing Time (Minutes) | Optimal | No Optimal |
|---|---|---|---|---|
| 5 | 4922.0 | 0.2 | 100 | 0 |
| 6 | 6655.3 | 1.3 | 47 | 53 |
| 7 | 9401.3 | 60.0 | 0 | 1 |
| 8 | 10,499.7 | 60.0 | 0 | 1 |
| 9 | 13,724.7 | 60.0 | 0 | 1 |
| 10 | 15,522.3 | 60.0 | 0 | 1 |
| 11 | 19,741.3 | 60.0 | 0 | 1 |
| 12 | 23,714.3 | 60.0 | 0 | 1 |
| 13 | 28,762.3 | 28.9 | 2 | 98 |
| 14 | 36,194.7 | 19.0 | 3 | 97 |
| 15 | 39,153.0 | 38.8 | 1 | 99 |
| 16 | 42,786.3 | 30.8 | 2 | 98 |
| 17 | 49,753.0 | 25.0 | 2 | 98 |
| 18 | 57,623.7 | 28.5 | 2 | 98 |
| 19 | 68,661.0 | 24.7 | 2 | 98 |
| 20 | 71,727.3 | 22.8 | 2 | 98 |
| 21 | 80,968.3 | 21.2 | 2 | 98 |
| 22 | 92,723.3 | 22.1 | 2 | 98 |
| 23 | 88,050.0 | 60.0 | 0 | 1 |
| 24 | 96,369.0 | 60.0 | 0 | 1 |
| 25 | 110,842.3 | 60.0 | 0 | 1 |
| 26 | 108,655.3 | 60.0 | 0 | 1 |
| 27 | 128,984.3 | 60.0 | 0 | 1 |
| 28 | 116,706.3 | 60.0 | 0 | 1 |
| 29 | 172,058.3 | 39.7 | 1 | 99 |
| 30 | 142,758.3 | 60.0 | 0 | 1 |
| 31 | 158,178.0 | 60.0 | 0 | 1 |
| 32 | 177,955.3 | 60.0 | 0 | 1 |
| 33 | 156,638.7 | 60.0 | 0 | 1 |
| 34 | 200,806.0 | 60.0 | 0 | 1 |
| 35 | - | 60.0 | 0 | 0 |
Publisher’s Note: MDPI stays neutral with regard to jurisdictional claims in published maps and institutional affiliations. |
© 2021 by the authors. Licensee MDPI, Basel, Switzerland. This article is an open access article distributed under the terms and conditions of the Creative Commons Attribution (CC BY) license (http://creativecommons.org/licenses/by/4.0/).
Share and Cite
Lujan, E.; Vergara, E.; Rodriguez-Melquiades, J.; Jiménez-Carrión, M.; Sabino-Escobar, C.; Gutierrez, F. A Fuzzy Optimization Model for the Berth Allocation Problem and Quay Crane Allocation Problem (BAP + QCAP) with n Quays. J. Mar. Sci. Eng. 2021, 9, 152. https://doi.org/10.3390/jmse9020152
Lujan E, Vergara E, Rodriguez-Melquiades J, Jiménez-Carrión M, Sabino-Escobar C, Gutierrez F. A Fuzzy Optimization Model for the Berth Allocation Problem and Quay Crane Allocation Problem (BAP + QCAP) with n Quays. Journal of Marine Science and Engineering. 2021; 9(2):152. https://doi.org/10.3390/jmse9020152
Chicago/Turabian StyleLujan, Edwar, Edmundo Vergara, Jose Rodriguez-Melquiades, Miguel Jiménez-Carrión, Carlos Sabino-Escobar, and Flabio Gutierrez. 2021. "A Fuzzy Optimization Model for the Berth Allocation Problem and Quay Crane Allocation Problem (BAP + QCAP) with n Quays" Journal of Marine Science and Engineering 9, no. 2: 152. https://doi.org/10.3390/jmse9020152
APA StyleLujan, E., Vergara, E., Rodriguez-Melquiades, J., Jiménez-Carrión, M., Sabino-Escobar, C., & Gutierrez, F. (2021). A Fuzzy Optimization Model for the Berth Allocation Problem and Quay Crane Allocation Problem (BAP + QCAP) with n Quays. Journal of Marine Science and Engineering, 9(2), 152. https://doi.org/10.3390/jmse9020152

