Motion Control of Autonomous Underwater Vehicle Based on Fractional Calculus Active Disturbance Rejection
Abstract
:1. Introduction
- The fractional calculus active disturbance rejection strategy is proposed to improve the performance of AUV motion. It combines the advantages of ADRC and fractional calculus;
- The stability of fractional calculus active disturbance rejection system is proven by Lyapunov stability theorem;
- The fractional calculus active disturbance rejection is sufficiently simulated and successfully employed in heading and pitch subsystems. Experimental results and analysis demonstrate the advantages of the proposed strategy.
2. Materials and Methods
2.1. Reference Frames
2.2. Transformations between Body-Fixed and World-Fixed
2.3. Motion Equations in Six Degrees of Freedom
- AUV is rigid;
- The Earth-fixed frame is inertial;
- AUV has homogeneous mass distribution and xz-plane symmetry;
- The origin of the body-fixed coordinate system coincides with the center of gravity.
2.4. Motion Equations in the Horizontal Plane
2.5. Motion Equations in the Vertical Plane
3. Controller Design
3.1. Fractional Calculus and FOPID
3.2. ADRC Method
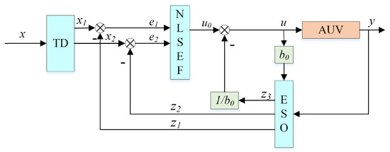
3.3. Fractional Calculus ADRC Strategy
3.3.1. Heading Subsystem of Fractional Calculus ADRC
3.3.2. Pitch Subsystem of Fractional Calculus ADRC
3.4. Stability of Fractional Calculus ADRC Subsystem
4. Experiment Result and Analysis
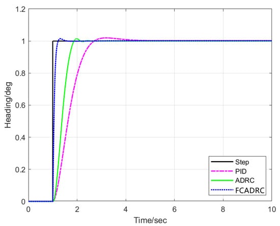
4.1. Simulations of Heading Subsystem
4.2. Simulations of Pitch Subsystem
4.3. Experiments
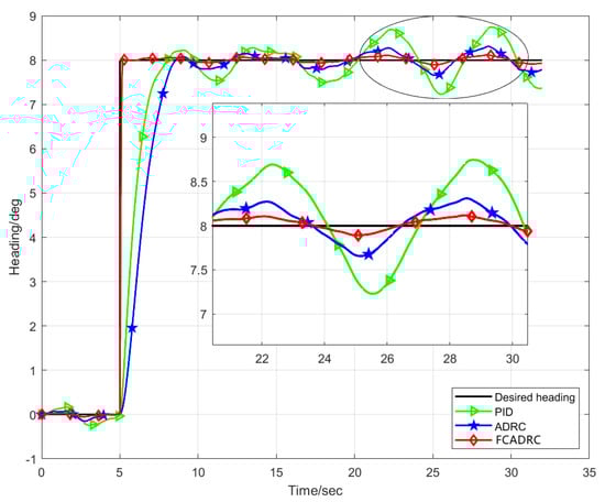
4.3.1. Heading Subsystem
4.3.2. Depth Subsystem
5. Conclusions
Author Contributions
Funding
Institutional Review Board Statement
Informed Consent Statement
Data Availability Statement
Conflicts of Interest
Abbreviations
| AUV | Autonomous Underwater Vehicle |
| FOPID | Fractional-Order Proportional Integral Derivative |
| ADRC | Active Disturbance Rejection Control |
| FCADRC | Fractional Calculus Active Disturbance Rejection Control |
Appendix A
| Coefficient | Value | Coefficient | Value | Coefficient | Value |
|---|---|---|---|---|---|
| −6.6978 × 10 | −6.6483 × 10 | −6.6978 × 10 | |||
| 6.6883 × 10 | 0 | 0 | |||
| −3.0340 × 10 | −1.0291 × 10 | −1.1766 × 10 | |||
| 1.0291 × 10 | 0 | 0 | |||
| −1.1766 × 10 | 0 | 3.0340 × 10 | |||
| 1.199 × 10 | 2.7256 × 10 | 2.2817 × 10 | |||
| 0 | −2.2343 × 10 | 2.6375 × 10 | |||
| 0 | 0 | −5.4042 × 10 | |||
| −1.1 × 10 | −5.4980 × 10 | −3.7794 × 10 | |||
| 0 | −3.7010 × 10 | 0 | |||
| 0 | −5.1604 × 10 | 0 | |||
| 0 | 0 | −5.3394 × 10 | |||
| 0 | 1.1171 × 10 | 3.4854 × 10 | |||
| 0 | 0 | 6.4403 × 10 | |||
| 0 | −6.2280 × 10 | 0 | |||
| 6.6483 × 10 | 3.2467 × 10 | −2.5449 × 10 | |||
| 6.6154 × 10 | −1.7846 × 10 | 0 | |||
| −1.756 × 10 | 0 | 0 | |||
| 0 | 1.3947 × 10 | 0 | |||
| −6.6483 × 10 | −6.2280 × 10 | −1.3979 × 10 | |||
| 0 | −5.4811 × 10 | 5.5969 × 10 | |||
| −3.1629 × 10 | 0 | 0 | |||
| 2.79 × 10 | 0 | 1.1408 × 10 | |||
| 3.1629 × 10 | 0 | 0 | |||
| 1.475 × 10 | 0 | 6.6483 × 10 |
References
- Sarhadi, P.; Noei, A.R.; Khosravi, A. Model reference adaptive autopilot with anti-windup compensator for an autonomous underwater vehicle: Design and hardware in the loop implementation results-ScienceDirect. Appl. Ocean. Res. 2017, 62, 27–36. [Google Scholar] [CrossRef]
- Yu, C.; Xiang, X.; Wilson, P.A.E.A. Guidance-Error-Based Robust Fuzzy Adaptive Control for Bottom Following of a Flight-Style AUV With Saturated Actuator Dynamics. IEEE Trans. Cybern. 2019, 50, 1887–1899. [Google Scholar] [CrossRef]
- Vu, M.T.; Thanh, H.L.N.N.; Huynh, T.T.; Do, Q.T.; Do, T.D.; Hoang, Q.D.; Le, T.H. Station-Keeping Control of a Hovering Over-Actuated Autonomous Underwater Vehicle Under Ocean Current Effects and Model Uncertainties in Horizontal Plane. IEEE Access 2021, 9, 6855–6867. [Google Scholar] [CrossRef]
- Xia, G.; Zhang, Y.; Zhang, W.; Chen, X.; Yang, H. Dual closed-loop robust adaptive fast integral terminal sliding mode formation finite-time control for multi-underactuated AUV system in three dimensional space. Ocean. Eng. 2021, 233, 108903. [Google Scholar] [CrossRef]
- Rojsiraphisal, T.; Mobayen, S.; Asad, J.H.; Vu, M.T.; Chang, A.; Puangmalai, J. Fast Terminal Sliding Control of Underactuated Robotic Systems Based on Disturbance Observer with Experimental Validation. Mathematics 2021, 9, 1935. [Google Scholar] [CrossRef]
- Mashhad, A.M.; Mashhadi, S.K.M. H infinity robust controller comparison with PD like fuzzy logic controller for an AUV control. In Proceedings of the Iranian Joint Congress on Fuzzy & Intelligent Systems, Zahedan, Iran, 9–11 September 2015. [Google Scholar] [CrossRef]
- Khodayari, M.H.; Balochian, S. Modeling and control of autonomous underwater vehicle (AUV) in heading and depth attitude via self-adaptive fuzzy PID controller. J. Mar. Sci. Technol. 2015, 20, 559–578. [Google Scholar] [CrossRef]
- Liu, F.; Shen, Y.; He, B.; Wan, J.; Wang, D.; Yin, Q.; Qin, P. 3DOF Adaptive Line-Of-Sight Based Proportional Guidance Law for Path Following of AUV in the Presence of Ocean Currents. Appl. Sci. 2019, 9, 3518. [Google Scholar] [CrossRef] [Green Version]
- Han, J. From PID to Active Disturbance Rejection Control. IEEE Trans. Ind. Electron. 2009, 56, 900–906. [Google Scholar] [CrossRef]
- Kang, S.; Rong, Y.; Chou, W. Antidisturbance Control for AUV Trajectory Tracking Based on Fuzzy Adaptive Extended State Observer. Sensors 2020, 20, 7084. [Google Scholar] [CrossRef]
- Chen, T.; Zhang, W.; Zhou, J.; Yu, H.E.A. Depth control of AUV using active disturbance rejection controller. In Proceedings of the 33rd Chinese Control Conference, Nanjing, China, 28–30 July 2014. [Google Scholar] [CrossRef]
- Li, J.; Ming, K.; Farouk, N.E.A. Horizontal plane motion control of AUV based on active disturbance rejection controller. In Proceedings of the 2015 27th Chinese Control and Decision Conference (CCDC), Qingdao, China, 23–25 May 2015. [Google Scholar] [CrossRef]
- Shen, Y.; Shao, K.; Ren, W.E.A. Diving control of Autonomous Underwater Vehicle based on improved active disturbance rejection control approach. Neurocomputing 2016, 173, 1377–1385. [Google Scholar] [CrossRef]
- Vilanova, R.; Visioli, A. PID Control in the Third Millennium; Springer: London, UK, 2012. [Google Scholar] [CrossRef]
- Podlubny, I. Fractional-order systems and PIλ Dμ controllers. IEEE Trans. Autom. Control 1999, 44, 208–214. [Google Scholar] [CrossRef]
- Angel, L.; Viola, J. Fractional order PID for tracking control of a parallel robotic manipulator type delta. ISA Trans. 2018, 79, 172–188. [Google Scholar] [CrossRef] [PubMed]
- Dabiri, A.; Moghaddam, B.P.; Machado, J.A.T. Optimal variable-order fractional PID controllers for dynamical systems. J. Comput. Appl. Math. 2018, 339, 40–48. [Google Scholar] [CrossRef]
- Wang, N.; Wang, J.; Li, Z.; Tang, X.; Hou, D. Fractional-Order PID Control Strategy on Hydraulic-Loading System of Typical Electromechanical Platform. Sensors 2018, 18, 3024. [Google Scholar] [CrossRef] [Green Version]
- Huang, J.; Ma, P.; Bao, G.; Gao, F.; Shi, X. Research on Position Servo System Based on Fractional-order Extended State Observer. IEEE Access 2020, 8, 102748–102756. [Google Scholar] [CrossRef]
- Qin, C.; Qi, N.; Lü, R.; Zhu, K. ADRC fractional order PID controller design of hypersonic flight vehicle. Trans. Nanjing Univ. Aeronaut. Astronaut. 2011, 28, 240–245. [Google Scholar]
- Song, J.; Wang, L.; Cai, C.; Qi, X. Nonlinear fractional order proportion-integral-derivative active disturbance rejection control method design for hypersonic vehicle attitude control. Acta Astronaut. 2015, 111, 160–169. [Google Scholar] [CrossRef]
- Wen, J.P. Fractional Order Nonlinear Feedback Controller Design for PMSM Drives. Math. Probl. Eng. 2013, 2013, 301–312. [Google Scholar] [CrossRef]
- Sun, J.F.; Shan, L.; Qi, Z.D.E.A. Fractional order ADRC algorithm to ship servo system. In Proceedings of the 2016 35th Chinese Control Conference (CCC), Chengdu, China, 27–29 July 2016. [Google Scholar] [CrossRef]
- Fang, H.; Yuan, X.; Liu, P. Active-disturbance-rejection-control and fractional-order-proportional-integral-derivative hybrid control for hydroturbine speed governor system. Meas. Control J. Inst. Meas. Control 2018, 51, 192–201. [Google Scholar] [CrossRef] [Green Version]
- Shi, X.; Chen, Y.; Huang, J. Application of fractional-order active disturbance rejection controller on linear motion system. Control Eng. Pract. 2018, 81, 207–214. [Google Scholar] [CrossRef]
- Junhe, W.; Bo, H.; Dianrui, W.E.A. Fractional-order PID Motion Control for AUV Using Cloud-model-based Quantum Genetic Algorithm. IEEE Access 2019, 7, 124828–124843. [Google Scholar] [CrossRef]
- Fossen, T.I. Handbook of Marine Craft Hydrodynamics and Motion Control; John Wiley & Sons, Ltd.: Hoboken, NJ, USA, 2016. [Google Scholar] [CrossRef]
- Fossen, T.I. Mathematical Models of Ships and Underwater Vehicles. In Encyclopedia of Systems and Control; Baillieul, J., Samad, T., Eds.; Springer: London, UK, 2013; pp. 1–9. [Google Scholar] [CrossRef]
- Prestero, T. Development of a six-degree of freedom simulation model for the REMUS autonomous underwater vehicle. In Proceedings of the MTS/IEEE Oceans 2001, An Ocean Odyssey. Conference Proceedings (IEEE Cat. No.01CH37295), Honolulu, HI, USA, 5–8 November 2001. [Google Scholar] [CrossRef]
- Nahon, M. A simplified dynamics model for autonomous underwater vehicles. In Proceedings of the Symposium on Autonomous Underwater Vehicle Technology, Monterey, CA, USA, 2–6 June 1996; pp. 373–379. [Google Scholar] [CrossRef]
- Evans, J.; Nahon, M. Dynamics modeling and performance evaluation of an autonomous underwater vehicle. Ocean. Eng. 2004, 31, 1835–1858. [Google Scholar] [CrossRef] [Green Version]
- Singh, Y.; Bhattacharyya, S.K.; Idichandy, V.G. CFD approach to modelling, hydrodynamic analysis and motion characteristics of a laboratory underwater glider with experimental results. J. Ocean. Eng. Sci. 2017, 2, 90–119. [Google Scholar] [CrossRef]
- Wan, J.; He, B.; Shen, Y. Heading multi-mode control based on soft-switching for autonomous underwater vehicle. Ocean Eng. 2018, 164, 672–682. [Google Scholar] [CrossRef]
- Huang, Y.; Xue, W. Active disturbance rejection control: Methodology and theoretical analysis. ISA Trans. 2014, 53, 963–976. [Google Scholar] [CrossRef] [PubMed]
- Yi, H.; Han, J. The Self-stable Region Approach for Second Order Systems. Syst. Sci. Math. Sci. 1999, 12, 238–245. [Google Scholar]



















| Vectors | x-Axis | y-Axis | z-Axis |
|---|---|---|---|
| Linear velocities | u | ||
| Angular velocities | p | q | r |
| Euler angles | |||
| Forces | X | Y | Z |
| Moments | K | M | N |
| Positions |
| Method | Overshoot (%) | Rise Time (s) | Settling Time (s) | SSE () |
|---|---|---|---|---|
| PID | 1.9 | 1.696 | 4.056 | 0 |
| ADRC | 1.4 | 0.864 | 1.176 | 0 |
| FCADRC | 1.4 | 0.215 | 0.511 | 0 |
| Method | Maximum | Minimum | RMSE |
|---|---|---|---|
| PID | 8.7441 | 7.2291 | 0.4121 |
| ADRC | 8.3081 | 7.6562 | 0.1699 |
| FCADRC | 8.1169 | 7.8919 | 0.0585 |
| Method | Overshoot (%) | Rise Time (s) | Settling Time (s) | SSE (m) |
|---|---|---|---|---|
| PID | 2.4 | 1.65 | 4 | 0 |
| ADRC | 2.4 | 1.65 | 3 | 0 |
| FCADRC | 2.2 | 1.21 | 3 | 0 |
| Method | Maximum | Minimum | RMSE |
|---|---|---|---|
| PID | 5.3304 | 4.5560 | 0.1872 |
| ADRC | 5.1641 | 4.7102 | 0.1076 |
| FCADRC | 5.1371 | 4.8422 | 0.0709 |
| 100 | 300 | 1000 | 0.0025 | 100 | 8 | 1.5 |
| 100 | 300 | 1000 | 0.0025 | 100 | 0.6 | 0.01 | 0.01 | 0.85 | 0.9 |
| Method | Settling Time (s) | Overshoot (%) | RMS () | SSE () |
|---|---|---|---|---|
| ADRC | 11 | 4.5 | 116.77 | 3.595 |
| FCADRC | 11 | 3.1 | 117.11 | 2.291 |
| Method | Simulation | Sea Trial |
|---|---|---|
| ADRC | 0.1699 | 3.595 |
| FCADRC | 0.0585 | 2.291 |
| 100 | 300 | 1000 | 0.0025 | 100 | 20.5 | 1.4 |
| 100 | 300 | 1000 | 0.0025 | 100 | 3.3 | 0.042 | 0.01 | 0.8 | 0.8 |
| Method | Settling Time (s) | Overshoot (%) | RMS (m) | SSE (m) |
|---|---|---|---|---|
| ADRC | 35 | 0 | 2.5187 | 0.5070 |
| FCADRC | 35 | 0 | 2.8799 | 0.1807 |
Publisher’s Note: MDPI stays neutral with regard to jurisdictional claims in published maps and institutional affiliations. |
© 2021 by the authors. Licensee MDPI, Basel, Switzerland. This article is an open access article distributed under the terms and conditions of the Creative Commons Attribution (CC BY) license (https://creativecommons.org/licenses/by/4.0/).
Share and Cite
Wan, J.; Liu, H.; Yuan, J.; Shen, Y.; Zhang, H.; Wang, H.; Zheng, Y. Motion Control of Autonomous Underwater Vehicle Based on Fractional Calculus Active Disturbance Rejection. J. Mar. Sci. Eng. 2021, 9, 1306. https://doi.org/10.3390/jmse9111306
Wan J, Liu H, Yuan J, Shen Y, Zhang H, Wang H, Zheng Y. Motion Control of Autonomous Underwater Vehicle Based on Fractional Calculus Active Disturbance Rejection. Journal of Marine Science and Engineering. 2021; 9(11):1306. https://doi.org/10.3390/jmse9111306
Chicago/Turabian StyleWan, Junhe, Hailin Liu, Jian Yuan, Yue Shen, Hao Zhang, Haoxiang Wang, and Yi Zheng. 2021. "Motion Control of Autonomous Underwater Vehicle Based on Fractional Calculus Active Disturbance Rejection" Journal of Marine Science and Engineering 9, no. 11: 1306. https://doi.org/10.3390/jmse9111306
APA StyleWan, J., Liu, H., Yuan, J., Shen, Y., Zhang, H., Wang, H., & Zheng, Y. (2021). Motion Control of Autonomous Underwater Vehicle Based on Fractional Calculus Active Disturbance Rejection. Journal of Marine Science and Engineering, 9(11), 1306. https://doi.org/10.3390/jmse9111306

