Next Article in Journal
Networked Predictive Trajectory Tracking Control for Underactuated USV with Time-Varying Delays
Previous Article in Journal
CPTU-Based Offshore Wind Monopile Rigid Bearing Mechanism Analysis
 
 
Font Type:
Arial Georgia Verdana
Font Size:
Aa Aa Aa
Line Spacing:
Column Width:
Background:
Article

Fatigue Analysis for Shaft of Inland River Ship Under Ice Load

1
College of Shipbuilding Engineering, Harbin Engineering University, Harbin 150001, China
2
China Classification Society-Harbin Branch, Harbin 150070, China
*
Author to whom correspondence should be addressed.
J. Mar. Sci. Eng. 2025, 13(1), 131; https://doi.org/10.3390/jmse13010131
Submission received: 26 December 2024 / Revised: 8 January 2025 / Accepted: 11 January 2025 / Published: 13 January 2025
(This article belongs to the Section Ocean Engineering)

Abstract

Inland river ships navigating in an ice area cannot avoid contact between the propeller and ice block. In addition to ensuring the safety of propeller blades, the fatigue strength of the propulsion shaft system under ice load excitation must also be considered. This paper first studies how to calculate the natural frequency of free torsional vibration of the system, then uses Newmark integral programing to calculate the maximum torsional stress of shaft system under ice load at resonance speed. Low cycle stress and high cycle stress are studied according to fatigue analysis theory. The method of determining S–N curve and ice load stress spectrum is given and the cumulative damage ratio is calculated based on Palmgren–Miner linear cumulative damage theory. Finally, taking a real inland river vessel propulsion shaft system as an example, the fatigue strength of the shaft system under different working conditions of ice load excitation is studied. Therefore, this study has practical significance and engineering application value in conducting fatigue research on the propulsion shaft system of an inland waterway vessel sailing in an ice area.

1. Introduction

The northeast region of China experiences an annual river ice period, so studying the fatigue characteristics of the propulsion shaft system of ships sailing during the ice period is of great significance for the safety of ships. The “RCIWSS” [1] specifies that, when the single unit power of the ship’s main engine exceeds 220 kW, it is necessary to verify the torsional vibration of the propulsion shaft system. Ships sailing in ice areas will be hit by ice blocks; they cause a huge torsional excitation of the shaft system [2]. Prolonged exposure to the impact torque will cause fatigue damage to the shaft system, which is different from the fatigue strength analysis of the shaft system under steady-state operation. At present, the fatigue calculation of the propulsion shaft system for inland river ships sailing in ice areas is blank, and there are currently no calculation methods or complete fatigue analysis calculation processes for the S–N curve of propulsion shaft system for inland river ships sailing in ice areas. The innovation and objective of this article lie in investigating the fatigue behavior of instantaneous torsional stress within the shaft system of inland waterway vessels subsequent to ice impact on their propellers. Distinct from previous research, which predominantly examined the stable torsional stress in shaft systems powered exclusively by diesel engines, this research delves into a novel area.
Yang [3] studied the multi-axial fatigue assessment method of polar ships under ice loading. Based on the key techniques of ship–ice–water coupling numerical simulation, the mechanism of ship–ice collision under typical conditions is analyzed, and the effects of ice density and ship speed on ice motion, ice load curve and energy curve are discussed. Based on the numerical simulation results, the fatigue assessment position is selected and the multi-axial fatigue analysis sub-model is established. The dynamic response of the structure is analyzed by applying ice load, and the multi-axial fatigue damage of polar ships is evaluated by combining the ice-induced multi-axial fatigue assessment method. Chen [4] established the equivalent shaft model; then, free vibration and forced vibration analyses are calculated. “Dangerous rotational speed” of the propulsion shafting can get from the result. Based on Matlab, the transient response of the propulsion shafting under dangerous rotational speed is analyzed and the dynamic characteristics of the propulsion shafting also can be obtained from the transient result. Based on Ansys Workbench, the transient dynamics of the helical gear pair are analyzed and the fatigue life of the helical gear pair is calculated. Wu et al. [5] calculated the spatial co-ordinates of the characteristic points on the tangent plane of the blade and completed the model establishment of the blade in Pro/Engineer. Sun et al. [6] eliminated the complex transformation of plane and spatial co-ordinates and used Pro/E to create curves and merge surfaces, achieving the most intuitive modeling. In addition, they can verify initial data and update incorrect parameters in the establishment of blade models, efficiently establishing blade models. Qian et al. [7] utilized MSC. Patran’s secondary developed technology to automatically establish the three-dimensional model and finite element of blade, avoiding repetitive and complex preprocessing work and improving analysis efficiency. Hu [8] elaborated on the empirical formula of classification society for propeller verification, established a three-dimensional model of the propeller, and constructed an ice/propeller contact model to perform finite element calculations on the strength of the propeller under ice load. They also conducted relevant analysis on the dynamic response of the propeller during the impact process. Wu used ABAQUS(2016) finite element software to conduct time–domain response analysis of the shaft system and verified the feasibility of the numerical calculation method for shaft vibration. Wu [9] conducted a sensitivity analysis of the torsional vibration for the main components of the shaft system, such as the stiffness of coupling and the inertia of clutch, to verify the feasibility of the numerical calculation method for shaft vibration. Xiao et al. [10] constructed a mathematical model of complex shaft torsional vibration based on the basic models of straight chain and branched torsional vibration. Murawski et al. [11] introduce the measurement of crankshaft torsional vibration in marine engines under simulated faults. The given test results are from a test cycle conducted on a laboratory bench at the Maritime University of Gdynia, which is equipped with a three-cylinder self-ignition engine to power the generator. The device being developed by Sibryaev et al. [12] will allow for continuous monitoring for the level of torsional vibration. If torsional vibration increases, a signal will be sent to the ship mechanic to switch to another operating mode of the main engine, which will improve the reliability and automation of the ship’s power plant and enhance navigation safety. Kettrakul et al. [13] analyzed the severely fractured transmission shaft after 2 years of use and found that there was reverse bending fatigue, and the fracture of the transmission shaft was clearly a low-stress fatigue fracture. Han et al. [14] verified that high torsional vibration of the propulsion shaft system caused by lateral torsional coupling vibration can lead to fatigue fracture of the shaft. It is necessary to limit this torque through analytical calculations and experimental verification, and estimate the fatigue stability and life cycle of the shaft using the Soderberg method and linear damage accumulation method. Li [15] analyzed the phase effect between diesel engine excitation and ice load excitation and solved the torsional vibration response of the propulsion shaft system under ice load excitation using the Newmark method. DNV-GL Group has developed a software module, Nauticus Machinery(14.4), for fatigue calculation of the propulsion shaft system under ice load. Gao et al. [16] studied collision avoidance decision-making research in coastal waters considering the uncertainty of target ships. Lee et al. [17] presented a fundamental technique for analyzing ice loads in the frequency domain based on data measured at various angles in the ice-water tank experiment. Shen et al. [18] conducted uniaxial unconfined compressive strength tests on river ice in different regions of Heilongjiang Province and, combined with existing research results on river ice compressive strength in China, analyzed the influence of ice temperature and strain rate on compressive strength and provided suggestions for the standard values of river ice compressive strength in various regions of Heilongjiang Province. Based on the FEM calculation of the static strength under two groups of alternating ice loads, Wang et al. [19] analyzed the fatigue performance of a PC2 ice-class propeller under the fatigue criterion of stress–frequency spectrum and the criterion of cumulative fatigue damage, respectively. A feasible calculation method for the fatigue strength of the ice-class propeller is proposed to analyze the effects of propeller skew, rake, hydrofoil profile, and mean stress correction on fatigue performance. Xu et al. [20] introduced the experimental research on ice-propeller milling under different ice materials, propeller size, milling depth, ice moving velocity and propeller rotation speed, which was carried out by use of the ice-propeller milling test platform. The propeller ice load, shadowing effect and ice-propeller action mode were measured and analyzed. Chen et al. [21] simulated the ice cone and rigid body collision test to verify the feasibility of the calculation method. Wu et al. [22] simulated a three-dimensional propeller based on the multiple reference frame and Messinger thermodynamic model to analyze the effect of the anti-icing heat load. At present, a large amount of research studies the fatigue strength of ship structures under ice load, but there is no relevant literature on the fatigue strength of ship shaft systems under ice load.
This article first introduces how to calculate the instantaneous torsional stress of the propulsion shaft system under ice load and then describes the calculation methods of low cycle stress and high cycle stress, as well as how to determine the S–N curve of the shaft system itself, the ice load stress spectrum, and the fatigue cumulative damage ratio. Finally, taking the propulsion shaft system of an inland waterway ship as an example, the research method and corresponding conclusions are explained in detail.

2. Calculation of Instantaneous Torsional Stress of Shaft System Under Ice Load

To calculate free torsional vibration, it is first necessary to establish the motion equation of the torsional vibration system, and the actual ship power plant system is shown in Figure 1. The crank, flange, gearbox, shaft, propeller and other important components in the propulsion system are simplified into related mass points. For ease of calculation, each mass point can be modeled as a moment of inertia J, and the direct connection between two mass points can be modeled as a damping matrix C and a stiffness matrix K.
The methods for studying free vibration of shaft systems include modal analysis, Rayleigh’s method, and the field matrix method. Modal analysis is a method of revealing the vibration characteristics of a shaft system by calculating its natural frequencies and mode shapes. It is based on linear vibration theory and obtains the natural frequency and corresponding vibration mode by solving the characteristic equation of the system. Rayleigh’s method is an analysis method based on the principle of energy conservation, which can be used to solve the natural frequency and dominant mode of a system. The field matrix method is commonly regarded as a chain-like structure composed of multiple units in a system. The interactions between these units can be described by transfer matrices, and the vibration characteristics of the entire system can be further analyzed by solving the system matrices obtained from these transfer matrices.
It uses the field matrix method to solve free vibration of the system, and λ = ωn2, H = J1K, where J is the inertia matrix and K is the stiffness matrix; ωn is the nth order natural frequency of the system. Solving the matrix equation (HλE)A = 0, the eigenvalues obtained from this equation can be used to obtain natural frequencies for each order, and the eigenvector corresponding to each eigenvalue is the relative amplitude of different mass numbers at that natural frequency.
When the ice hits the propeller, it causes significant torsional stress on the shaft system. However, the torsional excitation of ice load is a nonperiodic load, and traditional frequency domain methods cannot be used to solve the dynamic response. It is necessary to study from the time–domain method to calculate the transient response of the shaft system under ice load impact. To shorten the calculation time and improve the calculation accuracy and efficiency, an efficient stepwise integration method can be used for numerical simulation calculations [23]. The present work adopts the Newmark integration method, and the integration format is as follows:
x ¨ n + 1 = 1 β Δ t 2 ( { x } n + 1 { x } n ) 1 β Δ t x ˙ n ( 1 2 β 1 ) x ¨ n
x ˙ n + 1 = γ β Δ t ( { x } n + 1 { x } n ) + ( 1 γ β ) x ˙ n ( 1 γ 2 β ) x ¨ n
[ K ¯ ] = [ K ] + 1 β Δ t 2 [ J ] + γ β Δ t [ C ]
{ f ¯ } n + 1 = { f } n + 1 + [ J ] [ 1 β Δ t 2 { x } n + 1 β Δ t x ˙ n + ( 1 2 β 1 ) x ¨ n ] + [ C ] [ γ β Δ t { x } n + ( γ β 1 ) x ˙ n + ( γ 2 β 1 ) Δ t x ¨ n ]
[ K ¯ ] { x } n + 1 = { f ¯ } n + 1
where β = γ = 0.5 and Δt is not greater than one tenth of the minimum vibration period.
[K] is the stiffness matrix of the system, [J] is the matrix of the system’s moment of inertia, [C] is the damping matrix of the system, and {f}n+1 is the current external torque. By using software programing to solve linear Equation (5), the current displacement value {x}n+1 can be obtained. By inputting the results into Equations (1) and (2), the current velocity x ˙ n + 1 and acceleration x ¨ n + 1 can be calculated, thus completing a one-step calculation [24].
The damping of a low-speed diesel engine propulsion shaft system mainly includes diesel engine damping and propeller damping. Typical propeller damping models include the Archer model and Prodam model; the analysis adopts the Archer damping model [25].
The formula for the damping coefficient of a propeller is as follows [26]:
C p = 9542 a N p N c n e 2 N · m · s / rad
where Np is power absorbed by the propeller at rated speed, ne is rated speed, Nc is propeller speed at critical operating conditions, and a is the coefficient; the specific formula is as follows:
a = 5 A A d · H D H D + 0.5 0.0066 A g + 2 A A d A A d + 1 2 Z p + V
where A A d is the expanded blade area ratio, H D is the pitch ratio, Zp is the number of blades, when Zp = 4, V = 1, and Ag is moment coefficient; the specific formula is as follows:
A g = 33.985 × 10 6 N p n e 3 D 5
where D is propeller diameter.
The loads that cause instantaneous torsional vibration of the shaft system are mainly the diesel engine load and the ice-induced propeller load. The diesel engine load is calculated at the corresponding cylinder mass point based on the ignition interval angle of different cylinders and is compared with the torsional time. The ice-induced propeller load is directly loaded onto the propeller particle, forming an external force matrix for different time periods {f}n. The load formula for diesel engines is as follows [22]:
M = M ν sin ν ω t + φ ν N · m
where M ν = π D 2 R C ν 4 , φv-v is order initial phase angle, and φ ν = arctan a ν b ν .
Using each time period, it calculates the torque values for each order and then sums them up to obtain the torque value for that time period. Comparing the firing angle position for that time period, it assigns the torque value to the corresponding cylinder mass point and improves the external force matrix {f}n.
The formula for designing maximum torque of ice blocks is as follows [27]:
For   D     D limit ,   Q max = 10.9 ( 1 d D ) ( P 0.7 D ) 0.16 ( n D ) 0.17 D 3 k N · m
For   D   >   D limit ,   Q max = 20.7 ( 1 d D ) ( P 0.7 D ) 0.16 ( n D ) 0.17 D 1.9 H i c e 1.1 k N · m
where Dlimit = 1.8Hice, Hice is maximum design ice thickness, d is outer diameter of the propeller hub, P0.7 is pitch at 0.7R of the propeller, and n is rotational propeller speed at MCR in bollard condition; it is 0.85ne when it is driven by diesel engine.
The instantaneous torque formula for the impact of ice load on the propeller is as follows:
φ = 0 α i , Q ( φ ) = C q Q max [ φ ( 180 / α i ) ] k N · m
φ = α i 360 ,   Q ( φ ) = 0 k N · m
where Cq is the ice impact magnification factor, φ is the start of the rotation angle of the first ice impact, and αi is the duration of interaction between propeller blades and ice measured by rotation angle.
The values of Cq and αi are shown in Table 1.
A plot of all excitation cases for different numbers of blades is given in Figure 2 and Figure 3.

3. Low Cycle Stress Calculation

When there is no ice load and cycles are fewer than 104, the maximum stress τmax of the shaft system needs to meet [28]:
τ max σ y 2 S L K L
where σy is material yield strength, SL is low cycle safety factor, which is 1.25, KL is the low cycle impact coefficient; it is calculated according to Formula (13).
K L = 1 + ( α t 1 ) σ y 900 + 10 4 ( σ B 200 ) l g R y
where αt is the stress concentration factor, which is calculated according to Formula (14), σB is tensile strength, and Ry is surface roughness of shaft.
α t = 1 + 1 6.8 r D d + 38 r d ( 1 + 2 r d ) 2 + 4 d D ( r D d ) 2
where r is transition arc radius, D is flange diameter, and d is shaft diameter.
The maximum stress τmax of the shaft system is calculated by Formula (15):
τ max = τ 0 K A M P a
where τ0 is nominal torsional stress at rated power, which is calculated according to Formula (16), and KA is the repetitive cycle torque coefficient, which is 1.3.
τ 0 = T 0 W M P a
where T0 is torque at rated power, which is calculated according to Formula (17), and W is shaft section modulus.
T 0 = 9545.45 N e n × 1000 k N · m
where Ne is the rated power of the diesel engine and n is the rated speed of the diesel engine.

4. High Cycle Stress Calculation

When there is no ice load and cycles are more than 3 × 106, the torsional stress τv of the shaft system needs to meet:
τ v τ f 2 1 S Q 2
where τf is high cycle torsional fatigue strength, which is calculated according to Formula (19), and SQ is high cycle safety factor, which is 1.25.
τ f = 0.24 σ y + 42 0.15 τ K H τ M P a
where τ is nominal torsional stress, which is τ0 at rated speed, K is the high cycle impact coefficient, which is calculated according to Formula (20).
K H τ = α t m t + 0.01 r + 3 × 1 0 4 ( σ B 100 ) l g R y
where mt is the high cycle torsional fatigue sensitivity coefficient; it is calculated according to Formula (21).
m t = 1 + ( 60 σ y + 0.05 ) 1 r
where r is the minimum value of the cut radius or shaft radius; when r is greater than 100 mm, it is taken as 100 mm.
Shaft torsional stress τv can be calculated by Formula (22):
τ v = K A n o r m 1 τ 0 M P a
where KAnorm is the repetitive cycle torque coefficient under normal operation, which is 1.2.

5. Determining S–N Curve

For the fatigue strength analysis of shaft systems in navigation ice areas, based on Palmgren–Miner linear cumulative damage theory, a double-slope S–N curve is adopted. Firstly, it is necessary to determine the stress amplitudes of high cycle and low cycle. Low cycle stress amplitude τvLC for 104 cycles is calculated according to Formula (23):
τ v L C = σ y 2 S v L C K L τ M P a
where τ is nominal torsional stress, which is n n 0 2 τ 0 , and n is resonant speed.
High cycle stress amplitude τvHC for 3 × 106 cycles is calculated according to Formula (24):
τ v H C = τ f S Q M P a
where SQ is high cycle safety factor, which is 1.25; for N = 109, it is 1.5.
When the number of cycles N ≤ 3 × 106, the relationship between the number of cycles and stress amplitude is shown in Formula (25) [29]:
N 1 τ vice = α 1 ¯ τ vice m 1
where α 1 ¯ = 3 × 10 6 τ v H C m 1 , m 1 = l g 10 4 / ( 3 × 10 6 ) l g τ vHC / τ v L C .
When the number of cycles N > 3 × 106, the relationship between the number of cycles and stress amplitude is shown in Formula (26):
N 2 τ vice = α 2 ¯ τ vice m 2
where α 2 ¯ = 3 × 10 6 τ vHC m 2 , m 2 = l g 3 × 10 6 / 10 9 l g τ f / 1.5 τ vHC .
Based on the co-ordinate points associated with τvLC and τvHC and using the calculated value of τvice at 109 cycles, a double-slope S–N curve is constructed.

6. Determining Ice Load Stress Spectrum

The horizontal axis of the curve represents the number of cycles in which ice load impacts on the shaft system, and the vertical axis represents the amplitude of torsional stress generated by the shaft system under ice load. The ice load stress spectrum is closely related to the S–N curve of the shaft system itself in the fields of fatigue analysis. Comparing the ice load stress spectrum with the S–N curve of the shaft system itself under the same number of cycles can predict the fatigue life of the shaft system under specific ice load conditions.
Firstly, based on the rules, it calculates the total number of ice impacts on the propeller ZNice, where Z is the number of propeller blades. The number of load cycles Nice for each blade is calculated according to Formula (27) [27]:
N i c e = k 1 k 2 k 3 N class n n
where Nclass is the reference number of impacts per propeller rotational speed for ice classes, which is 2.1 × 106, k1 is the propeller location factor, where k1 = 1 for a propeller located on the centerline, k2 is the submersion factor, which is calculated according to Formula (28), k3 is the propulsion machinery type factor, where k3 = 1 for fixed thrusters, and nn is propeller speed during free operation without ice at rated power.
k 2 = 0.8 f ,     f < 0 0.8 0.4 f ,     0 f 1 0.6 0.2 f ,   1 < f 2.5 0.1 ,     f > 2.5
where f = h 0 H i c e D / 2 1 , h0 is the depth of the propeller centerline measured from LIWL, and D is the diameter of the propeller.
According to cumulative damage theory, the stress amplitude corresponding to the number of ice impacts on the propeller during the entire cycle is calculated by Formula (29):
τ vice = τ vmax ( 1 l g N l g Z N ice )
where τvmax is maximum torsional stress.
Drawing the ice load stress spectrum according to Formula (29).

7. Fatigue Damage Calculation

The cumulative damage ratio CMRD caused by ice load at resonance speed can be calculated by directly integrating from every part of the S–N curve in Palmgren–Miner linear cumulative damage theory according to Formula (30):
C MRD = Z N ice 0 τ vHC f τ vice , τ vmax N 2 τ vice d τ vice + Z N ice τ vHC τ vmax f τ vice , τ vmax N 1 τ vice d τ vice
where f τ vice , τ max = l n Z N ice τ vmax e τ vice l n Z N ice τ vmax , which is the probability density function.

8. Example Calculation

Taking the propulsion shaft system of a real inland waterway vessel as an example, the equivalent parameters for a propulsion shaft are shown in Table 2.
Diesel engine parameters are shown in Table 3.
Propeller parameters are shown in Table 4.
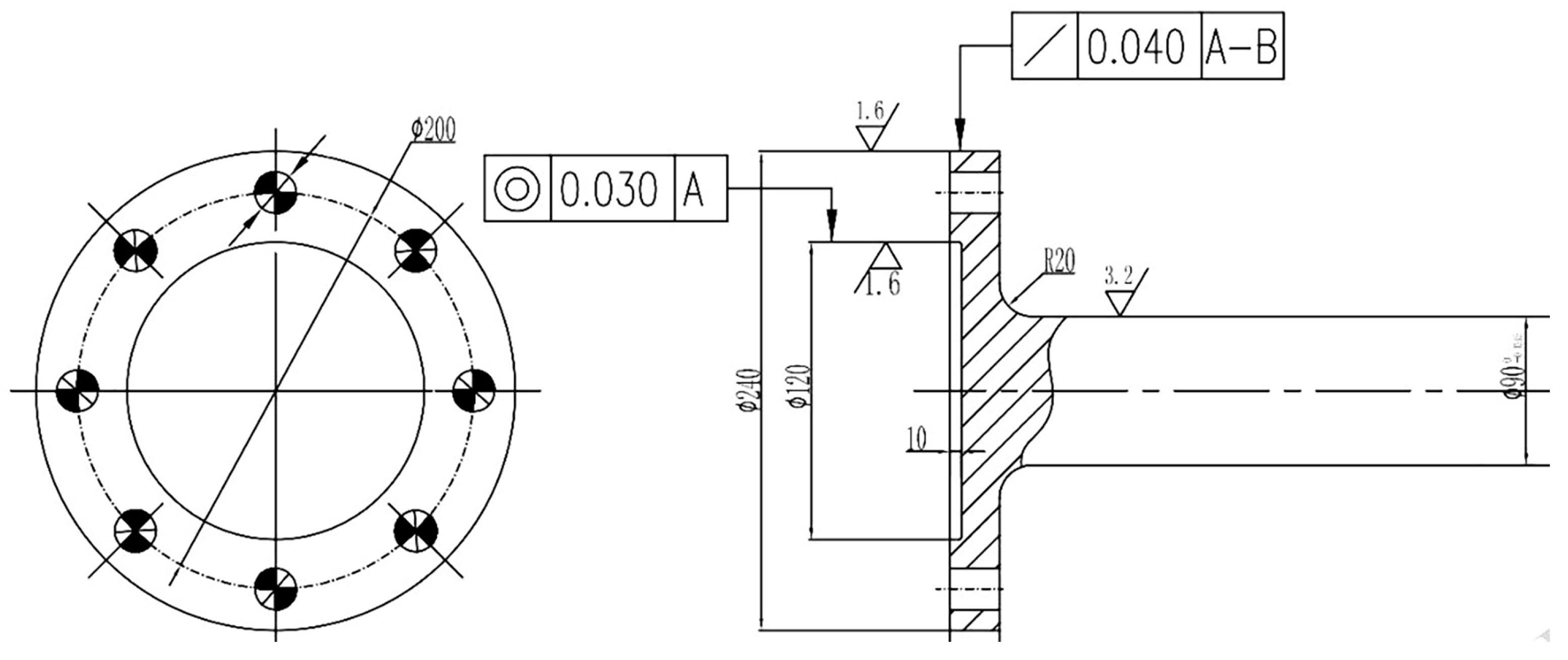
No.18 intermediate shaft in the system is taken as the research object, its tensile strength σb = 480 MPa and yield strength σy = 240 MPa. The dimensions of No.18 intermediate shaft are shown in Figure 4.
Firstly, using the field matrix method to calculate the natural frequency of the system’s free torsional vibration. The first five natural frequencies calculated by the field matrix method and the Holtz table method are shown in Table 5. After comparison, it is found that the first five natural frequences calculated by the two methods are almost identical.
The low cycle stress and high cycle stress are only related to the characteristics of the shaft system itself. According to the dimension and material properties of No.18 intermediate shaft, the maximum stress of the low cycle and high cycle is calculated as shown in Table 6.
The first-order natural frequency resonance speed nc = 1393.8 r/min is taken as research object. Firstly, the maximum torsional stress of the shaft system under cases 1, 2, and 4 are calculated when the maximum design ice thickness Hice = 0.5 m [30]. After programing calculations, the displacement of No.18 intermediate shaft under various cases during the 360° rotation of the propeller and contact with ice is shown in Figure 5.
The velocity of No.18 intermediate shaft under various cases during the 360° rotation of the propeller and contact with ice is shown in Figure 6.
The acceleration of No.18 intermediate shaft under various cases during the 360° rotation of the propeller and contact with ice is shown in Figure 7.
Based on the displacement of adjacent mass points on the No.18 intermediate shaft and the dimensions of the shaft, the torsional stress during contact between the propeller rotating 360° and the ice block is calculated, as shown in Figure 8.
The maximum torsional stress values of the shaft system under three cases are shown in Table 7.
Due to the fact that the S–N curve is a characteristic of the shaft system itself, the S–N curves for the three cases are the same. It is shown in Figure 9.
The drawing of ice load stress spectrum based on the maximum torsional stress of the shaft system under three cases is shown in Figure 10.
Finally, based on the linear cumulative damage theory, the cumulative damage ratio of three cases is calculated as shown in Table 8.
When the maximum design ice thickness is Hice = 0.5 m, by comparing the three cases, it is found that:
(1)
The maximum torsional stress of shaft system after ice contact with the propeller far exceeds the low cycle stress and high cycle stress but does not exceed the allowable value;
(2)
The maximum torsional stress and cumulative damage ratio of the shaft system increase with the increase in contact time between the ice block and propeller;
(3)
The stress amplitude in the ice load stress spectrum under the same number of cycles is much smaller than that in the S–N curve of the shaft system itself, and the cumulative damage ratio is much smaller than 1.
Taking case 1 as the research object, it calculates the maximum torsional stress of the shaft system when the maximum design ice thickness Hice is 0.5 m, 0.8 m, and 1.0 m, respectively. After programing calculations, the displacement of No.18 intermediate shaft under different maximum design ice thicknesses is shown in Figure 11.
The velocity of No.18 intermediate shaft under different maximum design ice thicknesses is shown in Figure 12.
The acceleration of No.18 intermediate shaft under different maximum design ice thicknesses is shown in Figure 13.
The torsional stress is shown in Figure 14.
The maximum torsional stress of the shaft system under three maximum design ice thicknesses is shown in Table 9.
The drawing of ice load stress spectrum based on the maximum torsional stress of shaft system under three maximum design ice thicknesses is shown in Figure 15.
According to the linear cumulative damage theory, the cumulative damage ratio of three maximum design ice thicknesses is calculated as shown in Table 10.
Under case 1, by comparing the calculation of three maximum design ice thicknesses, it is found that:
(1)
The maximum torsional stress and cumulative damage ratio of the shaft system increase with the increase in the maximum design ice thickness.
(2)
When Hice = 0.8 m and Hice = 1.0 m, the maximum torsional stress curves of the shaft system under the two maximum design ice thicknesses completely overlap. According to Formula (10), when the maximum design ice thickness exceeds a certain value, the maximum torque of the designed ice block is only related to the properties of propeller itself and is independent of the maximum design ice thickness.
(3)
When Hice = 0.8 m and Hice = 1.0 m, the linear cumulative damage ratio is almost the same. According to Formula (28), when the maximum design ice thickness exceeds a certain value, only the submersion factor k2 changes, while the other coefficients remain completely consistent.
(4)
The stress amplitude in the ice load stress spectrum under the same number of cycles is much smaller than that in the S–N curve of the shaft system itself, and the cumulative damage ratio is much smaller than 1.

9. Discussion

This study on the fatigue characteristics of instantaneous torsional stress in the shaft system of inland waterway ships after ice collision with propellers has profound implications for future scientific investigations. It not only reveals the performance changes of ships in extreme environments but also provides new perspectives and approaches for future research directions.
The impact on future scientific investigations:
Improving ship safety: By conducting in-depth research on the instantaneous torsional stress fatigue characteristics of the shaft system after ice collision with propellers, the safety of ships navigating in ice areas can be more accurately evaluated. This helps prevent ship accidents caused by shaft fatigue and ensures the safety of crew and cargo.
Optimizing ship design: Studying the impact of ice impact on the shaft system can help engineers optimize ship design, especially in terms of propellers and shaft systems. By improving materials and structures, the damage to the shaft system caused by ice impact can be reduced and the durability and reliability of the ship can be improved.
The impact on future research directions:
Expanding research on shaft fatigue: Shaft fatigue is one of the important issues for the safety of ship structures. Through this study, the research field of shaft fatigue can be further expanded, such as the fatigue characteristics of shaft materials and the optimization design of shaft structures.
Promoting interdisciplinary collaboration: This research involves multiple disciplines such as mechanics, materials science, and ship engineering. It will promote cross disciplinary integration between these disciplines and drive the development of interdisciplinary research.
This study on the fatigue characteristics of instantaneous torsional stress in the shaft system of inland waterway ships after ice collision with propellers has opened up a new avenue for scientific investigation. It not only provides new research perspectives and methods but also promotes the development of related technologies and advances in interdisciplinary research. This will help to gain a deeper understanding of the performance changes of ships in extreme environments, providing strong support for future ship design and safety assessments.
There are currently a large number of other scholars studying the maximum torsional stress of the shaft system itself, as well as the instantaneous maximum torsional stress caused by ice loads, but there is little research on the fatigue characteristics under this torsional stress. This article makes up for the research in this field.

10. Conclusions

This research takes the propulsion shaft system of a real inland waterway vessel as an example to study the natural frequency of free torsional vibration of the system. The maximum torsional stress of the intermediate shaft under ice load at resonance speed is calculated using Newmark integration and programing. Based on the maximum torsional stress and fatigue strength analysis theory, the fatigue strength of the intermediate shaft is evaluated, and the following conclusions are obtained:
(1)
The low cycle stress and high cycle stress of the shaft system itself are much lower than the allowable stress.
(2)
The maximum torsional stress of the shaft system after ice contact with the propeller far exceeds the low cycle stress and high cycle stress, but does not exceed the allowable value.
(3)
The maximum torsional stress and cumulative damage of the shaft system increase with the increase in contact time between the ice block and the propeller.
(4)
The maximum torsional stress and cumulative damage of the shaft system increase with the increase in the maximum design ice thickness. When the maximum design ice thickness reaches a certain value Hice = 0.8 m, the maximum torsional stress and cumulative damage of the shaft system remain almost unchanged.
(5)
The stress amplitude in the ice load stress spectrum under the same number of cycles is much smaller than that in the S–N curve of the shaft system itself, and the cumulative damage ratio is much smaller than 1.
Due to the ice load excitation, the maximum torsional stress of the shaft system increases and the fatigue strength decreases; it is recommended to choose the propeller dimension reasonably based on the maximum design ice thickness of the navigation area to improve the fatigue characteristics of the shaft system. At the same time, ships sailing in ice areas should avoid resonance speed.

Author Contributions

Conceptualization, K.Y. and G.F.; methodology, K.Y.; software, K.Y.; validation, K.Y.; investigation, K.Y.; data curation, K.Y.; writing—original draft preparation, K.Y.; writing—review and editing, K.Y.; visualization, K.Y.; supervision, G.F.; project administration, K.Y.; funding acquisition, G.F. All authors have read and agreed to the published version of the manuscript.

Funding

This research was funded by National Natural Science Foundation of China (Grant No. 52171301).

Institutional Review Board Statement

Not applicable.

Informed Consent Statement

Not applicable.

Data Availability Statement

The data presented in this study are available on request from the corresponding author. The data are not publicly available due to privacy concerns.

Conflicts of Interest

The authors declare no conflicts of interest.

References

  1. China Classification Society. Rules for Construction of Inland Waterway Steel Ships; People’s Communications Publishing House Co., Ltd.: Beijing, China, 2016. [Google Scholar]
  2. Yang, H.; Che, C.; Zhang, J. Transient torsional vibration analysis for ice impact of ship propulsion shaft. J. Ship Mech. 2015, 19, 177. [Google Scholar] [CrossRef]
  3. Yang, H. Research on Multi-Axial Fatigue Evaluation Method of Polar Ships Under Ice Load. Master’s Thesis, Dalian University of Technology, Dalian, China, 2022. [Google Scholar]
  4. Chen, B. The Fatigue Life Analysis of Marine Helical Gear Based on Transient Dynamics. Master’s Thesis, Wuhan University of Technology, Wuhan, China, 2017. [Google Scholar]
  5. Wu, L.; Dong, L.; Xu, W. 3D modeling of ship propeller based on MATLAB and ProE. J. Dalian Marit. Univ. 2011, 37, 17–20. [Google Scholar]
  6. Sun, N.; Yan, C.; Zhang, T. Modeling Method of Propeller Blade Surface Based on Pro/E. Mech. Eng. 2010, 7, 61–62. [Google Scholar] [CrossRef]
  7. Qian, W.; Wu, C.; Leng, W. Research on automatic geometric modeling and meshing for marine propellers. Ship Sci. Technol. 2011, 33, 39–43. [Google Scholar] [CrossRef]
  8. Hu, Z. Static Analysis of Propeller Under Ice Loads and Dynamic Response of the Collision Between Ice and Blade. Master’s Thesis, Harbin Institute of Technology, Harbin, China, 2014. [Google Scholar]
  9. Wu, X. Analysis of Torsional Vibration of Propulsion Shafting under Ice Load Impact. SHIP$BOAT 2020, 31, 60. [Google Scholar] [CrossRef]
  10. Xiao, Q.; Chen, B.; Xu, X. Transient vibration calculation of ship propulsion shafting based on ice load dynamic excitation. J. Ship Mech. 2020, 24, 390. [Google Scholar]
  11. Murawski, L.; Dereszewski, M. Theoretical and practical backgrounds of monitoring system of ship power transmission systems’ torsional vibration. J. Mar. Sci. Technol. 2020, 25, 272–284. [Google Scholar] [CrossRef]
  12. Sibryaev, K.; Gorbachev, M.; Ibadullaev, A. Developing Information Processing Unit Used in Software and Hardware Complex Monitoring Ship Shaft Line Torsional Vibrations. Vestn. Astrakhan State Tech. Univ. 2021, 1, 22–28. [Google Scholar] [CrossRef]
  13. Kettrakul, P.; Promdirek, P. Failure analysis of propeller shaft used in the propulsion system of a fishing boat. Mater. Today Proc. 2018, 5, 9624–9629. [Google Scholar] [CrossRef]
  14. Han, H.; Lee, K. Experimental verification for lateral-torsional coupled vibration of the propulsion shaft system in a ship. Eng. Fail. Anal. 2019, 104, 758–771. [Google Scholar] [CrossRef]
  15. Li, J. The Analysis and Research About Torsional Vibration on Marine Propulsion Shafting of Ship Navigation in Ice. Master’s Thesis, Wuhan University of Technology, Wuhan, China, 2016. [Google Scholar]
  16. Gao, J.; Zhang, Y. Ship collision avoidance decision-making research in coastal waters considering uncertainty of target ships. Brodogradnja 2024, 75, 75203. [Google Scholar] [CrossRef]
  17. Lee, S.; Jung, K.; Ku, N.; Lee, J. A comparison of regression models for the ice loads measured during the ice tank test. Brodogradnja 2023, 74, 1–15. [Google Scholar] [CrossRef]
  18. Shen, S.; Yao, S.; Guo, H.; Zhang, B.; Yu, T. Study on the standard value of compressive strength of inland river ice flow. Low Temp. Archit. Technol. 2015, 9, 20–22. [Google Scholar] [CrossRef]
  19. Wang, J.; Zhou, M.; Ding, J.; Sun, H.; Wang, J. Investigation of Fatigue Strength of High Polar-class Propeller. Shipbuild. China 2024, 65, 1–14. [Google Scholar]
  20. Xu, P.; Wang, C.; Guo, C.; Yang, B.; Su, Y. Experimental study on milling state of unfrozen model ice-propellers. J. Ship Mech. 2023, 27, 81–96. [Google Scholar]
  21. Chen, P.; Guan, Y.; Yu, Q.; Wang, G.; Ma, G. Numerical simulation and analysis of propeller load of ships sailing in broken ice area. Ship Sci. Technol. 2023, 45, 15–19. [Google Scholar] [CrossRef]
  22. Wu, Z.; Yi, X.; Xiong, H.; Zhou, Z.; Tian, X. Study on Anti-icing Heat Load Distribution for a Three-Dimensional Propeller. Trans. Nanjing Univ. Aeronaut. Astronaut. 2023, 40, 688–702. [Google Scholar] [CrossRef]
  23. Liao, P. Research and Software Development About Transient Torsional Vibration on Typical Propulsion Shafting of Ice Ship. Master’s Thesis, Wuhan University of Technology, Wuhan, China, 2018. [Google Scholar]
  24. Yang, H. Torsional Vibration Calculation and Analysis for Ice Class Ship. Master’s Thesis, Shanghai Jiaotong University, Shanghai, China, 2015. [Google Scholar]
  25. Liao, P.; Zhou, R.; Li, J. Research on Calculation of Transient Torsional Vibration of Diesel Engine Propulsion Shafting in Ice-class Vessel. Shipbuild. China 2018, 59, 118. [Google Scholar]
  26. Wang, Q. Torsional Vibration of Engine Crankshaft; Dalian University of Technology Press: Dalian, China, 1991. [Google Scholar]
  27. China Classification Society. Rules for Classification of Sea-Going Steel Ships; People’s Communications Publishing House Co., Ltd.: Beijing, China, 2024. [Google Scholar]
  28. DET NORSKE VERITAS. Calculation of Shafts in Marine Applications; DET NORSKE VERITAS: Bærum, Norway, 2021. [Google Scholar]
  29. DET NORSKE VERITAS. Ice Strengthening of Propulsion Machinery and Hull Appendages; DET NORSKE VERITAS: Bærum, Norway, 2021. [Google Scholar]
  30. Liu, Y. Research on the Bow Type of the Inland-River Icebreaker. Master’s Thesis, Harbin Engineering University, Harbin, China, 2010. [Google Scholar]
Figure 1. Actual ship power plant system.
Figure 1. Actual ship power plant system.
Jmse 13 00131 g001
Figure 2. The shape of the propeller ice torque excitation sequences for propellers with 3 blades.
Figure 2. The shape of the propeller ice torque excitation sequences for propellers with 3 blades.
Jmse 13 00131 g002
Figure 3. The shape of the propeller ice torque excitation sequences for propellers with 4 blades.
Figure 3. The shape of the propeller ice torque excitation sequences for propellers with 4 blades.
Jmse 13 00131 g003
Figure 4. Dimensions of No.18 intermediate shaft.
Figure 4. Dimensions of No.18 intermediate shaft.
Jmse 13 00131 g004
Figure 5. Displacement of No.18 intermediate shaft under three cases.
Figure 5. Displacement of No.18 intermediate shaft under three cases.
Jmse 13 00131 g005
Figure 6. Velocity of No.18 intermediate shaft under three cases.
Figure 6. Velocity of No.18 intermediate shaft under three cases.
Jmse 13 00131 g006
Figure 7. Acceleration of No.18 intermediate shaft under three cases.
Figure 7. Acceleration of No.18 intermediate shaft under three cases.
Jmse 13 00131 g007
Figure 8. Torsional stress of No.18 intermediate shaft under three cases.
Figure 8. Torsional stress of No.18 intermediate shaft under three cases.
Jmse 13 00131 g008
Figure 9. S–N curve of No.18 intermediate shaft.
Figure 9. S–N curve of No.18 intermediate shaft.
Jmse 13 00131 g009
Figure 10. Ice load stress spectrum under three cases.
Figure 10. Ice load stress spectrum under three cases.
Jmse 13 00131 g010
Figure 11. Displacement of No.18 intermediate shaft under three maximum design ice thicknesses.
Figure 11. Displacement of No.18 intermediate shaft under three maximum design ice thicknesses.
Jmse 13 00131 g011
Figure 12. Velocity of No.18 intermediate shaft under three maximum design ice thicknesses.
Figure 12. Velocity of No.18 intermediate shaft under three maximum design ice thicknesses.
Jmse 13 00131 g012
Figure 13. Acceleration of No.18 intermediate shaft under three maximum design ice thicknesses.
Figure 13. Acceleration of No.18 intermediate shaft under three maximum design ice thicknesses.
Jmse 13 00131 g013
Figure 14. Torsional stress of No.18 intermediate shaft under three maximum design ice thicknesses.
Figure 14. Torsional stress of No.18 intermediate shaft under three maximum design ice thicknesses.
Jmse 13 00131 g014
Figure 15. Ice load stress spectrum under three maximum design ice thicknesses.
Figure 15. Ice load stress spectrum under three maximum design ice thicknesses.
Jmse 13 00131 g015
Table 1. Values of Cq and αi.
Table 1. Values of Cq and αi.
Torque ExcitationPropeller/Ice InteractionCqα (°)
Z = 3Z = 4Z = 5Z = 6
Case 1Single ice block0.7590909072
Case 2Single ice block1.0135135135135
Case 3Two ice blocks (phase shift 360°/2/Z)0.545453630
Case 4Single ice block0.245453630
Table 2. The equivalent parameters for propulsion shaft.
Table 2. The equivalent parameters for propulsion shaft.
Unit NumberUnit NameRotational Inertia (kg·m2)Torsional Rigidity (N·m/rad)
1Damper0.0775516,100
2Transmission gear system0.000340,329,996
3Cylinder.10.11602,703,000
4Cylinder.20.12822,703,000
5Cylinder.30.12822,703,000
6Cylinder.40.12822,703,000
7Cylinder.50.12822,703,000
8Cylinder.60.127240,329,996
9Crankshaft output flange0.003427,189,998
10Fly.1.603051,200
11Flexible coupling0.3510452,000
12Gear10.201011,799,750,000
13Gear20.340011,799,750
14Gear30.040011,799,750,000
15Gear40.154011,799,750
16Gear50.040011,799,750,000
17Gear60.1473528,900
18Intermediate shaft0.018870,600
19Tail coupling0.060313,800
20Prop.0.5100
Table 3. Diesel engine parameters.
Table 3. Diesel engine parameters.
No. of StrokesNo. of CylindersCylinder Diameter (mm)Crank Radius (mm)Link Length (mm)Rated Power (kW)Rated Speed (r/min)Mechanical EfficiencyFiring Angle (°)
461267825322018000.890-480-240-600-120-360
Table 4. Propeller parameters.
Table 4. Propeller parameters.
Diameter (m)Pitch (m)Outer Diameter of Propeller Hub (m)Design Speed of Propeller (r/min)Expanded Blade Area RatioPitch RatioTrim Angle (°)Number of Blades
1.00.9650.18714.290.70.965104
Table 5. Comparison of calculation results between field matrix and Holtz table.
Table 5. Comparison of calculation results between field matrix and Holtz table.
OrderField Matrix Method (Hz)Holtz Table Method (Hz)
123.2423.23
240.7240.69
3179.26179.52
4210.59210.48
5424.81424.59
Table 6. Maximum stress of low cycle and high cycle.
Table 6. Maximum stress of low cycle and high cycle.
Calculated Value (MPa)Allowable Value (MPa)
Maximum stress in low cycle10.6089.21
Maximum stress in high cycle1.6363.37
Table 7. Maximum torsional stress of shaft system under three cases.
Table 7. Maximum torsional stress of shaft system under three cases.
Case 1 (MPa)Case 2 (MPa)Case 4 (MPa)
27.6140.0416.64
Table 8. Cumulative damage ratio under three cases.
Table 8. Cumulative damage ratio under three cases.
Case 1 (MPa)Case 2 (MPa)Case 4 (MPa)
7.33 × 10−163 × 10−114.93 × 10−23
Table 9. Maximum torsional stress of shaft system under three maximum design ice thicknesses.
Table 9. Maximum torsional stress of shaft system under three maximum design ice thicknesses.
Hice = 0.5 m (MPa)Hice = 0.8 m (MPa)Hice = 1.0 m (MPa)
27.6131.6731.67
Table 10. Cumulative damage ratio under three maximum design ice thicknesses.
Table 10. Cumulative damage ratio under three maximum design ice thicknesses.
Hice = 0.5 mHice = 0.8 mHice = 1.0 m
7.33 × 10−163.78 × 10−143.4 × 10−14
Disclaimer/Publisher’s Note: The statements, opinions and data contained in all publications are solely those of the individual author(s) and contributor(s) and not of MDPI and/or the editor(s). MDPI and/or the editor(s) disclaim responsibility for any injury to people or property resulting from any ideas, methods, instructions or products referred to in the content.

Share and Cite

MDPI and ACS Style

Yang, K.; Feng, G. Fatigue Analysis for Shaft of Inland River Ship Under Ice Load. J. Mar. Sci. Eng. 2025, 13, 131. https://doi.org/10.3390/jmse13010131

AMA Style

Yang K, Feng G. Fatigue Analysis for Shaft of Inland River Ship Under Ice Load. Journal of Marine Science and Engineering. 2025; 13(1):131. https://doi.org/10.3390/jmse13010131

Chicago/Turabian Style

Yang, Kai, and Guoqing Feng. 2025. "Fatigue Analysis for Shaft of Inland River Ship Under Ice Load" Journal of Marine Science and Engineering 13, no. 1: 131. https://doi.org/10.3390/jmse13010131

APA Style

Yang, K., & Feng, G. (2025). Fatigue Analysis for Shaft of Inland River Ship Under Ice Load. Journal of Marine Science and Engineering, 13(1), 131. https://doi.org/10.3390/jmse13010131

Note that from the first issue of 2016, this journal uses article numbers instead of page numbers. See further details here.

Article Metrics

Back to TopTop