FPID-RCP: A Control Method for a Swing-Type Wave Compensation Platform System
Abstract
1. Introduction
2. Structural Analysis
2.1. Structural Description
2.2. Degree of Freedom Calculation
2.3. Kinematic Analysis
2.4. Kinematics Simulation Analysis
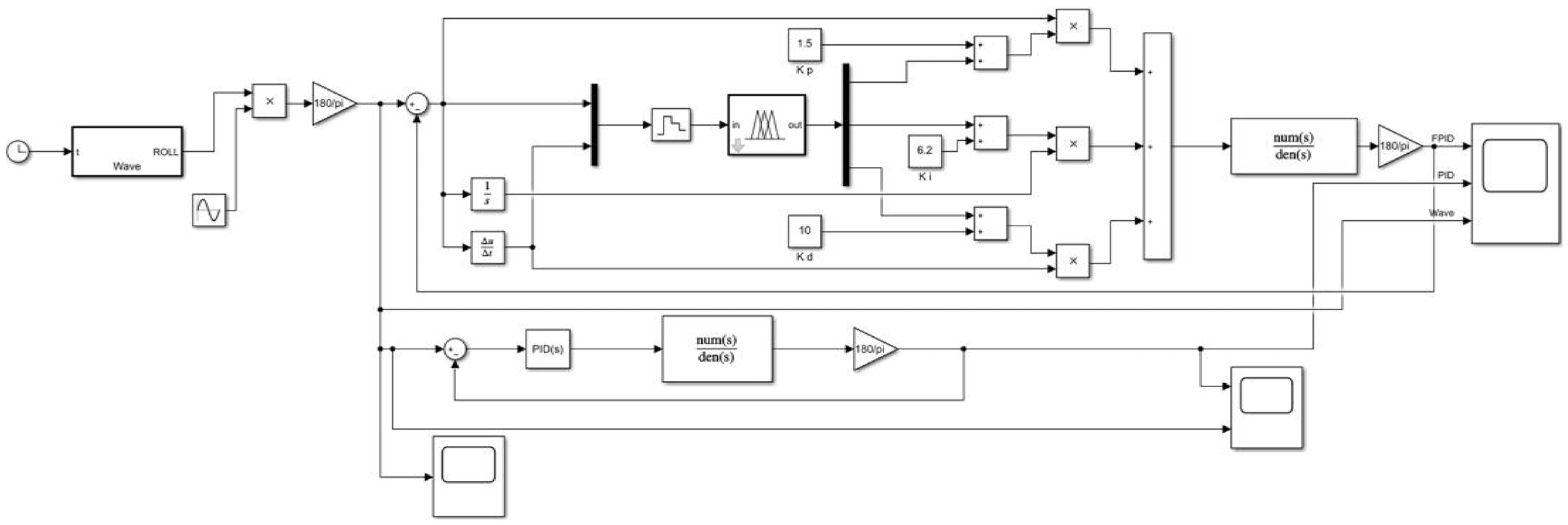
3. Control System Design
3.1. Controller Design
3.2. Fuzzy PID Controller
4. Simulation Results and Analysis
5. Conclusions
Author Contributions
Funding
Institutional Review Board Statement
Informed Consent Statement
Data Availability Statement
Acknowledgments
Conflicts of Interest
References
- Bo, H.; Yuan, J.; Wei, Y.; Yundou, X.; Jiantao, Y.; Yongsheng, Z. Kinematics characteristics analysis of a 3-UPS/S parallel airborne stabilized platform. Aerosp. Sci. Technol. 2023, 134, 108163. [Google Scholar]
- Chao, L.; Weipeng, L.; Hai, H.; Zhuokun, W. Decoupling design and control of a spaceborne ultra–stable platform for vibration isolation and precise steering. Sound Vib. 2023, 553, 117668. [Google Scholar]
- Gang, T.; Jinman, L.; Furong, L.; Weidong, Z.; Xiuzhong, X.; Baoheng, Y.; Christophe, C.; Xiong, H. A modified 6-DOF hybrid serial–parallel platform for ship wave compensation. Ocean Eng. 2023, 280, 114336. [Google Scholar]
- Tossaporn, U.; Sakda, C.; Siwat, L.; Teeranoot, C. Kinematics of platform stabilization using a 3-PRS parallel manipulator. Robomech J. 2023, 10, 8. [Google Scholar]
- Lu, G.C. Analysis of Kinematics and Dynamics of 3UPU/PU Parallel Platform Used in Automatic Wave Compensation. Adv. Mater. Res. 2014, 3593, 1061–1066. [Google Scholar] [CrossRef]
- Zhao, Y.; Yu, H.; Zhang, J.; Yang, J.; Zhao, T. Kinematics, dynamics and control of a stabilized platform with a 6-rus parallel mechanism. Int. J. Robot. Autom. 2017, 32, 283–290. [Google Scholar]
- Xu, M.; Tian, W.; Zhang, X. Kinematic Calibration for the 3-U P S/S Shipborne Stabilized Platform Based on Transfer Learning. Mar. Sci. Eng. 2024, 12, 275. [Google Scholar] [CrossRef]
- Song, J.P.; Zhou, D.; Sun, G.L.; Qi, Z.H. Robust control with compensation of adaptive model for dual-stage inertially stabilized platform. Cent. South Univ. 2018, 25, 2615–2625. [Google Scholar] [CrossRef]
- Lin, E.; Xu, J.; Wu, M.; He, H. Design of the LADRC control system for gravimetric stabilisation platforms. Phys. Conf. Ser. 2021, 2113, 012018. [Google Scholar]
- Fu, T.; Guan, L.; Gao, Y.; Qin, C. An Anti-Windup Method Based on an LADRC for Miniaturized Inertial Stabilized Platforms on Unmanned Vehicles in Marine Applications. Mar. Sci. Eng. 2024, 12, 616. [Google Scholar] [CrossRef]
- Mei, D.; Yu, Z.Q. Disturbance rejection control of airborne radar stabilized platform based on active disturbance rejection control inverse estimation algorithm. Assem. Autom. 2021, 41, 525–535. [Google Scholar] [CrossRef]
- Valerii, A.; Anatoly, T.; Olha, S. Design of Composite Feedback and Feedforward Control Law for Aircraft Inertially Stabilized Platforms. Int. J. Aerosp. Eng. 2020, 2020, 8853928. [Google Scholar]
- Lei, X.; Fu, F.; Wang, R. A High-Performance Compound Control Method for a Three-Axis Inertially Stabilized Platform under Multiple Disturbances. Symmetry 2022, 14, 1848. [Google Scholar] [CrossRef]
- Chen, W.; Wang, S.; Li, J.; Lin, C.; Yang, Y.; Ren, A.; Li, W.; Zhao, X.; Zhang, W.; Guo, W.; et al. An ADRC-based triple-loop control strategy of ship-mounted Stewart platform for six-DOF wave compensation. Mech. Mach. Theory 2023, 184, 105289. [Google Scholar]
- Wen, Y.; Li, W.; Zhou, S.; Gao, F.; Chen, W. Robust sliding mode control with adaptive gravity estimation of ship-borne Stewart platform for wave compensation. Appl. Ocean. Res. 2024, 148, 104004. [Google Scholar] [CrossRef]
- Feng, W.; Zhang, X. Controller Design for Three-Axis Stabilized Platform Using Adaptive Global Fast Terminal Sliding Mode Control with Non-Linear Differentiator. Energies 2021, 14, 6532. [Google Scholar] [CrossRef]
- Chen, X.; Bian, H.; He, H.; Li, F. An Improved Differential Evolution Adaptive Fuzzy PID Control Method for Gravity Measurement Stable Platform. Sensors 2023, 23, 3172. [Google Scholar] [CrossRef]
- Zhou, Z.; Zhang, B.; Mao, D. MIMO Fuzzy Sliding Mode Control for Three-Axis Inertially Stabilized Platform. Sensors 2019, 19, 1658. [Google Scholar] [CrossRef]
- Wang, J.; Xu, L.; Fan, Y.; Liu, X.; Tian, Z.; Wang, X.; Cheng, Y. A method for compensating platform attitude fluctuation for helicopter-borne LiDAR: Performance and effectiveness. Measurement 2018, 125, 37–47. [Google Scholar] [CrossRef]
- Chen, W.; Yu, W.; Tong, X.; Lin, C.; Li, J.; Wang, S.; Xie, W.; Mao, L.; Chao, Z.X.; Zhang, W.; et al. Dynamics modeling and modal space control strategy of ship-borne Stewart platform for wave compensation. J. Mech. Robot. 2023, 15, 041015. [Google Scholar]
- Zhan, Y.; Tian, H.; Xu, J.; Wu, S.; Fu, J. A Novel Three-SPR Parallel Platform for Vessel Wave Compensation. J. Mar. Sci. Eng. 2020, 8, 1013. [Google Scholar] [CrossRef]
- Cai, Y.; Zheng, S.; Liu, W.; Qu, Z.; Zhu, J.; Han, J. Sliding-mode control of ship-mounted Stewart platforms for wave compensation using velocity feedforward. Ocean Eng. 2021, 236, 109477. [Google Scholar]
- Cai, Y.; Zheng, S.; Liu, W.; Qu, Z.; Han, J. Model Analysis and Modified Control Method of Ship-Mounted Stewart Platforms for Wave Compensation. IEEE Access 2021, 9, 4505–4517. [Google Scholar]
















| Kinematic Pair | X-Axis Movement | Y-Axis Movement | Z-Axis Movement | X-Axis Rotation | Y-Axis Rotation | Z-Axis Rotation | Number of Degrees of Freedom | 
|---|---|---|---|---|---|---|---|
| Fixed pair | × | × | × | × | × | × | 0 | 
| Revolving pair | × | × | × | × | × | √ | 1 | 
| Translating pair | × | × | √ | × | × | × | 1 | 
| Cylindrical pair | × | × | √ | × | × | √ | 2 | 
| Ball joint pair | × | × | × | √ | √ | √ | 3 | 
| Hooke joint | × | × | × | √ | √ | × | 2 | 
| Plane pair | √ | √ | × | × | × | √ | 3 | 
| Point-line pair | × | × | √ | √ | √ | √ | 4 | 
| Line-line pair | × | × | √ | √ | √ | √ | 4 | 
| Directional pair | √ | √ | √ | × | × | × | 3 | 
| Point-line pair | × | × | √ | √ | √ | √ | 4 | 
| Parallel pair | √ | √ | √ | × | × | √ | 4 | 
| Point-plane pair | √ | √ | × | √ | √ | √ | 5 | 
| Vertical pair | √ | √ | √ | √ | √ | × | 5 | 
| Where "×" indicates that the degree of freedom is constrained, and "√" indicates that the degree of freedom is not constrained. | |||||||
| ΔKp | Ec | |||||||
|---|---|---|---|---|---|---|---|---|
| NB | NM | NS | Z | PS | PM | PB | ||
| E | NB | PB | PB | PM | PM | PS | Z | Z | 
| NM | PB | PB | PM | PS | PS | Z | NS | |
| NS | PM | PM | PM | PS | Z | NS | NS | |
| Z | PM | PM | PS | Z | NS | NM | NM | |
| PS | PS | PS | Z | NS | NS | NM | NM | |
| PM | PS | Z | NS | NM | NM | NM | NB | |
| PB | Z | Z | NM | NM | NM | NB | NB | |
| ΔKi | Ec | |||||||
|---|---|---|---|---|---|---|---|---|
| NB | NM | NS | Z | PS | PM | PB | ||
| E | NB | NB | NB | NM | NM | NS | Z | Z | 
| NM | NB | NM | NS | NS | Z | PS | PS | |
| NS | NM | NM | NS | Z | PS | PM | PM | |
| Z | NM | NS | Z | PS | PS | PM | PB | |
| PS | Z | Z | PS | PS | PM | PB | PB | |
| PM | Z | Z | PS | PM | PM | PB | PB | |
| PB | NB | NB | NM | NM | NS | Z | Z | |
| ΔKd | Ec | |||||||
|---|---|---|---|---|---|---|---|---|
| NB | NM | NS | Z | PS | PM | PB | ||
| E | NB | PS | NS | NB | NB | NB | NM | PS | 
| NM | Z | NS | NM | NM | NS | NS | Z | |
| NS | Z | NS | NS | NS | NS | NS | Z | |
| Z | Z | Z | Z | Z | Z | Z | Z | |
| PS | PB | NS | PS | PS | PS | PS | PB | |
| PM | PB | PM | PM | PM | PS | PS | PB | |
| PB | PS | NS | NB | NB | NB | NM | PS | |
| Disclaimer/Publisher’s Note: The statements, opinions and data contained in all publications are solely those of the individual author(s) and contributor(s) and not of MDPI and/or the editor(s). MDPI and/or the editor(s) disclaim responsibility for any injury to people or property resulting from any ideas, methods, instructions or products referred to in the content. | 
© 2024 by the authors. Licensee MDPI, Basel, Switzerland. This article is an open access article distributed under the terms and conditions of the Creative Commons Attribution (CC BY) license (https://creativecommons.org/licenses/by/4.0/).
Share and Cite
Tang, G.; Zhang, H.; Hu, Y.; Zhou, P. FPID-RCP: A Control Method for a Swing-Type Wave Compensation Platform System. J. Mar. Sci. Eng. 2024, 12, 1376. https://doi.org/10.3390/jmse12081376
Tang G, Zhang H, Hu Y, Zhou P. FPID-RCP: A Control Method for a Swing-Type Wave Compensation Platform System. Journal of Marine Science and Engineering. 2024; 12(8):1376. https://doi.org/10.3390/jmse12081376
Chicago/Turabian StyleTang, Gang, Haibo Zhang, Yongli Hu, and Peipei Zhou. 2024. "FPID-RCP: A Control Method for a Swing-Type Wave Compensation Platform System" Journal of Marine Science and Engineering 12, no. 8: 1376. https://doi.org/10.3390/jmse12081376
APA StyleTang, G., Zhang, H., Hu, Y., & Zhou, P. (2024). FPID-RCP: A Control Method for a Swing-Type Wave Compensation Platform System. Journal of Marine Science and Engineering, 12(8), 1376. https://doi.org/10.3390/jmse12081376
 
        

 
       