Improving the Overall Efficiency of Marine Power Systems through Co-Optimization of Top-Bottom Combined Cycle by Means of Exhaust-Gas Bypass: A Semi Empirical Function Analysis Method
Abstract
1. Introduction
2. Mathematical Models
2.1. Theory Deduction
2.2. The Deduction of the Semi-Empirical Formula
3. Modeling, Experiment, and Validation
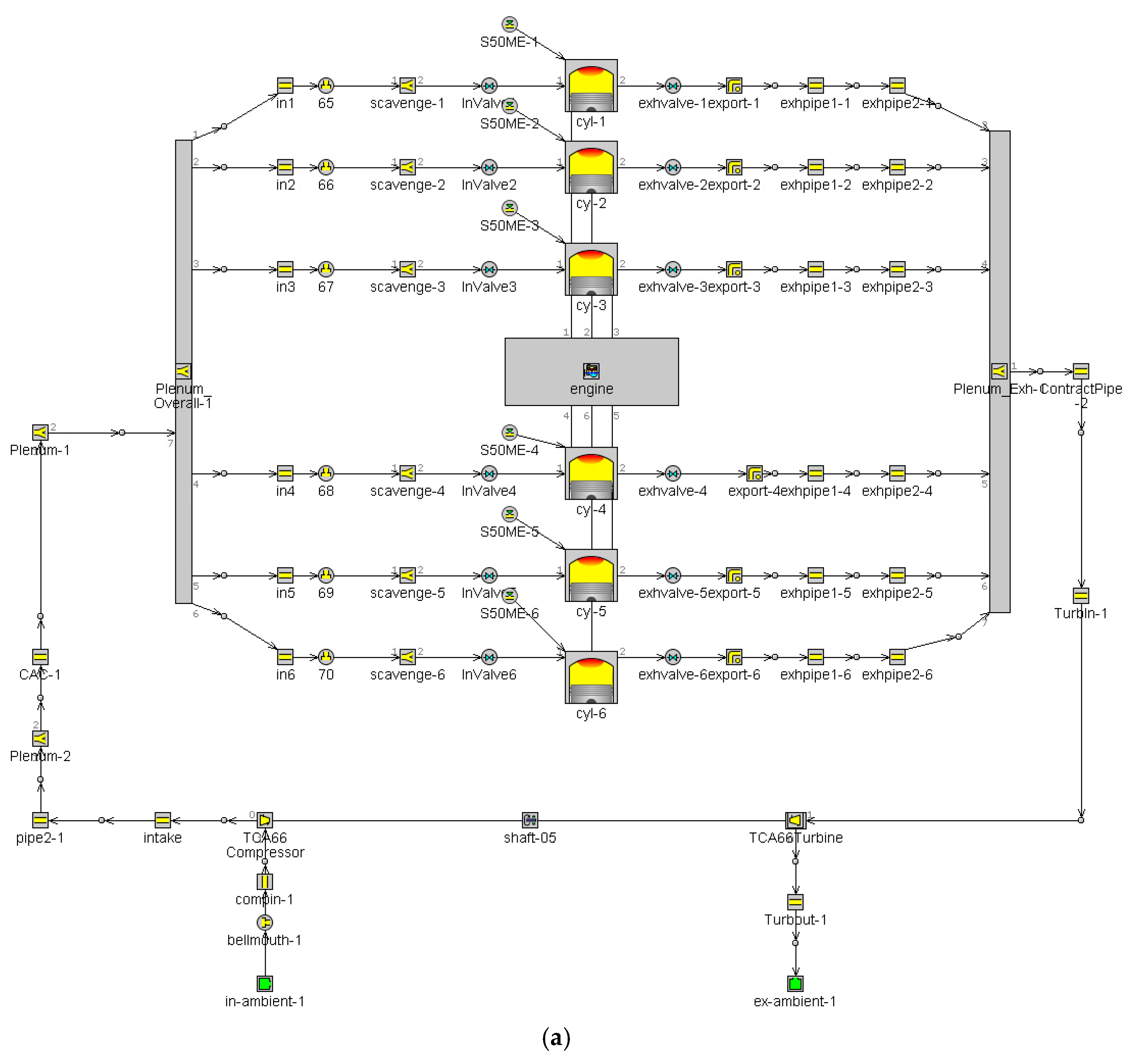
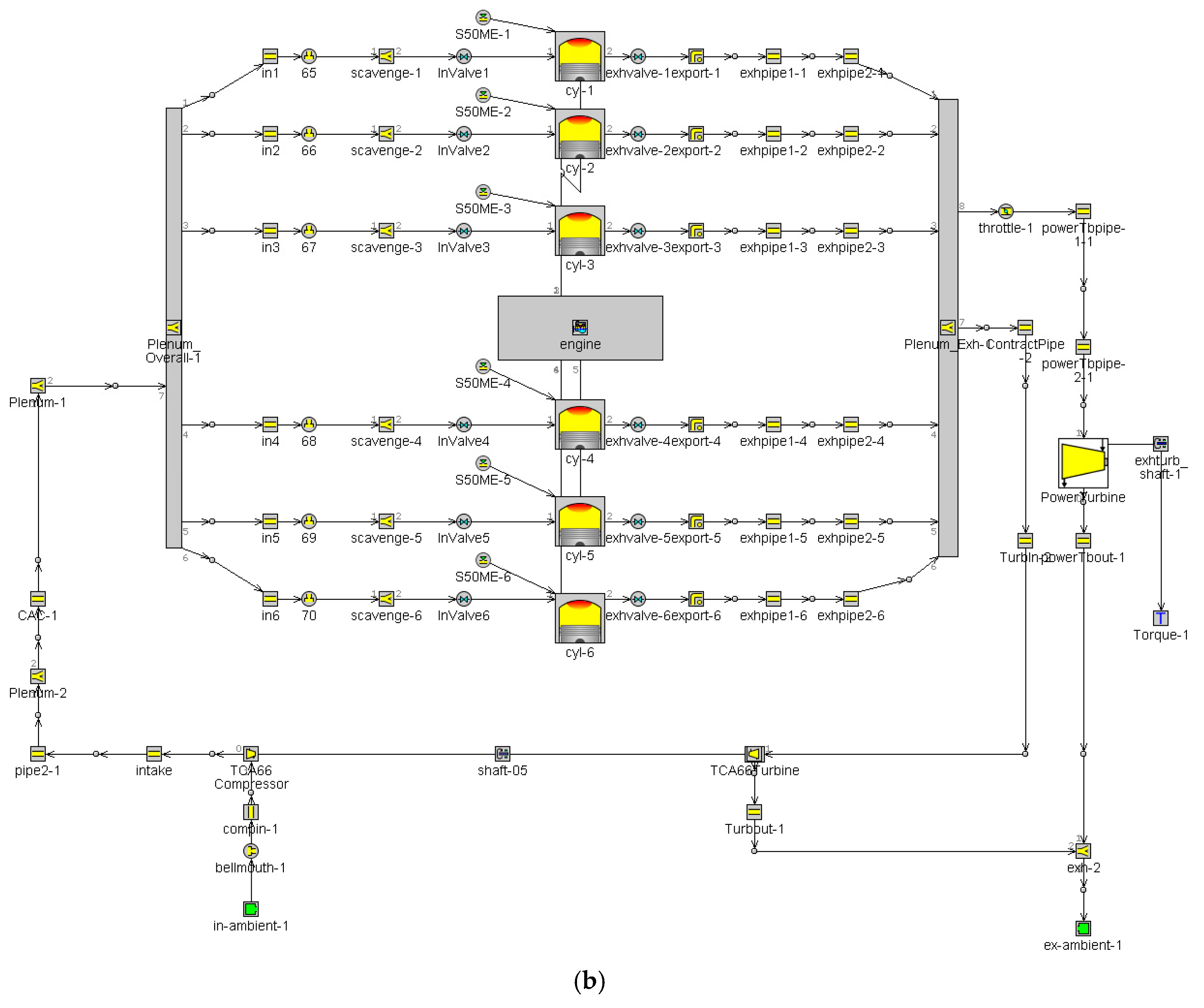
3.1. Modeling and Validation of Engine
3.2. Experiment Setup
- (a)
- The scheme at the orifice diameter of 73 mm: the scavenging pressure was 3.44 bar, which is lower than the design value of 3.7 bar. The exhaust temperature and bypass ratio met the design requirements, but the total exhaust gas flow was about 10% lower than the design value.
- (b)
- The scheme at the orifice diameter of 60 mm: the scavenging pressure increases to 3.67 bar, the total exhaust gas mass flow rate is slightly lower than the design value, and the exhaust temperature is about 20 °C lower than the design value (444.3 °C).
4. Results
4.1. Verification of the Formulas
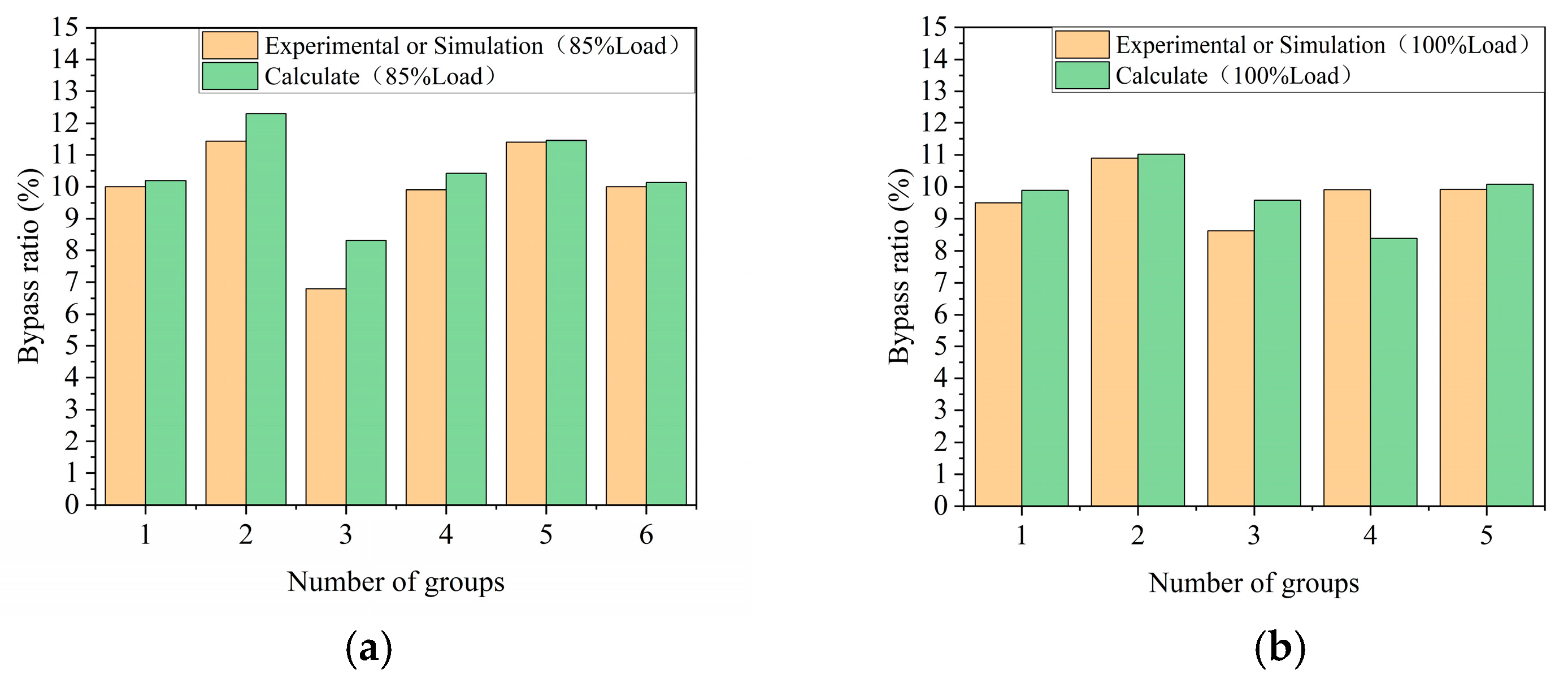
4.2. Determination of Bypass Ratio
4.3. Effect of Bypass Ratio on Diesel Engine System
4.4. Effect of the Bypass Ratio on the Total System Efficiency
4.5. EEXI and CII Assessments
5. Conclusions
Author Contributions
Funding
Data Availability Statement
Conflicts of Interest
Nomenclature
| Abbreviation, Subscripts | |
| CII | Carbon Intensity Indicator |
| EbE | Before heat exchanger |
| EEXI | Energy efficiency design index |
| I-E | Ideal system efficiency |
| IMO | International Maritime Organization |
| Hu | Fuel heating capacity |
| k | Specific heat ratio |
| KC | Kalina cycle |
| L0 | Theoretical air-fuel ratio |
| LOC | Lubricating cooler |
| ORC | Organic Rankine cycle |
| PT | Power turbine |
| P | Pressure |
| Q | Energy |
| S | Entropy |
| SFOC | Specific Fuel Oil Consumption |
| SRC | Steam Rankine cycle |
| T | Temperature |
| TC | Turbocharger |
| W | Effective work |
| WHR | Waste heat recovery |
| CII | Carbon intensity indicator |
| Subscripts | |
| EaPT | After power turbine |
| EaT | After turbine |
| EbPT | Before power turbine |
| EbWHR | Before waste heat recovery system |
| f, f0 | Fuel |
| m | Mass flow rate |
| Mix | Mixture |
| scav,sc | Scavenge |
| T, t0, t | Turbine |
| Greek symbols | |
| α | Air-excess ratio |
| η | Efficiency |
| γb | Bypass ratio |
| η𝑣 | Scavenging fraction |
| ηh | Energy-loss fraction |
| π | Pressure ratio |
| ƞtc | Turbocharger efficiency |
Appendix A
| MAN-1 DATA (6S50) | |||||
| Load [%] | TC Eff [%] | Exh Gas Temp [°C] | Psca [bar] | Pext [bar] | Air Excess Ratio |
| 100 | 67.0 | 289.8 | 4.39 | 4.20 | 2.95 |
| 95 | 67.7 | 285.1 | 4.16 | 3.97 | 3.00 |
| 90 | 68.3 | 281.5 | 3.92 | 3.74 | 3.05 |
| 85 | 68.8 | 279.4 | 3.7 | 3.52 | 3.09 |
| 80 | 69.2 | 274.4 | 3.51 | 3.34 | 3.16 |
| 75 | 69.5 | 270.7 | 3.33 | 3.17 | 3.23 |
| 70 | 69.7 | 268.2 | 3.15 | 2.99 | 3.30 |
| 65 | 69.7 | 267 | 2.96 | 2.82 | 3.36 |
| 60 | 69.7 | 267.3 | 2.77 | 2.63 | 3.42 |
| 55 | 69.4 | 269.4 | 2.58 | 2.45 | 3.47 |
| 50 | 69.0 | 273.5 | 2.37 | 2.25 | 3.51 |
| 45 | 68.4 | 243.2 | 2.4 | 2.29 | 3.85 |
| 40 | 67.6 | 219.1 | 2.28 | 2.17 | 4.12 |
| 35 | 66.6 | 211.5 | 2.1 | 2.00 | 4.38 |
| 30 | 65.4 | 198.8 | 1.93 | 1.83 | 4.76 |
| 25 | 64.0 | 198.7 | 1.69 | 1.61 | 4.96 |
| MAN-2 DATA (6S50) | |||||
| Load [%] | TC Eff [%] | Exh Gas Temp [°C] | Psca [bar] | Pext [bar] | Air Excess Ratio |
| 100 | 65.8 | 481.0 | 4.37 | 4.18 | 2.93 |
| 95 | 66.8 | 465.1 | 4.16 | 3.98 | 3.01 |
| 90 | 67.4 | 453.2 | 3.94 | 3.76 | 3.06 |
| 85 | 67.7 | 444.3 | 3.7 | 3.53 | 3.09 |
| 80 | 67.9 | 433.7 | 3.51 | 3.34 | 3.15 |
| 75 | 68.0 | 423.2 | 3.32 | 3.16 | 3.20 |
| 70 | 68.2 | 412.5 | 3.13 | 2.98 | 3.27 |
| 65 | 68.3 | 402.7 | 2.95 | 2.81 | 3.34 |
| 60 | 68.0 | 395.3 | 2.75 | 2.62 | 3.38 |
| 55 | 67.5 | 389.9 | 2.54 | 2.42 | 3.41 |
| 50 | 66.7 | 385.7 | 2.33 | 2.21 | 3.42 |
| 45 | 65.9 | 357.1 | 2.31 | 2.20 | 3.68 |
| Win GD (Wartsila) DATA (W8X82) | ||||
|---|---|---|---|---|
| Load [%] | TC Eff [%] | Turbocharger Inlet Temperature [°C] | Psca [bar] | Air Excess Ratio |
| 110 | 66.5 | 523 | 4.54 | 2.49691 |
| 100 | 68 | 494 | 4.27 | 2.64452 |
| 95 | 68.9 | 476 | 4.08 | 2.73149 |
| 90 | 69.7 | 459 | 3.86 | 2.8035 |
| 85 | 70.4 | 445 | 3.65 | 2.85788 |
| 80 | 70.7 | 434 | 3.48 | 2.92894 |
| 75 | 71 | 426 | 3.33 | 3.01484 |
| 70 | 71.1 | 415 | 3.08 | 3.12812 |
| 60 | 71.1 | 408 | 2.9 | 3.27098 |
| 50 | 70.3 | 394 | 2.44 | 3.26657 |
| 40 | 69.3 | 364 | 2.11 | 3.38221 |
| 30 | 66 | 328 | 1.83 | 3.80015 |
| 25 | 64.7 | 324 | 1.64 | 3.96658 |
| Win GD(Wartsila) DATA (9X82-2.0) | ||||
| Load [%] | TC Eff [%] | Exh Gas Temp [°C] | Psca [bar] | Air-Excess Ratio |
| 100 | 68 | 257 | 4.66 | 3.17749 |
| 95 | 69.1 | 245 | 4.39 | 3.25163 |
| 90 | 70.1 | 235 | 4.11 | 3.29931 |
| 85 | 70.7 | 230 | 3.85 | 3.33962 |
| 80 | 70.9 | 229 | 3.67 | 3.40886 |
| 75 | 71.1 | 228 | 3.51 | 3.49421 |
| 70 | 71.1 | 229 | 3.36 | 3.59108 |
| 65 | 71.1 | 231 | 3.18 | 3.65335 |
| 60 | 70.9 | 234 | 2.98 | 3.70875 |
| 55 | 70.5 | 238 | 2.77 | 3.73614 |
| 50 | 69.9 | 244 | 2.55 | 3.74577 |
References
- Germond, B.; Mazaris, A.D. Climate change and maritime security. Mar. Policy 2019, 99, 262–266. [Google Scholar] [CrossRef]
- Qu, J.; Feng, Y.; Xu, G.; Zhang, M.; Zhu, Y.; Zhou, S. Design and thermodynamics analysis of marine dual fuel low speed engine with methane reforming integrated high pressure exhaust gas recirculation system. Fuel 2022, 319, 123747. [Google Scholar] [CrossRef]
- Tadros, M.; Ventura, M.; Soares, C.G. Review of current regulations, available technologies, and future trends in the green shipping industry. Ocean Eng. 2023, 280, 114670. [Google Scholar] [CrossRef]
- Díaz-Secades, L.A.; González, R.; Rivera, N.; Montañés, E.; Quevedo, J.R. Waste heat recovery system for marine engines optimized through a preference learning rank function embedded into a Bayesian optimizer. Ocean Eng. 2023, 281, 114747. [Google Scholar] [CrossRef]
- Leng, L.; Ma, Z.; Cheng, J.; Shi, L.; Deng, K. Research on exhaust energy distribution regulation for fuel economy improvement of turbocompound diesel engine. Appl. Therm. Eng. 2023, 220, 119708. [Google Scholar] [CrossRef]
- Meda, U.S.; Rajyaguru, Y.V.; Pandey, A. Generation of green hydrogen using self-sustained regenerative fuel cells: Opportunities and challenges. Int. J. Hydrogen Energy 2023. [Google Scholar] [CrossRef]
- Wu, X.; Feng, Y.; Gao, Y.; Xia, C.; Zhu, Y.; Shreka, M.; Ming, P. Numerical simulation of lean premixed combustion characteristics and emissions of natural gas-ammonia dual-fuel marine engine with the pre-chamber ignition system. Fuel 2023, 343, 127990. [Google Scholar] [CrossRef]
- Garcia-Baldovi, A.; Asiri, A.M.; Garcia, H. Photocatalytic CO2 reduction to methanol: How can the dilemma be solved? Curr. Opin. Green Sustain. Chem. 2023, 41, 100831. [Google Scholar] [CrossRef]
- Jimenez, V.J.; Kim, H.; Munim, Z.H. A review of ship energy efficiency research and directions towards emission reduction in the maritime industry. J. Clean. Prod. 2022, 366, 132888. [Google Scholar] [CrossRef]
- Trapp, A.C.; Harris, I.; Sanchez Rodrigues, V.; Sarkis, J. Maritime container shipping: Does coopetition improve cost and environmental efficiencies? Transp. Res. Part D Transp. Environ. 2020, 87, 102507. [Google Scholar] [CrossRef]
- Song, Q.; Tinoco, R.R.; Yang, H.; Yang, Q.; Jiang, H.; Chen, Y.; Chen, H. A comparative study on energy efficiency of the maritime supply chains for liquefied hydrogen, ammonia, methanol and natural gas. Carbon Capture Sci. Technol. 2022, 4, 100056. [Google Scholar] [CrossRef]
- Chuah, L.F.; Mokhtar, K.; Ruslan, S.M.M.; Bakar, A.A.; Abdullah, M.A.; Osman, N.H.; Bokhari, A.; Mubashir, M.; Show, P.L. Implementation of the energy efficiency existing ship index and carbon intensity indicator on domestic ship for marine environmental protection. Environ. Res. 2023, 222, 115348. [Google Scholar] [CrossRef]
- Ouyang, T.; Wang, Z.; Liu, W.; Qin, P.; Mo, H. Performance investigation and collaborative optimization of power, economy and NOx removal for waste heat cascade utilization system in ocean-going vessels. J. Clean. Prod. 2022, 341, 130939. [Google Scholar] [CrossRef]
- Suárez de la Fuente, S.; Cao, T.; Pujol, A.G.; Romagnoli, A. Chapter 4—Waste heat recovery on ships. In Sustainable Energy Systems on Ships; Baldi, F., Coraddu, A., Mondejar, M.E., Eds.; Elsevier: Amsterdam, The Netherlands, 2022; pp. 123–195. [Google Scholar]
- Schroer, M.; Panagakos, G.; Barfod, M.B. An evidence-based assessment of IMO’s short-term measures for decarbonizing container shipping. J. Clean. Prod. 2022, 363, 132441. [Google Scholar] [CrossRef]
- Konur, O.; Yuksel, O.; Korkmaz, S.A.; Colpan, C.O.; Saatcioglu, O.Y.; Muslu, I. Thermal design and analysis of an organic rankine cycle system utilizing the main engine and cargo oil pump turbine based waste heats in a large tanker ship. J. Clean. Prod. 2022, 368, 133230. [Google Scholar] [CrossRef]
- Konur, O.; Yuksel, O.; Korkmaz, S.A.; Colpan, C.O.; Saatcioglu, O.Y.; Koseoglu, B. Operation-dependent exergetic sustainability assessment and environmental analysis on a large tanker ship utilizing Organic Rankine cycle system. Energy 2023, 262, 125477. [Google Scholar] [CrossRef]
- Uyanık, T.; Ejder, E.; Arslanoğlu, Y.; Yalman, Y.; Terriche, Y.; Su, C.-L.; Guerrero, J.M. Thermoelectric generators as an alternative energy source in shipboard microgrids. Energies 2022, 15, 4248. [Google Scholar] [CrossRef]
- Walker, T.R.; Adebambo, O.; Feijoo, M.C.D.A.; Elhaimer, E.; Hossain, T.; Edwards, S.J.; Morrison, C.E.; Romo, J.; Sharma, N.; Taylor, S.; et al. Environmental effects of marine transportation. In World Seas: An Environmental Evaluation; Elsevier: Amsterdam, The Netherlands, 2019; pp. 505–530. [Google Scholar]
- Omar, A.; Saghafifar, M.; Mohammadi, K.; Alashkar, A.; Gadalla, M. A review of unconventional bottoming cycles for waste heat recovery: Part II–Applications. Energy Convers. Manag. 2019, 180, 559–583. [Google Scholar] [CrossRef]
- Saghafifar, M.; Omar, A.; Mohammadi, K.; Alashkar, A.; Gadalla, M. A review of unconventional bottoming cycles for waste heat recovery: Part I–Analysis, design, and optimization. Energy Convers. Manag. 2019, 198, 110905. [Google Scholar] [CrossRef]
- Singh, D.V.; Pedersen, E. A review of waste heat recovery technologies for maritime applications. Energy Convers. Manag. 2016, 111, 315–328. [Google Scholar] [CrossRef]
- Baines, N.; Wygant, K.D.; Dris, A. The Analysis of Heat Transfer in Automotive Turbochargers. Proc. Asme Turbo Expo 2009, 5, 115–126. [Google Scholar]
- Wang, Z.; Chen, H.; Xia, R.; Han, F.; Ji, Y.; Cai, W. Energy, exergy and economy (3E) investigation of a SOFC-GT-ORC waste heat recovery system for green power ships. Therm. Sci. Eng. Prog. 2022, 32, 101342. [Google Scholar] [CrossRef]
- Ma, Z.S.; Yang, D.; Guo, Q. Conceptual Design and Performance Analysis of an Exhaust Gas Waste Heat Recovery System for a 10000TEU Container Ship. Pol. Marit. Res. 2012, 19, 31–38. [Google Scholar] [CrossRef]
- Zhu, S.; Sun, K.; Bai, S.; Deng, K. Thermodynamic and techno-economic comparisons of the steam injected turbocompounding system with conventional steam Rankine cycle systems in recovering waste heat from the marine two-stroke engine. Energy 2022, 245, 123245. [Google Scholar] [CrossRef]
- Shi, L.F.; Shu, G.Q.; Tian, H.; Deng, S. A review of modified Organic Rankine cycles (ORCs) for internal combustion engine waste heat recovery (ICE-WHR). Renew. Sustain. Energy Rev. 2018, 92, 95–110. [Google Scholar] [CrossRef]
- Andreasen, J.G.; Kaern, M.R.; Pierobon, L.; Larsen, U.; Haglind, F. Multi-Objective Optimization of Organic Rankine Cycle Power Plants Using Pure and Mixed Working Fluids. Energies 2016, 9, 322. [Google Scholar] [CrossRef]
- Kumar, P.; Choudhary, T.; Ansari, M.Z. Thermodynamic assessment of a novel SOFC and intercooled GT integration with ORC: Energy and exergy analysis. Therm. Sci. Eng. Prog. 2022, 34, 101411. [Google Scholar] [CrossRef]
- Crespi, F.; Gavagnin, G.; Sanchez, D.; Martinez, G.S. Supercritical carbon dioxide cycles for power generation: A review. Appl. Energ. 2017, 195, 152–183. [Google Scholar] [CrossRef]
- Wang, Z.; Jiang, Y.; Han, F.; Yu, S.; Li, W.; Ji, Y.; Cai, W. A thermodynamic configuration method of combined supercritical CO2 power system for marine engine waste heat recovery based on recuperative effects. Appl. Therm. Eng. 2022, 200, 117645. [Google Scholar] [CrossRef]
- Zuo, W.J.; Zhang, X.Y.; Li, Y.Z. Review of flue gas acid dew-point and related low temperature corrosion. J. Energy Inst. 2020, 93, 1666–1677. [Google Scholar] [CrossRef]
- Di Battista, D.; Mauriello, M.; Cipollone, R. Waste heat recovery of an ORC-based power unit in a turbocharged diesel engine propelling a light duty vehicle. Appl. Energy 2015, 152, 109–120. [Google Scholar] [CrossRef]
- Michos, C.N.; Lion, S.; Vlaskos, I.; Taccani, R. Analysis of the backpressure effect of an Organic Rankine Cycle (ORC) evaporator on the exhaust line of a turbocharged heavy duty diesel power generator for marine applications. Energy Convers. Manag. 2017, 132, 347–360. [Google Scholar] [CrossRef]
- Jafarzad, A.; Asgari, N.; Ranjbar, F.; Mohammadkhani, F. Thermodynamic assessment and optimization of the influences of the steam-assisted turbocharging and organic Rankine cycle on the overall performance of a diesel engine-based cogeneration integrated with a reverse osmosis desalination unit. Sustain. Energy Technol. 2021, 46, 101175. [Google Scholar] [CrossRef]
- Geffroy, C.; Lilley, D.; Parez, P.S.; Prasher, R. Techno-economic analysis of waste-heat conversion. Joule 2021, 5, 3080–3096. [Google Scholar] [CrossRef]
- Sun, W.Q.; Yue, X.Y.; Wang, Y.H. Exergy efficiency analysis of ORC (Organic Rankine Cycle) and ORC-based combined cycles driven by low-temperature waste heat. Energy Convers. Manag. 2017, 135, 63–73. [Google Scholar] [CrossRef]
- Singh, V.; Rijpkema, J.J.; Munch, K.; Andersson, S.B.; Verhelst, S. On the effects of increased coolant temperatures of light duty engines on waste heat recovery. Appl. Therm. Eng. 2020, 172, 115157. [Google Scholar] [CrossRef]
- Feng, Y.; Du, Z.; Shreka, M.; Zhu, Y.; Zhou, S.; Zhang, W. Thermodynamic analysis and performance optimization of the supercritical carbon dioxide Brayton cycle combined with the Kalina cycle for waste heat recovery from a marine low-speed diesel engine. Energy Convers. Manag. 2020, 206, 112483. [Google Scholar] [CrossRef]
- Qu, J.; Feng, Y.; Zhu, Y.; Zhou, S.; Zhang, W. Design and thermodynamic analysis of a combined system including steam Rankine cycle, organic Rankine cycle, and power turbine for marine low-speed diesel engine waste heat recovery. Energy Convers. Manag. 2021, 245, 114580. [Google Scholar] [CrossRef]
- Egashira, S.; Matsuo, T.; Ichiki, Y. Ship propulsion/electric power hybrid system recovering waste heat of marine diesel engine. Mitsubishi Heavy Ind. Tech. Rev. 2013, 50, 54. [Google Scholar]
- Larsen, U.; Sigthorsson, O.; Haglind, F. A comparison of advanced heat recovery power cycles in a combined cycle for large ships. Energy 2014, 74, 260–268. [Google Scholar] [CrossRef]
- Larsen, U.; Wronski, J.; Andreasen, J.G.; Baldi, F.; Pierobon, L. Expansion of organic Rankine cycle working fluid in a cylinder of a low-speed two-stroke ship engine. Energy 2017, 119, 1212–1220. [Google Scholar] [CrossRef]
- Masodzadeh, P.G.; Olcer, A.I.; Ballini, F.; Christodoulou, A. How to bridge the short-term measures to the Market Based Measure? Proposal of a new hybrid MBM based on a new standard in ship operation. Transp. Policy 2022, 118, 123–142. [Google Scholar] [CrossRef]
- Salek, F.; Babaie, M.; Naserian, M.M.; Ahmadi, M.H. Power enhancement of a turbo-charged industrial diesel engine by using of a waste heat recovery system based on inverted Brayton and organic Rankine cycles. Fuel 2022, 322, 124036. [Google Scholar] [CrossRef]
- Czermański, E.; Oniszczuk-Jastrząbek, A.; Spangenberg, E.F.; Kozłowski, Ł.; Adamowicz, M.; Jankiewicz, J.; Cirella, G.T. Implementation of the Energy Efficiency Existing Ship Index: An important but costly step towards ocean protection. Mar. Policy 2022, 145, 105259. [Google Scholar] [CrossRef]
- Raghulnath, D.; Saravanan, K.; Mahendran, J.; Kumar, M.R.; Lakshmanan, P. Analysis and optimization of organic Rankine cycle for IC engine waste heat recovery system. Mater. Today-Proc. 2020, 21, 30–35. [Google Scholar] [CrossRef]
- Karabektas, M. The effects of turbocharger on the performance and exhaust emissions of a diesel engine fuelled with biodiesel. Renew. Energy 2009, 34, 989–993. [Google Scholar] [CrossRef]
- Cao, T.; Lee, H.; Hwang, Y.; Radermacher, R.; Chun, H.H. Modeling of waste heat powered energy system for container ships. Energy 2016, 106, 408–421. [Google Scholar] [CrossRef]
- Chintala, V.; Kumar, S.; Pandey, J.K. A technical review on waste heat recovery from compression ignition engines using organic Rankine cycle. Renew. Sustain. Energy Rev. 2018, 81, 493–509. [Google Scholar] [CrossRef]
- Pallis, P.; Varvagiannis, E.; Braimakis, K.; Roumpedakis, T.; Leontaritis, A.D.; Karellas, S. Development, experimental testing and techno-economic assessment of a fully automated marine organic rankine cycle prototype for jacket cooling water heat recovery. Energy 2021, 228, 120596. [Google Scholar] [CrossRef]
- Hendricks, E. Mean value modelling of large turbocharged two-stroke diesel engines. SAE Trans. 1989, 98, 986–998. [Google Scholar]
- Tang, Y.; Li, H.; Jiang, Y.; Liang, W.; Zhang, J. The Control-Oriented Heat Release Rate Model for a Marine Dual-Fuel Engine under All the Operating Modes and Loads. J. Mar. Sci. Eng. 2023, 11, 64. [Google Scholar] [CrossRef]
- Schagerberg, S.; McKelvey, T. Instantaneous Crankshaft Torque Measurements-Modeling and Validation; SAE Technical Paper; SAE International: Warrendale, PA, USA, 2003. [Google Scholar]
- Moore, F.K.; Greitzer, E.M. A Theory of Post-Stall Transients in Axial Compression Systems: Part I—Development of Equations; ASME: New York, NY, USA, 1986. [Google Scholar]
- Theotokatos, G.; Kyrtatos, N.P. Diesel Engine Transient Operation with Turbocharger Compressor Surging; SAE International: Warrendale, PA, USA, 2001; p. 1241. [Google Scholar] [CrossRef]
- Zhang, Y.; Xia, C.; Liu, D.; Zhu, Y.; Feng, Y. Experimental investigation of the high-pressure SCR reactor impact on a marine two-stroke diesel engine. Fuel 2023, 335, 127064. [Google Scholar] [CrossRef]
- Shi, J.; Zhu, Y.; Feng, Y.; Yang, J.; Xia, C. A Prompt Decarbonization Pathway for Shipping: Green Hydrogen, Ammonia, and Methanol Production and Utilization in Marine Engines. Atmosphere 2023, 14, 584. [Google Scholar] [CrossRef]
- Feng, Y.; Qu, J.; Zhu, Y.; Wu, B.; Wu, Y.; Xiao, Z.; Liu, J. Progress and prospect of the novel integrated SOFC-ICE hybrid power system: System design, mass and heat integration, system optimization and techno-economic analysis. Energy Convers. Manag. X 2023, 18, 100350. [Google Scholar] [CrossRef]
- Qu, J.; Feng, Y.; Zhu, Y.; Wu, B.; Wu, Y.; Xiao, Z.; Zheng, S. Assessment of a methanol-fueled integrated hybrid power system of solid oxide fuel cell and low-speed two-stroke engine for maritime application. Appl. Therm. Eng. 2023, 230, 120735. [Google Scholar] [CrossRef]
- Sapra, H.; Stam, J.; Reurings, J.; van Biert, L.; van Sluijs, W.; de Vos, P.; Visser, K.; Vellayani, A.P.; Hopman, H. Integration of solid oxide fuel cell and internal combustion engine for maritime applications. Appl. Energy 2021, 281, 115854. [Google Scholar] [CrossRef]
- Kersey, J.; Popovich, N.D.; Phadke, A.A. Rapid battery cost declines accelerate the prospects of all-electric interregional container shipping. Nat. Energy 2022, 7, 664–674. [Google Scholar] [CrossRef]
















| Parameter | Value |
|---|---|
| Diesel type | MAN & Turbo 6S50ME-C8.2 |
| Cylinder number | 6 |
| Bore [mm] | 500 |
| Stroke [mm] | 2000 |
| Compression ratio | 21.5 |
| TDC clearance height [mm] | 135 |
| Rated power [kW] | 9960 |
| Rated speed [RPM] | 127 |
| Mean effective pressure [bar] | 19.97 |
| Turbocharger type | TCA-66 |
| Ignition sequence | 1-5-3-4-2-6 |
| Parameter | Value | Value | Value | Value | Value | Value | |
|---|---|---|---|---|---|---|---|
| Load [%] | 100 | 85 | 75 | 55 | 50 | 35 | |
| Power [kW] | Test | 9973 | 8463 | 7478 | 5481 | 4982 | 3477 |
| Simulation | 9970 | 8523 | 7448 | 5465 | 5055 | 3434 | |
| BSFC [g/kWh] | Test | 185.7 | 181.1 | 182.3 | 183.1 | 183.8 | 192.4 |
| Simulation | 182.6 | 179.2 | 177.9 | 179.6 | 180.1 | 181.5 | |
| ma [kg/s] | Test | 20.1 | 17.2 | 16.0 | 12.0 | 11.4 | 7.8 |
| Simulation | 19.7 | 17.1 | 15.7 | 12.1 | 11.4 | 8.5 | |
| ta [°C] | Test | 223.1 | 188.7.4 | 174.4 | 137.9 | 130.6 | 89.6 |
| Simulation | 204.2 | 176.9 | 163.5 | 132.7 | 125.1 | 93.6 | |
| mt [kg/s] | Test | 18.5 | 15.8 | 14.7 | 11.0 | 10.4 | 7.2 |
| Simulation | 18.4 | 15.9 | 14.6 | 11.2 | 10.5 | 8.2 | |
| tT [°C] | Test | 298.4 | 282.4 | 279.3 | 283 | 276.8 | 300 |
| Simulation | 278.4 | 274.0 | 261.2 | 264.3 | 265.9 | 257.2 | |
| mb [kg/s] | Simulation | 1.79 | 1.63 | 1.51 | 1.18 | 1.09 | 0.48 |
| Bypass Ratio [%] | Simulation | 8.9% | 9.3% | 9.4% | 9.5% | 9.4% | 5.5% |
| Parameter | Value |
|---|---|
| Ship type | Bulk Carrier |
| Loa [m] | 199.94 |
| Weight (DWT) | 58,000 |
| Capacity [m3] | 72,800 |
| Lpp [m] | 194 |
| Vref [kn] | 14 |
| M/E | 6S50ME-C |
| Maximum continuous rating [kW] | 9480 |
| diesel-generator [kW] | 373 (3set) |
| emergency generator [kW] | 91 |
| Parameter | Value |
|---|---|
| Ship type | Tanker |
| Loa [m] | 333 |
| Weight(DWT) | 295,000 |
| Capacity [m3] | 357,000 |
| Lpp [m] | 319 |
| Vref [kn] | 16.2 |
| M/E | W8X82-B |
| Maximum continuous rating [kW] | 38,000 |
| diesel-generator [kW] | 980 (3set) |
| emergency generator [kW] | 290 |
| Parameter | Value | Value |
|---|---|---|
| Model | Original diesel engine | Tuning engine with RC |
| NOx emissions [g/kWh] | 11.36 | 12.65 |
Disclaimer/Publisher’s Note: The statements, opinions and data contained in all publications are solely those of the individual author(s) and contributor(s) and not of MDPI and/or the editor(s). MDPI and/or the editor(s) disclaim responsibility for any injury to people or property resulting from any ideas, methods, instructions or products referred to in the content. |
© 2023 by the authors. Licensee MDPI, Basel, Switzerland. This article is an open access article distributed under the terms and conditions of the Creative Commons Attribution (CC BY) license (https://creativecommons.org/licenses/by/4.0/).
Share and Cite
Liu, J.; Qu, J.; Feng, Y.; Zhu, Y.; Wu, Y. Improving the Overall Efficiency of Marine Power Systems through Co-Optimization of Top-Bottom Combined Cycle by Means of Exhaust-Gas Bypass: A Semi Empirical Function Analysis Method. J. Mar. Sci. Eng. 2023, 11, 1215. https://doi.org/10.3390/jmse11061215
Liu J, Qu J, Feng Y, Zhu Y, Wu Y. Improving the Overall Efficiency of Marine Power Systems through Co-Optimization of Top-Bottom Combined Cycle by Means of Exhaust-Gas Bypass: A Semi Empirical Function Analysis Method. Journal of Marine Science and Engineering. 2023; 11(6):1215. https://doi.org/10.3390/jmse11061215
Chicago/Turabian StyleLiu, Junting, Jinbo Qu, Yongming Feng, Yuanqing Zhu, and Yunjin Wu. 2023. "Improving the Overall Efficiency of Marine Power Systems through Co-Optimization of Top-Bottom Combined Cycle by Means of Exhaust-Gas Bypass: A Semi Empirical Function Analysis Method" Journal of Marine Science and Engineering 11, no. 6: 1215. https://doi.org/10.3390/jmse11061215
APA StyleLiu, J., Qu, J., Feng, Y., Zhu, Y., & Wu, Y. (2023). Improving the Overall Efficiency of Marine Power Systems through Co-Optimization of Top-Bottom Combined Cycle by Means of Exhaust-Gas Bypass: A Semi Empirical Function Analysis Method. Journal of Marine Science and Engineering, 11(6), 1215. https://doi.org/10.3390/jmse11061215

