Next Article in Journal
A Test of Sol–Gel Incorporation of Organic Compounds as Translucent, Marine Biofouling-Resistant Windows
Next Article in Special Issue
Exploring the Failure Mechanism of Container Port Logistics System Based on Multi-Factor Coupling
Previous Article in Journal
Robust Lane Detection Algorithm for Autonomous Trucks in Container Terminals
 
 
Font Type:
Arial Georgia Verdana
Font Size:
Aa Aa Aa
Line Spacing:
Column Width:
Background:
Article

Resilience Regulation Strategy for Container Port Supply Chain under Disruptive Events

1
Institute of Logistics Science & Engineering, Shanghai Maritime University, Shanghai 201306, China
2
Merchant Marine College, Shanghai Maritime University, Shanghai 201306, China
*
Authors to whom correspondence should be addressed.
J. Mar. Sci. Eng. 2023, 11(4), 732; https://doi.org/10.3390/jmse11040732
Submission received: 12 March 2023 / Accepted: 22 March 2023 / Published: 28 March 2023
(This article belongs to the Special Issue Port Management and Maritime Logistics)

Abstract

There are many inevitable disruptive events, such as the COVID-19 pandemic, natural disasters and geopolitical conflicts, during the operation of the container port supply chain (CPSC). These events bring ship delays, port congestion and turnover inefficiency. In order to enhance the resilience of the CPSC, a modified two-stage CPSC system containing a container pretreatment system (CPS) and a container handling system (CHS) is built. A two-dimensional resilience index is designed to measure its affordability and recovery. An adaptive fuzzy double-feedback adjustment (AFDA) strategy is proposed to mitigate the disruptive effects and regulate its dynamicity. The AFDA strategy consists of the first-level fuzzy logic control system and the second-level adaptive fuzzy adjustment system. Simulations show the AFDA strategy outperforms the original system, PID, and two pipelines for improved dynamic response and augmented resilience. This study effectively supports the operations manager in determining the proper control policies and resilience management with respect to indeterminate container waiting delay and allocation delay due to disruptive effects.

1. Introduction

The container port supply chain (CPSC) refers to the chain structure which takes the container port as the core and integrates all kinds of service providers (liner companies, train companies, warehousing companies, etc.) and customers (trade companies) into a coordinated entity, so as to achieve the goal of stable operation, higher efficiency and lower cost. Different from the general manufacturing supply chain, the container port supply chain does not create new commodity entities, but adds value by providing services [1]. In the context of the global supply chain, container ports have become important nodes connecting global production, international trade and related logistics activities. According to the current development characteristics of container ports, in addition to the basic function of logistics, it is also an important service and production provider. Therefore, whether container ports operate stably and efficiently affects the interests of many participants in the CPSC, and it has become an indispensable part of the international trade system. Figure 1 shows a basic structure of the container port supply chain.
Under the influence of various disruptive events, container ports tend to be affected by various adverse restrictions, which are mainly manifested as the decrease in port productivity leading to the difficult relief of port operating pressure, the decrease in ship and container turnover efficiency, the shortage of effective transport capacity supply, and the sharp rise of container liner freight rates. Generally, the reduced efficiency of container operation and continuous congestion have become global problems. Hence, the stable, efficient and flexible operation of the CPSC under adverse influences has always been a concern of the country and related stakeholders in the industry, which is a problem worthy of in-depth study.
Control theory has been proved to be a very effective method [2]. It can be used as an effective decision-making tool that helps managers to efficiently control inventory levels throughout the SC, reducing the remarkable percentage of logistics costs [3]. Also, it provides sufficient mathematical tools (such as Laplace transform, Z transform, transfer function and block diagram etc.) to analyze and simulate the systems based on dynamic models [4]. Now, there is an increasing need for effective and efficient production control systems, which have become an important system in the field of industrial engineering. Compared with the classical research methods in the supply chain field, such as operations research and game theory, the main advantage of the control theory method is that it combines the supply chain operation process with the control process, making it convenient to explore the relationships among the internal states and control the production process. In addition, control theory can predict the response to any given input [5], thus having important implications for supply chain systems to operate at desired levels. At present, in the related fields of ports and the shipping supply chain [6,7,8,9,10], existing research mainly focuses on benefit assessment, risk management, and low-carbon operations. Resilience plays an important role in the process of SC operation. It promotes the recovery of the SC under disruptive events [11,12]. Resilience measure guides the optimization and adjustment of the SC [13]. However, the definition of resilience is not uniform [14]. However, the production control modeling of the CPSC and the corresponding regulation strategies are still very limited.
This study constructs a modified two-stage CPSC system. A novel two-dimensional resilience index R including affordability and recovery is proposed. An adaptive fuzzy double-feedback control is designed to mitigate the disruptive effects. The body of this paper is organized as follows. Section 2 reviews the relevant literature. Section 3 describes the modified two-stage CPSC system in detail. Section 4 explains the two-dimensional resilience index. Section 5 presents the design of the AFDA strategy. Section 6 describes the simulations and the analysis. Finally, the managerial findings and conclusions are drawn in Section 7.

2. Literature Review

2.1. Supply Chain Risks and Dynamics

The risks suffered by the supply chain (SC) tend to be unpredictable and diverse. Many scholars have considered the disruptive influence of the SC under different unfavorable conditions and disruptions, and put forward corresponding measures. Corsini et al. [15] considered the possible impact on the supply chain of two different disruptive events (failure events and changeovers), and the results pointed out that efficient production control policies (measured in terms of operational efficiency) do not necessarily yield the best results when measured in terms of supply chain efficiency. Ivanov et al. [16] proposed a risk analytics framework and explained the concept of digital SC twins. They studied the impact of digitalization and Industry 4.0 on the ripple effect in the SC and combined the results gained from the two isolated areas. Olivares-Aguila and ElMaraghy [17] presented a system dynamics model to investigate SC behavior due to disruptions, and found that the SC is affected more when the disruptions take place near to the end-echelon or consumption stages.
In terms of the port supply chain, Zhang and Lam [18] developed a system framework to evaluate the economic losses of industrial clusters caused by port interruptions in three different stages, and finally found that the dynamic inventory control strategy used by manufacturers is conducive to reducing the risk of port interruption. Cuong et al. [19] utilized the four-dimensional fractional Lotka–Volterra competition model and nonlinear analysis methods to study relevant port behaviors and port operation decision-making strategies, and they found that the proposed resilience management scheme can ensure an average growth rate of 7.46% in container throughput. Rogerson et al. [20] analyzed a supply chain disruption from flexibility and capacity perspectives, and results showed that various capacity problems (ports, links, container chassis, empty containers) encountered due to port conflicts can be solved by flexible measures such as nodes, modes and fleet flexibility. Bai et al. [21] analyzed temporal and geospatial port congestion status, and proposed a density-based spatial clustering of applications with noise algorithm to analyze the economic implications of congestion for various stakeholders in the system.
For the abnormal behavior caused by different risks, it is necessary to analyze the dynamics of the supply chain and carry out dynamic control. John et al. [22] proposed the APIOBPCS (automatic pipelines, inventory and order-based production control system) to describe the inventory and production control strategy of the supply chain. On this basis, Alkaabneh et al. [23] conducted research to reduce CO2 emissions of food supply chains. They developed a spatially and temporally disaggregated price equilibrium mathematical model and compared three emission reduction interventions (carbon tax, technology innovation, and land sparing). Papanagnou [24] implemented a stochastic state-space model to capture the dynamics of a new four-echelon closed-loop supply chain model, and introduced an optimization method to study the impact of the Internet of Things on inventory variance and the bullwhip effect. Cuong et al. [25] proposed a fractional-order sliding mode control algorithm based on the adaptive mechanism, which ensured the robust stability of the goods flow in the supply chain network. Alkaabneh et al. [26] developed a dynamic programming model to optimize resource allocation by food banks among the agencies they serve. Khamseh et al. [27] established a general model based on bounded optimal control theory to optimize supply chain recovery and cost. Fu et al. [28] developed a distributed model predictive control approach to handle supply chain operations and achieve effective supply chain management with minimal information exchange and communication. Alkaabneh and Diabat [29] proposed and compared two different algorithms (branch-and-price and a two-stage meta-heuristic) to solve the multi-objective home healthcare delivery problem. The aim is to minimize the service and routing costs while maximizing compatibility of nurses and patients. Yan et al. [30] designed a stabilizing linear feedback controller to stabilize the supply chain mathematical model with a computer aided digital manufacturing process. Based on system dynamics, Xu et al. [31] established a four-dimensional differential equation with chaotic behavior to describe the multi-level supply chain, and combined this with modern control theory to implement a novel fractional-order adaptive sliding mode control algorithm to achieve efficient management of the supply chain.
It can be seen that the research on the dynamic control of supply chains under various disruptive influences mainly focuses on the manufacturing supply chain. The research on the implementation of dynamic regulation strategies in fields related to the CPSC to achieve effective supply chain optimization and management is still insufficient.

2.2. Resilience of Supply Chain

At present, enterprises are paying more and more attention to the research on supply chain resilience. Resilience strategy is not only closely related to the operation level of the supply chain, but also affects the implementation of management decisions. Cohen et al. [32] investigated the gap between the theory and practice of supply chain resilience, and analyzed the relationship between operations, supply-chain characteristics and implemented strategies. Under the COVID-19 pandemic, Moosavi and Hosseini [33] implemented two resiliency strategies of pre-setting additional inventory and backup suppliers, which helped decision makers to plan for response in the event of a pandemic or any prolonged high-intensity disruption. Mao et al. [34] developed two metrics, cumulative performance loss and fast recovery, to measure the resilience of the supply chain network. Also, three main indicators of network resilience, namely node density, node complexity and node criticality were considered by Rajesh [35], who adopted an improved metaheuristic and crazy elitist TLBO algorithm to ensure cost efficiency in resilience design. Chen et al. [36] established the resilience measurement model of the container transportation network in the port hinterland. Rajesh [37] put forward the resilience fuzzy index to measure the level of resilience of enterprises. Ramezankhani et al. [38] proposed a novel dynamic network data envelopment analysis framework to dynamically evaluate the performance of the supply chain from the two perspectives of sustainability and resilience. Zhang et al. [39] proposed a recovery time equivalent (RTE) disruption risk measurement model using value at risk. Furthermore, considering the strategy of improving resilience, Li et al. [40] explored the relationship between network characteristics and supply chain resilience and came to the conclusion that network characteristics can better explain supply chain network resilience than network type and average degree. Gao et al. [41] studied the relationship between risk control and resilience in the process of digital transformation. The risk control system constructed by a Bayesian belief network could improve the resilience of the supply chain from a risk point of view.
The study of supply chain resilience helps explore the internal mechanism of the existing level of supply chain resilience, so as to judge the necessity of supply chain resilience regulation. At present, there is no unified definition and measurement method of system resilience, and the application of resilience in the CPSC field is lacking. Enhanced resiliency of the CPSC under disruptive events is urgently needed.

3. Modified Two-Stage CPSC System

Based on the improvement of the traditional production and inventory control model, the container handling system (CHS) is firstly described, including its overall calculation description, and four major strategies that relate to the actual operation processes of container ports. Further, the container pretreatment system (CPS) is designed and coupled with the CHS, thereby the two-stage CPSC system is established. By selecting appropriate state variables, the state space of the modified two-stage CPSC can reveal the real-time state and dynamic characteristics of each stage of the CPSC system, which is conducive to the analysis of each state in the CPSC system and the formulation of reasonable regulation strategies. Finally, the dynamic characteristics are analyzed and calculated, and the calculation results can be obtained through the relevant theorem. Simulations verify the correctness of the analysis process.

3.1. Container Handling System

The definitions of variables and symbols involved in this paper are shown in Table 1.
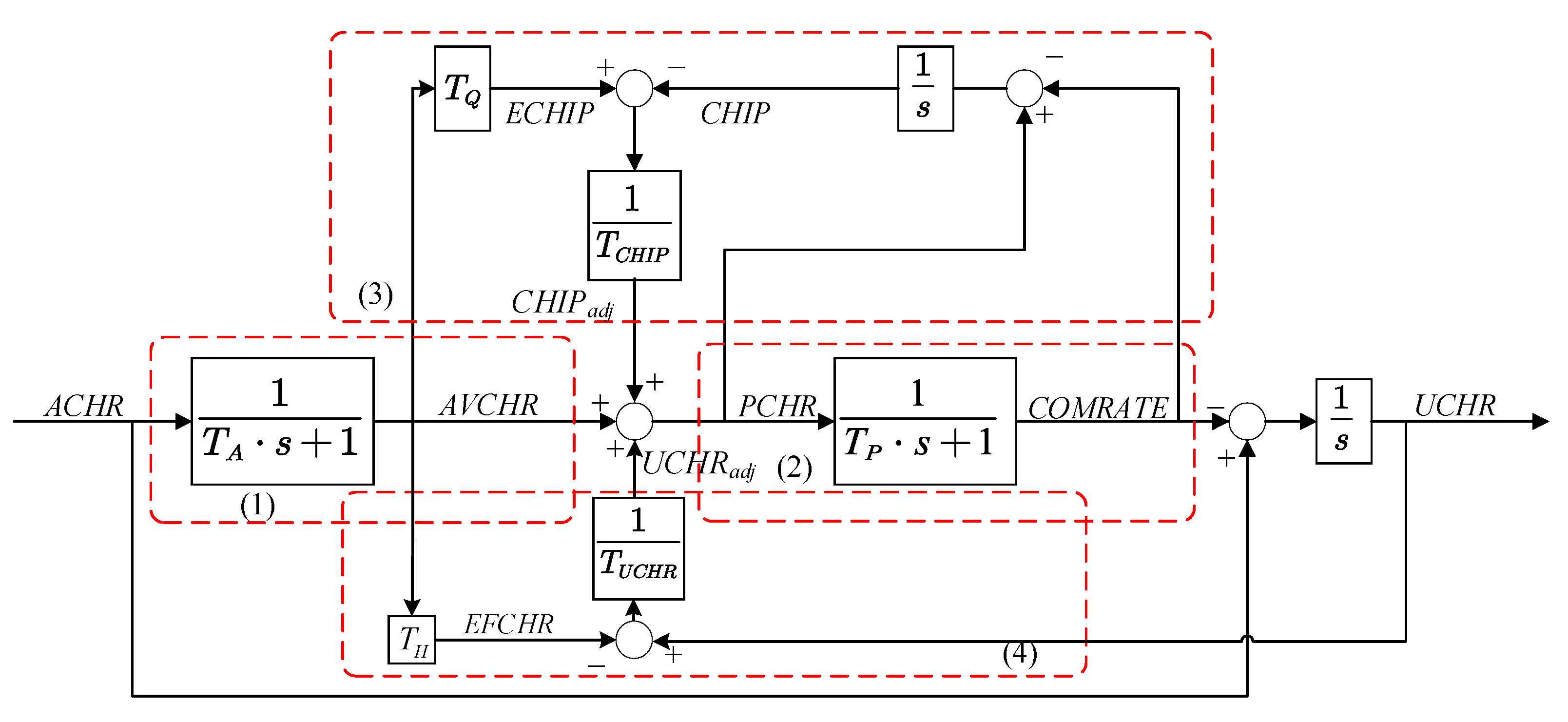
The container handling system is shown in Figure 2. Its input is the ACHR obtained in the previous stage; correspondingly, the unfinished container handling requirement (UCHR) is its output. The CHS mainly consists of four processes, i.e., (1) container handling forecasting mechanism, (2) container handling strategy, (3) CHIP adjustment strategy, and (4) UCHR adjustment strategy. In CHS, the most important calculation process is that the PCHR is equal to the average container handling requirement (AVCHR) plus the adjustment of unfinished container handling requirement (UCHRadj), and the adjustment of container handling in process (CHIPadj). Specifically, there are three feedforward links in the CHS. The AVCHR is obtained by the first-order forecasting link defined by the smoothing constant TA, and AVCHR can obtain PCHR. Simultaneously, AVCHR reacts with TQ to obtain the ECHIP level, and reacts with TH to obtain the EFCHR. TP represents the delay in the particular container handling process. TCHIP and TUCHR are used as the error adjustment time, adjusting the error between ECHIP and CHIP and the error between EFCHR and UCHR, respectively.

3.2. Container Pretreatment System

In CHS, the demand signal ACHR is generally directly used as its input. However, under disruptive events, the input signal often has to experience a certain delay. At this point, the port productivity receives the signal of container handling requirement in the state of continuous dynamic saturation. Therefore, this paper presents the design of the pretreatment stage, considering the impact of the uncertain container waiting time and berth allocation delay on the input container handling requirement signal. The pretreatment completion rate is used as the input of the next stage. The container pretreatment system (CPS) is shown in Figure 3.
In the CPS, there are three strategies, namely, the container waiting delay strategy, FCPR adjustment strategy, and container allocation delay strategy. TWAIT represents the container waiting time constant. After the effect of the first-order delay set by TWAIT, the average container arrive rate (AVRATE) can be estimated from the actual container arrive rate (CARATE). The estimated value from CARATE (AVRATE) can further set the expected FCPR (EFCPR), where TE is the expected lead-time of the pretreatment system. The adjustment of FCPR (FCPRadj) can be obtained by the difference between the expected FCPR and the FCPR after the adjustment time TFCPR, and TFCPR can be used as a proportional control. The sum of the average container arrive rate (AVRATE) and the FCPR adjustment is taken as the expected allocation completion rate (ECOM). UA represents the unit allocation rate, and the gross allocation completion rate (COMRATE1) can be obtained by the ECOM. The FCPR is derived from the difference between the net allocation completion rate (COMRATE2) and the CARATE.

3.3. Two-Stage Container Port Supply Chain System

Figure 4 shows that the two systems (CPS and CHS) take COMRATE1 (ACHR) as the system coupling point to construct the two-stage container port supply chain system. Based on the elaboration of the system in Section 3.1 and Section 3.2, the specific formula description of the two-stage container port supply chain system can be obtained. For the CPS, the only input is the CARATE, and the output COMRATE1 is taken as the input of the next stage. The CARATE can be deduced as
E C O M ( t ) = F C P R a d j ( t ) + A V R A T E ( t )
where
F C P R a d j ( t ) = 1 T F C P R A V R A T E ( t ) T E F C P R ( t )
and
A V R A T E ( t ) = A V R A T E ( t 1 ) + a C A R A T E 1 ( t ) A V R A T E ( t 1 ) ,   a = 1 1 + T W A I T   Δ T
In Equation (3), a represents the smoothing coefficient used to control TWAIT, and Δ T represents the interval between two adjacent sampling times [42]. CARATE1 is obtained by ECOM through the link 1 / U A , that is,
C O M R A T E 1 ( t ) = 1 U A E C O M ( t ) = 1 U A F C P R a d j ( t ) + A V R A T E ( t )
Meanwhile, the output CARATE1 is further used as the input of the CHS, that is, C A R A T E 1 ( t ) = A C H R ( t ) . As described in Section 3.1, the PCHR equals to the AVCHR plus the UCHRadj and the CHIPadj:
P C H R ( t ) = A V C H R ( t ) + C H I P a d j ( t ) + U C H R a d j ( t )
where
A V C H R ( t ) = A V C H R ( t 1 ) + b A C H R ( t ) A V C H R ( t 1 ) ,   b = 1 1 + T A Δ T
C H I P a d j ( t ) = 1 T C H I P A V C H R ( t ) T Q C H I P ( t )
U C H R a d j ( t ) = 1 T U C H R U C H R ( t ) E F C H R ( t ) = 1 T U C H R U C H R ( t ) A V C H R ( t ) T Q
It should be noted that TFCPR, TCHIP and TUCHR in the formulas can be used as the proportional control of the system, while TP and TP1 in the established system are regarded as the inherent properties of the system and are generally not adjusted.

3.4. State Space Description

The state-space approach provides a complete system description. Using the state space description can clearly explore the dynamics of each state in the two-stage CPSC system, and it is also the premise of effectively analyzing and verifying the dynamic characteristics. Furthermore, state dynamics can also provide an important reference for resilience regulation strategies. In the two-stage CPSC system, due to the existence of first-order lags, it is not easy to analyze the internal connection relationships and select appropriate state variables. Hence, it is necessary to modify the two-stage CPSC to make it more in line with the requirements of state space analysis. The first-order lag can be considered as integral and time constant [43]. The modified two-stage CPSC system is shown in Figure 5.
The state variable can be effectively selected according to the integral links in the block diagram. For the container pretreatment system (CPS), A V R A T E T W A I T = x 1 , F C P R = x 2 . x1 reflects the status of the actual container arrive rate, and x2 indicates the status of the FCPR. Furthermore, the derivative state of each state variable can be obtained as follows:
x ˙ 1 = 1 T W A I T x 1 + C A R A T E
  x ˙ 2 = U A C O M R A T E 1 C A R A T E
Considering COMRATE1 = ACHR, Equation (10) can be rewritten as
  x ˙ 2 = U A A C H R C A R A T E
In addition, ECOM is also a state that should be noted, which can be expressed as
E C O M = F C P R a d j + A V R A T E = 1 T W A I T x 1 + 1 T F C P R T E T W A I T x 1 x 2 = 1 T W A I T + T E T W A I T T F C P R x 1 1 T F C P R x 2
Similarly, for the container handling system (CHS), the state variables can also be reasonably selected according to the corresponding principles as follows:
A V C H R T A = x 3
C H I P = x 4
U C H R = x 5
Therefore, the derivative state of x1, x2, and x3 can be obtained as
x ˙ 3 = 1 T A x 3 + A C H R
x ˙ 5 = 1 T A + T Q T C H I P   T A T H T U C H R   T A x 3 1 T p + 1 T C H I P   x 4 + 1 T U C H R x 5
x ˙ 5 = 1 T p x 4 + A C H R
As the key calculation process in the CHS, the state of PCHR can be obtained as
P C H R = C H I P a d j + A V C H R + U C H R a d j = 1 T A + T Q T C H I P   T A T H T U C H R   T A x 3 1 T C H I P   x 4 + 1 T U C H R   x 5
The continuous closed-loop state space of the modified two-stage CPSC system can be expressed as
x ˙ = A 0 0 B x + 1 1 0 0 0 C A R A T E + 0 U A 1 0 1 A C H R
where
A = 1 T W A I T 0 0 0 ,   B = 1 T A 0 0 1 T A + T Q T C H I P T A T H T U C H R T A 1 T p 1 T C H I P 1 T U C H R 0 1 T p 0
At the same time, the internal states of the modified two-stage CPSC system can also be expressed as
E C O M   C O M R A T E 1 P C H R U C H R = C 0 0 D x
where
C = 1 T W A I T + T E T W A I T T F C P R 1 T F C P R 1 U A 1 T W A I T + T E T W A I T T F C P R 1 T F C P R U A ,   D = 1 T A + T Q T C H I P T A T H T U C H R T A 1 T C H I P   1 T U C H R   0 0 1

3.5. Dynamic Characteristic Analysis

In order to further obtain the relevant insights on the dynamic characteristics of the modified two-stage CPSC system, it is necessary to use the transfer function and the corresponding characteristic equation for analysis. Based on the state-space description, the main transfer functions in CPS and CHS can be obtained as
  C O M R A T E 1   C A R A T E   = 1 U A T F C P R + T W A I T   + T E s + 1 T F C P R T W A I T   s 2 + T F C P R + T W A I T   s + 1
  E C O M     C A R A T E   = T F C P R + T W A I T   + T E s + 1 T F C P R T W A I T   s 2 + T F C P R + T W A I T   s + 1
U C H R A C H R = T A T P T C H I P s 2 + T P T C H I P   + T A T C H I P   + T A T P s + T P T Q + T H T C H I P / T C H I P T C H I P   T P T A 1 / T U C H R   T P + 1 / T C H I P   + 1 / T P s + s 2 s + 1 / T A
P C H R A C H R = s 2 T C H I P T P   T U C H R   + T P T U C H R T Q T P T C H I P T H   + T P T A T C H I P + s T U C H R T C H I P + T U C H R T Q T H T C H I P + T P T C H I P + T A T C H I P + T C H I P T U C H R   T C H I P   T P T A 1 / T U C H R   T P + 1 / T C H I P   + 1 / T P s + s 2 s + 1 / T A
Based on the obtained transfer functions Equations (24)–(27), the final steady-state value can be obtained by using the final value theorem, and it is beneficial to compare with the subsequent simulation to verify the correctness of the results. When the system input is set as a unit step signal, it is easy to obtain the relevant final values:
lim s 0 s C O M R A T E 1   C A R A T E   = 1 U A ,   lim s 0 s E C O M   C A R A T E   = 1 lim s 0 s U C H R   A C H R   = T U C H R T P T Q T C H I P + T H ,   lim s 0 s P C H R   A C H R   = 1
Further, for the modified two-stage CPSC system, the corresponding final values are
lim s 0 s U C H R   C A R A T E   = lim s 0 s   C O M R A T E 1     C A R A T E   U C H R A C H R = 1 U A T U C H R T P T Q T C H I P + T H
lim s 0 s P C H R   C A R A T E   = lim s 0 s   C O M R A T E 1     C A R A T E   P C H R A C H R = 1 U A
As expected, the result of each final value is similar to the conclusion drawn by Xu et al. [44], which proves that the calculation is correct and reasonable. It can be seen that the value of uchr (∞) depends on UA, TUCHR, TCHIP, TP, TQ and TH. When TP = TQ, UA = 1 and TH = 0, uchr (∞) = 0.
In addition, the dynamic performance is usually determined by the characteristic equation in the transfer function. The standard form of the characteristic equation of the second-order CPS is
s 2 + 2 ζ ω n s + ω n 2 = 0
where ω n and ζ represent the natural frequency and damping ratio, respectively. ω n is related to the recovery speed of its response to reach a steady state, while ζ determines the oscillation level of its response. Compared with Equations (24) and (25), we have
ω n = 1 T W A I T T F C P R
ζ = T W A I T + T F C P R 2 1 T W A I T T F C P R = 1 2 2 + T W A I T 2 + T F C P R 2 T W A I T T F C P R
As can be seen from Equations (32) and (33), both ω n and ζ depend on TWAIT and TFCPR. When the values of TWAIT and TFCPR increase, ω n decreases accordingly, causing the response to take longer to return to the steady state. For ζ , since both a and b are positive, it is easy to obtain T W A I T 2 + T F C P R 2 2 T W A I T T F C P R , thus making ζ 1 . The system is always in a critically damped or overdamped state, which means that the CPS can maintain the stability under any positive control parameters.
For the CHS, since the third-order system has more control parameters, it is not easy to perform an analysis. Therefore, using the characteristic equation to analyze the CHS is an effective choice. The characteristic equation is expressed as
1 / T U C H R   T P + 1 / T C H I P   + 1 / T P s + s 2 s + 1 / T A
Setting the three poles obtained by the characteristic equation as p, p1, and p2, it is easy to identify one of the poles as p = 1 / T A . Then,
p 1 + p 2 = 1 T C H I P   + 1 T P ,   p 1 p 2 = 1 T U C H R   T P
As all relevant control parameters are positive in this paper, it can be obtained that p 1 + p 2 > 0 , p 1 p 2 > 0 , and 1 / T A > 0 . Therefore, the CHS also maintains stability.
Finally, the classic unit step signal is used as input to simulate each state and initially verify the correctness of the above calculation and analysis. Now, set T P = T Q , T H = 1 , T C H I P = 2 T P . On the premise that TWAIT is taken as the main independent variable, the states involved are shown in Figure 6.
As shown in Figure 6, COMRATE1, PCHR, and UCHR show an initial rise, while the FCPR shows a rapid initial drop. The reason lies in the transient response caused by the mutated input unit step signal to the responses. Under the influence of the increasing TWAIT, the setting time of each response increases correspondingly, at the cost of the decreasing oscillation level in varying degrees. The simulation results preliminarily prove the correctness of the calculation and analysis.

4. Two-Dimensional Resilience Index

In the existing literature, the research on the resilience measurement for the supply chain control model is still very insufficient, among which the ITAE has been proved to be an effective reference for the measurement of the resilience level [44,45]. The ITAE can effectively reflect the accumulation of the error between the actual unsatisfied container handling requirement and the ideal value over time. If the response fails to reach the steady state or there is a persistent steady-state error, the value of the ITAE tends to be infinite, indicating that the supply chain is seriously lacking resilience. Based on the equal measurement of positive error and negative error, the smaller the value of the ITAE, the smaller the deviation between the measured value and the desired value, meaning the better the resilience. The basic calculation of ITAE can be expressed as
I T A E = 0 t | e ( t ) | d t = lim δ t 0 t = 0 t | e ( t ) | δ t
where e ( t ) represents the error between actual value and desired value.
However, for the modified two-stage CPSC system, the ITAE with a single response error is not enough to fully measure its resilience, which may lead to inaccurate results. Therefore, on the basis of the ITAE, this paper further incorporates the fluctuation degree (FL) of the planned container handling requirement (PCHR) relative to the container arrive rate (CARATE), which is based on the related calculation idea of the bullwhip effect, as shown in Equation (37).
Bullwhip = σ O R A T E 2 σ C O N S   2
where σ O R A T E 2 and σ C O N S 2 refer to the order rate variance and consumption variance in the production and inventory control system. Regarding this criterion, if σ O R A T E 2 / σ C O N S   2 = 1 , there is zero bullwhip in the system; if σ O R A T E 2 / σ C O N S   2 > 1 , the system is amplified; if σ O R A T E 2 / σ C O N S   2 < 1 , the system is smoothed [46]. Therefore, the calculation idea of the bullwhip effect is integrated into the resilience design of the modified two-stage CPSC system. The calculation form is rewritten as Equation (38), so as to reflect the fluctuation of its internal states. FL is expressed as
F L = 0 ( P C H R ( t ) ) 2 d t / 0 ( C A R A T E ( t ) ) 2 d t
Now, based on comprehensive consideration of the error level and internal state of the CPS and CHS, the two-dimensional resilience index R including recovery and affordability is proposed. The resilience index R is expressed as
R = F L 2 + R E 2
where
F L = 0 ( P C H R ( t ) ) 2 d t / 0 (   C A R A T E ( t ) ) 2 d t , R E = α I T A E U C H R 2 + β I T A E F C P R 2
and
I T A E U C H R = 0 t E U C H R d t , I T A E F C P R = 0 t E F C P R d t
In Equations (38) and (39), FL characterizes the fluctuation of the PCHR relative to its input in the first stage. Smaller fluctuation stands for more accurate response and higher affordability. Different from the calculation of the traditional bullwhip effect, the calculation of FL is carried out in the time domain, and can comprehensively consider the state of the current stage and its input from the previous stage. The ratio of the two is used as the fluctuation degree relative to the input, which can fully reflect the affordability under disruptive events. RE integrates the deviation of the two stage responses as the deviation of the whole system. Furthermore, FL tends to the degree of fluctuation within the system, while RE tends to the deviation of responses, which can be represented as the recovery under disruptive events. The designed two-dimensional resilience index can comprehensively measure the recovery and affordability of the system.
In Equation (40), the accumulation of deviations of UCHR and FCPR over time is expressed by ITAEUCHR and ITAEFCPR, respectively. When the values of I T A E U C H R and I T A E F C P R are smaller, the response and recovery are better. α and β are the proportional coefficients, which is to coordinate the order of magnitude of each calculation link. Therefore, for the novel two-dimensional index R, smaller R represents better resilience. In Equation (41), E U C H R = u c h r ( t ) u c h r ( ) , E F C P R = f c p r ( t ) f c p r ( ) . Furthermore, it has been obtained from Equation (33) that u c h r ( ) = T U C H R T P T Q / T C H I P , f c p r ( ) = 1 .

5. Adaptive Fuzzy Double-Feedback Adjustment Strategy

5.1. Overall Strategy Design

Previous studies on the optimal control of supply chain systems tend to obtain the optimal parameters or parameter sets to achieve the optimal system performance [47,48,49]. However, the obtained mathematical optimal value often does not conform to the actual production process. Considering the limitation, this paper puts forward a design for an adaptive fuzzy double-feedback adjustment (AFDA) strategy. The AFDA includes the first-level fuzzy logic control system and the second-level adaptive fuzzy adjustment system. The AFDA can not only make use of its own real-time states for the adaptive adjustment, but also effectively integrate the relevant logic experience of managers to regulate the fuzzy logic.
An adaptive fuzzy double-feedback control structure is established with two feedback links of FCPR and UCHR. TWAIT is the main independent variable, while TP and TP1 are intrinsic properties. The first-level fuzzy logic system is used to realize the adaptive optimization of the control parameters TFCPR and TUCHR, and the second-level adaptive fuzzy adjustment system is used to synchronously update the adjustment factors in the fuzzy control process to further optimize the modified two-stage CPSC system control effect. The overall design is shown in Figure 7.
Figure 7 shows the deviation between the FCPR and CARATE (e1), and its change rate (ec1) as the inputs of first-level fuzzy logic subsystem 1. The smoothing coefficient α 1 is regulated by the set fuzzy logic, and the updated FCPR obtained by the updated control parameter TFCPR is fed back to the modified two-stage CPSC system. Meanwhile, K1 and K2 are the adjustment factors of the deviation e1 and deviation change rate ec1 respectively, and the control ratio of e1 and ec1 can be adjusted in real time, so as to better adapt to changes of external environment. The specific fuzzy design of the first-level fuzzy logic system and the second-level adaptive fuzzy adjustment system will be detailed in Section 5.2 and Section 5.3. For the first-level fuzzy logic subsystem 2, the principle is roughly similar to that of subsystem 1; the main difference is that it receives the deviation between the unfinished container handling requirement UCHR and the CARATE (e2) and the change rate of deviation (ec2) as input. The updated TUCHR is obtained by the smoothing coefficient α 2 . The updated UCHR obtained by TUCHR is fed back to the modified two-stage CPSC system. K3 and K4 also adjust the corresponding control ratio to better optimize their control effect.

5.2. First-Level Fuzzy Logic System

For the first-level fuzzy logic subsystem 1, when the error signal e1 and the error change rate signal ec1 between the FCPR and CARATE are received, TFCPR is adjusted by the smoothing coefficient α 1 , and the calculation principle can be expressed as
T F C P R = 1 α 1 α 1
Since all control parameters are positive, α 1 < 1 . Therefore, the range of the fuzzy output of the first-level fuzzy logic subsystem 1 is defined as {0, 1}. The fuzzy domain of fuzzy inputs is also set as {0, 1}. Further, the number of fuzzy subsets is set as 7, which is a generally applicable setting, i.e., {VS, S, RS, M, RB, B, VB}. Furthermore, considering that the changes of e and e1 are relatively uniform, the membership function which can be set as the uniformly distributed trigonometric functions, has good accuracy and is convenient to calculate. Specific settings can be found in Appendix A. The variation range of the trigonometric membership function is consistent with the domain corresponding to the fuzzy subset.
The fuzzy setting of the first-level fuzzy logic subsystem 2 is similar to that of subsystem 1. TUCHR is regulated by the smoothing coefficient α 2 . According to the input–output logic relationship, the rule table of fuzzy control of the two fuzzy logic subsystems is shown in Table 2.
Table 2 shows the change trend of the smoothing coefficient ( α 1 , α 2 ) is consistent with error change rate ec (ec1, ec2) and opposite to error (e1, e2). Therefore, the basic control principle of the first-level fuzzy logic system can be summarized as follows: when the change rate is relatively large, the smoothing coefficient should be increased to alleviate the rapid change of the modified two-stage CPSC system under disruptive events, and when the error is relatively large, it is necessary to reduce the smoothing coefficient to try to restore the error to ideal states.

5.3. Second-Level Adaptive Fuzzy Adjustment System

Generally, one of the important characteristics of the modified two-stage CPSC system using fuzzy control is that it is convenient to combine the experience of relevant managers to adjust it. However, because different managers have subjective differences, and the same manager may make different decisions, the parameter design of fuzzy control often has a certain degree of subjectivity. Hence, the real-time adaptive adjustment of the adjustment factors is required.
In the second-level adaptive fuzzy adjustment system, the control objective is to optimize the control effect of the first-level fuzzy logic system through adaptive control of the adjustment factors. The fuzzy subset of the fuzzy inputs is set as {NB, NM, NS, Z, PS, PM, PB}. The membership function also adopts uniformly distributed trigonometric functions. Since the control accuracy of the adjustment factors is often not as high as that of the smoothing coefficient, the number of subsets of the fuzzy output can be selected as 5, i.e., {VS, S, M, B, VB}. It should be noted that at this time, the membership function adopts the trapezoidal membership function with uneven distribution, because the output adjustment factors are mainly distributed at both ends of the interval, and the trapezoidal membership function can smoothly adjust the fuzzy output. The input and output fuzzy domains are {0, 1}. The setting of the fuzzy rule table of the second-level adaptive fuzzy adjustment system is shown in Table 3. More details can be found in Appendix A.
From Table 3, the fuzzy rule presents obvious symmetry characteristics. When both e and ec are close to zero (Z), the proportion of the two input adjustment factors of the fuzzy system is equal. When e becomes larger (positive or negative), the corresponding adjustment factor also becomes larger. This means that it is necessary to increase the control ratio of error and contain it in time. Similarly, when the ec tends to the extreme value (positive or negative), it is necessary to reduce the control ratio of e to increase the control ratio of ec, so as to alleviate the change rate. As a result, the expectation of adaptive adjustment can be achieved.

6. Simulations and Analysis

Disruptive events that have negative effects on the CPSC are diverse, such as the repeated spread of the COVID-19 pandemic [50], natural disasters [51] and geopolitical conflicts [52]. Although these disruptive events are different, their impacts on the CPSC can be summarized as demand mutation, uncertain delays, inefficient port productivity, and slow turnover [50,51,52]. Furthermore, the commonality of these restrictions is that they are often manifested by the inefficiency, stagnation and congestion of container ports. Therefore, the corresponding constraints are modeled as uncertain container handling waiting time delay and berth allocation delay, thereby exploring their impact on the modified two-stage CPSC and further designing the resilience regulation strategy.

6.1. The Effect of CPS on the Modified Two-Stage CPSC

Container uncertain waiting delays and berth allocation delays under disruptive events are integrated into the container preprocessing stage, thereby constructing a CPS. Studying the overall effect of the CPS on the modified two-stage CPSC, especially the change of the main independent variable TWAIT, can effectively reflect the adverse influences of disruptive events, and the preparations for the follow-up regulation research can be made.
In simulation, the oscillation level and setting time are used to represent the fluctuation degree and stability time, respectively. According to our investigation, the continuation of disruptive events has caused varying congestion or disruption in the CPSC. Specifically, under disruptive events, the specific constraints and the general scheme can be summarized as follows: (1) The impact of the COVID-19 pandemic on the CPSC is strong [50], including extremely high transportation prices, transportation accessibility, and extension of supply chains. (2) The median duration of port disruption caused by natural disasters was 6 days, with 95% of them being 22.2 days [51]. (3) A crisis in the CPSC caused by the conflict between Russia and Ukraine reveals the impact of changes in EU consumer prices in situations of container ports destruction [52]. Combined with the commonality of the investigated supply chains, this paper uses the uncertain container waiting delay and allocation delay links set by the CPS system to explore the impact of disruptive events on the modified two-stage CPSC system.
On this basis, we refer to the real-time data of the most congested container ports in the world, and take the congestion data of the top 20 container ports as an example to calculate the average value of nearly a month. Without losing generality, the system is set to take one day as a cycle. The average waiting time is set to 6 days; the average port handling time is 4 days; the expected pretreatment cycle is 1 day; and the constant TA = 6 days. TA can be given different values according to the specific prediction mechanism, but TA does not change the overall response trend of the system to a large extent; TQ and TP are set to be the same value, that is, TQ = TP = 4 days.
Figure 8 shows the effects of TWAIT on the dynamic behaviors of responses in the CPS. It should be emphasized that, compared with other three performance indicators, it is interesting to see that the OSC shows an opposite change trend, because when the waiting time increases, at the cost of longer setting time, the fluctuation becomes less. Furthermore, the responses always experience an initial rise, which is particularly evident in the UCHR response. The reason for this is that the mutated step demand is transmitted to the CPSC through the container preprocessing system, and the responses has to satisfy the output signal transmitted by the CPS. Then, with the continuous port productivity, the UCHR level is gradually reduced to the required level. Consistent with the analysis in Section 3.4, when TWAIT increases, the oscillation levels of the UCHR and PCHR decrease, which are achieved at the expense of longer setting time. In comparison, CHIP is less sensitive to the change of TWAIT. When TWAIT is small, the oscillation peak of CHIP does not change significantly, which proves that when the CPSC is less affected (small TWAIT), a certain balance can still be maintained between the port productivity and the planned container handling requirement.
In addition, the modified two-stage CPSC is abbreviated as the original system. The according resilience R is shown in Figure 9.
Figure 9b shows that a small TWAIT can make the resilience response have a faster response speed. When TWAIT increases, the response speed of R becomes slower and the final stable value is obviously larger, which means that when the modified two-stage CPSC system is more seriously affected (larger TWAIT), the resilience will be significantly reduced. Compared with the initial system, CPS has weakened the resilience to a certain extent under larger values of TWAIT, and the resilience is reduced by 66.95% in the worst case.
Based on the derived R, the effect of FL and RE on R can be further analyzed by decomposing R.
Figure 10 shows the decomposition of R, revealing the relationship between the resilience index R and the internal two-dimensional factors. As shown in Figure 10a,b, both RE and FL have a gain effect on R at the current value, and compared with the affordability, the gain of the recovery to R is significantly greater than the affordability, which means that the recovery accounts for more weight than the affordability, and the resilience is more affected by the recovery. Figure 10c represents the trajectory of RE and FL moving with R during operation. FL and RE eventually move to 2.4 and 6.9, respectively, which is in line with the trend shown by the 3D grid diagram and contour diagram.
Finally, the relevant specific values in simulations are measured and recorded in Table 4. Further, the weakening degree caused by the CPS is shown in the Table 5.

6.2. Adaptive Fuzzy Double-Feedback Adjustment Strategy for Modified Two-Stage CPSC System

The control objective of the modified two-stage CPSC system is to design appropriate regulation strategies to minimize the negative impact and achieve rapid recovery under disruptive events. An adaptive fuzzy double-feedback control structure is established based on two feedback pipelines. Through the effective control of the smoothing coefficients, the adaptive adjustment of the modified two-stage CPSC system is realized. Similarly, the UCHR is taken as the main control object, and the uncertain waiting time delay is taken as the independent variable. At the same time, the AFDA strategy is compared with the original system, PID, and two pipelines (TP) to verify its effectiveness. The simulation results are shown in Figure 11 and Figure 12.
The simulation results are recorded in Table 6, Table 7 and Table 8. In Figure 11, the optimization effect of each method can be easily compared and the effectiveness of the proposed AFDA is verified. Compared with the original system, the oscillation level under disruptive effects is significantly reduced, and the stabilization time is shortened. Comparing the data recorded in Table 6 with Table 4, the OSC can be reduced by up to 49.53% at the maximum, and the ts can be shortened by up to 35.94%. When the container waiting time delay is (3, 6, 12, 24) days, AFDA can ultimately shorten the stability time by (28.25%, 28.62%, 35.44%, 35.94%), respectively.
Figure 12 shows the resilience under different methods. The increase in TWAIT significantly decreases the resilience. However, using the AFDA strategy, the resilience is enhanced. It is worth noting that R under the AFDA strategy has an obvious initial rapid rise. The reason is that when the feedback signal is used for adjustment, the initial rise of response affects the measurement of R. Eventually, both the response and R can be restored to the stable states.
Finally, for R with AFDA, it can also be decomposed to further explore the inner two-dimensional mechanism of resilience, as shown in Figure 13.
Figure 13 shows that when TWAIT is small, R is significantly affected by FL more than RE. This trend begins to change as TWAIT grows larger. When the value of TWAIT becomes large, R is obviously dependent on the change of RE, while the change of FL is no longer obvious.

7. Managerial Findings and Conclusions

7.1. Managerial Findings

Some potentially meaningful managerial findings can be further obtained. (1) Under disruptive events, the efficiency of responses decreases obviously with the extension of waiting time delay. (2) R is sensitive to the disruptive events. The resilience is greatly weakened under the effect of the CPS. When TWAIT = 24, TFCPR = 4, the resilience can be reduced to as little as 1/3 of that of the original system. (3) Since resilience reflects the inherent property of the CPSC, it is more difficult to measure resilience than other performance indicators. The proposed two-dimensional resilience index can integrate recovery and affordability. Under the same TWAIT, the resilience can be improved by (44.95%, 36.88%, 25.39%, 12.90%), respectively. (4) When TWAIT is small, R is mainly affected by the affordability. When TWAIT becomes larger, the CPSC needs more recovery, and R begins to mainly depend on the recovery.
In addition, some management implications and practical suggestions can be proposed. (1) When disruptive events occur, managers in the CPSC can first reasonably model the negative effects and conduct preliminary quantitative analysis, which is more conducive to loss assessment and subsequent adjustment measures. (2) In the actual operation process, the inherent resilience is easy to ignore and difficult to observe directly. Therefore, it is important to consider the guidance for resilience in combination with operations. (3) When managing and optimizing the CPSC, the overall operating logic should be fully considered to avoid local optimization and adjustment. When suffering from disruptive events, the deviation between the container handling requirement and the ideal level is large, and the smoothing coefficient should be properly decreased to try to restore the error to ideal states. While the change rate of error is relatively large, it is necessary to increase the smoothing coefficient to alleviate the rapid change of the CPSC.

7.2. Conclusions

A modified two-stage CPSC including CPS and CHS is designed. Indeterminate container waiting delay and allocation delay due to disruptive effects are factored into the CPS. The state-space description and associated characteristic analysis not only provide a comprehensive insight into the CPSC system, but also obtain the theoretical value of the CPSC system response. The two-dimensional resilience index R includes affordability and recovery. Furthermore, the two-dimensional mechanism of RE and FL is explored by decomposing R. An adaptive fuzzy double-feedback adjustment strategy is designed to realize the adaptive optimization of the CPSC. Compared with other three strategies, the proposed AFDA meets the actual needs of port production practice more easily. When facing different constraints and control objectives, it is easy to change the input and output of fuzzy control and reset the fuzzy logic. Future research will focus on the optimal resilience of the CPSC and the role of various internal factors of resilience.

Author Contributions

Conceptualization, B.X. and J.L.; methodology, B.X., J.L. and W.L.; validation, B.X., J.L. and W.L.; writing—review and editing, B.X., J.L. and W.L.; supervision, B.X. and J.L. All authors have read and agreed to the published version of the manuscript.

Funding

This work is supported by the National Natural Science Foundation of China (No. 52102466), the Natural Science Foundation of Shanghai (No. 21ZR1426900) and the Soft Science Research Project of Shanghai (No. 22692108100; 23692107400). Here we would like to express our gratitude to them.

Institutional Review Board Statement

Not applicable.

Informed Consent Statement

Not applicable.

Data Availability Statement

The data used to support the findings of this study are included within the article.

Acknowledgments

The authors thank the helpful comments and suggestions of anonymous reviewers on this study.

Conflicts of Interest

The authors declared no potential conflict of interest with respect to the research, authorship, and/or publication of this article.

Appendix A

The membership functions in the fuzzification process, the values of the variables involved, and other related fuzzy settings are given in detail. The input and output of the first-level fuzzy logic system and the input of the second-level adaptive fuzzy adjustment system, uniformly distributed trigonometric functions are as follows:
x a b a a x < b a c b c b x < c 0 x < a , x c
where a , b , and c are the abscissas of three points of the trigonometric membership functions, and x specifies the domain scope of the variable. The cording value range and coordinate values of each trigonometric function are shown in Table A1.
Table A1. The relevant settings of the trigonometric membership functions.
Table A1. The relevant settings of the trigonometric membership functions.
Fuzzy SubsetsInput x (e, ec)Abscissas of Trigonometric Function (a, b, c)
VS 0 x 5 % (a, b, c) = (0, 0, 0.1667)
S 5 % x 16.67 % (a, b, c) = (0, 0.1667, 0.3333)
RS 16.67 % x 33.33 % (a, b, c) = (0.1667, 0.3333, 0.5)
M 33.33 % x 50 % (a, b, c) = (0.3333, 0.5, 0.6667)
RB 50 % x 66.67 % (a, b, c) = (0.5, 0.6667, 0.8333)
B 66.67 % x < 83.33 % (a, b, c) = (0.6667, 0.8333, 1)
VB 83.33 % x 100 % (a, b, c) = (0.8333, 1, 1)
The output of the second-level adaptive fuzzy adjustment system adopts the trapezoidal membership functions, and the expression is
f ( x , a , b , c , d ) = 0 , x < a x a b a a x b 1   b < x < c d x d c c x d 0 , d < x
where a , b , c , and d specify the shape of the trapezoidal membership functions, and x specifies the domain scope of the variable. The specific setting of each membership function is shown in Table A2.
Table A2. The relevant settings of the trapezoidal membership functions.
Table A2. The relevant settings of the trapezoidal membership functions.
Fuzzy SubsetsCoordinate Range x (e, ec)Abscissas of Trapezoidal Function (a, b, c, d)
VS 0 x 25 % (a, b, c, d) = (0, 0, 0.05, 0.1)
S 25 % x 37.5 % (a, b, c, d) = (0.05, 0.1, 0.15, 0.3)
M 37.5 % x 62.5 % (a, b, c, d) = (0.1, 0.2, 0.35, 0.65)
B 62.5 % x 75 % (a, b, c, d) = (0.55, 0.8, 0.9, 1)
VB 75 % x 100 % (a, b, c, d) = (0.9, 0.95, 1, 1)
Based on the membership functions of input and output and other related settings, the fuzzy reasoning process adopted is in the form of if–then, shown in Figure A1.
Figure A1. Basic process of fuzzy reasoning.
Figure A1. Basic process of fuzzy reasoning.
Jmse 11 00732 g0a1
Finally, the initial settings of the main variables and parameters involved before the fuzzification procedure are shown in Table A3.
Table A3. The initial settings of the main variables and parameters before the fuzzification procedure.
Table A3. The initial settings of the main variables and parameters before the fuzzification procedure.
SymbolsValues
TUCHR6
TFCPR4
α 1 1/5
α 2 1/7
K1 = K20.5
K3 = K40.5

References

  1. Jiang, B.; Li, J.; Shen, S. Supply chain risk assessment and control of port enterprises: Qingdao port as case study. Asian J. Shipp. Logist. 2018, 34, 198–208. [Google Scholar]
  2. Mason-Jones, R.; Naim, M.M.; Towill, D.R. The impact of pipeline control on supply chain dynamics. Int. J. Logist. Manag. 1997, 8, 47–62. [Google Scholar] [CrossRef]
  3. Sabbaghnia, A.; Razmi, J.; Babazadeh, R.; Moshiri, B. Reducing the Bullwhip effect in a supply chain network by application of optimal control theory. RAIRO-Oper. Res. 2018, 52, 1377–1396. [Google Scholar]
  4. Aggelogiannaki, E.; Sarimveis, H. Design of a novel adaptive inventory control system based on the online identification of lead time. Int. J. Prod. Econ. 2008, 114, 781–792. [Google Scholar]
  5. Sethi, S.P.; Thompson, G.L. Optimal Control Theory: Applications to Management Science and Economics; Springer Science & Business Media: Cham, Switzerland, 2018. [Google Scholar]
  6. Loh, H.S.; Zhou, Q.; Thai, V.V.; Wong, Y.D.; Yuen, K.F. Fuzzy comprehensive evaluation of port-centric supply chain disruption threats. Ocean Coast. Manag. 2017, 148, 53–62. [Google Scholar]
  7. Ji, H.; Sui, Y.; Wang, H. Sustainable development for shipping companies: A supply chain integration perspective. J. Coast. Res. 2017, 98, 339–343. [Google Scholar]
  8. Liu, F.; Wang, J.; Liu, J.; Kong, Y. Coordination of port service chain with an integrated contract. Soft Comput. 2019, 24, 6245–6258. [Google Scholar] [CrossRef]
  9. Wang, C.; Jiao, Y. Shipping companies’ choice of low sulfur fuel oil with government subsidy and different maritime supply chain power structures. Marit. Policy Manag. 2022, 49, 323–346. [Google Scholar]
  10. Ma, H.L.; Leung, L.C.; Chung, S.H.; Wong, C.W.H. Insurance incentive to shippers by a container port: Issues of risk management in supply chain finance. Ann. Oper. Res. 2022, 1–19. [Google Scholar] [CrossRef]
  11. Spieske, A.; Birkel, H. Improving supply chain resilience through industry 4.0: A systematic literature review under the impressions of the COVID-19 pandemic. Comput. Ind. Eng. 2021, 158, 107452. [Google Scholar] [PubMed]
  12. Hohenstein, N.O.; Feisel, E.; Hartmann, E.; Giunipero, L. Research on the phenomenon of supply chain resilience: A systematic review and paths for further investigation. Int. J. Phys. Distrib. Logist. Manag. 2015, 45, 90–117. [Google Scholar] [CrossRef]
  13. Sawik, T. Stochastic optimization of supply chain resilience under ripple effect: A COVID-19 pandemic related study. Omega 2022, 109, 102596. [Google Scholar] [CrossRef]
  14. Negri, M.; Cagno, E.; Colicchia, C.; Sarkis, J. Integrating sustainability and resilience in the supply chain: A systematic literature review and a research agenda. Bus. Strategy Environ. 2021, 30, 2858–2886. [Google Scholar] [CrossRef]
  15. Corsini, R.R.; Costa, A.; Cannella, S.; Framinan, J.M. Analysing the impact of production control policies on the dynamics of a two-product supply chain with capacity constraints. Int. J. Prod. Res. 2022, 61, 1913–1937. [Google Scholar] [CrossRef]
  16. Ivanov, D.; Dolgui, A.; Das, A.; Sokolov, B. Digital supply chain twins: Managing the ripple effect, resilience, and disruption risks by data-driven optimization, simulation, and visibility. In Handbook of Ripple Effects in the Supply Chain; Springer: Cham, Switzerland, 2019; pp. 309–332. [Google Scholar]
  17. Olivares-Aguila, J.; ElMaraghy, W. System dynamics modelling for supply chain disruptions. Int. J. Prod. Res. 2021, 59, 1757–1775. [Google Scholar] [CrossRef]
  18. Zhang, Y.; Lam, J.S.L. Estimating economic losses of industry clusters due to port disruptions. Transp. Res. Part A Policy Pract. 2016, 91, 17–33. [Google Scholar] [CrossRef]
  19. Cuong, T.N.; Kim, H.S.; You, S.S.; Nguyen, D.A. Seaport throughput forecasting and post COVID-19 recovery policy by using effective decision-making strategy: A case study of Vietnam ports. Comput. Ind. Eng. 2022, 168, 108102. [Google Scholar] [CrossRef]
  20. Rogerson, S.; Svanberg, M.; Santén, V. Supply chain disruptions: Flexibility measures when encountering capacity problems in a port conflict. Int. J. Logist. Manag. 2022, 33, 567–589. [Google Scholar] [CrossRef]
  21. Bai, X.; Jia, H.; Xu, M. Identifying port congestion and evaluating its impact on maritime logistics. Marit. Policy Manag. 2022, 49, 1–18. [Google Scholar] [CrossRef]
  22. John, S.; Naim, M.M.; Towill, D.R. Dynamic analysis of a WIP compensated decision support system. Int. J. Manuf. Syst. Des. 2021, 1, 283–297. [Google Scholar]
  23. Alkaabneh, F.M.; Lee, J.; Gómez, M.I.; Gao, H.O. A systems approach to carbon policy for fruit supply chains: Carbon tax, technology innovation, or land sparing? Sci. Total Environ. 2021, 767, 144211. [Google Scholar] [CrossRef]
  24. Papanagnou, C.I. Measuring and eliminating the bullwhip in closed loop supply chains using control theory and Internet of Things. Ann. Oper. Res. 2022, 310, 153–170. [Google Scholar] [CrossRef]
  25. Cuong, T.N.; Kim, H.S.; Nguyen, D.A.; You, S.S. Nonlinear analysis and active management of production-distribution in nonlinear supply chain model using sliding mode control theory. Appl. Math. Model. 2021, 97, 418–437. [Google Scholar] [CrossRef]
  26. Alkaabneh, F.; Diabat, A.; Gao, H.O. A unified framework for efficient, effective, and fair resource allocation by food banks using an approximate dynamic programming approach. Omega 2021, 100, 102300. [Google Scholar] [CrossRef]
  27. Khamseh, A.; Teimoury, E.; Shahanaghi, K. A new dynamic optimisation model for operational supply chain recovery. Int. J. Prod. Res. 2021, 59, 7441–7456. [Google Scholar] [CrossRef]
  28. Fu, D.; Zhang, H.T.; Dutta, A.; Chen, G. A cooperative distributed model predictive control approach to supply chain management. IEEE Trans. Syst. Man Cybern. Syst. 2019, 50, 4894–4904. [Google Scholar] [CrossRef]
  29. Alkaabneh, F.; Diabat, A. A multi-objective home healthcare delivery model and its solution using a branch-and-price algorithm and a two-stage meta-heuristic algorithm. Transp. Res. Part C: Emerg. Technol. 2022, 147, 103838. [Google Scholar] [CrossRef]
  30. Yan, L.; Liu, J.; Xu, F.; Teo, K.L.; Lai, M. Control and synchronization of hyperchaos in digital manufacturing supply chain. Appl. Math. Comput. 2021, 391, 125646. [Google Scholar] [CrossRef]
  31. Xu, X.; Kim, H.S.; You, S.S.; Lee, S.D. Active management strategy for supply chain system using nonlinear control synthesis. Int. J. Dyn. Control 2022, 10, 1981–1995. [Google Scholar] [CrossRef]
  32. Cohen, M.; Cui, S.; Doetsch, S.; Ernst, R.; Huchzermeier, A.; Kouvelis, P.; Lee, H.; Matsuo, H.; Tsay, A.A. Bespoke supply-chain resilience: The gap between theory and practice. J. Oper. Manag. 2022, 68, 515–531. [Google Scholar] [CrossRef]
  33. Moosavi, J.; Hosseini, S. Simulation-based assessment of supply chain resilience with consideration of recovery strategies in the COVID-19 pandemic context. Comput. Ind. Eng. 2021, 160, 107593. [Google Scholar] [CrossRef]
  34. Mao, X.; Lou, X.; Yuan, C.; Zhou, J. Resilience-based restoration model for supply chain networks. Mathematics 2020, 8, 163. [Google Scholar] [CrossRef]
  35. Rajesh, R. Network design for resilience in supply chains using novel crazy elitist TLBO. Neural Comput. Appl. 2020, 32, 7421–7437. [Google Scholar] [CrossRef]
  36. Chen, H.; Cullinane, K.; Liu, N. Developing a model for measuring the resilience of a port-hinterland container transportation network. Transp. Res. Part E Logist. Transp. Rev. 2017, 97, 282–301. [Google Scholar] [CrossRef]
  37. Rajesh, R. A fuzzy approach to analyzing the level of resilience in manufacturing supply chains. Sustain. Prod. Consum. 2019, 18, 224–236. [Google Scholar] [CrossRef]
  38. Ramezankhani, M.J.; Torabi, S.A.; Vahidi, F. Supply chain performance measurement and evaluation: A mixed sustainability and resilience approach. Comput. Ind. Eng. 2018, 126, 531–548. [Google Scholar] [CrossRef]
  39. Zhang, A.N.; Wagner, S.M.; Goh, M.; Asian, S. Quantifying supply chain disruption: A recovery time equivalent value at risk approach. Int. J. Logist. Res. Appl. 2021, 24, 1–21. [Google Scholar] [CrossRef]
  40. Li, Y.; Zobel, C.W.; Seref, O.; Chatfield, D. Network characteristics and supply chain resilience under conditions of risk propagation. Int. J. Prod. Econ. 2020, 223, 107529. [Google Scholar] [CrossRef]
  41. Gao, Y.; Leng, Y.; Shan, B. Control Supply Chain Risks in Digital Transformation: A New Way to Improve Supply Chain Resilience. J. Organ. End User Comput. 2022, 34, 1–18. [Google Scholar] [CrossRef]
  42. Towill, D.R. Exponential smoothing of learning curve data. Int. J. Prod. Res. 1977, 15, 1–15. [Google Scholar] [CrossRef]
  43. Wikner, J. Dynamic analysis of a production-inventory model. Kybernetes 2005, 37, 803–823. [Google Scholar] [CrossRef]
  44. Xu, B.; Li, J.; Yang, Y.; Wu, H.; Postolache, O. Model and resilience analysis for handling chain systems in container ports. Complexity 2019, 2019, 9812651. [Google Scholar] [CrossRef]
  45. Spiegler, V.L.; Naim, M.M.; Wikner, J. A control engineering approach to the assessment of supply chain resilience. Int. J. Prod. Res. 2012, 50, 6162–6187. [Google Scholar] [CrossRef]
  46. Al-Khazraji, H.; Cole, C.; Guo, W. Optimization and simulation of dynamic performance of production–inventory systems with multivariable controls. Mathematics 2021, 9, 568. [Google Scholar] [CrossRef]
  47. Disney, S.M.; Towill, D.R. A procedure for the optimization of the dynamics response of a vendor managed inventory system. Comput. Ind. Eng. 2002, 43, 27–58. [Google Scholar] [CrossRef]
  48. Kristianto, Y.; Helo, P.; Jiao, J.R.; Sandhu, M. Adaptive fuzzy vendor managed inventory control for mitigating the Bullwhip effect in supply chains. Eur. J. Oper. Res. 2012, 216, 346–355. [Google Scholar] [CrossRef]
  49. Disney, S.M.; Naim, M.M.; Towill, D.R. Genetic algorithm optimization of a class of inventory control systems. Int. J. Prod. Econ. 2000, 68, 259–278. [Google Scholar] [CrossRef]
  50. Beškovnik, B.; Zanne, M.; Golnar, M. Dynamic Changes in Port Logistics Caused by the COVID-19 Pandemic. J. Mar. Sci. Eng. 2022, 10, 1473. [Google Scholar] [CrossRef]
  51. Verschuur, J.; Koks, E.E.; Hall, J.W. Port disruptions due to natural disasters: Insights into port and logistics resilience. Transp. Res. Part D Transp. Environ. 2020, 85, 102393. [Google Scholar] [CrossRef]
  52. Rožić, T.; Naletina, D.; Zając, M. Volatile freight rates in maritime container industry in times of crises. Appl. Sci. 2022, 12, 8452. [Google Scholar] [CrossRef]
Figure 1. Basic structure of container port supply chain.
Figure 1. Basic structure of container port supply chain.
Jmse 11 00732 g001
Figure 2. Container handling system.
Figure 2. Container handling system.
Jmse 11 00732 g002
Figure 3. Container pretreatment system.
Figure 3. Container pretreatment system.
Jmse 11 00732 g003
Figure 4. Two-stage container port supply chain system.
Figure 4. Two-stage container port supply chain system.
Jmse 11 00732 g004
Figure 5. Modified two-stage container port supply chain system.
Figure 5. Modified two-stage container port supply chain system.
Jmse 11 00732 g005
Figure 6. Changes of each state in the CPS with different control parameters. (a) COMRATE1 under the change of TWAIT; (b) FCPR under the change of TWAIT; (c) PCHR under the change of TWAIT; (d) UCHR under the change of TWAIT.
Figure 6. Changes of each state in the CPS with different control parameters. (a) COMRATE1 under the change of TWAIT; (b) FCPR under the change of TWAIT; (c) PCHR under the change of TWAIT; (d) UCHR under the change of TWAIT.
Jmse 11 00732 g006aJmse 11 00732 g006b
Figure 7. Structure diagram of modified two-stage CPSC system based on AFDA.
Figure 7. Structure diagram of modified two-stage CPSC system based on AFDA.
Jmse 11 00732 g007
Figure 8. The influence of TWAIT changes in CPS on responses. (a) UCHR; (b) CHIP; (c) PCHR.
Figure 8. The influence of TWAIT changes in CPS on responses. (a) UCHR; (b) CHIP; (c) PCHR.
Jmse 11 00732 g008
Figure 9. Resilience of original system and the system under the influence of TWAIT. (a) R of original system; (b) R under the change of TUCHR.
Figure 9. Resilience of original system and the system under the influence of TWAIT. (a) R of original system; (b) R under the change of TUCHR.
Jmse 11 00732 g009
Figure 10. The 3D mesh, contour map and trajectory of decomposed R. (a) 3D mesh of decomposition; (b) contour map; and (c) the trajectories of FL and RE.
Figure 10. The 3D mesh, contour map and trajectory of decomposed R. (a) 3D mesh of decomposition; (b) contour map; and (c) the trajectories of FL and RE.
Jmse 11 00732 g010
Figure 11. Comparison of responses: (a) Original system; (b) AFDA; (c) PID; and (d) two pipelines.
Figure 11. Comparison of responses: (a) Original system; (b) AFDA; (c) PID; and (d) two pipelines.
Jmse 11 00732 g011
Figure 12. Comparisons of R. (a) Original system: (b) AFDA; (c) PID; and (d) two pipelines.
Figure 12. Comparisons of R. (a) Original system: (b) AFDA; (c) PID; and (d) two pipelines.
Jmse 11 00732 g012
Figure 13. The decomposition of R under AFDA. (a) TWAIT = 3; (b) TWAIT = 6; (c) TWAIT = 12; (d) TWAIT = 24.
Figure 13. The decomposition of R under AFDA. (a) TWAIT = 3; (b) TWAIT = 6; (c) TWAIT = 12; (d) TWAIT = 24.
Jmse 11 00732 g013aJmse 11 00732 g013b
Table 1. Definitions of variables and symbols in this paper.
Table 1. Definitions of variables and symbols in this paper.
ACHRActual container handling requirement
AVCHRAverage container handling requirement
AVRATEActual container average arrive rate
CARATEContainer arrive rate
CHIPContainer handling in progress
CHIPadjCHIP adjustment
COMRATEHandling completion rate
COMRATE1Gross allocation completion rate
COMRATE2Net allocation completion rate
ECHIPExpected container handling in progress
ECOMExpected allocation completion rate
EFCPRExpected finished container pretreatment requirement
EFCHRExpected finished container handling requirement
FCPRFinished container pretreatment requirement
FCPRadjFCPR adjustment
OSCOscillation level
PCHRPlanned container handling requirement
RResilience index
TAForecasting smoothing constant
TCHIPTime to adjust CHIP discrepancy
TEExpected lead-time of pretreatment
TFCPRTime to adjust FCPR discrepancy
THExpected handling time
tpPeak time
TPContainer handling delay time
TP1Allocation time delay
TQExpected lead-time of container handling
tsSetting time
TUCHRAdjustment time of UCHR
TWAITWaiting time delay
UAUnit allocation rate
UCHRUnfinished container handling requirement
UCHRadjUCHR adjustment
Table 2. Rule table of first-level fuzzy logic.
Table 2. Rule table of first-level fuzzy logic.
ece
VSSRSMRBBVB
VSMRSRSSSVSVS
SRBMRSRSSSVS
RSRBRBMRSRSSS
MBRBRBMRSRSS
RBBBRBRBMRSRS
BVBBBRBRBMRS
VBVBVBBBRBRBM
Table 3. Fuzzy rule table of second-level adaptive fuzzy adjustment system.
Table 3. Fuzzy rule table of second-level adaptive fuzzy adjustment system.
ece
NBNMNSZPSPMPB
NBBBMVSSMB
NMBBMSSBB
NSVBBMMMBVB
ZVBBBMBBVB
PSVBBMMMBVB
PMBBMSMBB
PBBMSVSSMB
Table 4. Simulation results under the change of parameters.
Table 4. Simulation results under the change of parameters.
Control ParametersUCHRR
OSCts (d)tp (d)
TFCPR = 4TWAIT = 35.4440.6010.005.94
TWAIT = 65.3357.3011.207.24
TWAIT = 125.0372.8012.3010.16
TWAIT = 244.7087.1012.9015.82
Ideal situation4.7036.409.105.19
Table 5. Relative weakening degree of system dynamic performance.
Table 5. Relative weakening degree of system dynamic performance.
Control ParametersUCHRR
OSCtstp
TWAIT = 315.74%11.54%9.89%14.45%
TWAIT = 613.40%57.42%23.08%39.50%
TWAIT = 127.02%100.00%35.16%95.76%
TWAIT = 240139.29%41.76%204.48%
Table 6. Dynamic performance and R with AFDA.
Table 6. Dynamic performance and R with AFDA.
UCHRR
OSCtstp
Increase in TWAIT2.8035.405.703.27
2.6940.906.604.57
2.6047.007.607.58
2.5155.809.0013.78
Table 7. Dynamic performance and R with PID.
Table 7. Dynamic performance and R with PID.
UCHRR
OSCtstp
Increase in TWAIT2.8682.506.607.58
2.6386.507.308.78
2.3694.007.8011.05
2.14102.008.1015.40
Table 8. Dynamic performance and R with TP.
Table 8. Dynamic performance and R with TP.
UCHRR
OSCtstp
Increase in TWAIT5.4440.7010.005.87
5.3357.3011.206.84
5.0372.8012.309.89
4.7087.2012.9015.64
Disclaimer/Publisher’s Note: The statements, opinions and data contained in all publications are solely those of the individual author(s) and contributor(s) and not of MDPI and/or the editor(s). MDPI and/or the editor(s) disclaim responsibility for any injury to people or property resulting from any ideas, methods, instructions or products referred to in the content.

Share and Cite

MDPI and ACS Style

Xu, B.; Liu, W.; Li, J. Resilience Regulation Strategy for Container Port Supply Chain under Disruptive Events. J. Mar. Sci. Eng. 2023, 11, 732. https://doi.org/10.3390/jmse11040732

AMA Style

Xu B, Liu W, Li J. Resilience Regulation Strategy for Container Port Supply Chain under Disruptive Events. Journal of Marine Science and Engineering. 2023; 11(4):732. https://doi.org/10.3390/jmse11040732

Chicago/Turabian Style

Xu, Bowei, Weiting Liu, and Junjun Li. 2023. "Resilience Regulation Strategy for Container Port Supply Chain under Disruptive Events" Journal of Marine Science and Engineering 11, no. 4: 732. https://doi.org/10.3390/jmse11040732

APA Style

Xu, B., Liu, W., & Li, J. (2023). Resilience Regulation Strategy for Container Port Supply Chain under Disruptive Events. Journal of Marine Science and Engineering, 11(4), 732. https://doi.org/10.3390/jmse11040732

Note that from the first issue of 2016, this journal uses article numbers instead of page numbers. See further details here.

Article Metrics

Back to TopTop