Next Article in Journal
Research on Underwater Image Restoration Technology Based on Multi-Domain Translation
Previous Article in Journal
Nonparametric Identification Model of Coupled Heave–Pitch Motion for Ships by Using the Measured Responses at Sea
 
 
Font Type:
Arial Georgia Verdana
Font Size:
Aa Aa Aa
Line Spacing:
Column Width:
Background:
Article

The Impact of Slow Steaming on Fuel Consumption and CO2 Emissions of a Container Ship

1
Faculty of Maritime Studies, University of Rijeka, Studentska 2, 51000 Rijeka, Croatia
2
Faculty of Engineering, University of Rijeka, Vukovarska 58, 51000 Rijeka, Croatia
3
Faculty of Mechanical Engineering and Naval Architecture, University of Zagreb, Ivana Lučića 5, 10002 Zagreb, Croatia
*
Author to whom correspondence should be addressed.
J. Mar. Sci. Eng. 2023, 11(3), 675; https://doi.org/10.3390/jmse11030675
Submission received: 1 March 2023 / Revised: 19 March 2023 / Accepted: 20 March 2023 / Published: 22 March 2023
(This article belongs to the Section Marine Environmental Science)

Abstract

Modern marine propulsion systems must be reliable, energy efficient, environmentally friendly, and economical. Efforts to reduce fuel costs and carbon dioxide (CO2) emissions per nautical mile have a significant impact on the choice of propulsion system. Considering that there is no alternative for maritime transport, various technical and technological solutions are being considered that aim to improve efficiency and reduce the negative impact on the environment. One of the ways to achieve this goal is slow steaming, which reduces fuel consumption and CO2 emissions. The designed speed of the vessel has a significant impact on the efficiency of slow steaming. Slow steaming is particularly suitable for large container ships with a design speed of more than 20 knots. In this paper, the effects of slow steaming are analyzed using the example of a container ship with diesel-engine propulsion. Propulsion systems with low-speed and medium-speed marine diesel engines with mechanical power transmission are investigated. Data on the required engine power and propeller speed were used for the study, obtained from calculations during testing of the ship’s hull model. The effects of speed reduction on specific fuel consumption and emission reduction were analyzed using numerical models of two-stroke and four-stroke diesel engines. The models were calibrated and validated using data provided by the engine manufacturers. The paper analyses four different cases where one or two low-speed diesel engines, or three or four medium-speed diesel engines, are used for propulsion. The analysis concludes that slow steaming can effectively reduce fuel consumption and CO2 emissions, but the choice of the optimal propulsion system is highly dependent on maritime market conditions in maritime transportation. The choice of propulsion system affects the potential of slow steaming.

1. Introduction

More than 80% of all global traffic is sea transportation [1]. Maritime transport is of great importance for world trade, especially under pandemic conditions. In exceptional situations, there is no alternative to maritime transport, and despite a 3.8% drop in traffic in the first half of 2020, there was a recovery in maritime transport for containers and bulk goods in the second half of the same year. According to UNCTAD (United Nations Conference on Trade and Development) forecasts, the total volume of maritime trade will grow by an average of 2.4% per year in the period 2021–2026, and in the same period, maritime container traffic is forecast to increase by an average of 5.2% [2]. Maritime transport produces 47 times less CO2 than air transport, 5.9 times less than truck transport, and 2.1 times less than rail transport, if we take into account the amount of cargo transported and the distance traveled. [3].
On the other hand, maritime transport requires rapid adaptation for compliance with energy efficiency and environmental sustainability requirements. A particular challenge is to meet the requirements regarding the reduction of greenhouse gas emissions by 2050 by at least 50% compared with 2008. According to the IMO (International Maritime Organization) requirements based on the Paris Agreement, carbon dioxide emissions must be reduced by at least 40% by 2030, and 70% by 2050, compared with 2008 levels. At the initiative of the IMO, a new chapter has been added to Annex VI of the International Convention for the Prevention of Pollution from Ships (MARPOL), which provides for additional reductions in carbon dioxide emissions from ships. To achieve the set target, IMO proposes several measures to reduce CO2 emissions. One of the proposed measures is to optimize and reduce sailing speed to reduce fuel consumption and CO2 emissions by between 20% and 40%. At extremely slow steaming, a reduction of more than 60% can be achieved [4]. Bulk carriers, tankers, and container ships are responsible for about 55% of total CO2 emissions from ships, while the contribution of container ships to total emissions is about 23% [5].
Slow steaming is not the only method for lowering CO2 emissions. In [6], results are presented of about 150 studies to provide an overview of many technologies and measures for reducing GHG emissions from shipping. In the paper, it is stated that no single method is sufficient to achieve meaningful GHG reductions. Authors in [7] found, after analyzing the frequently used keywords in relevant articles, that the new main focus is on the potential of different alternative fuels for limiting the emissions from the shipping sector, but there are economic and technological barriers for adoption of alternative fuels.
Recognition that slow steaming is still a viable solution is shown in [8,9,10]. Reducing cruising speed (slow steaming) is an effective measure to reduce the consumption of conventional fuels in maritime transport. Slow steaming can be applied to existing vessels, but the effectiveness of the measure is limited by the ability of the vessel’s propulsion system to adapt to long-term travel at reduced speed. In order to achieve adequate energy efficiency and economic acceptability, it is generally necessary to carefully balance the reduction in fuel consumption and CO2 emissions against the increase in transport time, considering market conditions and, in particular, the willingness of customers to tolerate a longer delivery time.
The reduction in fuel consumption per nautical mile sailed, and consequently, the reduction in CO2 emissions that can be achieved by applying slow steaming, depends primarily on the design speed of the vessel, i.e., the positive effect is generally greater when the speed reduction is greater compared with the design speed [11]. The efficiency of slow steaming depends not only on the intended navigation speed, but also on the purpose and size of the ship, as well as the area of travel and the distance covered. The advantages are more pronounced for large ships travelling at medium and high speeds [12,13]. Compared with most other measures, slow steaming is an efficient and acceptable solution for reducing fuel costs and negative environmental impacts that does not require significant additional investment [14]. Therefore, container ships, which are usually designed for sailing speeds of more than 20 knots, are particularly well suited for the application of slow steaming.
A two-stroke low-speed marine diesel engine is mainly used as a propulsion engine on large container ships. This is because of the efficiency in converting the chemical energy of the fuel into the mechanical energy required for propulsion, which is about 50% to 53% for modern low-speed two-stroke diesel engines at 75% to 85% MCR (Maximum Continuous Rating). At lower loads, up to 25% MCR, the reduction in efficiency is about 2 to 3%. Medium-speed marine diesel engines have a somewhat lower efficiency, ranging from 46.3% to 47.6% at 85% MCR [15,16,17]. At a load of 50% MCR, the efficiency is reduced by 3% to 5% compared to the efficiency at 75% to 100% MCR.
In the period from 2008 to 2010, reducing the sailing speed of container ships reduced fuel consumption and CO2 emissions by more than 11% [18].
The results of a study on the effects of slow steaming when reducing the sailing speed of a container ship from 24 knots to 19 knots in three different sea conditions (4–6 Beaufort scale) showed a reduction in fuel consumption of about 53% was achieved, regardless of the sea conditions [19].
The study [5] was conducted for three container ships, two bulk carriers, and one tanker. The paper presents the results for the tanker, where there is a reduction of brake specific fuel consumption (BSFC) when the sailing speed is reduced from 0% to 30% under different weather conditions. The authors conclude that the reduction in fuel consumption at reduced speed is more pronounced in bad weather than in calm seas.
Reducing the sailing speed of a RO-RO ship by 10% compared with the planned speed leads to a 27% reduction in CO2 emissions (fuel consumption), and a 40% reduction in speed leads to a 78.4% reduction in CO2 emissions (fuel consumption) [20].
The influence of fuel price and cargo space cost on optimal sailing speed was studied in [13]. From the results obtained for different market conditions, it appears that the selected optimal sailing speed for container ships leads to a reduction in fuel consumption and CO2 emissions, ranging from 34.9% to 80.3% in the three cases observed. At the same time, the application of slow steaming in container ships is not justified only when the price of fuel is extremely low and the price of renting the ship’s space is high.
The analysis of the reduction of container ship sailing speed by 10%, 20% and 30% [21] has shown reduction of CO2, NOX, SOX and PM by 21%, 34% and 45%, respectively.
The effects of slow steaming on RO-RO passenger vessels with different propulsion systems operating on short, medium, and long routes [22] indicate that, compared with designed speed, the greatest reduction in costs and pollutant emissions is achieved by 60% on short routes and 40% on medium and long routes.
In [18], an example of 55% reduction in fuel consumption is achieved by reducing the sailing speed from 24 to 17–18 knots for a container ship. However, the authors pointed out that slow steaming is only economically justified if fuel prices are high enough relative to freight rates.
A study [8] analyzing post-Panamax and post-Panamax Plus container ships, as well as very large fourth-, fifth- and sixth-generation container ships built in 2016, showed that most of them do not meet EEXI (Energy Efficiency Existing Ship Index) requirements. However, the impact of slow steaming on reducing fuel consumption is greatest for post-Panamax Plus container ships, while the difference between required and achieved EEXI is smallest for very large vessels.
In the paper [23], the authors examine the impact of reducing the sailing speed of bulk carriers for compliance on the existing efficiency index (EEXI). They analyzed data from 153 ships built between 2000 and 2020 and concluded that existing design solutions cannot meet energy efficiency requirements. Therefore, the paper presents a user-friendly method to adjust the sailing speed to meet the energy efficiency requirements.
Slow steaming reduces fuel consumption and consequently increases travel time, but even a moderate reduction of 10% leads to an average reduction in CO2 emissions of 19% [24].
On individual container ship routes, depending on the operating conditions, the reduction of fuel consumption and CO2 emissions of up to 70% can be achieved if speed is reduced to about half the intended speed [25].
However, other factors must also be considered when determining the optimal navigation speed for low-speed traffic to avoid a disproportionate increase in the overall cost of maritime transport.
Low-speed transport applied to container ships (which account for about one-third of the merchant fleet) is efficient mainly because of the higher design speed and a greater ability to adjust sailing speed. However, under certain conditions, the use of extra-slow steaming can reduce overall costs by 20% and CO2 emissions by 43% [26].
In [27], the effects of speed reduction on maritime transport costs and CO2 emissions were studied. The results show that low speeds offer significant potential to reduce emissions. It is possible to reduce emissions by 19% while reducing other costs, but if emissions are reduced by 28%, the total cost is equivalent to that without the application of slow steaming. Further emission reductions are possible if only slow steaming is used, but with an increase in overall cost.
In general, a reduction in sailing speed results in a reduction in fuel consumption and pollutant emissions. Deviations from this occur only at extremely low loads, e.g., the reduction in nitrogen oxide emissions following a reduction in diesel engine load below a certain level is less than the reduction in fuel consumption [28].
A detailed analysis of the impact of slow steaming on costs and the choice of optimal speed as a function of fuel prices, freight rates, and other influencing factors is presented in [29].
A simple model for analyzing the impact of the slow steaming strategy on delivery time, service quality, and bunker costs is presented in [12]. The paper emphasizes that flexible adjustment of sailing speed to maritime conditions can help improve service quality and reduce fuel consumption. Slower speed for the same transport volume requires additional vessels, but the analysis results shows that the savings in total fuel consumption can be greater than the cost of an additional vessel.
In [30], the fuel consumption and carbon dioxide emissions for design speed and slow steaming of a container ship were calculated for sailing under different weather conditions (sea state) for two fuel types, i.e., low-sulphur marine gas oil (LSMGO) and natural gas (NG). The results show that navigation at reduced speed leads to a significant reduction in fuel consumption for all sea conditions. For a 13.6% reduction in cruising speed, the average reduction in CO2 emissions is about 31% when LSMGO is used as fuel. If natural gas is used, CO2 emissions can be reduced by up to 49% compared with emissions when sailing at design speed.
The impact of slow steaming on the economics of shipping [31] states that reducing speed can significantly reduce the negative impact of maritime transport on the environment.

2. Methodological Approach and Basic Characteristics of the Ship

Unlike presented articles, this article uses a post-Panamax container ship as an example to examine the effect of slow steaming on fuel consumption and CO2 emissions, but in her design phase. For the analysis of the efficiency of slow steaming, data were obtained by testing the ship hull model at the Brodarski Institute in Zagreb. The advantage of this approach is the flexibility in the choice of the propulsion system and the possibility of avoiding the difficulties associated with the operation of the engine at low load, which occurs during extremely slow steaming. The paper contains a comparative analysis of the effects of navigation at reduced speed for four different configurations of propulsion systems with mechanical power transmission from the diesel engine to the propeller.
The analysis of the effects of navigation at reduced speed was performed for propulsion systems with one and two low-speed diesel engines and with three and four medium-speed diesel engines. Suitable engines available on the market were selected for all four cases.
A numerical model of diesel engines was used to determine the specific fuel consumption at different speeds for four different configurations, and they were calibrated and validated by using available data from the engine manufacturers. The results were used to calculate fuel consumption and CO2 emission per nautical mile. For this purpose, a numerical quasi-steady-state diesel engine model [32] was used. The same model was subsequently extended with a module for the prediction of nitrogen oxide emissions and used to analyze the effects of earlier intake-valve closure and split injection on fuel consumption and NOX emissions [33,34].
In the above references, the authors analyze the energy, environmental, and economic aspects of low-speed operation on ships whose propulsion system is generally optimized for design (navigation) speed, i.e., not intended for prolonged operation at reduced speed. In calm seas, the power required by the propulsion engine depends on the third power of the ship’s speed, so even a relatively small reduction in navigation speed results in a significant reduction in the power required to propel the vessel. Marine diesel engines have the lowest specific fuel consumption in the 85% MCR range, and BSFC increases significantly when MCR is below 50%. At extremely slow steaming speeds, the propulsion engine operates at a load of less than 40% MCR, resulting in a significant reduction in efficiency and other problems (greater engine fouling, need for continuous operation of auxiliary blowers, etc.).
Data on the required power of the propulsion engine were obtained through testing on a model of a post-Panamax container ship with a propeller, the hull lines of which are shown in Figure 1. The measurements and tests at the Brodarski Institute in Zagreb were performed in the towing tank No. 1, which is 276.3 m long, 12.5 m wide, and 6 m deep. The main dimensions of the model and full-scale ship are given in Table 1. The model tests were performed with a fixed pitch propeller (FPP), the characteristics of which are given in Table 2. The model is made of wood and has a scale of 1:35.18. The self-propelled tests were performed using the British method (variable load method). The results of the model test were recalculated according to the 1957 International Towing Tank Conference (ITTC) method of performance prediction for a full-scale ship.
The diagram in Figure 2 shows the dependence of the required power of the propulsion engine on the navigation speed. Engine power_1 refers to the first configuration, and Engine power_2 to the other configurations (2, 3, and 4) of the propulsion plant.
Four propulsion systems with mechanical transfer of power from the ship’s diesel engine to the ship’s propeller were selected for analysis of the effects of slow steaming on reducing fuel consumption and carbon dioxide emissions using a post-Panamax container ship as an example.

3. Configuration of the Propulsion Systems

The effects of slow steaming on the fuel consumption of a container ship are analyzed for four different propulsion configurations.
In the first case, a low-speed diesel engine with direct mechanical power transmission to the ship’s propeller is used for propulsion. Currently, there is no engine on the market that can provide the required power at the given propeller speed.
In the second case, where the target speed of 23 knots is to be achieved, two low-speed engines are used for propulsion at the design speed. In this case, power transmission and the required propeller speed are provided by a gearbox to which the engines are connected via appropriate couplings. In such configuration, either engine 1 or 2, or both engines can be used for propulsion, which increases the adaptability and reliability of the propulsion system.
As a third case of the propulsion configuration, the system with three medium-speed engines is investigated. If necessary, one of the engines, a combination of two, or all three engines are used to propel the ship.
The fourth case of the propulsion configuration uses four instead of three medium-speed marine diesel engines.
Power is transmitted from the engine to the propeller via appropriate clutches and gearboxes. The use of three or four medium-speed engines further increases the adaptability and reliability of the propulsion system and reduces the height and volume of the engine room by about twice or more.
However, for the second, third, and fourth configurations, the additional energy losses due to the gear ratio must also be taken into consideration. Frictional losses occurring in the shaft bearings and gearing of single-stage gearboxes amount from 3% to 4%. For all four configurations, it is assumed that the frictional losses in the radial bearings of the propeller shaft and in the thrust bearing amount to approximately 2% and are considered when determining the required propulsion power as a function of the ship speed.

3.1. Configuration—1

In the first case, shown in Figure 3, a low-speed two-stroke engine with direct power transfer to the ship’s propeller is used for propulsion.
This solution is characterized by simplicity and energy efficiency, due to the minimal energy losses in transmission and the low BSFC of the two-stroke diesel engine with crosshead. However, with the proposed engine and direct drive, it is not possible to achieve a cruising speed of more than 20 knots. Continuous cruising at a speed of less than 15 knots with an engine load of less than 40% MCR is not recommended.
In these cases, a low-speed marine diesel engine, WinGD X62-B, was selected, whose basic characteristics are listed in Table 3.
Specific fuel consumption data for the diesel engine (DE) WinGD X62-B at various engine loads used for model validation are listed in Table 4.

3.2. Configuration—2

In order to allow the ship to reach the design speed of 23 knots, with the possibility of slow steaming with a reduction in navigation speed of about 50%, the configuration shown in Figure 4 with two low-speed diesel engines was investigated.
The presented design allows sailing at a speed of 23 knots, as well as better flexibility at lower speeds. For example, if only one engine is used for propulsion for a ship speed of 14 knots, the engine load is at an acceptable level of 38.4% MCR. However, the mechanical power transmission causes additional transmission losses that reduce energy efficiency by about 3% but increase flexibility and reliability.
In these configuration, two WinGD RT-flex 58T-E low-speed marine diesel engines, with the basic characteristics given in Table 5, were used as propulsion engines.
The specific fuel consumption data of DE WinGD RT-flex 58T-E at various engine loads used for model validation are listed in Table 6.

3.3. Configuration—3

The third propulsion configuration with three medium-speed diesel engines is shown in Figure 5.
In this case, the engine load is 33.7% of MCR at a navigation speed of 12 knots. This configuration provides very good adaptability to the wide range of navigation speeds and high reliability of the propulsion system. However, due to the losses in mechanical power transmission and the lower efficiency of four-stroke diesel engines compared with two-stroke diesel engines, the fuel consumption is higher.
The basic characteristics of the medium-speed marine diesel engine MAN 12V48/60CR used in the third configuration are listed in Table 7.
Fuel consumption data of marine diesel engine MAN 12V48/60CR at various engine loads are given in Table 8.

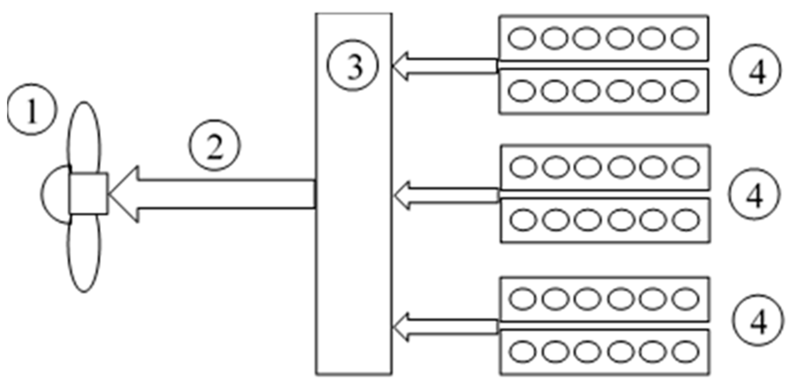
3.4. Configuration—4

This configuration (Figure 6) is similar to the previous one, but with four instead of three medium-speed diesel engines used for propulsion.
At a navigation speed of 12 knots, the engine load is 44.1% of MCR. This configuration also provides very good adaptability to the wide range of navigation speeds and high reliability of the propulsion system. In this case, too, the somewhat lower efficiency of the medium-speed engines and the loss of power in the mechanical transmission are the causes of higher fuel consumption.
The propulsion system consists of four MAN 18V32/44CR medium-speed marine diesel engines, whose basic characteristics are listed in Table 9.
The data for the BSFC of the diesel engine MAN 18V32/44CR at various engine loads are listed in Table 10.
Figure 7 shows the specific fuel consumption for 25%, 50%, 75%, 85%, and 100% MCR according to the engine manufacturer’s specifications. The data show that the BSFC of the two two-stroke engines is significantly lower than the BSFC of the four-stroke engines in the range of 25% to 50% MCR. The difference decreases with increasing load and is two to three times smaller at 100% MCR than at load of 25% MCR.

4. Validation of Fuel Consumption Data

The validation of the model for four selected diesel engines was performed by comparing the BSFC according to the manufacturer’s data with the BSFC obtained using the numerical model for two-stroke and four-stroke diesel engines described in [32,33,34]. All data refer to engine operation with heavy fuel oil (HFO). According to the manufacturer, the BSFC can be higher by 5 to 7%. The deviation from the specified fuel consumption determined by the numerical engine model, which in all cases is less than 2%, does not significantly affect the results of the analysis of the effects of slow steaming on fuel consumption. The diagrams in Figure 8, Figure 9, Figure 10 and Figure 11 show a comparison of the specific fuel consumption determined using the numerical engine model and the factory data for various diesel engines.

5. Results

The following are the results of the analysis of the reduction of cruising speed on the reduction of fuel consumption per nautical mile for four selected configurations of propulsion systems. The designed cruising speed for all configurations is 23 knots, and the speed is reduced in increments of 0.5 knots to a speed of 12 knots, which corresponds to a speed reduction of 47.83%. It should be noted that the analysis for the first configuration was performed for speeds from 20 to 12 knots, due to the characteristics of the engine and the given ship hull design.
Based on the data on the required power of the ship propulsion, the operation of the diesel engine was simulated to determine the BSFC. In addition, to the effects of slow steaming on fuel consumption, the data for decreasing cruise speed and increasing cruise time are shown in Figure 12, Figure 13, Figure 14 and Figure 15. The corresponding values for diesel engine load as a percentage of MCR are also shown with marked (red dot line) range of low engine load that should be avoided for continuous operation.
Figure 12 shows how a reduction in cruise speed affects fuel consumption when the propulsion engine is a two-stroke diesel engine capable of a highest cruise speed of 20 knots (configuration 1).
According to the manufacturer, it is not recommended to navigate at a speed of less than 14 knots to avoid a long-term engine load of less than 30% of the MCR. In this case, the reduction in fuel consumption per nautical mile sailed is 61.49%, with a reduction in speed of 39.13%, and an increase in sailing time of 64.29%. At a speed of 20 knots, fuel consumption is reduced by 17.96% and trip duration is extended by 15.00% compared with the design speed of 23 knots.
Figure 13 shows the results for the second configuration with two low-speed diesel engines, such that the ship can travel at a speed of 23 knots.
To avoid long-term engine utilisation of less than 30% MCR, it is not recommended to sail at a speed of less than 13 knots, where the reduction in fuel consumption per nautical mile sailed is 71.79%, with a reduction in speed of 43.48%, and an increase in sailing time of 76.92%.
Figure 14 shows the results for the third configuration with three medium-speed diesel engines, allowing the ship to sail at a designed speed of 23 knots.
In this case, the minimum engine utilisation at a speed of 12 knots is 33.7% MCR. At the same time, fuel consumption decreases by 74.07%, while sailing time increases by 91.67%.
In the fourth configuration, four diesel engines are used, which allow very good adaptation of propulsion power to different sailing speeds. At the same time, each diesel engine is used at a speed of 12 knots, which corresponds to a 44.13% MCR. The reduction in fuel consumption per nautical mile compared with consumption at a speed of 23 knots is 74.30%, while sailing time increases by 91.67% (Figure 15).

6. Comparison of Configurations

The following section compares the fuel consumption of all four configurations presented.
From the diagram in Figure 16, it can be seen that the fuel consumption per nautical mile is lower for the first and second cases than for the third and fourth propulsion configurations.
This result is to be expected considering that the first two cases use low-speed two-stroke marine engines, whose BSFC is 5 to 7% lower than that of medium-speed four-stroke diesel engines. The reason for the slightly higher fuel consumption in cases 2, 3, and 4 is the use of a gearbox.
The first and second cases are nearly identical except in the navigation speed range of 17 to 20 knots, where the first case consumes about 4.5% less fuel than the second case at navigation speeds of 18 and 19 knots. However, the operating speed range is only between 14 and 20 knots for the first case, and between 13 and 23 knots for the second configuration.
The third and fourth configurations allow extremely slow steaming in the 12 to 15 knots range, with very little difference in fuel consumption. The fourth configuration has up to 4.5% higher fuel consumption at speeds of 16 and 19 knots, and about 3% lower fuel consumption than the third configuration at a speed of 21 knots.
The main goal of applying slow steaming in shipping is to increase energy efficiency, but also for older ships to meet EEXI requirements [8]. Since carbon dioxide emissions are proportional to the amount of fuel consumed, slow steaming contributes significantly to carbon dioxide emissions reduction. Figure 17 shows carbon dioxide emission per nautical mile for analyzed propulsion systems. The CO2 emission was calculated by using dimensionless conversion factor CF for HFO [39].
The performed analysis shows that slow steaming is an efficient way to reduce fuel consumption. The decrease in fuel consumption at a speed of 12 knots ranges from 72.36% to 76.25%. That drastic reduction in fuel consumption is equal to only 25% of CO2 emissions than those at the speed of 23 knots.

7. Conclusions

Although many articles have already been published analyzing various aspects of slow steaming, this article is the first (to our knowledge) to examine the effectiveness of slow steaming on a ship in the design phase. In addition to the conventional solutions in the design phase, it is necessary to consider other options for the optimal adaptation of the propulsion configuration to the reduced low speed.
The analysis has shown that slow steaming effectively reduces fuel consumption. At a speed of 12 knots, the reduction in fuel consumption ranges from 72.36% to 76.25%. A significant reduction in fuel consumption leads to a drastic reduction in CO2 emissions to a value about four times lower than that at a speed of 23 knots.
The propulsion systems studied with low-speed two-stroke diesel engines have a slightly lower BSFC than those with medium-speed four-stroke diesel engines. Configurations with three or four medium speed engines provide slow cruising speeds, about 50% below the intended cruising speed. The effectiveness of slow steaming as a measure to reduce fuel consumption and CO2 emissions is unquestionable, even if the reduction in cruising speed increases travel time.
The final decision and choice of propulsion configuration system must take into consideration that maritime transport is a very dynamic industry, where the market and, consequently, business conditions change frequently. Therefore, when selecting a propulsion system, it is essential to provide for the possibility of adaptation to different market conditions.

Author Contributions

Conceptualization, V.P. and N.D.; methodology, V.P.; software, O.B.; validation, V.P., O.B. and R.R.; resources, V.P.; writing—original draft preparation, V.P.; writing—review and editing, O.B., R.R. and N.D.; visualization, V.P.; supervision, R.R. and N.D. All authors have read and agreed to the published version of the manuscript.

Funding

This study has been fully supported by the Croatian Science Foundation under project IP-2020-02-8568.

Institutional Review Board Statement

Not applicable.

Informed Consent Statement

Not applicable.

Data Availability Statement

No extra data was used for the research described in the article.

Acknowledgments

This study has been fully supported by the Croatian Science Foundation under projects IP-2020-02-8568 and IP-2020-02-6249.

Conflicts of Interest

The authors declare no conflict of interest.

References

  1. UNCTAD—United Nations Conference on Trade and Development. Review of Maritime Transport 2019; United Nations: New York, NY, USA, 2019. [Google Scholar]
  2. UNCTAD—United Nations Conference on Trade and Development. Review of Maritime Transport 2021; United Nations: Geneva, Switzerland, 2021. [Google Scholar]
  3. APEC Transportation Working Group. Analysis of the Impacts of Slow Steaming for Distant Economies; Starcrest Consulting Group, LLC: Poulsbo, DC, USA, 2019; Available online: www.apec.org (accessed on 16 January 2022).
  4. Hui, X.; Stephen, S.; Hua, C. A comprehensive review on countermeasures for CO2 emissions from ships. Renew. Sustain. Energy Rev. 2020, 134, 110222. [Google Scholar] [CrossRef]
  5. Taskar, B.; Andersen, P. Benefit of speed reduction for ships in different weather conditions. Transp. Res. Part D 2020, 85, 102337. [Google Scholar] [CrossRef]
  6. Bauman, E.A.; Lindstad, E.; Rialland, A.I.; Strømman, A.H. State-of-the-art technologies, measures, and potential for reducing GHG emissions from shipping—A review. Transp. Res. Part D 2017, 52, 408–421. [Google Scholar] [CrossRef]
  7. Ampah, J.D.; Yusuf, A.A.; Afrane, S.; Jin, C.; Liu, H. Reviewing two decades of cleaner alternative marine fuels: Towards IMO’s decarbonization of the maritime transport sector. J. Clean. Prod. 2021, 320, 128871. [Google Scholar] [CrossRef]
  8. Farkas, A.; Degiuli, N.; Martić, I.; Grlj, C.G. Is slow steaming a viable option to meet the novel energy efficiency requirements for containerships? J. Clean. Prod. 2022, 374, 133915. [Google Scholar] [CrossRef]
  9. Farkas, A.; Degiuli, N.; Martić, I.; Mikulić, A. Benefits of slow steaming in realistic sailing conditions along different sailing routes. Ocean Eng. 2023, 275, 114143. [Google Scholar] [CrossRef]
  10. Gospić, I.; Martić, I.; Degiuli, N.; Farkas, A. Energetic and Ecological Effects of the Slow Steaming Application and Gasification of Container Ships. J. Mar. Sci. Eng. 2022, 10, 703. [Google Scholar] [CrossRef]
  11. Halim, R.A.; Kirstein, L.; Merk, O.; Martinez, L.M. Decarbonization Pathways for International Maritime Transport: A Model-Based Policy Impact Assessment. Sustainability 2018, 10, 2243. [Google Scholar] [CrossRef]
  12. Lee, C.-Y.; Lee, H.L.; Zhang, J. The impact of slow ocean steaming on delivery reliability and fuel consumption. Transp. Res. Part E 2015, 76, 176–190. [Google Scholar] [CrossRef]
  13. Chang, C.-C.; Wang, C.-M. Evaluating the effects of speed reduce for shipping costs and CO2 emissions. Transp. Res. Part D 2014, 31, 110–115. [Google Scholar] [CrossRef]
  14. Serra, P.; Fancello, G. Towards the IMO’s GHG Goals: A Critical Overview of the Perspectives and Challenges of the Main Options for Decarbonizing International Shipping. Sustainability 2020, 12, 3220. [Google Scholar] [CrossRef]
  15. MAN 48/60B Project Guide—Marine, Four-stroke diesel engine compliant with IMO Tier II, MAN Energy Solutions SE, Augsburg, Germany. Available online: www.man-es.com (accessed on 17 September 2016).
  16. MAN 51/60DF Project Guide—Marine, Four-stroke diesel engine compliant with IMO Tier II, MAN Energy Solutions SE, Augsburg, Germany. Available online: www.man-es.com (accessed on 17 September 2016).
  17. Wärtsilä 32 Product Guide, Wärtsilä, Marine Solutions, Vaasa, Finland. Available online: www.wartsila.com/ (accessed on 7 September 2016).
  18. Cariou, P. Is slow steaming a sustainable means of reducing CO2 emissions from container shipping? Transp. Res. Part D 2011, 16, 260–264. [Google Scholar] [CrossRef]
  19. Tezdogan, T.; Incecik, A.; Turan, O.; Kellett, P. Assessing the Impact of a Slow Steaming Approach on Reducing the Fuel Consumption of a Containership Advancing in Head Seas. Transp. Res. Procedia 2016, 14, 1659–1668. [Google Scholar] [CrossRef]
  20. Ammar, N.R. Energy- and cost-efficiency analysis of greenhouse gas emission reduction using slow steaming of ships: Case study RO-RO cargo vessel. Ships Offshore Struct. 2018, 13, 868–876. [Google Scholar] [CrossRef]
  21. Golnar, M.; Beškovnik, B. Green Maritime Transport as a Part of Global Green Intermodal Chains. Pomor. Zb. 2020, 8, 21–31. [Google Scholar] [CrossRef]
  22. Perčić, M.; Vladimir, N.; Fan, A.; Jovanović, I. Holistic Energy Efficiency and Environmental Friendliness Model for Short-Sea Vessels with Alternative Power Systems Considering Realistic Fuel Pathways and Workloads. J. Mar. Sci. Eng. 2022, 10, 613. [Google Scholar] [CrossRef]
  23. Kalajdžić, M.; Vasilev, M.; Momčilović, N. Power Reduction Considerations for Bulk Carriers with Respect to Novel Energy Efficiency Regulations. Brodogradnja 2022, 73, 79–92. [Google Scholar] [CrossRef]
  24. Balcombe, P.; Brierley, J.; Lewis, C.; Skatvedt, L.; Speirs, J.; Hawkes, A.; Staffell, I. How to decarbonise international shipping: Options for fuels, technologies and policies. Energy Convers. Manag. 2019, 182, 72–88. [Google Scholar] [CrossRef]
  25. Corbett, J.J.; Wang, H.; Winebrake, J.J. The effectiveness and costs of speed reductions on emissions from international shipping. Transp. Res. Part D 2009, 14, 593–598. [Google Scholar] [CrossRef]
  26. Halff, A. Slow Steaming to 2020: Innovation and Inertia in Marine Transport and Fuels, Center on Global Energy Policy, Columbia SIPA. 2017. Available online: www.energypolicy.columbia.edu (accessed on 25 August 2017).
  27. Lindstad, H.; Asbjørnslett, B.E.; Strømman, A.H. Reductions in greenhouse gas emissions and cost by shipping at lower speeds. Energy Policy 2011, 39, 3456–3464. [Google Scholar] [CrossRef]
  28. Faber, J.; Nelissen, D.; Hon, G.; Wang, H.; Tsimplis, M. Regulated Slow Steaming in Maritime Transport an Assessment of Options, Costs and Benefits, Delft, CE Delft, February 2012. Available online: www.cedelft.eu (accessed on 15 April 2020).
  29. Meyer, J.; Stahlbock, R.; Voss, S. Slow Steaming in Container Shipping. In Proceedings of the 45th Hawaii International Conference on System Sciences, Maui, HI, USA, 4–7 January 2012; pp. 1306–1314. [Google Scholar] [CrossRef]
  30. Degiuli, N.; Martić, I.; Farkas, A.; Gospić, I. The impact of slow seaming on reducing CO2 emissions in the Mediterranean Sea. Energy Rep. 2021, 7, 8131–8141. [Google Scholar] [CrossRef]
  31. Mallidis, I.; Iakovou, E.; Dekker, R.; Vlachos, D. The impact of slow steaming on the carriers’ and shippers’ costs: The case of a global logistics network. Transp. Res. Part E 2018, 111, 18–39. [Google Scholar] [CrossRef]
  32. Pelić, V.; Mrakovčić, T.; Bukovac, O.; Valčić, M. Development and Validation of 4 Stroke Marine Diesel Engine. Pomor. Zb. 2020, 8, 359–372. [Google Scholar]
  33. Pelić, V.; Mrakovčić, T.; Medica-Viola, V.; Valčić, M. Effect of Early Closing of the Inlet Valve on Fuel Consumption and Temperature in a Medium Speed Marine Diesel Engine Cylinder. J. Mar. Sci. Eng. 2020, 8, 747. [Google Scholar] [CrossRef]
  34. Pelić, V.; Mrakovčić, T.; Radonja, R.; Valčić, M. Analysis of the Impact of Split Injection on Fuel Consumption and NOx Emissions of Marine Medium-Speed Diesel Engine. J. Mar. Sci. Eng. 2020, 8, 820. [Google Scholar] [CrossRef]
  35. Brodarski Institute. Report M-1468; Technical Report; Brodarski Institute: Zagreb, Croatia, 2022. [Google Scholar]
  36. Marine Installation Manual, X62-B, Issue 2022-08, Winterthur Gas & Diesel, Switzerland. Available online: www.wingd.com (accessed on 5 October 2022).
  37. Marine Installation Manual, RT-flex58T-E, Issue 2020-06, Winterthur Gas & Diesel, Switzerland. Available online: www.wingd.com (accessed on 5 October 2022).
  38. MAN 48/60CR Project Guide—Marine Four-stroke diesel engine compliant with IMO Tier III, Revision 02.2021/4.1, MAN Energy Solutions. Available online: www.primeserv.man-es.com (accessed on 5 October 2022).
  39. RESOLUTION MEPC.308(73) (Adopted on 26 October 2018), Annex 5, page 5. Available online: https://wwwcdn.imo.org/localresources/en/OurWork/Environment/Documents/Air%20pollution/MEPC.308(73).pdf (accessed on 21 December 2022).
Figure 1. Hull lines of post-Panamax containership model [35].
Figure 1. Hull lines of post-Panamax containership model [35].
Jmse 11 00675 g001
Figure 2. Required power of the propulsion engine depending on the sailing speed.
Figure 2. Required power of the propulsion engine depending on the sailing speed.
Jmse 11 00675 g002
Figure 3. Propulsion with a low-speed diesel engine and direct drive (Legend: 1—propeller, 2—propeller shaft, 3—two-stroke diesel engine).
Figure 3. Propulsion with a low-speed diesel engine and direct drive (Legend: 1—propeller, 2—propeller shaft, 3—two-stroke diesel engine).
Jmse 11 00675 g003
Figure 4. Propulsion by two low-speed diesel engines (Legend: 1—propeller, 2—propeller shaft, 3—gearbox, 4—two-stroke diesel engine).
Figure 4. Propulsion by two low-speed diesel engines (Legend: 1—propeller, 2—propeller shaft, 3—gearbox, 4—two-stroke diesel engine).
Jmse 11 00675 g004
Figure 5. Propulsion with three medium-speed diesel engines (Legend: 1—propeller, 2—propeller shaft, 3—gearbox, 4—four-stroke diesel engine).
Figure 5. Propulsion with three medium-speed diesel engines (Legend: 1—propeller, 2—propeller shaft, 3—gearbox, 4—four-stroke diesel engine).
Jmse 11 00675 g005
Figure 6. Propulsion with four medium-speed diesel engines (Legend: 1—propeller, 2—propeller shaft, 3—gearbox, 4—four-stroke diesel engine).
Figure 6. Propulsion with four medium-speed diesel engines (Legend: 1—propeller, 2—propeller shaft, 3—gearbox, 4—four-stroke diesel engine).
Jmse 11 00675 g006
Figure 7. Specific fuel consumption in the range of 25 to 100% MCR (Source: factory data).
Figure 7. Specific fuel consumption in the range of 25 to 100% MCR (Source: factory data).
Jmse 11 00675 g007
Figure 8. Specific fuel consumption of the WinGD X62-B diesel engine in the range from 25% to 100% MCR.
Figure 8. Specific fuel consumption of the WinGD X62-B diesel engine in the range from 25% to 100% MCR.
Jmse 11 00675 g008
Figure 9. Specific fuel consumption of the WinGD RT-flex 58T-E diesel engine in the range from 25% to 100% MCR.
Figure 9. Specific fuel consumption of the WinGD RT-flex 58T-E diesel engine in the range from 25% to 100% MCR.
Jmse 11 00675 g009
Figure 10. Specific fuel consumption of the MAN 12V48/60CR diesel engine in the range from 25% to 100% MCR.
Figure 10. Specific fuel consumption of the MAN 12V48/60CR diesel engine in the range from 25% to 100% MCR.
Jmse 11 00675 g010
Figure 11. Specific fuel consumption of the MAN 18V32/44CR diesel engine in the range from 25% to 100% MCR.
Figure 11. Specific fuel consumption of the MAN 18V32/44CR diesel engine in the range from 25% to 100% MCR.
Jmse 11 00675 g011
Figure 12. Propulsion with one low-speed diesel engine-configuration 1.
Figure 12. Propulsion with one low-speed diesel engine-configuration 1.
Jmse 11 00675 g012
Figure 13. Propulsion with two low-speed diesel engines—Configuration 2.
Figure 13. Propulsion with two low-speed diesel engines—Configuration 2.
Jmse 11 00675 g013
Figure 14. Propulsion with three medium-speed diesel engines—Configuration 3.
Figure 14. Propulsion with three medium-speed diesel engines—Configuration 3.
Jmse 11 00675 g014
Figure 15. Propulsion with four medium-speed diesel engines—Configuration 4.
Figure 15. Propulsion with four medium-speed diesel engines—Configuration 4.
Jmse 11 00675 g015
Figure 16. Fuel consumption depending on sailing speed.
Figure 16. Fuel consumption depending on sailing speed.
Jmse 11 00675 g016
Figure 17. CO2 emissions as a function of navigation speed.
Figure 17. CO2 emissions as a function of navigation speed.
Jmse 11 00675 g017
Table 1. Main characteristics of the model and full-scale ship [35].
Table 1. Main characteristics of the model and full-scale ship [35].
CharacteristicsShipModel
Length between perpendiculars (Lpp)286.58 m8.1460 m
Length on waterline (LWL)292.37 m8.3107 m
Breadth (B)40.03 m1.1378 m
Draught forward (TF)11.98 m0.3405 m
Draught aft (TA)11.98 m0.3405 m
Wetted surface (S)9173.2 m210.7668 m2
Displacement volume ( )85,556 m31.9650 m3
Table 2. The main characteristics of the model and full-scale propeller [35].
Table 2. The main characteristics of the model and full-scale propeller [35].
CharacteristicsShipModel
Number of blades (Z)55
Pitch to diameter ratio (P/D)7.3000.2075
Hub ratio (d/D)31.3140.8901
Propeller expanded area ratio (AE/A0)26.3850.7500
Table 3. Basic characteristics of a low-speed diesel engine WinGD X62-B (Data from: [36]).
Table 3. Basic characteristics of a low-speed diesel engine WinGD X62-B (Data from: [36]).
CharacteristicsValue
Bore620 mm
Stroke2658 mm
Number of cylinders8
Power (MCR)23,200 kW
Speed (MCR)103 rpm
Mean effective pressure21.0 bar
Table 4. BSFC data of the DE WinGD X62-B (Data from: [36]).
Table 4. BSFC data of the DE WinGD X62-B (Data from: [36]).
Power [%]100.085.075.050.025.0
BSFC 1 [g/kWh]169.8162.9161.6164.0168.9
1 Tolerances: +5% at 100–85% power, +6% at <85–65% power, +7% at <65–50% power.
Table 5. Basic characteristics of a low-speed diesel engine WinGD RT-flex 58T-E (Data from: [37]).
Table 5. Basic characteristics of a low-speed diesel engine WinGD RT-flex 58T-E (Data from: [37]).
CharacteristicsValue
Bore580 mm
Stroke2416 mm
Number of cylinders8
Power (MCR)18,800 kW
Speed (MCR)105 rpm
Mean effective pressure21.0 bar
Table 6. BSFC data of the WinGD RT-flex 58T-E diesel engine (Data from [37]).
Table 6. BSFC data of the WinGD RT-flex 58T-E diesel engine (Data from [37]).
Power [%]100.085.075.050.025.0
BSFC 1 [g/kWh]169.8162.9161.6164.0168.9
1 Tolerances: +5% at 100–85% power, +6% at <85–65% power, +7% at <65–50% power.
Table 7. Basic characteristics of a medium-speed diesel engine MAN 12V48/60CR (Data from [38]).
Table 7. Basic characteristics of a medium-speed diesel engine MAN 12V48/60CR (Data from [38]).
CharacteristicsValue
Bore480 mm
Stroke600 mm
Number of cylinders12
Power (MCR)12,960 kW
Speed (MCR)500 rpm
Mean effective pressure26.5 bar
Table 8. BSFC data of the marine diesel engine MAN 12V48/60CR (Data from: [38]).
Table 8. BSFC data of the marine diesel engine MAN 12V48/60CR (Data from: [38]).
Power [%]100.085.075.050.025.0
BSFC 1 [g/kWh]179.5176.0177.5185.5201.0
1 Tolerances: +5%. Specific fuel consumption [g/kWh] without attached pumps. Warranted fuel consumption at 85% MCR.
Table 9. Basic characteristics of a medium-speed diesel engine MAN 18V32/44CR (Data from: [38]).
Table 9. Basic characteristics of a medium-speed diesel engine MAN 18V32/44CR (Data from: [38]).
CharacteristicsValue
Bore320 mm
Stroke440 mm
Number of cylinders18
Power (MCR)9900 kW
Speed (MCR)750 rpm
Mean effective pressure26.4 bar
Table 10. BSFC data of the diesel engine MAN 12V48/60CR (Data from: [38]).
Table 10. BSFC data of the diesel engine MAN 12V48/60CR (Data from: [38]).
Power [%]100.085.075.050.025.0
BSFC 1 [g/kWh]178.5173.5181.0188.5193.0
1 Tolerances: +5%. Specific fuel consumption [g/kWh] without attached pumps. Warranted fuel consumption at 85% MCR.
Disclaimer/Publisher’s Note: The statements, opinions and data contained in all publications are solely those of the individual author(s) and contributor(s) and not of MDPI and/or the editor(s). MDPI and/or the editor(s) disclaim responsibility for any injury to people or property resulting from any ideas, methods, instructions or products referred to in the content.

Share and Cite

MDPI and ACS Style

Pelić, V.; Bukovac, O.; Radonja, R.; Degiuli, N. The Impact of Slow Steaming on Fuel Consumption and CO2 Emissions of a Container Ship. J. Mar. Sci. Eng. 2023, 11, 675. https://doi.org/10.3390/jmse11030675

AMA Style

Pelić V, Bukovac O, Radonja R, Degiuli N. The Impact of Slow Steaming on Fuel Consumption and CO2 Emissions of a Container Ship. Journal of Marine Science and Engineering. 2023; 11(3):675. https://doi.org/10.3390/jmse11030675

Chicago/Turabian Style

Pelić, Vladimir, Ozren Bukovac, Radoslav Radonja, and Nastia Degiuli. 2023. "The Impact of Slow Steaming on Fuel Consumption and CO2 Emissions of a Container Ship" Journal of Marine Science and Engineering 11, no. 3: 675. https://doi.org/10.3390/jmse11030675

APA Style

Pelić, V., Bukovac, O., Radonja, R., & Degiuli, N. (2023). The Impact of Slow Steaming on Fuel Consumption and CO2 Emissions of a Container Ship. Journal of Marine Science and Engineering, 11(3), 675. https://doi.org/10.3390/jmse11030675

Note that from the first issue of 2016, this journal uses article numbers instead of page numbers. See further details here.

Article Metrics

Back to TopTop