Development of Electromagnetic Current Meter for Marine Environment
Abstract
1. Introduction
2. Measurement Principle
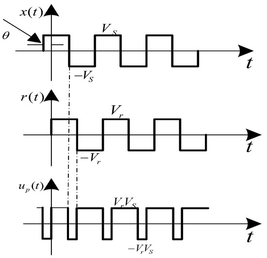
2.1. Measuring Principle of Electromagnetic Current Meters
2.2. Main Parameter Preset
3. Development of the Electromagnetic Current Meters
3.1. System Design
3.2. Lock-In Amplifier
3.3. Design of Azimuth Compass
3.4. Current Measurement Process
3.5. Development of the Electromagnetic Current Meter
4. Results and Analysis of Ocean Experiments
4.1. Static Water Repeatability Test
4.2. Indoor Driving Comparison Test
4.3. Marine Experiment
5. Conclusions
Author Contributions
Funding
Institutional Review Board Statement
Informed Consent Statement
Data Availability Statement
Acknowledgments
Conflicts of Interest
References
- Zhang, Z.H.T.; Yang, S.H.L.; Gu, G.C.H. Development and Present Situation of Marine Current Meter in China. Ocean Techn. 1999, 18, 17–21. [Google Scholar]
- Poulain, P.-M.; Centurioni, L.; Özgökmen, T. Comparing the Currents Measured by CARTHE, CODE and SVP Drifters as a Function of Wind and Wave Conditions in the Southwestern Mediterranean Sea. Sensors 2022, 22, 353. [Google Scholar] [CrossRef] [PubMed]
- Song, D.L.; Zhou, X.J.; Chen, Z.H.; Zhou, L.Q.; Zheng, J.M. On Development Course and Trend of the Current Meter. Ship Ocean Eng. 2017, 46, 93–100. [Google Scholar] [CrossRef]
- Qiao, Z.M.; Chen, C.; Wu, Y.Z.; Zhu, J. Development Status and Application of Current Meters. Ocean Dev. Manag. 2021, 12, 85–92. [Google Scholar] [CrossRef]
- Wullenweber, N.; Hole, L.R.; Ghaffari, P.; Graves, I.; Tholo, H.; Camus, L. SailBuoy Ocean Currents: Low-Cost Upper-Layer Ocean Current Measurements. Sensors 2022, 22, 5553. [Google Scholar] [CrossRef] [PubMed]
- Le Menn, M.; Morvan, S. Velocity Calibration of Doppler Current Profiler Transducers. J. Mar. Sci. Eng. 2020, 8, 847. [Google Scholar] [CrossRef]
- Guelke, R.W.; Schoute-Vanneck, C.A. The measurement of sea-water velocities by electromagnetic induction. J. Power Eng. 1947, 94, 71–74. [Google Scholar]
- Beardsley, R.; Briscoe, M.; Signell, R.; Longworth, S. A VMCM S4 current meter intercomparison on a surface mooring in shallow water. In Proceedings of the 1986 IEEE Third Working Conference on Current Measurement, St. Petersburg, FL, USA, January 1986; pp. 7–12. [Google Scholar]
- Macvicar, B.; Beaulieu, E.; Champagne, V.; Roy, A.G. Measuring water velocity in highly turbulent flows: Field tests of an electromagnetic current meter (ECM) and an acoustic Doppler velocimeter (ADV). Earth Surf. Process. Landf. 2007, 32, 1412–1432. [Google Scholar] [CrossRef]
- Group 205, Institute of Marine Instruments. Type HLL2-A electromagnetic current meter and its application. Mar. Technol. 1980, 205, 1–13. [Google Scholar]
- Liu, N.; He, H.K. Study on the theory of expendable current profile measurement. Ocean Techn. 2010, 29, 8–11. [Google Scholar]
- Zhang, Q.S.H.; Deng, M.; Liu, N.; Kong, Y.G.; Guan, S.H.L. Development of the expendable current profiler. Chin. J. Geophys. 2013, 56, 3699–3707. [Google Scholar] [CrossRef]
- Zhou, Q.W.; Bai, Y.; Feng, Z.H.; Wang, X.Y.; Wang, Y.W. Reviews and Application of Ocean Current Measurement. Hydrograph. Surv. Chart. 2018, 38, 73–77. [Google Scholar] [CrossRef]
- Wang, B.Q.; Liu, J.; Zhou, F. Development and trends of excitation technology of electromagnetic flowmeter. Heilongjiang Sci. 2019, 10, 46–47. [Google Scholar]
- Bakharev, P.V.; McIlroy, D.N. Signal-to-Noise Enhancement of a Nanospring Redox-Based Sensor by Lock-in Amplification. Sensors 2015, 15, 13110–13120. [Google Scholar] [CrossRef] [PubMed]
















| No. | Group 1 | Group 2 | Group 3 | Group 4 | Group 5 |
|---|---|---|---|---|---|
| 1 | 0.48 | 0.45 | 0.40 | 0.31 | 0.22 |
| 2 | 0.43 | 0.38 | 0.33 | 0.53 | 0.19 |
| 3 | 0.56 | 0.44 | 0.34 | 0.37 | 0.10 |
| 4 | 0.31 | 0.56 | 0.37 | 0.38 | 0.39 |
| 5 | 0.58 | 0.38 | 0.31 | 0.27 | 0.27 |
| 6 | 0.36 | 0.18 | 0.49 | 0.27 | 0.23 |
| 7 | 0.34 | 0.40 | 0.32 | 0.38 | 0.20 |
| 8 | 0.56 | 0.29 | 0.52 | 0.13 | 0.28 |
| 9 | 0.57 | 0.61 | 0.29 | 0.33 | 0.35 |
| 10 | 0.31 | 0.38 | 0.31 | 0.39 | 0.48 |
| Standard deviation | 0.108 | 0.116 | 0.075 | 0.099 | 0.104 |
| No. | Current Velocity 30 cm/s | Current Velocity 50 cm/s | ||
| Current Velocity | Current Direction | Current Velocity | Current Direction | |
| 1 | 31.58 | 243.28 | 48.69 | 244.42 |
| 2 | 31.91 | 242.76 | 49.16 | 244.13 |
| 3 | 31.93 | 243.08 | 49.97 | 243.19 |
| 4 | 31.27 | 243.78 | 48.67 | 244.89 |
| 5 | 30.87 | 243.45 | 48.19 | 244.87 |
| 6 | 31.09 | 243.08 | 51.12 | 243.96 |
| 7 | 30.78 | 244.24 | 48.57 | 245.45 |
| 8 | 31.08 | 243.32 | 49.15 | 244.81 |
| 9 | 30.80 | 242.99 | 48.99 | 244.82 |
| 10 | 29.61 | 244.66 | 49.21 | 245.02 |
| average value | 31.09 | 243.46 | 49.17 | 244.55 |
| standard deviation | 0.639 | 0.567 | 0.792 | 0.616 |
| No. | Current Velocity 100 cm/s | Current Velocity 150 cm/s | ||
| Current Velocity | Current Direction | Current Velocity | Current Direction | |
| 1 | 99.37 | 243.51 | 160.11 | 243.49 |
| 2 | 99.94 | 242.29 | 169.50 | 242.08 |
| 3 | 96.86 | 242.85 | 166.86 | 242.76 |
| 4 | 99.85 | 242.96 | 163.76 | 242.96 |
| 5 | 97.85 | 244.16 | 163.24 | 243.70 |
| 6 | 97.09 | 243.68 | 163.27 | 244.20 |
| 7 | 96.52 | 242.71 | 165.48 | 243.60 |
| 8 | 96.83 | 242.10 | 161.77 | 244.50 |
| 9 | 98.53 | 242.78 | 164.97 | 244.16 |
| 10 | 95.86 | 243.85 | 161.90 | 243.51 |
| average value | 97.87 | 243.09 | 164.08 | 243.50 |
| standard deviation | 1.395 | 0.649 | 2.593 | 0.695 |
Disclaimer/Publisher’s Note: The statements, opinions and data contained in all publications are solely those of the individual author(s) and contributor(s) and not of MDPI and/or the editor(s). MDPI and/or the editor(s) disclaim responsibility for any injury to people or property resulting from any ideas, methods, instructions or products referred to in the content. |
© 2023 by the authors. Licensee MDPI, Basel, Switzerland. This article is an open access article distributed under the terms and conditions of the Creative Commons Attribution (CC BY) license (https://creativecommons.org/licenses/by/4.0/).
Share and Cite
Chen, S.; Wu, Y.; Liu, S.; Yang, Y.; Wan, X.; Yang, X.; Zhang, K.; Wang, B.; Yan, X. Development of Electromagnetic Current Meter for Marine Environment. J. Mar. Sci. Eng. 2023, 11, 206. https://doi.org/10.3390/jmse11010206
Chen S, Wu Y, Liu S, Yang Y, Wan X, Yang X, Zhang K, Wang B, Yan X. Development of Electromagnetic Current Meter for Marine Environment. Journal of Marine Science and Engineering. 2023; 11(1):206. https://doi.org/10.3390/jmse11010206
Chicago/Turabian StyleChen, Shizhe, Yushang Wu, Shixuan Liu, Yingdong Yang, Xiaozheng Wan, Xianglong Yang, Keke Zhang, Bo Wang, and Xingkui Yan. 2023. "Development of Electromagnetic Current Meter for Marine Environment" Journal of Marine Science and Engineering 11, no. 1: 206. https://doi.org/10.3390/jmse11010206
APA StyleChen, S., Wu, Y., Liu, S., Yang, Y., Wan, X., Yang, X., Zhang, K., Wang, B., & Yan, X. (2023). Development of Electromagnetic Current Meter for Marine Environment. Journal of Marine Science and Engineering, 11(1), 206. https://doi.org/10.3390/jmse11010206

