Discretization-Strategy-Based Solution for Berth Allocation and Quay Crane Assignment Problem
Abstract
:1. Introduction
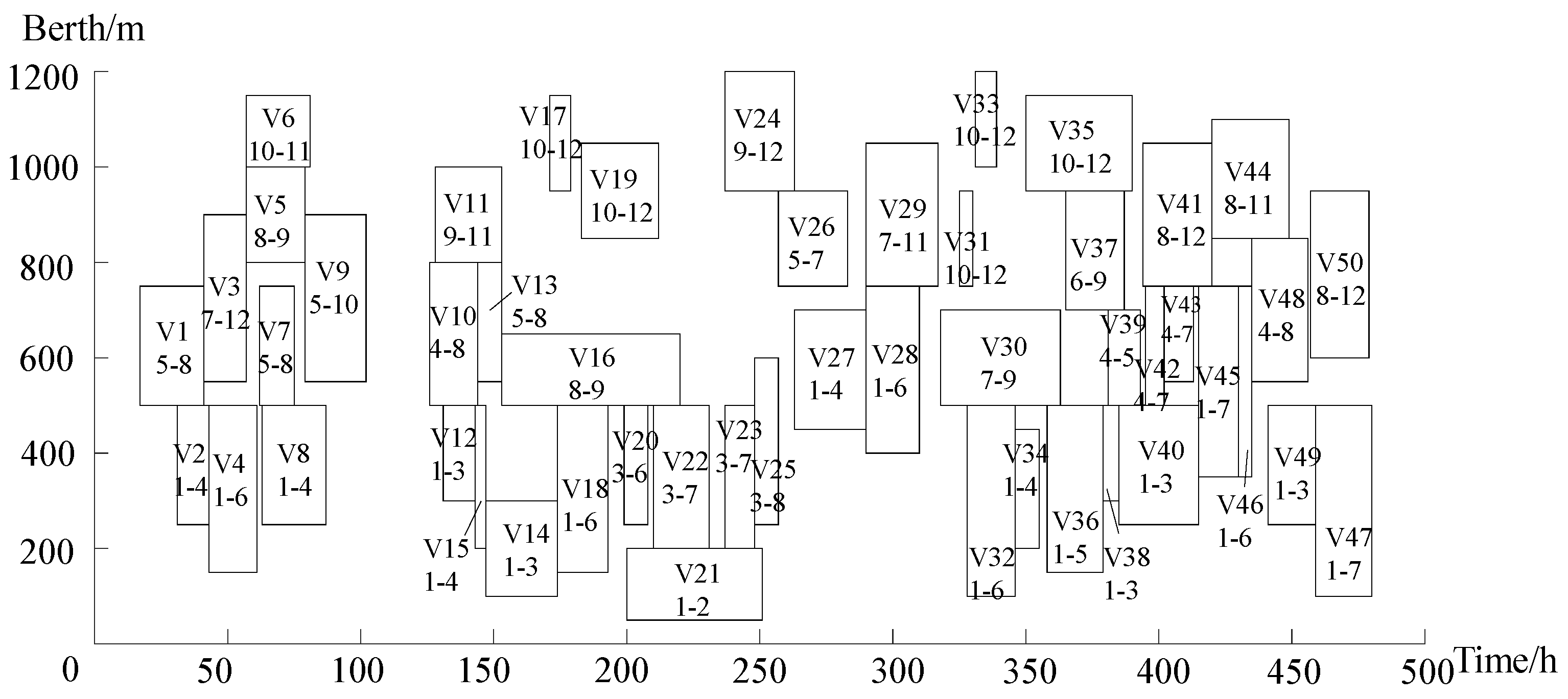
2. Problem Description
- There is no limitation of vessel draft and water depth.
- Since the handling time of the QC is much greater than its movement time, the QC’s movement time is negligible.
- The QC assigned to a vessel cannot serve other vessels during the berthing period of the vessel.
- The safety distance between vessels is included in the length of the vessels.
2.1. Notation
2.2. Model of BACASP
3. Methodology
3.1. Framework of Solution Method
| Algorithm 1: Framework of the LNS algorithm. | ||
| Input: | Parameters of LNS | |
| Output: | ||
| 1 | Determine the number of berth segments , and , | |
| 2 | Generate an initial solution | |
| 3 | , , | |
| 4 | While the stop criteria are not met do | |
| 5 | Determine | |
| 6 | ||
| 7 | Adjust using the strategy BCB | |
| 8 | Cranes assignment algorithm | |
| 9 | Acceptance criteria for solution | |
| 10 | End while | |
3.2. Main Technique
3.2.1. Discretization Strategy
3.2.2. Destroy Operators
- (1)
- Related destroy operator
- (2)
- Random destroy operator
3.2.3. Repair Operators
- (1)
- Deep greedy repair operator
| Algorithm 2: Deep greedy repair operator. | ||
| Input: | The set of vessels removed | |
| Output: | The current solution X | |
| 1 | Whiledo | |
| 2 | Calculate , of structure with vessel i inserted to position | |
| 3 | Insert vessel to its best insertion position into X | |
| 4 | Remove vessel j from | |
| 5 | End while | |
- (2)
- Slack sorted repair operator
3.2.4. BCB Strategy
3.2.5. Acceptance Criteria
4. Numerical Experiments
4.1. Generation of Instances
4.2. Parameter Setting
4.3. Computational Results on the First Set of Instances
4.3.1. Analysis of Operators
4.3.2. Analysis of BCB Strategy
4.3.3. Analysis of LNS Algorithm
4.4. Computational Results on the Second Set of Instances
5. Conclusions
Author Contributions
Funding
Institutional Review Board Statement
Informed Consent Statement
Data Availability Statement
Conflicts of Interest
Abbreviations
| BACAP | Berth Allocation and Crane Assignment Problem |
| BACASP | Berth Allocation and Crane Assignment Specific Problem |
| BCB | Backtracking comparison-based |
| LNS | Large neighborhood search |
| Re | Related destroy operator |
| Ra | Random destroy operator |
| De | Deep greedy repair operator |
| Sl | Slack sorted repair operator |
| QC | Quay crane |
| N | Set of vessels, the number of vessels |
| G | Set of QCs, the number of quay cranes |
| L | Length of the quay given as a multitude of 1-m sections |
| Expected time of arrival of vessel | |
| Length of vessel | |
| Due time of vessel . | |
| Desired berthing position of vessel | |
| Quay crane hours demand of vessel | |
| Lower bound on the number of QCs that can serve vessel simultaneously | |
| Upper bound on the number of QCs that can serve vessel simultaneously | |
| Interference exponent of cranes. | |
| Berth deviation factor. | |
| M | A large positive number |
References
- Global Shipping Has Been Hit by the Coronavirus. Now Goods Are Getting Stranded. Available online: https://edition.cnn.com/2020/02/05/business/shipping-coronavirus-impact/index.html (accessed on 26 March 2022).
- Lim, A. The berth planning problem. Oper. Res. Lett. 1998, 22, 105–110. [Google Scholar] [CrossRef]
- Bierwirth, C.; Meisel, F. A follow-up survey of berth allocation and quay crane scheduling problems in container terminals. Eur. J. Oper. Res. 2015, 244, 675–689. [Google Scholar] [CrossRef]
- Nishimura, E.; Imai, A.; Papadimitriou, S. Berth allocation planning in the public berth system by genetic algorithms. Eur. J. Oper. Res. 2001, 131, 282–292. [Google Scholar] [CrossRef]
- Imai, A.; Sun, X.; Nishimura, E.; Papadimitriou, S. Berth allocation in a container port: Using a continuous location space approach. Transp. Res. Part B Methodol. 2005, 39, 199–221. [Google Scholar] [CrossRef] [Green Version]
- Cordeau, J.F.; Laporte, G.; Legato, P.; Moccia, L. Models and tabu search heuristics for the berth-allocation problem. Transp. Sci. 2005, 39, 526–538. [Google Scholar] [CrossRef] [Green Version]
- Tsai, A.H.; Lee, C.N.; Wu, J.S.; Chang, F.S. Novel wharf-based genetic algorithm for berth allocation planning. Soft. Comput. 2017, 21, 2897–2910. [Google Scholar] [CrossRef]
- Seyedalizadeh Ganji, S.R.; Babazadeh, A.; Arabshahi, N. Analysis of the continuous berth allocation problem in container ports using a genetic algorithm. J. Mar. Sci. Technol. 2010, 15, 408–416. [Google Scholar] [CrossRef]
- Frojan, P.; Correcher, J.F.; Alvarez-Valdes, R.; Koulouris, G.; Tamarit, J.M. The continuous Berth Allocation Problem in a container terminal with multiple quays. Expert Syst. Appl. 2015, 42, 7356–7366. [Google Scholar] [CrossRef]
- Mauri, G.R.; de Andrade, L.N.; Lorena, L.A.N. A Memetic Algorithm for a Continuous Case of the Berth Allocation Problem. IJCCI 2011, 25, 105–113. [Google Scholar]
- Cheong, C.Y.; Tan, K.C. A multi-objective multi-colony ant algorithm for solving the berth allocation problem. In Advances of Computational Intelligence in Industrial Systems; Springer: Berlin/Heidelberg, Germany, 2008; pp. 333–350. [Google Scholar]
- Ting, C.J.; Wu, K.C.; Chou, H. Particle swarm optimization algorithm for the berth allocation problem. Expert Syst. Appl. 2014, 41, 1543–1550. [Google Scholar] [CrossRef]
- Tong, J.; Nachtmann, H. A tabu search approach to the cargo prioritisation and terminal allocation problem. OR Spectr. 2020, 12, 147–173. [Google Scholar]
- Şahin, C.; Kuvvetli, Y. Differential evolution based meta-heuristic algorithm for dynamic continuous berth allocation problem. Appl. Math. Model. 2016, 40, 10679–10688. [Google Scholar] [CrossRef]
- Park, Y.M.; Kim, K.H. A scheduling method for Berth and Quay cranes. OR Spectr. 2003, 25, 1–23. [Google Scholar] [CrossRef]
- Meisel, F.; Bierwirth, C. Heuristics for the integration of crane productivity in the berth allocation problem. Transp. Res. Part E Logist. Transp. Rev. 2009, 45, 196–209. [Google Scholar] [CrossRef]
- Rodriguez-Molins, M.; Salido, M.A.; Barber, F. A GRASP-based metaheuristic for the Berth Allocation Problem and the Quay Crane Assignment Problem by managing vessel cargo holds. Appl. Intell. 2003, 40, 273–290. [Google Scholar] [CrossRef]
- He, J. Berth allocation and quay crane assignment in a container terminal for the trade-off between time-saving and energy-saving. Adv. Eng. Inform. 2016, 30, 390–405. [Google Scholar] [CrossRef]
- Iris, Ç.; Pacino, D.; Ropke, S. Improved formulations and an adaptive large neighborhood search heuristic for the integrated berth allocation and quay crane assignment problem. Transp. Res. Part E Logist. Transp. Rev. 2017, 105, 123–147. [Google Scholar] [CrossRef]
- He, J.; Wang, Y.; Tan, C.; Yu, H. Modeling berth allocation and quay crane assignment considering QC driver cost and operating efficiency. Adv. Eng. Inform. 2021, 47, 101252. [Google Scholar] [CrossRef]
- Zhang, C.; Zheng, L.; Zhang, Z.; Shi, L.; Armstrong, A.J. The allocation of berths and quay cranes by using a sub-gradient optimization technique. Comput. Ind. Eng. 2010, 58, 40–50. [Google Scholar] [CrossRef]
- Türkoğulları, Y.B.; Taşkın, Z.C.; Aras, N.; Altınel, İ.K. Optimal berth allocation and time-invariant quay crane assignment in container terminals. Eur. J. Oper. Res. 2014, 235, 88–101. [Google Scholar] [CrossRef]
- Agra, A.; Oliveira, M. MIP approaches for the integrated berth allocation and quay crane assignment and scheduling problem. Eur. J. Oper. Res. 2018, 264, 138–148. [Google Scholar] [CrossRef] [Green Version]
- Thanos, E.; Toffolo, T.; Santos, H.G.; Vancroonenburg, W.; Berghe, G.V. The tactical berth allocation problem with time-variant specific quay crane assignments. Comput. Ind. Eng. 2021, 155, 107168. [Google Scholar] [CrossRef]
- Bouzekri, H.; Alpan, G.; Giard, V. Integrated Laycan and Berth Allocation and time-invariant Quay Crane Assignment Problem in tidal ports with multiple quays. Eur. J. Oper. Res. 2021, 293, 892–909. [Google Scholar] [CrossRef]
- Ayvaz, D.; Topcuoglu, H.R.; Gurgen, F. Performance evaluation of evolutionary heuristics in dynamic environments. Eur. J. Oper. Res. 2012, 37, 130–144. [Google Scholar] [CrossRef]
- Duan, J.; Liu, Y.; Zhang, Q.; Qin, J. Combined Configuration of Container Terminal Berth and Quay Crane considering Carbon Cost. Math. Probl. Eng. 2021, 2021, 6043846. [Google Scholar] [CrossRef]
- Ji, B.; Yuan, X.; Yuan, Y. Modified NSGA-II for solving continuous berth allocation problem: Using multiobjective constraint-handling strategy. IEEE Trans. Cybern. 2017, 47, 2885–2895. [Google Scholar] [CrossRef]
- Han, X.L.; Lu, Z.Q.; Xi, L.F. A proactive approach for simultaneous berth and quay crane scheduling problem with stochastic arrival and handling time. Eur. J. Oper. Res. 2010, 207, 1327–1340. [Google Scholar] [CrossRef]
- Zhang, X.; Sun, B.; Sun, J.; Gou, Z. The berth and quay cranes integrated scheduling based on redundancy policy. In Proceedings of the 2014 33rd Chinese Control Conference (CCC), Nanjing, China, 28–30 July 2014; Volume 2014, pp. 7595–7600. [Google Scholar]
- Rodriguez-Molins, M.; Ingolotti, L.; Barber, F.; Salido, M.A.; Sierra, M.R.; Puente, J. A genetic algorithm for robust berth allocation and quay crane assignment. Prog. Artif. Intell. 2014, 2, 177–192. [Google Scholar] [CrossRef] [Green Version]
- Shang, X.T.; Cao, J.X.; Ren, J. A robust optimization approach to the integrated berth allocation and quay crane assignment problem. Transp. Res. Part E Logist. Transp. Rev. 2016, 94, 44–65. [Google Scholar] [CrossRef]
- Correcher, J.F.; Alvarez-Valdes, R. A biased random-key genetic algorithm for the time-invariant berth allocation and quay crane assignment problem. Expert Syst. Appl. 2017, 89, 112–128. [Google Scholar] [CrossRef]
- Chen, L.; Shen, J.; Qin, L.; Chen, H. An improved ant colony algorithm in continuous optimization. J. Syst. Sci. Syst. Eng. 2003, 12, 224–235. [Google Scholar] [CrossRef]
- Mauri, G.R.; Ribeiro, G.M.; Lorena, L.A.N.; Laporte, G. An adaptive large neighborhood search for the discrete and continuous berth allocation problem. Comput. Oper. Res. 2016, 70, 140–154. [Google Scholar] [CrossRef]
- Pacino, D.; Van Hentenryck, P. Large neighborhood search and adaptive randomized decompositions for flexible jobshop scheduling. In Proceedings of the Twenty-second International Joint Conference on Artificial Intelligence, Barcelona, Spain, 16–22 July 2011; Volume 102, pp. 1997–2002. [Google Scholar]
- Grangier, P.; Gendreau, M.; Lehuédé, F.; Rousseau, L.M. A matheuristic based on large neighborhood search for the vehicle routing problem with cross-docking. Comput. Oper. Res. 2017, 84, 116–126. [Google Scholar] [CrossRef]
- Shaw, P. A New Local Search Algorithm Providing High Quality Solutions to Vehicle Routing Problems. 1997, pp. 1–12. Available online: http://citeseerx.ist.psu.edu/viewdoc/download?doi=10.1.1.51.1273&rep=rep1&type=pdf (accessed on 5 March 2022).
- Ropke, S.; Pisinger, D. An adaptive large neighborhood search heuristic for the pickup and delivery problem with time windows. Transp. Sci. 2006, 40, 455–472. [Google Scholar] [CrossRef] [Green Version]
- Chakraborti, S.; Van der Laan, P.; Bakir, S.T. Nonparametric control charts: An overview and some results. J. Qual. Technol. 2001, 33, 304–315. [Google Scholar] [CrossRef]








| Variables | Type | Definition | Unit |
|---|---|---|---|
| Integer | Berthing start time of vessel | h | |
| Integer | Berthing position of vessel | m | |
| Integer | The number of QCs serving vessel | - | |
| Integer | The leftmost QC of the service vessel | - | |
| Integer | The rightmost QC of the service vessel | - | |
| Integer | The handling time of vessel | h | |
| Integer | Departure time of vessel | h | |
| Binary | Set to 1 if the berthing start time of vessel is later than the departure time of vessel , 0 otherwise | - | |
| Binary | Set to 1 if vessel is fully berthed on the left side of vessel , 0 otherwise | - | |
| Integer | Deviation between the desired and the berthing position of vessel | m |
| Parameter | |||||||
|---|---|---|---|---|---|---|---|
| Mean | 5.4 | 66.4 | 2.4 | 4.4 | 10.6 | 294.7 | 320.6 |
| Variance | 1.9 | 1119.6 | 0.2 | 1.9 | 30.3 | 26,827.8 | 26,934.1 |
| Parameter | Description | Range | Tuned Value |
|---|---|---|---|
| Interference exponent for the cranes | (0.9, 0.8) | 0.9 | |
| Berth deviation factor | (0.01, 0.02) | 0.01 | |
| The number of vessels to be removed | (0.3, 0.35, 0.4) | 0.3 | |
| Number of iterations | (2000, 5000, 10,000) | 5000 | |
| Start temperature | 1000 | 1000 | |
| Freezing temperature | 0.01 | 0.01 | |
| Cooling rate | 0.975 | 0.975 |
| Instances | WRS | WRS | WRS | |||
|---|---|---|---|---|---|---|
| p | h | p | h | p | h | |
| i01 | 3.11 | 1 | 1.08 | 1 | 5.88 | 0 |
| i02 | 7.39 | 0 | 9.90 | 1 | 2.54 | 1 |
| i03 | 5.78 | 0 | 1.83 | 1 | 1.32 | 0 |
| i04 | 5.18 | 0 | 6.24 | 1 | 8.70 | 1 |
| i05 | 4.77 | 1 | 9.96 | 1 | 8.70 | 1 |
| i06 | 6.38 | 1 | 8.60 | 1 | 8.80 | 1 |
| i07 | 3.48 | 1 | 1.31 | 1 | 1.03 | 1 |
| Instance | Türkoğulları et al. [22] | LNS | ||||
|---|---|---|---|---|---|---|
| Best | CPLEX RT(s) | Cutting Plane Algorithm RT(s) | Best | Average | RT(s) | |
| i01 | 2000 | 372 | 11.3 | 2000 | 2000 | 0.55 |
| i02 | 21,000 | 53,689 | 35.3 | 21,000 | 21,000 | 2.05 |
| i03 | 21,000 | 21,383 | 40.3 | 21,000 | 21,000 | 4.85 |
| i04 | 21,000 | 57,818 | 44.9 | 21,000 | 21,000 | 8.40 |
| i05 | 35,000 | 76,110 | 83.5 | 35,000 | 40,750 | 15.35 |
| i06 | 43,000 | – | 105.3 | 43,000 | 44,500 | 25.60 |
| i07 | 43,000 | – | 89.3 | 43,000 | 45,200 | 40.25 |
| Instance | N | LNS | GA-RM | GA-PF | |||||||||
|---|---|---|---|---|---|---|---|---|---|---|---|---|---|
| BE | ME | SD | FS | BE | ME | SD | FS | BE | ME | SD | FS | ||
| i08 | 24 | 375 | 379.0 | 3.8 | 20 | 547 | 581.4 | 30.9 | 20 | 504 | 692.5 | 120.6 | 16 |
| i09 | 28 | 493 | 497.8 | 4.1 | 20 | 739 | 790.7 | 33.4 | 20 | 573 | 822.4 | 133.6 | 13 |
| i10 | 32 | 563 | 570.7 | 4.1 | 20 | 855 | 888.7 | 36.2 | 20 | 676 | 897.6 | 133.5 | 16 |
| i11 | 36 | 618 | 626.5 | 5.1 | 20 | 922 | 1008.6 | 80.2 | 20 | 790 | 936.5 | 137.0 | 9 |
| i12 | 40 | 898 | 913.2 | 6.3 | 20 | 980 | 1060.2 | 63.0 | 20 | 1774 | 2278.4 | 308.3 | 10 |
| i13 | 50 | 1239 | 1278.8 | 17.9 | 20 | 1448 | 1501.2 | 42.0 | 20 | 1981 | 2673.3 | 550.1 | 19 |
| i14 | 60 | 1482 | 1535.8 | 24.7 | 20 | 1898 | 1993.2 | 71.9 | 20 | 2073 | 3249.6 | 735.3 | 10 |
| Instance | N | LNS | GA-RM | ||||||
|---|---|---|---|---|---|---|---|---|---|
| Stay Time | Delayed Departure Time | RT(s) | Stay Time | Delayed Departure Time | RT(s) | ||||
| i08 | 24 | 362 | 13 | 51.55 | 479 | 85 | 82.3 | 117 | 72 |
| i09 | 28 | 480 | 13 | 84.1 | 626 | 113 | 127.1 | 146 | 100 |
| i10 | 32 | 550 | 13 | 134.25 | 722 | 133 | 165.6 | 172 | 120 |
| i11 | 36 | 605 | 13 | 213.9 | 783 | 139 | 232.1 | 178 | 126 |
| i12 | 40 | 883 | 15 | 295.8 | 844 | 136 | 293.7 | −39 | 121 |
| i13 | 50 | 1167 | 72 | 736.15 | 1191 | 257 | 555.2 | 24 | 185 |
| i14 | 60 | 1406 | 76 | 1500.8 | 1535 | 363 | 876.9 | 129 | 287 |
Publisher’s Note: MDPI stays neutral with regard to jurisdictional claims in published maps and institutional affiliations. |
© 2022 by the authors. Licensee MDPI, Basel, Switzerland. This article is an open access article distributed under the terms and conditions of the Creative Commons Attribution (CC BY) license (https://creativecommons.org/licenses/by/4.0/).
Share and Cite
Tang, M.; Ji, B.; Fang, X.; Yu, S.S. Discretization-Strategy-Based Solution for Berth Allocation and Quay Crane Assignment Problem. J. Mar. Sci. Eng. 2022, 10, 495. https://doi.org/10.3390/jmse10040495
Tang M, Ji B, Fang X, Yu SS. Discretization-Strategy-Based Solution for Berth Allocation and Quay Crane Assignment Problem. Journal of Marine Science and Engineering. 2022; 10(4):495. https://doi.org/10.3390/jmse10040495
Chicago/Turabian StyleTang, Min, Bin Ji, Xiaoping Fang, and Samson S. Yu. 2022. "Discretization-Strategy-Based Solution for Berth Allocation and Quay Crane Assignment Problem" Journal of Marine Science and Engineering 10, no. 4: 495. https://doi.org/10.3390/jmse10040495
APA StyleTang, M., Ji, B., Fang, X., & Yu, S. S. (2022). Discretization-Strategy-Based Solution for Berth Allocation and Quay Crane Assignment Problem. Journal of Marine Science and Engineering, 10(4), 495. https://doi.org/10.3390/jmse10040495

