Next Article in Journal
Evaluation of Cropland Utilization Eco-Efficiency and Influencing Factors in Primary Grain-Producing Regions of China
Previous Article in Journal
Determination of Volatile Compounds in Blossoms of Rosa spinosissima, Rosa pendulina, Rosa gallica, and Their Cultivars
 
 
Font Type:
Arial Georgia Verdana
Font Size:
Aa Aa Aa
Line Spacing:
Column Width:
Background:
Article

Study on Shifting Performance of Tractor Multi-Clutch under Different Engagement Rules

1
College of Vehicle and Traffic Engineering, Henan University of Science and Technology, Luoyang 471003, China
2
State Key Laboratory of Intelligent Agricultural Power Equipment, Luoyang 471003, China
*
Author to whom correspondence should be addressed.
Agriculture 2024, 14(2), 254; https://doi.org/10.3390/agriculture14020254
Submission received: 8 January 2024 / Revised: 31 January 2024 / Accepted: 1 February 2024 / Published: 5 February 2024
(This article belongs to the Section Agricultural Technology)

Abstract

When shifting gears around a tractor’s power shift transmission, it is necessary to coordinate the control of multiple clutches and formulate a reasonable clutch engagement law to ensure the reliability and power of the power system. This paper explores the impact of different clutch engagement patterns on shifting characteristics in a power-shift tractor with multiple clutches. Shifting performance is comprehensively evaluated using indicators such as shifting time, impact degree, slip energies, and transmission output torque. The aim is to enhance the quality of power shifting, operational efficiency, and the service life of the transmission system. This paper takes the YTO TX4A transmission system as the research object, analyzes its working principle, and establishes a mathematical model of a power shift transmission system under different clutch engagement rules. This model of power shift transmission is established based on Matlab2021/Simulink and the AMESim2021 software platform. A simulation analysis is carried out for four clutches working simultaneously in a tractor’s advance gear II and lift gear III. The simulation results indicate that switching rule C is superior to switching rule A and switching rule B. Compared with the engagement scheme in which the torque exchange overlap time for both sets of clutches is 0.3 s, the scheme with a torque exchange overlap time of 0.15 s indicated a shifting time increase of 0.2 s, a slip energy increase of 4%, and a minimum output torque of the transmission increase of 2%. In the scheme with a torque exchange overlap time of 0 s, the shifting time increased by 0.15 s, the slip energy decreased by 13.5%, and the minimum output torque of the transmission decreased by 17%. Through the study of shifting performance under three different clutch engagement patterns, it is concluded that, during the shift from forward gear II to gear III in the YTO TX4A transmission system, appropriately reducing the torque exchange overlap time for both sets of clutches and avoiding simultaneous torque exchange can reduce the complexity of clutch control. This leads to smoother, more powerful, and more comfortable power shifting, effectively prolonging the service life of the transmission system.

1. Introduction

Power shift transmission (PST) has gradually become the mainstream configuration of high-power tractors due to its uninterrupted power, good power performance and strong working condition adaptability during the shift process [1,2,3].
To date, research on power shift transmissions has mainly focused on hydraulic system simulation, shift process optimization, shift strategies, etc. [4,5,6,7,8,9]. There is relatively little research on clutch engagement laws. A reasonable shifting clutch engagement rule is the key with which to achieve powerful, uninterrupted and smooth shifting with PST. Because the shifting process requires coordinated control of two or more sets of clutches, if the clutch engagement timing is not reasonable, power cycling and system friction shock will occur, which will in turn aggravate shifting impact and slip [10,11,12,13]. Xi, Z. et al. [14] have studied the dynamic characteristics of the shifting process and the clutch sliding power and power characteristics under different shifting overlap times. Mishra, K.D. et al. [15] adopted a nonlinear estimation method and proposed an observer-based coordinated control of the clutch shifting process to reduce impact and transmission system oscillation. Shi, X. et al. [16] have proposed a control strategy by which to avoid cyclic shift under traction working conditions. Zheng, X. [17] built a transmission simulation model through Matlab2021/Simulink and the AMESim2021 simulation platform, introduced an engine coordination control, and improved the shift quality by using an optimal control algorithm. Baogang Li et al. [18] designed a new type of power shift transmission and proposed a coordinated control strategy for multi-group clutch shift to ensure the continuity, smoothness and dynamic response of the control process of multi-group clutch upshift and downshift. Tian, Y. et al. [19] used AMESim2021 to establish a model of the hydraulic control system and transmission system of a power shift transmission, and to simulate and analyze the changes of pressure and flow of the transmission hydraulic control system, as well as the changes of output speed and torque during the shift process. Zhang, Z. et al. [20] proposed the precise control of wet clutch torque based on the dynamic friction coefficient of the wet clutch, using the RBF–PID control algorithm. Cao, Q. [21] used bus technology to share multi-sensor signals, adopted a state identification algorithm to identify tractor operating state and load characteristics, and formulated a transmission shift law and a clutch engagement law that were adapted to dynamic load characteristics. The above research focuses on the performance of a single-pair clutch shift and the law of clutch engagement.
As there is little research on the clutch engagement rule in multi-clutch shifting of power shifting tractors, the TX4A transfers power in the range of 190–220 horsepower, and employs four synchronizers for gear shifting during the segment transition. This paper will take the YTO TX4A transmission system as the research object and build a transmission system model of a power shifting tractor based on Matlab2021/Simulink and the AMEsim2021 software platform. The influence of different engagement rules on the shifting performance of the clutch is simulated and analyzed under the working condition of four clutches working in advance gear II and lift gear III of the tractor.

2. Structure and Mathematical Modeling of Engine and Power Shift Transmission

2.1. Engine Model

The engine, as one of the power sources for the tractor, is an essential component of the entire powertrain system. The reasonableness of the engine model is a key factor in verifying the effectiveness of the shifting strategy. Based on test data from the engine dynamometer, the curve fitting toolbox of Matlab2021 was employed to fit the data required for the curve fitting, resulting in the engine speed regulation characteristics curve depicted in Figure 1 [22]. The curve fitting formula for the engine speed regulation characteristics is presented in Formula (1).
T e ( n e , α ) = 634.9 309.2 × n e + 501.1 × α 69.07 × n e 2 55.19 × n e × α 53 . 74 × α 2 + 35 . 72 × n e 3 3 . 192 × n e 2 × α + 81 . 95 × n e × α 2 78 . 84 × α 3

2.2. PST Structure

Due to the harsh operating environment of the tractor, the complex working conditions are difficult to predict, and there are many influencing factors in the reversing process. In order to facilitate the study, the complex and continuous multi-mass and multi-degrees-of-freedom system of the tractor is simplified as follows: we assume the tractor transmission system is composed of inertial links with no elasticity and of elastic links with no inertia, we ignore the lateral movement of the shaft caused by synchronizer movement and clutch engagement separation, and we ignore the elasticity of gear meshing and the elasticity of the bearing and bearing seat.
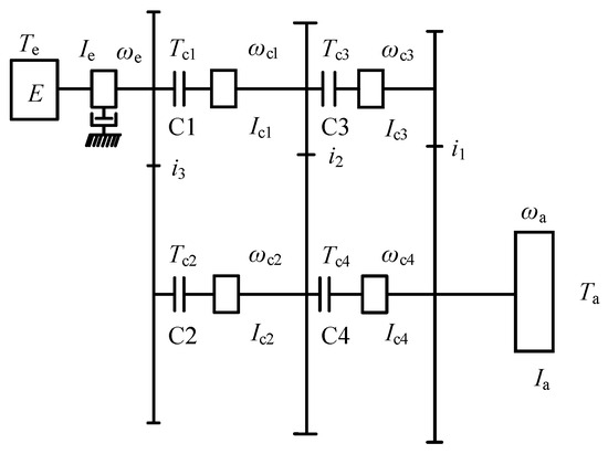
After simplification, the tractor PST can be regarded as a discrete system, and its structure principle is shown in Figure 2. The relevant parameters and their definitions are presented in Table 1.

2.3. Power Shift Principle

Power shift refers to the uninterrupted transmission of power during the upshift or downshift of the tractor, which is achieved by the power switch between one or more sets of engaging and disengaging clutches. Figure 3 shows a diagram of a set of clutch power shift principles. When the current gear is driven, the engaging clutch is closed, the disengaging clutch is disconnected, and the power is transmitted to the engaging clutch driven gear through the drive shaft, clutch hub, steel plate and friction plate. When the current shift position is switched to the next shift position, the transmission control unit (TCU) sends a shift control signal to control the switching position of the solenoid valve, and the engaged clutch begins to drain oil. Under the action of the return spring force, the friction plate and the steel plate begin to slip until they are completely separated. At the same time, the disconnecting clutch begins to fill with oil, and the oil pushes the piston to squeeze the return spring. The friction plate and the steel plate start to slip until they are fully engaged, and the power is switched to the next gear, at which time the gear shift is completed and, in order to realize the power shift without interruption, there is a period of overlap between the engagement clutch and the disengagement clutch [23].
The transmission has a total of four gears, of which I gear, III gear, IV gear control a pair of clutches, while the switch between II gear and III gear requires control of two pairs of clutches. The logical relationship between clutch switch and gear is shown in Table 2 [24]:

3. Dynamic Analysis of Tractor Dynamic Shift Process

In addition to PST structure and transmission characteristics, the timing of wet clutch engagement and separation directly affects the dynamic performance and reliability of the system. Therefore, when the transmission is shifting, it is necessary to control the engagement law of the shifting clutch and rationally distribute the engine torque. When a clutch is working, a simple shift logic can be used, and four clutches can operate simultaneously when the second gear and the third gear are raised. In this paper, the dynamic analysis of shift process is carried out with the example of II gear shifting up to III gear. According to the different overlapping times of torque exchange between clutches C1 and C2 and clutches C3 and C4, there are three kinds of engagement scheme.
When the wet clutch is sliding, the transmitted torque is:
T f = s i g n Δ ω c μ d p S z R e
R e = 2 3 R 3 r 3 R 2 r 2
where T f is clutch-friction torque, μ d is dynamic friction factor, S is effective area of friction pair in m2, p is positive pressure between friction pairs in MPa, Δ ω c is speed difference between clutch master and slave in rad·s−1, z is the logarithm of the friction pair, R e is the equivalent radius in m, R is the outer radius of the friction plate in m, and r is the inner radius of the friction plate in m.
When the wet clutch is fully engaged, the transmitted torque is as follows:
T c = μ s p S z R e
where μ s is static friction coefficient.

3.1. Switching Rule A

Stage 1 (C1, C4 separation and C2, C3 joint): At the beginning of the shift, the oil pressure of clutches C2 and C3 gradually decreases from the maximum value until the two clutches are about to slip and are still in a fully engaged state, transferring all of the torque of the engine. The oil pressure of clutches C1 and C4 rises from 0 to the pressure required to counteract the spring preload, eliminating the friction sheet gap. However, there is no slip, and the power is still transmitted in the second stop. At this stage, the system dynamics equation is as follows:
T e T c 2 i 3 = I e d ω e d t
T c 3 i 1 T a = I a d ω a d t
Stage 2 (C1, C4 sliding and C2, C3 sliding): At this stage, the oil pressure of clutches C2 and C3 continues to drop, the oil pressure of clutches C1 and C4 continues to rise, and the four clutches all begin to slip. In this stage, the torque switching of the two pairs of clutches is mainly completed, until the transmission torque of the clutches C2 and C3 is 0 and completely separated. At this stage, the system dynamics equation is as
T e T fc 1 + T fc 2 i 3 = I e d ω e d t
T fc 4 + T fc 1 i 2 + T fc 3 + T fc 2 i 2 i 1 T a = I a d ω a d t
where T fc 1 is torque transmitted when the clutch C1 slides in N·m, T fc 2 is torque transmitted when the clutch C2 slides in N·m, T fc 3 is torque transmitted when the clutch C3 slides in N·m, and T fc 4 is torque transmitted when the clutch C4 slides in N·m.
Stage 3 (C1, C4 sliding and C2, C3 separation): At this stage, the oil pressure of clutches C2 and C3 continues to drop to 0, and the torque is no longer transmitted. Clutches C1 and C4 are still in the slip state, and the engine output torque is transmitted by clutches C1 and C4. As the oil pressure of clutches C1 and C4 continues to rise, the transmitted torque continues to increase until the engine speed is basically the same as that of clutch C1 and the synchronization ends. The system dynamics equation at this stage is as follows:
T e T fc 1 = I e d ω e d t
T a + I a d ω a d t = T fc 1 i 2 = T fc 4
Stage 4 (C1, C4 bonding and C2, C3 separation): This stage is the new gear holding stage, clutches C2 and C3 are completely separated, C1 and C4 are fully engaged, the torque transmission capacity is at maximum, the torque of the engine is completely transferred, and the power is transmitted by the third gear. The system dynamics equation at this stage is as follows:
T e I e d ω e d t i 2 = T a + I a d ω a d t

3.2. Switching Rule B

Stage 1 (C1, C4 separation and C2, C3 joint): At the beginning of the shift, the oil pressure of clutches C2 and C3 gradually decreases from the maximum value until the two clutches are about to slip and are still in a fully engaged state, transferring all of the torque of the engine. The oil pressure of clutches C1 and C4 rises from 0 to the pressure required to counteract the spring preload, eliminating the friction sheet gap; however, there is no slip, and the power is still transmitted in the second stop. The system dynamics equation in this stage is the same as that in the first stage of switching rule A.
Stage 2 (C1 separation, C2 bonding, and C3, C4 sliding): At this stage, clutches C3 and C4 carry out torque exchange, the two clutches are in the slip state and are jointly transferring the slip torque, clutch C1 is still in the state of eliminating the friction plate gap; however, there is no slip, the clutch C2 is still fully engaged, and the power is transmitted by the fourth stop. The system dynamics equation in this stage is as follows:
T e T fc 4 + T fc 3 i 2 i 3 = I e d ω e d t
T fc 3 i 1 + T fc 4 T a = I a d ω a d t
Stage 3 (C1 separation, C2 bonding, and C3, C4 separation): At this stage, clutches C1 and C2 are about to slip, clutch C3 and clutch C4 carry out torque exchange, clutch C3 oil pressure drops to 0, and the oil pressure of clutch C4 rises to the lowest oil pressure required to overcome the resistance moment and maintain continuous slip. At this stage, clutch C2 still maintains a fully engaged state, clutches C1 and C3 are completely separated, and clutch C4 continues to slip, ensuring that the output torque only meets the resistance torque requirements. The engine output torque is transmitted by clutches C2 and C4, and the power is transmitted by the fourth gear. The system dynamics equation in this stage is as follows:
T e I e d ω e d t = T c 2 i 3 = T fc 4 i 3
T fc 4 T a = I a d ω a d t
Stage 4 (C1, C2, C4 sliding and C3 separation): At this stage, clutches C1 and C2 begin torque exchange, clutch C3 is completely separated, and clutch C4 is still in the slip state. The system dynamics equation in this stage is as follows:
T e T fc 1 T fc 2 i 3 = I e d ω e d t
T fc 1 i 2 + T fc 2 T a = I a d ω a d t
Stage 5 (C1, C4 sliding, C2 separation, and C3 separation): At this stage, clutch C2 is fully engaged, clutch C1 and C3 are completely separated, and clutch C4 enters the fully engaged state from the sliding state. The system dynamics equation in this stage is as follows:
T e T c 1 = I e d ω e d t
T c 1 i 2 = T fc 4 = T a + I a d ω a d t
Stage 6 (C1, C4 bonding, C2 separation, and C3 separation): This stage is the new gear holding stage. Clutches C2 and C3 are completely separated, clutches C1 and C4 are fully engaged, and the power is transmitted by the third gear. At this time, the torque balance equation of the transmission is the same as the fourth stage of the switching rule A.

3.3. Switching Rule C

Stage 1 (C1, C4 separation, and C2, C3 joint): At the beginning of the shift, the oil pressure of clutches C2 and C3 gradually decreases from the maximum value until the two clutches are about to slip but are still in a fully engaged state and transferring all of the torque of the engine. The oil pressure of clutches C1 and C4 rises from 0 to the pressure required to counteract the spring preload, eliminating the friction sheet gap; however, there is no slip and the power is still transmitted in the second stop. The system dynamics equation in this stage is the same as that in the first stage of switching rule A.
Stage 2 (C1 separation, C2 bonding, and C3, C4 sliding): At this stage, clutch C2 is fully engaged, clutch C1 is completely separated, and clutches C3 and C4 carry out torque exchange until the torque delivered by the clutch C3 is 0, and clutches C2 and C4 are transferring all of the torque of the engine. The system dynamics equation in this stage is the same as that in the second stage of switching rule B.
Stage 3 (C1, C3 separation and C2, C4 joint): At this stage, clutches C2 and C4 are fully engaged, clutches C1 and C3 are completely separated, the engine output torque is transmitted by clutches C2 and C4, and the power is transmitted by the fourth gear. The system dynamics equation in this stage is as follows:
T e T c 2 i 3 = I e d ω e d t
T c 2 = T c 4 = T a + I a d ω a d t
Stage 4 (C1, C2 sliding, C3 separation, and C4 bonding): At this stage, clutch C4 is fully engaged, clutch C3 is completely separated, and clutches C1 and C2 carry out torque exchange until the torque delivered by clutch C2 is 0 and the clutches C1 and C4 are transferring all of the torque of the engine. The system dynamics equation in this stage is as follows:
T e T fc 1 T fc 2 i 3 = I e d ω e d t
T fc 1 i 2 + T fc 2 T a = I a d ω a d t
Stage 5 (C1, C4 bonding, and C2, C3 separation): This stage is the new gear holding stage. Clutches C2 and C3 are completely separated, clutches C1 and C4 are fully engaged, and the power is transmitted by the third gear. At this time, the torque balance equation of the transmission is the same as the fourth stage of the switching rule A.

4. Combined Process Dynamic Modeling and Simulation

4.1. Model Construction

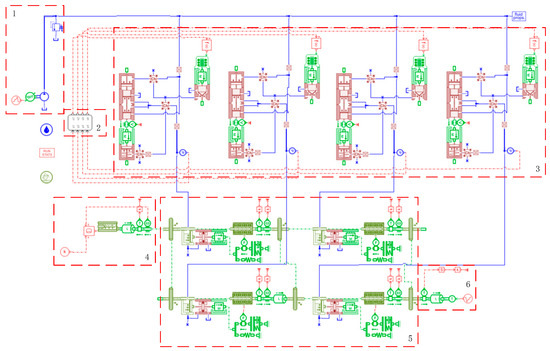
In order to more accurately simulate the influence of the clutch engagement law on shifting performance when multiple clutches shift, a transmission shift model is built based on the multidisciplinary dynamic simulation software AMESim2021 and Matlab2021/Simulink, as shown in Figure 4. The entire model consists of five parts: oil supply system 1, shift control module 2, clutch combined with oil pressure control valve group 3, engine module 4, power shift module 5 and load module 6, with each module being connected by mechanical, tubing or electrical signals. The model uses Matlab2021/Simulink software to calculate the voltage required by the pilot solenoid proportional pressure-reducing valve when the clutch cylinder pressure reaches the expected value in the shifting process. It then transmits the calculation result to the AMESim2021 software in order for it to control the abovementioned valve. Then, the actual pressure of the clutch cylinder is fed back to the Matlab2021/Simulink software for optimal control. The main parameters of joint simulation are as shown in Table 3.

4.2. Evaluation Method of Shift Characteristics

Shifting characteristics refer to the smoothness of the tractor’s dynamic shifting process. The impact degree, slip work and transmission output torque are introduced to analyze the shifting characteristics [25].
Commutation time: The commutation time refers to the time required for the TCU control unit to complete the commutation.
Impact degree: The impact degree is represented by the rate of change of the tractor’s longitudinal acceleration. The greater the impact degree, the more obvious will be the feeling of frustration for the driver and the commutation smoothness will be reduced. The calculation formula is as follows:
j = d a d t = d 2 v d t 2
where v is tractor speed in m·s−1.
Sliding power: When the main and slave parts of the wet clutch are engaged to their synchronous speed, they are in a state of slipping and friction, and the calculation formula is as follows:
W f c = 0 t i T f ω z ω c d t
where t i is sliding end time in s, ω z is the clutch driving part’s angular velocity in rad·s−1, and ω c is the clutch-driven angular velocity in rad·s−1.
Transmission output torque: The output torque of the transmission is too small or interrupted, which affects the dynamic performance of the tractor when it is shifting under high load operation in the field. The shifting performance was evaluated by comparing the output torque of the transmission output torque.

4.3. Analysis of Simulation Results

Through simulation results analysis, the variation patterns of oil pressure for clutches C1, C2, C3 and C4, the changes in the rotational speed of the driven discs, and the alterations in torque transmission during the gear shifting process were examined. Additionally, the fluctuations in tractor jerkiness and the magnitude of sliding friction power during shifting were investigated.
The torque exchange overlap time between clutches C1 and C2 and then C3 and C4 in switching rule A is 0.3 s. The simulation results are shown in Figure 5, Figure 6, Figure 7, Figure 8, Figure 9 and Figure 10.
As can be seen from Figure 5, during the whole shift process, clutches C2 and C3 are to be separated and clutches C1 and C4 are to be engaged. The oil pressure of clutches C1 and C4 rises from 0 in 6 s and, after pre-filling has completed after 0.1 s, the oil pressure rises to 0.2 MPa before entering the pressure regulation stage, in which it rises to 2 MPa at 6.25 s. The oil pressure of clutches C2 and C3 begins to drop from 2 MPa in a similar timeframe of 6 s, decreases to 1.5 MPa after 0.1 s, decreases to 0.2 MPa at 6.25 s, and then decreases to 0 after 0.15 s and 0.25 s for C2 and C3, respectively.
As can be seen from Figure 6 and Figure 7, before shifting, the driven disk speed of clutches C1 and C3 is 2608 r/min, while the driven disk speeds of clutches C2 and C4 are 2089 r/min and 1630 r/min, respectively. After the shift starts, the speed of the followers for clutches C1 and C2 decreases and begins to rise after 0.06 s. The speed of the followers of clutches C3 and C4 increases and then begins to decline at 6.3 s, before gradually rising to their respective working speeds at 6.45 s. The shift is then completed with a shift time of 0.7 s. At 6.1 s, the torque delivered by clutches C2 and C3 begins to decline and the torque delivered by clutches C1 and C4 begins to rise at the same time. At 6.26 s, the torque delivered by clutches C2 and C3 drops to 0 and the torque levels delivered by clutches C1 and C4 rise to their respective maximum values and then remain unchanged. When the speeds of the main and slave parts of clutches C1 and C4 enter the synchronization stage, the output torque is adjusted according to the output torque of the engine, so that it is close to 500 N·m.
As can be seen from Figure 8, Figure 9 and Figure 10, in switching rule A, four clutches are switched at the same time, the control is complicated, the impact times are large in the shifting process, the instantaneous impact is large, the maximum impact degree is 17 m·s−3, and the slip energy is 9102 J.
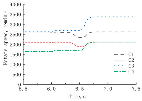
The torque exchange overlap time between clutches C1 and C2 and C3 and C4 in switching rule B is 0.15 s. The simulation results are shown in Figure 11, Figure 12, Figure 13, Figure 14, Figure 15 and Figure 16.
As can be seen from Figure 11, the oil pressure of clutches C1 and C4 begins to rise from 0 at 5.8 s and after a respective 0.1 s and 0.5 s of pre-filling, the oil pressure rises to 0.2 MPa and then enters the pressure regulation stage. The oil pressure of clutch C4 rises to 1.2 MPa at 6.06 s and remains unchanged, it then begins to rise at 6.45 s, and rises to 2 MPa after 0.2 s. At the same time, the oil pressure of clutches C2 and C3 drops from 2 MPa at 5.8 s, to 1.5 MPa at 0.1 s, and to 0.2 MPa at 6.25 s. After 0.15 s and 0.25 s for C2 and C3, respectively, the oil pressure drops to 0.
As can be seen from Figure 12 and Figure 13, before shifting, the driven disk speed of clutches C1 and C3 is 2608 r/min, while the driven disk speeds of clutches C2 and C4 are 2089 r/min and 1630 r/min, respectively. After the shift begins, the speed of clutch C4’s follower rises to 1677 r/min and remains unchanged, before gradually rising to the working speed of 2103 r/min at 6.52 s. The speed of clutch C1’s follower decreases to 2578 r/min and remains unchanged. The speed begins to decrease at 6.35 s and gradually rises to the working speed of 2615 r/min at 6.52 s. The shift is then completed with a time of 0.9 s. At 5.81 s, the torque delivered by clutch C3 begins to fall, while the torque delivered by clutch C4 begins to rise. At 6.08 s, the torque delivered by clutch C3 drops to 0, and the torque delivered by clutches C2 and C4 simultaneously rises to 500 N·m. At 6.3 s, the torque transmitted by clutch C2 begins to decline, and the torque transmitted by clutch C1 begins to rise. After 0.22 s, the torque transmitted by clutch C2 drops to 0, the torque transmitted by clutch C1 rises to 450 N·m and then drops to 402 N·m, where it remains unchanged. The torque transmitted by clutch C4 increases at 6.6 s. At 6.75 s, it drops to 500 N·m and remains unchanged.
As can be seen from Figure 14, Figure 15 and Figure 16, in switching rule B, clutch C4 is still in a slip state between 6.05 s and 6.45 s. The impact generated by the torque exchange between clutch C1 and C2 is absorbed by clutch C4, the maximum impact degree of shifting is 4.8 m·s−3, and the slip energy is 9517 J.
Clutches C1 and C2 and clutches C3 and C4 in switching rule C have torque exchange overlapping times of 0 s. Figure 17, Figure 18, Figure 19, Figure 20, Figure 21 and Figure 22 show the simulation results.
As can be seen from Figure 17, the oil pressures of clutches C1 and C4 rise from 0 at 5.81 s and 6.28 s, respectively. After 0.1 s of pre-filling, the oil pressure rises to 0.2 MPa, and then enters the pressure regulation stage, rising to 2 MPa at 6.08 s and 6.45 s for C1 and C4, respectively. The oil pressures of clutches C2 and C3 begin to drop from 2 MPa at 5.81 s and 6.28 s, drop to 1.5 MPa after 0.1 s, drop to 0.2 MPa at 6.08 s and 6.45 s, respectively, and then drop to 0 after 0.15 s.
As can be seen from Figure 18 and Figure 19, before shifting, the driven disk speed of clutches C1 and C3 is 2608 r/min, while the driven disk speeds of clutches C2 and C4 are 2089 r/min and 1630 r/min, respectively. After the shift begins, the speeds of clutch C3’s follower and C4’s follower increase, the speeds of clutch C1 and C2’s followers decrease before beginning to rise after 0.1 s. At 6.3 s, the speed of the four clutches begin to decline at the same time, and gradually rise to their respective working speeds at 6.5 s, completing the shift with a time of 0.85 s. At 5.81 s, the torque delivered by clutch C3 begins to fall, while the torque delivered by clutch C4 begins to rise. At 6.08 s, the torque delivered by clutch C3 drops to 0, while the torque delivered by clutch C2 and C4 rises to 670 N·m and then slowly declines. At 6.28 s, the torque transmitted by clutch C2 begins to decline, and the torque transmitted by clutch C1 begins to rise. After the speed of the main and slave parts of clutches C1 and C4 enter the synchronization stage, the output torque is adjusted according to the output torque of the engine, so that it is close to 500 N·m.
As can be seen from Figure 20, Figure 21 and Figure 22, in switching rule C, the maximum impact of shifting is 8 m·s−3, the slip energy is 8014 J, and the minimum output torque is 403 N·m.
The simulation results for three different switching rules are summarized in Table 4.

5. Conclusions

In this paper, the influence of different clutch engagement rules on the shifting characteristics of multi-clutch shifting in a power shifting tractor is studied. Through the transmission model of a power shift transmission, the process of advancing through gear II and up to gear III is simulated and analyzed. The main conclusions are as follows.
The simulation results show that, compared with the scheme in which the torque exchange overlap time between clutches C1 and C2 and C3 and C4 is 0.3 s, the scheme in which the torque exchange overlap time is 0.15 s shows a the commutation time that is increased by 0.2 s, a sliding power that is increased by 4%, and a minimum output torque of transmission that is increased by 2%. In the scheme in which the torque exchange overlap time is 0 s, the commutation time increases by 0.15 s, the sliding power decreases by 13.5%, and the minimum output torque of the transmission decreases by 17%. The reduction in slip energy and output torque effectively enhances the smoothness, performance, comfort, and driving experience of power shifting. Therefore, switching rule C is superior to switching rule A and B in this regard.
By studying the shifting performance under three different clutch engagement rules, it is concluded that the YTO TX4A transmission system can appropriately shorten the overlapping time of two instances of clutch torque exchange when advancing forward gear II and lifting gear III. In addition, it can avoid the simultaneous torque exchange of two sets of clutches, which in turn can reduce the complexity of clutch control, improve the smoothness, performance, and comfort of power shifting, and extend the service life of the transmission system. The study holds significant importance for the study of clutch engagement patterns during power shifting in tractors with multiple clutches.

Author Contributions

Conceptualization, X.Y. and J.Z.; methodology, X.Y. and J.Z.; software, X.L.; validation, X.L. and H.W.; formal analysis, X.L.; investigation, X.Y. and H.W.; resources, X.Y.; data curation, M.L. and W.H.; writing—original draft preparation, J.Z.; writing—review and editing, X.Y.; visualization, H.W.; supervision, X.Y.; project administration, X.Y.; funding acquisition, J.Z. and X.Y. All authors have read and agreed to the published version of the manuscript.

Funding

This research has been awarded the “14th Five-Year” national key research and development Plan (2022YFD2001203, 2022YFD2001201B); Agricultural Key Core Technology GG project NK202216010103. This research was funded by the State Key Laboratory of Intelligent Agricultural Power Equipment Open Project (SKLIAPE2023006), Henan University of Science and Technology Innovation Team Support Program (24IRTSTHN029) and Henan Provincial Science and Technology Research Project (222102110233).

Institutional Review Board Statement

Not applicable.

Data Availability Statement

No new data were created or analyzed in this study. Data sharing is not applicable to this article.

Conflicts of Interest

The authors declare no conflict of interest.

References

  1. Xie, B.; Wu, Z.; Mao, E. Development status and prospect of key technologies of agricultural tractor. Trans. Chin. Soc. Agric. Mach. 2018, 49, 1–17. [Google Scholar]
  2. Shi, F.; Ma, M.; Zhou, Y.; Hu, H. Power shift tractor gearbox off-line running-in test bench. Mod. Agric. Equip. 2022, 43, 26–30. [Google Scholar]
  3. Zhang, Y.; Xin, Z.; Du, Y.; Shao, M.; Sun, E.; Zhang, F. Rapid design method and software development of tractor gearbox box. Trans. Chin. Soc. Agric. Eng. 2020, 36, 49–55. [Google Scholar]
  4. Zhang, H.; Tian, J.; Chen, Z.; Xu, G.; Zhou, P. Study on hydraulic shifting characteristics of gearbox of engineering vehicle. Mech. Trans. 2015, 39, 173–176. [Google Scholar]
  5. Wang, Y.; Lu, L.; Sun, M.; Ni, H.; Yi, Y. Research on control system of tractor power shift transmission under CAN intelligent node. J. Chongqing Univ. Technol. (Nat. Sci. Ed.) 2022, 36, 245–250. [Google Scholar]
  6. Fu, S.; Zhang, Y.; Zhang, W.; Mao, E.; Wang, G.; Du, Y. PST shift strategy and hardware-in-the-loop test considering random load adaptive compensation. Trans. Chin. Soc. Agric. Mach. 2022, 53, 408–416. [Google Scholar]
  7. Fu, S.; Gu, J.; Li, Z.; Mao, E.; Du, Y.; Zhu, Z. Pressure control method of wet clutch of power shift gearbox based on MFAPC. Trans. Chin. Soc. Agric. Mach. 2020, 51, 367–376. [Google Scholar]
  8. Sun, C.; Si, T.; Zhu, M.; Yang, B. Research on power shift quality optimization based on wet clutch oil pressure segmentation control strategy. Chin. J. Agri. Mech. 2022, 43, 106–112+117. [Google Scholar]
  9. Sun, D.; Chen, X.; Li, B.; Yang, B. Dynamic control method of tractor power shift process based on genetic algorithm. J. Chongqing Univ. 2019, 42, 1–14. [Google Scholar]
  10. Zhang, Z.; Chen, J.; Yao, L.; Zheng, Y. Target torque control of two-speed DCT clutch based on GA-LQR. Mech. Trans. 2020, 44, 28–33. [Google Scholar]
  11. Zhu, S.; Wu, G. Simulation study on optimal control of shifting process of hydromechanical automatic transmission. Mech. Trans. 2014, 38, 15–19. [Google Scholar]
  12. Roozegar, M.; Angeles, J. Gear-Shifting in a Novel Modular Multi-Speed Transmission for Electric Vehicles Using Linear Quadratic Integral Control. Mech. Mach. Theory 2018, 128, 359–367. [Google Scholar] [CrossRef]
  13. Kim, S.; Oh, J.; Choi, S. Gear Shift Control of a Dual-Clutch Transmission Using Optimal Control Allocation. Mech. Mach. Theory 2017, 113, 109–125. [Google Scholar] [CrossRef]
  14. Xi, Z.; Zhou, Z.; Zhang, M.; Cao, Q. Research on shifting characteristics and control strategy of tractor power shift transmission. Trans. Chin. Soc. Agric. Mach. 2016, 47, 350–357. [Google Scholar]
  15. Mishra, K.D.; Srinivasan, K. Robust Control and Estimation of Clutch-to-Clutch Shifts. Control Eng. Pract. 2017, 65, 100–114. [Google Scholar] [CrossRef]
  16. Shi, X.; Xia, G. Research on shift control under traction conditions of high-horsepower tractor. J. Hefei Univ. Technol. (Nat. Sci. Ed.) 2019, 42, 601–607. [Google Scholar]
  17. Zheng, X. Research on Optimal Control Algorithm of Shifting Process of Hydromechanical Automatic Transmission for Off-Road Vehicles. Master’s Thesis, Jilin University, Changchun, China, 2018. [Google Scholar]
  18. Li, B.; Sun, D.; Hu, M.; Zhou, X.; Wang, D.; Xia, Y.; You, Y. Automatic Gear-Shifting Strategy for Fuel Saving by Tractors Based on Real-Time Identification of Draught Force Characteristics. Biosyst. Eng. 2020, 193, 46–61. [Google Scholar] [CrossRef]
  19. Tian, Y.; Ma, Y.; Wang, C. Study on shifting characteristics of tractor power shift gearbox. J. Agric. Mech. Res. 2020, 42, 226–230. [Google Scholar]
  20. Zhang, Z.; Wu, X.; Yang, C.; Zou, B. Research on precise control method of clutch torque in wet DCT shifting process. Chongqing Univ. Technol. (Nat. Sci. Ed.) 2023, 37, 8–18. [Google Scholar]
  21. Cao, Q. Research on Key Technology of Tractor PST Control System. Doctor’s Thesis, Xi’an University of Technology, Xi’an, China, 2018. [Google Scholar]
  22. Zheng, X.; Sun, W. Engine performance analysis and modeling based on MATLAB fitting toolbox. Shandong Indus. Technol. 2017, 18, 1–2. [Google Scholar]
  23. Yan, X. Research on Key Technologies of Virtual Test of Tractor Power Shift Drive Train. Doctor’s Thesis, Henan University of Science and Technology, Luoyang, China, 2020. [Google Scholar]
  24. Cai, Z.; Zhan, D. Research on multi-clutch shift control strategy of power shift transmission. Eng. Mach. 2022, 53, 8–13+7. [Google Scholar]
  25. Dang, H. Research on shift quality of dual clutch automatic transmission. Auto Time 2017, 10, 103–105. [Google Scholar]
Figure 1. Engine speed characteristics curve.
Figure 1. Engine speed characteristics curve.
Agriculture 14 00254 g001
Figure 2. Tractor PST structure schematic.
Figure 2. Tractor PST structure schematic.
Agriculture 14 00254 g002
Figure 3. Schematic diagram of tractor power commutation. (1 = safety valve, 2 = drive shaft, 3 = engaging clutch, 4 = friction plate, 5 = steel plate, 6 = piston, 7 = clutch hub, 8 = clutch, 9 = solenoid directional valve, 10 = hydraulic pump).
Figure 3. Schematic diagram of tractor power commutation. (1 = safety valve, 2 = drive shaft, 3 = engaging clutch, 4 = friction plate, 5 = steel plate, 6 = piston, 7 = clutch hub, 8 = clutch, 9 = solenoid directional valve, 10 = hydraulic pump).
Agriculture 14 00254 g003
Figure 4. Co-simulation model of driveline system for power-shifting tractor.
Figure 4. Co-simulation model of driveline system for power-shifting tractor.
Agriculture 14 00254 g004
Figure 5. Clutch oil pressure curve.
Figure 5. Clutch oil pressure curve.
Agriculture 14 00254 g005
Figure 6. Speed curve.
Figure 6. Speed curve.
Agriculture 14 00254 g006
Figure 7. Torque curve.
Figure 7. Torque curve.
Agriculture 14 00254 g007
Figure 8. Impact change curve.
Figure 8. Impact change curve.
Agriculture 14 00254 g008
Figure 9. Slip energy curve.
Figure 9. Slip energy curve.
Agriculture 14 00254 g009
Figure 10. Output torque change curve.
Figure 10. Output torque change curve.
Agriculture 14 00254 g010
Figure 11. Clutch oil pressure curve.
Figure 11. Clutch oil pressure curve.
Agriculture 14 00254 g011
Figure 12. Speed curve.
Figure 12. Speed curve.
Agriculture 14 00254 g012
Figure 13. Torque curve.
Figure 13. Torque curve.
Agriculture 14 00254 g013
Figure 14. Impact change curve.
Figure 14. Impact change curve.
Agriculture 14 00254 g014
Figure 15. Slip energy curve.
Figure 15. Slip energy curve.
Agriculture 14 00254 g015
Figure 16. Output torque change curve.
Figure 16. Output torque change curve.
Agriculture 14 00254 g016
Figure 17. Clutch oil pressure curve.
Figure 17. Clutch oil pressure curve.
Agriculture 14 00254 g017
Figure 18. Speed curve.
Figure 18. Speed curve.
Agriculture 14 00254 g018
Figure 19. Torque curve.
Figure 19. Torque curve.
Agriculture 14 00254 g019
Figure 20. Impact change curve.
Figure 20. Impact change curve.
Agriculture 14 00254 g020
Figure 21. Slip energy curve.
Figure 21. Slip energy curve.
Agriculture 14 00254 g021
Figure 22. Output torque change curve.
Figure 22. Output torque change curve.
Agriculture 14 00254 g022
Table 1. Tractor PST structural parameter nomenclature table.
Table 1. Tractor PST structural parameter nomenclature table.
ParametersDefinitionUnit
T e Engine output torqueN·m
T c 1 , T c 2 , T c 3 , T c 4 Torque transmitted by clutch C1, C2, C3, C4N·m
T a Resistance moment of the wheelN·m
I e Engine crankshaft, flywheel, input solid shaft and associated gears and clutches C1, C2 driving disc equivalent moment of inertiakg·m2
I c 1 Equivalent moment of inertia of clutch C1 driven disk, solid shaft and clutch C3 driving diskkg·m2
I c 2 Equivalent moment of inertia of clutch C2 driven disc, solid shaft and clutch C4 driving diskkg·m2
I c 3 Equivalent moment of inertia of clutch C3 driven disk and drive gearkg·m2
I c 4 Equivalent moment of inertia of clutch C4 driven disk and solid shaft and associated gearkg·m2
I a Equivalent moment of inertia of vehicle equivalent to wheelkg·m2
ω e Angular velocity of engine crankshaftrad·s−1
ω c 1 , ω c 2 , ω c 3 , ω c 4 Angular velocity of driven discs C1, C2, C3, C4 of the clutchrad·s−1
ω a Angular velocity of the wheelrad·s−1
i 1 The first gear transmission ratio/
i 2 The third gear transmission ratio/
i 3 The fourth gear transmission ratio/
Table 2. Shift logic table.
Table 2. Shift logic table.
GearClutch C1Clutch C2Clutch C3Clutch C4
I××
II××
III××
IV××
‘◯’ indicates clutch engagement, ‘×’ indicates clutch release.
Table 3. Key parameters in co-simulation model.
Table 3. Key parameters in co-simulation model.
ParametersUnitValue
Oil supply pressureMPa2
Hydraulic oil densitykg·m−3850
Hydraulic oil volume elastic modulusPa1.7 × 109
Equivalent mass of clutch pistonkg0.65
Clutch piston outside radiusmm62.5
Clutch piston inner radiusmm27.5
Clutch spring stiffnessN·m−125,600
Initial force of clutch return springN2150
Clutch piston kiss pointmm2.8
Initial volume of clutch cylinderm32.27 × 10−4
Number of clutch friction pieces/6
Clutch inlet diametermm6
Clutch dynamic friction coefficient μ d /0.06
Clutch static friction coefficient μ s /0.12
Equivalent rotational inertia of the engine and flywheelkg·m−20.6
Equivalent rotational inertia of the transmission output shaftkg·m−26
Driving wheel radius,m0.95
Final gear ratio/46.35
Table 4. Statistical table of results.
Table 4. Statistical table of results.
Shift Time,
s
Impact Stress, m·s−3Slip Energy, JMinimum Output Torque, N·m
Switching rule A0.7179102475
Switching rule B0.94.89517485
Switching rule C0.8588014403
Disclaimer/Publisher’s Note: The statements, opinions and data contained in all publications are solely those of the individual author(s) and contributor(s) and not of MDPI and/or the editor(s). MDPI and/or the editor(s) disclaim responsibility for any injury to people or property resulting from any ideas, methods, instructions or products referred to in the content.

Share and Cite

MDPI and ACS Style

Zhang, J.; Liu, X.; Wei, H.; Liu, M.; Huang, W.; Yan, X. Study on Shifting Performance of Tractor Multi-Clutch under Different Engagement Rules. Agriculture 2024, 14, 254. https://doi.org/10.3390/agriculture14020254

AMA Style

Zhang J, Liu X, Wei H, Liu M, Huang W, Yan X. Study on Shifting Performance of Tractor Multi-Clutch under Different Engagement Rules. Agriculture. 2024; 14(2):254. https://doi.org/10.3390/agriculture14020254

Chicago/Turabian Style

Zhang, Jingyun, Xiaohui Liu, Haijiang Wei, Mengnan Liu, Wenlong Huang, and Xianghai Yan. 2024. "Study on Shifting Performance of Tractor Multi-Clutch under Different Engagement Rules" Agriculture 14, no. 2: 254. https://doi.org/10.3390/agriculture14020254

APA Style

Zhang, J., Liu, X., Wei, H., Liu, M., Huang, W., & Yan, X. (2024). Study on Shifting Performance of Tractor Multi-Clutch under Different Engagement Rules. Agriculture, 14(2), 254. https://doi.org/10.3390/agriculture14020254

Note that from the first issue of 2016, this journal uses article numbers instead of page numbers. See further details here.

Article Metrics

Back to TopTop