Design and Experiment of In Situ Soil-Lifting Shovel for Direct-Injection Straw Deep-Burial Machine
Abstract
:1. Introduction
2. Materials and Methods
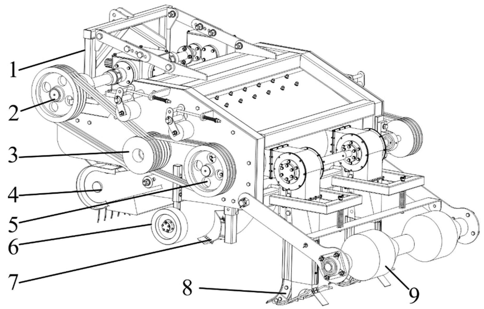
2.1. The Structure and Working Mechanism
2.1.1. The Overall Structure
2.1.2. Working Mechanism
2.2. Design of Key Components
2.2.1. Structural Design of In Situ Soil-Lifting Shovel
2.2.2. Force Analysis of In Situ Soil-Lifting Shovel
- Analysis of the force on the tip of the in situ soil-lifting shovel
- 2.
- Analysis of the force on the lifting plate of the in situ soil-lifting shovel
2.3. EDEM Simulation
2.3.1. Purpose and Method of Simulation Test
2.3.2. Construction of a Soil Model and a Geometric Simulation Model for an In Situ Soil-Lifting Shovel
- Model parameters of in situ soil-lifting shovel
- 2.
- Soil and straw model parameters;
2.4. Orthogonal Test
2.4.1. Experimental Design
2.4.2. Measurement of the Quantity of Deeply Buried Straw
2.4.3. Measurement of Operation Resistance
2.5. Field Experiment
3. Results and Discussion
3.1. Simulation Operation Process
3.2. Analysis of Simulation Results
3.2.1. Regression Analysis and Significance Testing
3.2.2. Response Surface Analysis
3.2.3. Optimization and Verification
3.3. Field Experiment Analysis
4. Conclusions
- (1)
- A direct-injection method for the deep burial of straw was proposed, and an in situ soil-lifting shovel was designed based on the principle of oblique cutting. While obliquely cutting the soil, the soil was lifted in situ to form a deep burial space for straw and complete the deep burial of straw.
- (2)
- Theoretical analysis was conducted on the force acting on the tip of the in situ soil-lifting shovel, and the angle of penetration of the shovel tip into the soil was determined. Based on the analysis of the three stages of the operation of the soil-lifting plate part, three soil-lifting plates were designed according to the different camber angles, and then three in situ soil-lifting shovel structures were designed. The value range of the camber angle was determined by analyzing three kinds of in situ soil-lifting shovels.
- (3)
- The DEM method was used to analyze the operational resistance and the amount of deeply buried straw. The results showed that as the soil-opening angle increased, the amount of deeply buried straw first increased and then decreased, increasing operational resistance. As the soil-lifting angle increased, the amount of deeply buried straw first increased and then reduced, leading to an increase in operational resistance. With the rise of camber angle, the amount of deeply buried straw first increases and then decreases, and the operational resistance decreases. Aiming at the maximum amount of deeply buried straw and the minimum operational resistance, the soil-opening angle of the in situ soil-lifting shovel was 17°, the soil-lifting angle was 37°, and the camber angle was 30°.
- (4)
- The field test results showed that when the angle of penetration was 25°, the soil-opening angle was 17°, and the soil-lifting angle was 37°. The camber angle was 30°, the amount of deeply buried straw was 90.21%, the operating resistance was 3145.95 N, and the error with the simulation experiment was only 11%.
Author Contributions
Funding
Institutional Review Board Statement
Data Availability Statement
Acknowledgments
Conflicts of Interest
References
- He, J.; Li, H.; Chen, H.; Lu, C.; Wang, Q. Research progress of conservation tillage technology and machine. Trans. Chin. Soc. Agric. Mach. 2018, 49, 1–19. [Google Scholar]
- Nyakudya, I.W.; Stroosnijder, L. Conservation tillage of rainfed maize in semi-arid Zimbabwe: A review. Soil Tillage Res. 2015, 145, 184–197. [Google Scholar] [CrossRef]
- Shao, J.; Gao, C.; Afi Seglah, P.; Xie, J.; Zhao, L.; Bi, Y.; Wang, Y. Analysis of the Available Straw Nutrient Resources and Substitution of Chemical Fertilizers with Straw Returned Directly to the Field in China. Agriculture 2023, 13, 1187. [Google Scholar] [CrossRef]
- Berhane, M.; Xu, M.; Liang, Z.; Shi, J.; Wei, G.; Tian, X. Effects of long-term straw return on soil organic carbon storage and sequestration rate in North China upland crops: A meta-analysis. Glob. Chang. Biol. 2020, 26, 2686–2701. [Google Scholar] [CrossRef]
- Hiloidhari, M.; Das, D.; Baruah, D.C. Bioenergy potential from crop residue biomass in India. Renew. Sustain. Energy Rev. 2014, 32, 504–512. [Google Scholar] [CrossRef]
- Liu, J.; Li, J.; Zhou, Y.; Fu, Q.; Zhang, L.; Liu, L. Effects of straw mulching and tillage on soil water characteristics. Trans. Chin. Soc. Agric. Mach. 2019, 50, 333–339. [Google Scholar]
- Shi, Z.; Wang, F.; Wang, J.; Li, X.; Sun, R.; Song, C. Utilization Characteristics, Technical Model and Development Suggestion on Crop Straw in China. J. Agric. Sci. Technol. 2019, 21, 8–16. [Google Scholar]
- Wang, Y.; Yang, S.; Sun, J.; Liu, Z.; He, X.; Qiao, J. Effects of Tillage and Sowing Methods on Soil Physical Properties and Corn Plant Characters. Agriculture 2023, 13, 600. [Google Scholar] [CrossRef]
- Song, J.; Zeng, X.; Wang, Y.; Bai, L. A review on crop straw returning to field:Effects, problems and countermeasures. Chin. J. Ecol. 2020, 39, 1715–1722. [Google Scholar]
- Zhuang, Q.; Huang, Y.; Jiang, X.; Zi, Y.; Lei, Y. Straw Returning and Its Effective Returning Method: Research Progress. Chin. Agric. Sci. Bull. 2019, 35, 38–41. [Google Scholar]
- Wang, J.; Zhang, X.; Tang, H.; Wang, J.; Weng, W.; Yang, D. Optimal Design and Experiment of Deep-buried Reverse Rotating Sliding Cutting Straw Returning Blade. Trans. Chin. Soc. Agric. Mach. 2021, 52, 28–39. [Google Scholar]
- Lin, J.; Qi, L.; Li, B.; Bo, H.; Wu, N.; Gao, W.; Zhang, T.; Meng, F. Design and Experimental Study of Maize Straw Ridge-furrow-strip Mixed Burying Machine. J. Shenyang Agric. Univ. 2018, 49, 697–708. [Google Scholar]
- Tian, Y.; Lin, J.; Li, B. Design and Test of Conveying Device of Pneumatic Straw Deep Burying and Returning Machine. Trans. Chin. Soc. Agric. Mach. 2018, 49, 36–44. [Google Scholar]
- Chen, G.; Lu, C.; He, J.; Wang, C.; Wang, X.; Wang, Q. Design and Experiment of Straw Pickup-Crushed and Deep Buried Device under Strip-tillage. Trans. Chin. Soc. Agric. Mach. 2021, 52, 16–27. [Google Scholar]
- Song, J.; Lin, J.; Ma, T.; Lv, Q.; Tian, Y. Design and Test of Rotating Spade Type Maize Straw Returning Root Deep Machine. J. Agric. Mach. 2018, 40, 95–99. [Google Scholar]
- Aikins, K.A.; Ucgul, M.; Barr, J.B.; Awuah, E.; Antille, D.L.; Jensen, T.A.; Desbiolles, J.M.A. Review of Discrete Element Method Simulations of Soil Tillage and Furrow Opening. Agriculture 2023, 13, 541. [Google Scholar] [CrossRef]
- Yuan, Y.; Wang, J.; Zhang, X.; Zhao, S. Effect of Rotary Speed on Soil and Straw Throwing Process by Stubble-Crushing Blade for Strip Tillage Using DEM-CFD. Agriculture 2023, 13, 877. [Google Scholar] [CrossRef]
- Zhang, J.; Xia, M.; Chen, W.; Yuan, D.; Wu, C.; Zhu, J. Simulation Analysis and Experiments for Blade-Soil-Straw Interaction under Deep Ploughing Based on the Discrete Element Method. Agriculture 2023, 13, 136. [Google Scholar] [CrossRef]
- Zhang, X.; Zhang, R.; Ru, S.; Zhang, X.; Li, Y.; Liang, D. Design and experiment of pre-soil-breaking chisel-type subsoilers for banana field in hot areas of Hainan Province, China. Trans. Chin. Soc. Agric. Eng. 2020, 36, 49–55. [Google Scholar]
- Li, Y.; Cao, Z.; Zhan, X.; Yang, Q.; Cui, J.; Li, Y. Optimal Design and Test of Orchard Chisel-Type Shovel Subsoiler. Trans. Chin. Soc. Agric. Mach. 2021, 52, 19–25. [Google Scholar]
- Liu, R.; Li, Y.; Liu, C.; Liu, L. Design and Experiment of Shovel Type Wide Seedling Belt Oat Seeding Furrow Opener. Trans. Chin. Soc. Agric. Mach. 2021, 52, 89–96. [Google Scholar]
- Hang, C.; Zhang, P.; Li, W.; Huang, Y.; Zhu, R. Experiment research on influence of rake angle on soil hardness variation under sub-soiling. J. Chin. Agric. Mech. 2016, 37, 36–40. [Google Scholar]
- Wang, J.; Li, X.; Gao, P.; Na, M.; Wang, Q.; Hou, W. Design and Experiment of High Efficiency Drag Reducing Shovel for Carrot Combine Harvester. Trans. Chin. Soc. Agric. Mach. 2020, 51, 93–103. [Google Scholar]
- Zeng, Z.W.; Ma, X.; Cao, X.L.; Li, Z.H.; Wang, X.C. Critical Review of Applications of Discrete Element Method in Agricultural Engineering. Trans. Chin. Soc. Agric. Mach. 2021, 52, 1–20. [Google Scholar]
- Fang, H.M.; Ji, C.Y.; Farman, A.C.; Guo, J.; Zhang, Q.Y.; Chaudhry, A. Analysis of Soil Dynamic Behavior during Rotary Tillage Based on Distinct Element Method. Trans. Chin. Soc. Agric. Mach. 2016, 47, 22–28. [Google Scholar]
- Mustafa, U.; John, M.F.; Chris, S. 3D DEM tillage simulation: Validation of a hysteretic spring (plastic) contact model for a sweep tool operating in a cohesionless soil. Soil Tillage Res. 2014, 144, 220–227. [Google Scholar]
- Tekeste, M.Z.; Balvanz, L.R.; Hatfield, J.L.; Ghorbani, S. Discrete element modeling of cultivator sweep-to-soil interaction: Worn and hardened edges effects on soil-tool forces and soil flow. J. Terramechanics 2019, 82, 1–11. [Google Scholar] [CrossRef]
- Wang, J.; Tang, H.; Wang, J.; Huang, H.; Lin, N.; Zhao, Y. Numerical Analysis and Performance Optimization Experiment on Hanging Unilateral Ridger for Paddy Field. Trans. Chin. Soc. Agric. Mach. 2017, 48, 72–80. [Google Scholar]
- Ma, Y.; Wang, A.; Zhao, J.; Hao, J.; Li, J.; Ma, L.; Zhao, W.; Wu, Y. Simulation analysis and experiment of drag reduction effect of convex blade subsoiler based on discrete element method. Trans. Chin. Soc. Agric. Eng. 2019, 35, 16–23. [Google Scholar]
- Ma, S.; Xu, L.; Xing, J.; Yuan, Q.; Yu, C.; Duan, Z.; Chen, C.; Zeng, J. Development of unilateral cleaning machine for grapevine buried by soil with rotary impeller. Trans. Chin. Soc. Agric. Eng. 2018, 34, 1–10. [Google Scholar]
- Yu, C.; Wang, Q.; Li, H.; He, J.; Lu, C.; Liu, H. Design and Experiment of Spiral-Split Sowing Strip Cleaning Device. Trans. Chin. Soc. Agric. Mach. 2020, 51, 212–219. [Google Scholar]
- Yang, Y.; Zhang, H.; Feng, T.; Lin, Q.; Xue, M.; Li, Z.; He, W.; Mi, X. Topsoil and subsoil combined cultivator and top-soiling experiment. J. Mech. Eng. 2012, 48, 163–168. [Google Scholar] [CrossRef]
- Tian, Y.; Lin, J.; Li, B.; Zhang, T.; Qi, L.; Wang, J. Design and test of pneumatic 1JH-2 style straw deep burying and returning machine. Trans. Chin. Soc. Agric. Eng. 2018, 34, 10–18. [Google Scholar]



















| Parameters | Data | |
|---|---|---|
| 45 Steel | Poisson’s Ratio | 0.31 |
| Shear Modulus/Pa | 7.0 × 1010 | |
| Density/(kg/m3) | 7800 | |
| 16Mn Steel | Poisson´s Ratio | 0.25 |
| Shear Modulus / Pa | 7.9 × 1010 | |
| Density/(kg/m3) | 7865 | |
| Parameters | 45 Steel–Soil | 45 Steel–Straw | 16Mn Steel–Soil | Soil–Soil |
|---|---|---|---|---|
| Coefficient of rolling friction | 0.04 | 0.01 | 0. 03 | 0.20 |
| Coefficient of static friction | 0.50 | 0.30 | 0.50 | 0.54 |
| Coefficient of restitution | 0.28 | 0.30 | 0.28 | 0.20 |
| Code | Factor | ||
|---|---|---|---|
| Soil Corner β/(°) | Soil-Lifting Angle γ/(°) | Camber Angle δ/(°) | |
| −1 | 10 | 30 | 0 |
| 0 | 15 | 40 | 20 |
| 1 | 20 | 50 | 40 |
| Test Serial Number | Factor | Straw Quantity Y1/pcs | Operation Resistance Y2/N | ||
|---|---|---|---|---|---|
| Soil-Opening Angle A (°) | Soil-Lifting Angle B (°) | Camber Angle C (°) | |||
| 1 | 20 | 40 | 0 | 196 | 2966.59 |
| 2 | 15 | 30 | 0 | 191 | 2741.61 |
| 3 | 15 | 30 | 40 | 213 | 2747.44 |
| 4 | 15 | 40 | 20 | 241 | 2896.45 |
| 5 | 15 | 50 | 40 | 209 | 3013.03 |
| 6 | 10 | 30 | 20 | 210 | 2731.47 |
| 7 | 10 | 40 | 40 | 220 | 2741.68 |
| 8 | 20 | 40 | 40 | 218 | 2938.41 |
| 9 | 10 | 50 | 20 | 198 | 2972.25 |
| 10 | 10 | 40 | 0 | 214 | 2847.47 |
| 11 | 15 | 40 | 20 | 232 | 2752.72 |
| 12 | 15 | 40 | 20 | 228 | 2894.05 |
| 13 | 20 | 50 | 20 | 215 | 3042.85 |
| 14 | 20 | 30 | 20 | 202 | 2816.36 |
| 15 | 15 | 40 | 20 | 227 | 2873.12 |
| 16 | 15 | 40 | 20 | 224 | 2883.09 |
| 17 | 15 | 50 | 0 | 203 | 3023.18 |
| Source of Variance | Straw Quantity | Operation Resistance | ||||||||
|---|---|---|---|---|---|---|---|---|---|---|
| Sum of Squares | Freedom | Mean Square | F | p | Sum of Squares | Freedom | Mean Square | F | p | |
| Model | 2702.02 | 9 | 300.22 | 7.39 | 0.0076 ** | 1.63 × 105 | 9 | 18,079.17 | 6.08 | 0.0133 * |
| A | 15.12 | 1 | 15.12 | 0.3722 | 0.5611 | 27,770.17 | 1 | 27,770.17 | 9.34 | 0.0184 * |
| B | 10.12 | 1 | 10.12 | 0.2492 | 0.6330 | 1.29 × 105 | 1 | 1.29 × 105 | 43.26 | 0.0003 ** |
| C | 392.00 | 1 | 392.00 | 9.65 | 0.0172 * | 2390.52 | 1 | 2390.52 | 0.8039 | 0.3997 |
| AB | 156.25 | 1 | 156.25 | 3.85 | 0.0907 | 51.05 | 1 | 51.05 | 0.0172 | 0.8994 |
| AC | 64.00 | 1 | 64.00 | 1.57 | 0.2498 | 1505.83 | 1 | 1505.83 | 0.5064 | 0.4997 |
| BC | 64.00 | 1 | 64.00 | 1.57 | 0.2498 | 63.84 | 1 | 63.84 | 0.0215 | 0.8876 |
| A2 | 274.55 | 1 | 274.55 | 6.76 | 0.0355 * | 560.19 | 1 | 560.19 | 0.1884 | 0.6773 |
| B2 | 1088.02 | 1 | 1088.02 | 26.78 | 0.0013 ** | 1570.33 | 1 | 1570.33 | 0.5281 | 0.4910 |
| C2 | 448.87 | 1 | 448.87 | 11.05 | 0.0127 * | 18.87 | 1 | 18.87 | 0.0063 | 0.9387 |
| Residual | 284.45 | 7 | 40.64 | 20,815.58 | 7 | 2973.65 | ||||
| Spurious term | 111.25 | 3 | 37.08 | 0.8564 | 0.5320 | 6113.36 | 3 | 2037.79 | 0.5544 | 0.6722 |
| Error | 173.20 | 4 | 43.30 | 14,702.22 | 4 | 3675.56 | ||||
| Total | 2986.47 | 16 | 1.84 × 105 | 16 | ||||||
| No. | Operational Resistance/N |
|---|---|
| 1 | 2876.69 |
| 2 | 3192.46 |
| 3 | 3425.24 |
| 4 | 2796.37 |
| 5 | 3143.71 |
| 6 | 3386.83 |
| 7 | 3081.97 |
| 8 | 3264.36 |
| Average | 3145.95 |
Disclaimer/Publisher’s Note: The statements, opinions and data contained in all publications are solely those of the individual author(s) and contributor(s) and not of MDPI and/or the editor(s). MDPI and/or the editor(s) disclaim responsibility for any injury to people or property resulting from any ideas, methods, instructions or products referred to in the content. |
© 2023 by the authors. Licensee MDPI, Basel, Switzerland. This article is an open access article distributed under the terms and conditions of the Creative Commons Attribution (CC BY) license (https://creativecommons.org/licenses/by/4.0/).
Share and Cite
Tong, Z.; Li, H.; He, J.; Wang, Q.; Lu, C.; Wang, C.; Zhong, G.; Cui, D.; Li, D. Design and Experiment of In Situ Soil-Lifting Shovel for Direct-Injection Straw Deep-Burial Machine. Agriculture 2023, 13, 1650. https://doi.org/10.3390/agriculture13091650
Tong Z, Li H, He J, Wang Q, Lu C, Wang C, Zhong G, Cui D, Li D. Design and Experiment of In Situ Soil-Lifting Shovel for Direct-Injection Straw Deep-Burial Machine. Agriculture. 2023; 13(9):1650. https://doi.org/10.3390/agriculture13091650
Chicago/Turabian StyleTong, Zhenwei, Hongwen Li, Jin He, Qingjie Wang, Caiyun Lu, Chao Wang, Guangyuan Zhong, Dandan Cui, and Dengkun Li. 2023. "Design and Experiment of In Situ Soil-Lifting Shovel for Direct-Injection Straw Deep-Burial Machine" Agriculture 13, no. 9: 1650. https://doi.org/10.3390/agriculture13091650
APA StyleTong, Z., Li, H., He, J., Wang, Q., Lu, C., Wang, C., Zhong, G., Cui, D., & Li, D. (2023). Design and Experiment of In Situ Soil-Lifting Shovel for Direct-Injection Straw Deep-Burial Machine. Agriculture, 13(9), 1650. https://doi.org/10.3390/agriculture13091650

