Design of a Closed Piggery Environmental Monitoring and Control System Based on a Track Inspection Robot
Abstract
1. Introduction
2. Materials and Methods
2.1. Piggery Structure
2.2. Working Principle
2.3. System Hardware Design
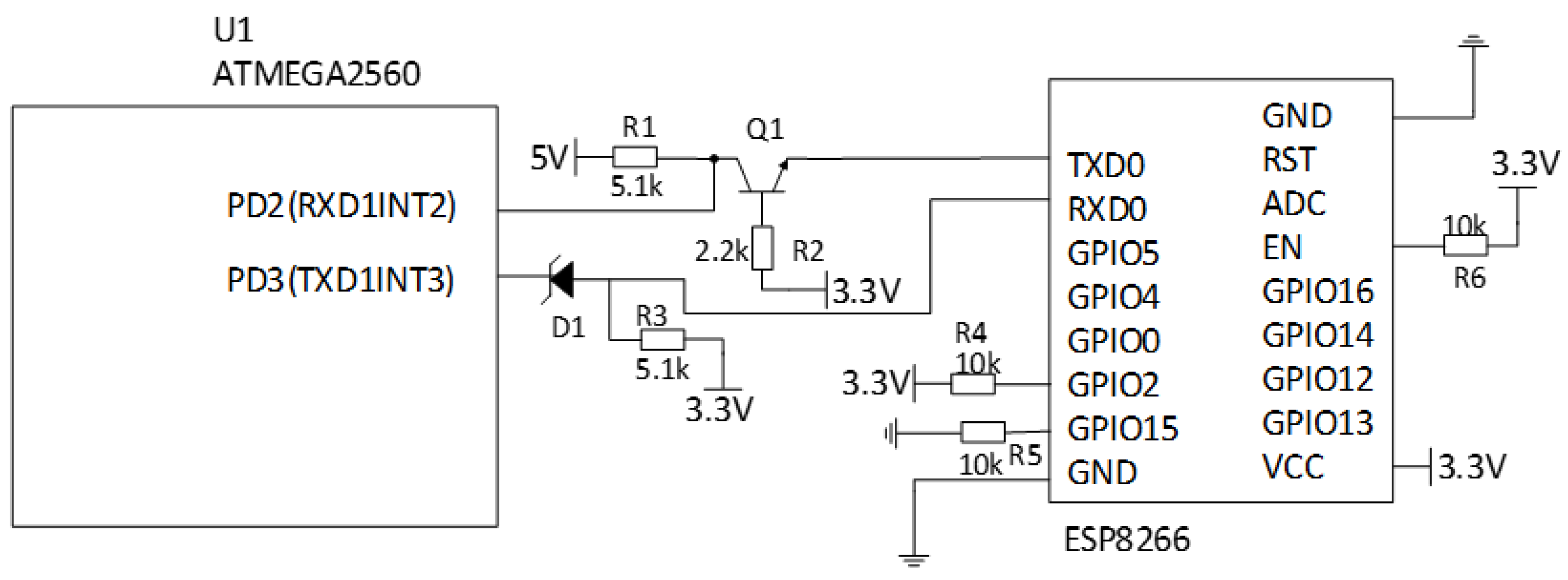
2.3.1. Travel Mobile Monitoring Platform
2.3.2. Central Control Module
2.3.3. Monitor Module
2.3.4. WIFI Module
2.3.5. Human–Computer Interaction (HCI) Module
2.4. Remote Monitoring Terminal Design
2.5. Motion Program Design of Track Inspection Robot
2.5.1. Main Program Design
- (1)
- Network
- (2)
- No network
2.5.2. Network Configuration Program Design
2.6. Temperature Adaptive Control Design
2.6.1. Fuzzy PID Controller
2.6.2. Temperature Environment Model
2.6.3. Traditional PID Control Algorithm
2.6.4. Fuzzy PID Control Algorithm
3. Results and Discussion
3.1. Results
- (1)
- System operation test
- (2)
- Environmental control
3.2. Discussion
- (1)
- Environmental control analysis of piggeries under different seasons and humidity
- (2)
- Innovation and advantages
- (3)
- Application Prospect
- (4)
- Cost analysis
- (5)
- Environmentally friendly material
- (6)
- Potential Challenges
- (1)
- Optimize the mechanical structure and power system of the equipment to achieve the goal of increasing speed.
- (2)
- On the basis of the control system, a certain number of fixed monitoring devices or tracking inspection robots are added, and the method of shortening the moving distance of the track inspection robots is adopted to achieve the purpose of rapid monitoring.
4. Conclusions
- (1)
- The control circuit based on an AVR single-chip microcomputer operates reliably, and no overheating alarms were detected in the internal circuit components.
- (2)
- The recognition accuracy of environmental parameters at the monitoring points is 100%. The equipment has an average moving speed of 0.24 m∙s−1 and a monitoring height range of 0 to 1.5 m. The lifting mechanism has a lifting speed of 3.8 cm∙s−1, and the sensor takes an average sampling time of 3 min.
- (3)
- The human–computer interaction module and the remote management system can monitor the environmental parameters, adjust the equipment’s operation, and provide management functions for data recording and downloading.
- (4)
- The adaptive fuzzy PID control algorithm incorporates the environmental control system, enabling it to dynamically regulate the temperature in the piggery. Additionally, it collaborates with the humidification device to ensure compliance with the environmental standards of the nursery piggery.
Author Contributions
Funding
Institutional Review Board Statement
Data Availability Statement
Conflicts of Interest
References
- Shenzhen Zhong Shang Industry Research Institute Co., Ltd. China Pork Industry Market Situation and Development Prospect Forecast; Shenzhen Zhong Shang Industry Research Institute Co., Ltd.: Shenzhen, China, 2022. [Google Scholar]
- Zhang, Z.L. An overview of China’s pig production and animal welfare under the new situation. Chin. Pig Ind. 2018, 13, 37–40. [Google Scholar]
- Zeng, Y.Q.; Wang, H.; Ruan, R.D.; Li, Y.; Liu, Z.; Wang, C.; Liu, A. Effect of Stocking Density on Behavior and Pen Cleanliness of Grouped Growing Pigs. Agriculture 2022, 12, 418. [Google Scholar] [CrossRef]
- Huang, J.S.; Xiong, A.H.; Dong, Z.; Pei, G.; Li, H. Design of an intelligent monitoring system for pig breeding environment. Heilongjiang J. Anim. Sci. Vet. Med. Sci. 2021, 8, 1–9. [Google Scholar]
- Liu, Y.C.; Wu, J.H.; Xu, J.L.; Li, J.G.; Cai, L.; Li, G. The intelligent piggery air quality monitoring system is based on a robot. J. Livest. Ecol. 2018, 39, 65–71. [Google Scholar]
- Wu, Z.D.; Fang, J.L.; Liu, M.Q.; Ba, W.G.; Wu, S.; Yan, S.K. Design of piggery environment monitoring system based on LoRa. Heilongjiang J. Anim. Sci. Vet. Med. Sci. 2021, 22, 37–42. [Google Scholar]
- Zhu, Y.; Zhang, Y.P.; Lu, Y.; Hu, W.D.; Guan, M.J. The piggery environment monitoring system is based on ZigBee and PLC. J. Guizhou Agric. Sci. 2020, 48, 119–123. [Google Scholar]
- Madona, E.; Yulastri; Nasution, A.; Prayogi. Implementation of Lora for Controlling and Monitoring Broiler Cage Temperature. J. Phys. Conf. Ser. 2022, 2406, 012009. [Google Scholar] [CrossRef]
- Leonardi, L.; Bello, L.L.; Patti, G. MRT-LoRa: A multi-hop real-time communication protocol for industrial IoT applications over LoRa networks. Comput. Commun. 2023, 199, 72–86. [Google Scholar] [CrossRef]
- Yoon, S.U.; Cui, S.M.; Li, J.H. A Study on the Development of Livestock Odor (Ammonia) Monitoring System Using ICT (Information and Communication Technology). Agriculture 2022, 12, 46. [Google Scholar] [CrossRef]
- Zeng, Z.X.; Yu, Q.D.; Yi, Z.Q.; Lü, E.L.; Dong, B. Spatial and temporal distribution characteristics of environmental parameters in centralized ventilation piggery based on WSN. Agric. Eng. 2020, 36, 204–211. [Google Scholar]
- Li, W.F.; Li, L. Pig breeding environment information collection system based on the Internet of things. Agric. Eng. 2022, 12, 52–55. [Google Scholar]
- Zervopoulos, A.; Tsipis, A.; Alvanou, A.G.; Bezas, K.; Papamichail, A.; Vergis, S.; Stylidou, A.; Tsoumanis, G.; Komianos, V.; Koufoudakis, G.; et al. Wireless Sensor Network Synchronization for Precision Agriculture Applications. Agriculture 2020, 10, 89. [Google Scholar] [CrossRef]
- Zeng, Z.; Zeng, F.; Han, X.; Elkhouchlaa, H.; Yu, Q.; Lü, E. Real-Time Monitoring of Environmental Parameters in a Commercial Gestating Sow House Using a ZigBee-Based Wireless Sensor Network. Appl. Sci. 2021, 11, 972. [Google Scholar] [CrossRef]
- Fu, X.; Shen, W.; Yin, Y.; Zhang, Y.; Yan, S.; Kou, S.; Qu, T.; Jacqueline, M. Remote monitoring system for livestock environmental information based on LoRa wireless ad hoc network technology. Int. J. Agric. Biol. Eng. 2022, 15, 79–89. [Google Scholar] [CrossRef]
- Chen, C.-S.; Chen, W.-C. Research and Development of Automatic Monitoring Systems for Livestock Farms. Appl. Sci. 2019, 9, 1132. [Google Scholar] [CrossRef]
- Tan, Z.C.; Shi, X.P.; Wang, F.M.; Wang, L.X.; Wang, S.B. Real-time monitoring and precise control technology of environmental parameters in multi-layer caged white-feathered broiler houses. China Poult. 2019, 41, 71–76. [Google Scholar]
- Li, H.L.; Li, M.; Zhan, K.; Yang, X.; Wong, S.; Yuan, Y.; Chen, S.; Luo, W.; Gao, H. Cascaded Chicken Coop Environment Intelligent Monitoring System Based on Internet of Things. Trans. Chin. Soc. Agric. Eng. 2015, 31, 210–215. (In English) [Google Scholar]
- Li, Z.C.; Fan, W.Q.; Chang, Y.Z.; He, D.J. Design of a remote monitoring system for cattle house environment based on ZigBee and Android. Heilongjiang Anim. Sci. Vet. Med. 2018, 557, 61–64. [Google Scholar]
- Yu, L.H.; Liu, S.X.; Wang, Q.; Zhao, X.S.; Huo, X.J.; Wang, H. Livestock house environment multi-factor monitoring system. J. Agric. Mech. Res. 2013, 35, 178–180. [Google Scholar]
- Geng, X.; Zhang, Q.; Wei, Q.; Zhang, T.; Cai, Y.; Liang, Y.; Sun, X. A mobile greenhouse environment monitoring system based on the Internet of things. IEEE Access 2019, 7, 135832–135844. [Google Scholar] [CrossRef]
- Zhou, L.; Qiu, Z.; He, Y. Application of WeChat mini-program and wi-fi soc in agricultural IoT: A low-cost greenhouse monitoring system. Trans. ASABE 2020, 63, 325–337. [Google Scholar] [CrossRef]
- Rosero-Montalvo, P.D.; Erazo-Chamorro, V.C.; López-Batista, V.F.; Moreno-García, M.N.; Peluffo-Ordóñez, D.H. Environment monitoring of rose crops greenhouse based on autonomous vehicles with a WSN and data analysis. Sensors 2020, 20, 5905. [Google Scholar] [CrossRef]
- Li, X.-h.; Cheng, X.; Yan, K.; Gong, P. A Monitoring System for Vegetable Greenhouses Based on a Wireless Sensor Network. Sensors 2010, 10, 8963–8980. [Google Scholar] [CrossRef] [PubMed]
- Guha, S.K.; Bhattacharya, S.; Nabhiraj, P.Y. Design and Development of Atmega 2560 AVR Microcontroller Based Control and Monitoring System of a Two Jaw Slit. In Proceedings of the 2019 3rd International Conference on Electronics, Materials Engineering & Nano-Technology (IEMENTech), Kolkata, India, 29–31 August 2019; IEEE: Piscataway, NJ, USA, 2019; pp. 1–4. [Google Scholar]
- Park, S.M.; Park, S.J.; Lim, S.K. Study of Full-Duplex Communication with Excellent Security by 3-Level Communication Method. Electronics 2019, 8, 1186. [Google Scholar] [CrossRef]
- Hofstetter, D.; Fabian, E.; Lorenzoni, A.G. Ammonia generation system for poultry health research using Arduino. Sensors 2021, 21, 6664. [Google Scholar] [CrossRef] [PubMed]
- Farmanesh, A.; Mohtasebi, S.S.; Omid, M. Optimization of rendering process of poultry by-products with batch cooker model monitored by the electronic nose. J. Environ. Manag. 2019, 235, 194–201. [Google Scholar] [CrossRef] [PubMed]
- Kaewwongsri, K.; Silanon, K. Design and implement a weather monitoring station using CoAP on NB-IoT network. In Proceedings of the 2020 17th International Conference on Electrical Engineering/Electronics, Computer, Telecommunications and Information Technology (ECTI-CON), Phuket, Thailand, 24–27 June 2020; IEEE: Piscataway, NJ, USA; 2020; pp. 230–233. [Google Scholar]
- Hertanto, D.B.; Asnawi, R.; Surwi, F.; Setiawan, N. Prototype Development of Distance Detection System Based on The Internet of Things Using Esp 8266 WIFI Nodemcu Module. J. Phys. Conf. Ser. 2021, 2111, 012049. [Google Scholar] [CrossRef]
- Chu, C.W.; Zhu, Z.C.; Bian, H.T.; Jiang, J.C. Design of self-heating test platform for sulfide corrosion and oxidation based on Fuzzy PID temperature control system. Meas. Control 2021, 54, 1082–1096. [Google Scholar] [CrossRef]
- Wang, Z.H.; Zhang, J. Incremental PID Controller-Based Learning Rate Scheduler for Stochastic Gradient Descent. IEEE Trans. Neural Netw. Learn. Syst. 2022. [Google Scholar] [CrossRef]
- Hao, Z.H.; Sun, C.Z.; Su, X.K. Application of adaptive fuzzy PID control in tea fixing machine. J. Agric. Mech. Res. 2013, 35, 201–204. [Google Scholar]
- Zhang, S.Y.; Ma, T.B.; Luo, S.S.; Wang, C. Research on temperature control of vacuum chamber based on fuzzy adaptive PID. Autom. Manuf. Tech. 2019, 11, 92–95. [Google Scholar]
- Gao, L.T.; Dai, S.H.; Xu, X.M.; Zhou, J.; Li, M. Research on greenhouse temperature and humidity coupling control method. J. Agric. Mech. Res. 2021, 43, 24–30. [Google Scholar]
- Feng, J.; Lin, S.F.; Wang, P.Y.; Wang, D.F.; Liu, H.G. Research on piggery’s temperature and humidity control system based on adaptive fuzzy PID control. J. Northeast Agric. Univ. 2018, 49, 73–86. [Google Scholar]
- Ding, F.; Xu, L.; Liu, X.M. Transfer Function Identification (1): Step response two- and three-point methods. J. Qingdao Univ. Sci. Technol. 2018, 39, 1–14. [Google Scholar]
- SAC.GB/T 17824.3-2008; Environmental Parameters and Environmental Management of Large-Scale Pig Farms. Standards Press of China: Beijing, China, 2008.
- Fu, X. Study on Environment Optimal Control Method for Confined Pig House in Northern China; Northeast Agricultural University: Harbin, China, 2020. [Google Scholar]






















| The Label of the Sensor | Type 1 | Detection Factor | Detection Range (ppm) | Response Time (s) | Communication Protocol |
|---|---|---|---|---|---|
| MQ137 [27] | semi-conductor transducer | NH3 | 5~500 ppm | analog quantity | |
| MQ136 [28] | H2S | 1~200 ppm | |||
| MH-Z19E | infrared sensor | CO2 | 400~2000 ppm | PWM | |
| SHT30 [29] | thermocouple transducer | temperature | −40~+80 °C | I2C | |
| humidity | 0~100% RH | ||||
| ZH07 | infrared sensor | PM2.5 | 0~1000 μg∙m−3 | <30 | uart |
| BH1750FVI | semi-conductor transducer | intensity of illumination | 0~65,535 Lux | I2C | |
| D6F-V03A1 | thermal mass flow sensor | wind velocity | 0~3 m∙s−1 | analog quantity |
| ec | e | ||||||
|---|---|---|---|---|---|---|---|
| NB | NM | NS | ZO | PS | PM | PB | |
| NB | PB/NB/PS | PB/NB/NS | PM/NM/NB | PM/NM/NB | PS/NS/NB | ZO/ZO/NM | ZO/ZO/PS |
| NM | PB/NB/PS | PB/NB/NS | PM/NM/NB | PS/NS/NM | PS/NS/NM | ZO/ZO/NS | NS/ZO/ZO |
| NS | PM/NB/ZO | PM/NM/NS | PM/NS/NM | PS/NS/NM | ZO/ZO/NS | NS/PS/NS | NS/PS/ZO |
| ZO | PM/NM/ZO | PM/NM/NS | PS/NS/NS | ZO/ZO/NS | NS/PS/NS | NM/PM/NS | NM/PM/ZO |
| PS | PS/NM/ZO | PS/NS/ZO | ZO/ZO/ZO | NS/PS/ZO | NS/PS/ZO | NM/PM/ZO | NM/PB/ZO |
| PM | PS/ZO/PB | ZO/ZO/NS | NS/PS/PS | NM/PS/PS | NM/PB/PS | NM/PB/PS | NB/PB/PB |
| PB | ZO/ZO/PB | NS/ZO/PM | NS/PS/PM | NM/PM/PM | NM/PB/PM | NB/PB/PB | NB/PB/PB |
| SN | Time (s) | Temperature (°C) | SN | Time (s) | Temperature (°C) |
|---|---|---|---|---|---|
| 1 | 0 | 5.2 | 9 | 720 | 19.9 |
| 2 | 90 | 5.9 | 10 | 810 | 22.1 |
| 3 | 180 | 7.1 | 11 | 900 | 23.6 |
| 4 | 270 | 9.4 | 12 | 990 | 25.2 |
| 5 | 360 | 11.6 | 13 | 1080 | 25.5 |
| 6 | 450 | 13.7 | 14 | 1170 | 25.0 |
| 7 | 540 | 15.5 | 15 | 1260 | 25.0 |
| 8 | 630 | 17.8 |
| Environmental Factor | Parameter Ranges | |
|---|---|---|
| temperature (°C) | 16~28 | |
| relative humidity (%RH) | 50~80 | |
| NH3 (mg∙m−3) | ||
| H2S (mg∙m−3) | ||
| CO2 (mg∙m−3) | ||
| Dust (mg∙m−3) | ||
| wind velocity (m∙s−1) | winter: 0.20 | |
| summer: 0.60 | ||
| intensity of illumination (Lux) | natural lighting | window–floor ratio: 1:10 |
| additional illumination: 50~75 | ||
| artificial illumination | illuminance: 50~100 | |
| light exposure time h−1: 10~12 | ||
| Noise (dB) | ||
Disclaimer/Publisher’s Note: The statements, opinions and data contained in all publications are solely those of the individual author(s) and contributor(s) and not of MDPI and/or the editor(s). MDPI and/or the editor(s) disclaim responsibility for any injury to people or property resulting from any ideas, methods, instructions or products referred to in the content. |
© 2023 by the authors. Licensee MDPI, Basel, Switzerland. This article is an open access article distributed under the terms and conditions of the Creative Commons Attribution (CC BY) license (https://creativecommons.org/licenses/by/4.0/).
Share and Cite
Li, Y.; Fu, C.; Yang, H.; Li, H.; Zhang, R.; Zhang, Y.; Wang, Z. Design of a Closed Piggery Environmental Monitoring and Control System Based on a Track Inspection Robot. Agriculture 2023, 13, 1501. https://doi.org/10.3390/agriculture13081501
Li Y, Fu C, Yang H, Li H, Zhang R, Zhang Y, Wang Z. Design of a Closed Piggery Environmental Monitoring and Control System Based on a Track Inspection Robot. Agriculture. 2023; 13(8):1501. https://doi.org/10.3390/agriculture13081501
Chicago/Turabian StyleLi, Yuhao, Chengguo Fu, Hui Yang, Haibo Li, Rongxian Zhang, Yaqi Zhang, and Zhankui Wang. 2023. "Design of a Closed Piggery Environmental Monitoring and Control System Based on a Track Inspection Robot" Agriculture 13, no. 8: 1501. https://doi.org/10.3390/agriculture13081501
APA StyleLi, Y., Fu, C., Yang, H., Li, H., Zhang, R., Zhang, Y., & Wang, Z. (2023). Design of a Closed Piggery Environmental Monitoring and Control System Based on a Track Inspection Robot. Agriculture, 13(8), 1501. https://doi.org/10.3390/agriculture13081501

