Methodology for Assessing Tractor Traction Properties with Instability of Coupling Weight
Abstract
:1. Introduction
- Justify the dependence of the tractor’s traction properties on the use of the coupling weight of the driving axles.
- Estimate the distribution of vertical reactions between the wheels of one driving axle of a tractor.
- Justify the zone of the most likely reduction in the use of the towing weight of the four-wheel drive tractor.
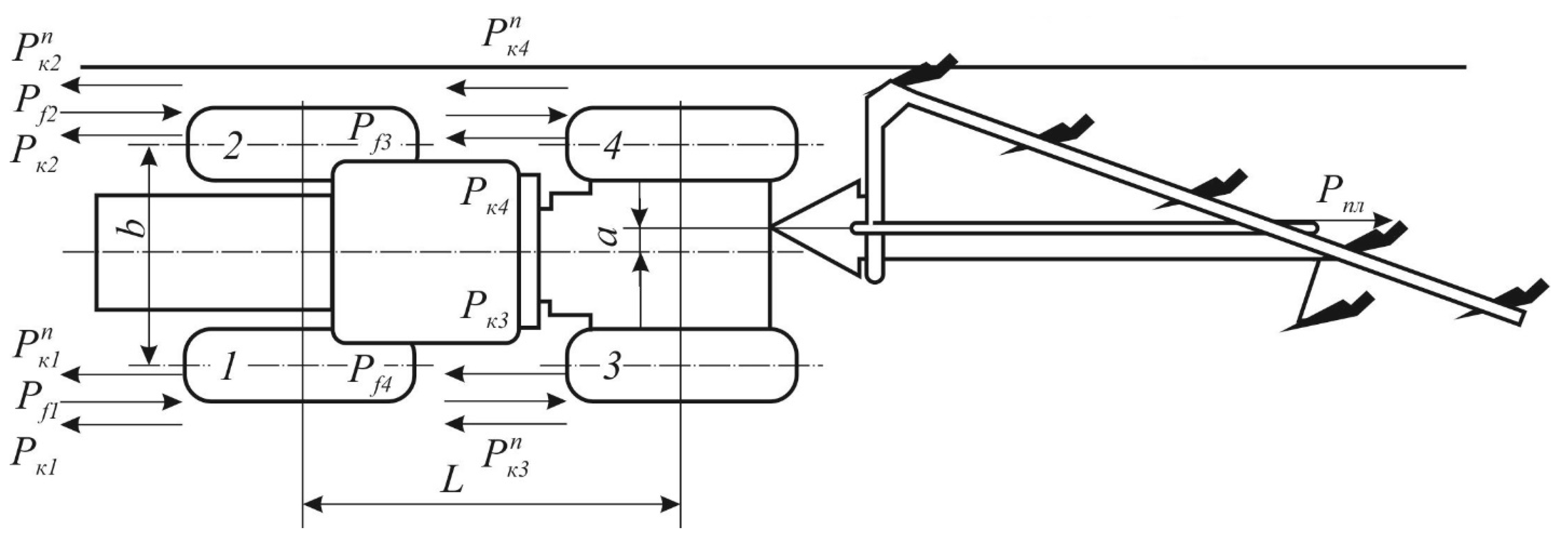
2. Materials, Method and Results
3. Discussion
4. Conclusions
- The formulated methodology for evaluating the traction properties of a tractor with instability of the vertical reactions on its wheels. It was proven that when the tractor’s center of mass is located in the longitudinal plane of symmetry, an uneven distribution of vertical reactions on the wheels of one axle of the tractor is possible.
- The method of evaluating the vertical reactions on the wheels of the tractor, which is based on the measurement of the vertical reaction on one of the four wheels, is substantiated.
- It was proven that tractors with the center of mass shifted to the front or rear axle have the greatest probability of equal distribution of the vertical reactions between the wheels of one axle, and tractors with the center of mass in the middle, between the axles, have the lowest probability.
- It is theoretically substantiated and experimentally confirmed that when the tractor performs plowing work with an uneven distribution of the load on the sides, it is ensured that it works with maximum traction efficiency with the front and rear axles locked.
- The issue of evaluating the influence of the tractor’s center of mass on its traction properties when aggregated with mounted, trailed, and combined agricultural machines remains open. It is necessary to carry out theoretical and experimental research in this direction.
Author Contributions
Funding
Institutional Review Board Statement
Data Availability Statement
Conflicts of Interest
References
- Guskov, V.V.; Velev, N.N.; Atamanov, Y.E.; Bocharov, N.F.; Ksenevich, I.P.; Solonsky, A.S. Tractors: Theory: Manual for Students “Car & Tractor”; Guskova, V.V., Ed.; Mashinostroenie: Moscow, Russia, 1988; 376p. [Google Scholar]
- Nebraska Tractor Test Laboratory. Available online: https://tractortestlab.unl.edu/test-page-nttl (accessed on 16 April 2023).
- DLG—Deutsche Landwirtschafts-Gesellschaft. Available online: https://www.dlg.org/de/landwirtschaft/tests (accessed on 16 April 2023).
- Kalinin, E.; Shuliak, M.; Koliesnik, I. Optimization of machinery operation modes from the point of view of their dynamics. In Proceedings of the ICCPT 2019: Current Problems of Transport: Proceedings of the 1st International Scientific Conference, Ternopil, Ukraine, 28–29 May 2019; pp. 211–222. [Google Scholar]
- Szwedziak, K.; Lusiak, T.; Grzywacz, Z.; Drozd, K. Numerical CFD Analysis of an Aerodynamic Head Cover of a Rotorcraft Motor. Commun Sci. Lett. Univ. Zilina 2018, 20, 42–47. [Google Scholar] [CrossRef]
- Szwedziak, K.; Łusiak, T.; Bąbel, R.; Winiarski, P.; Podsędek, S.; Doležal, P.; Niedbała, G. Wind Tunnel Experiments on an Aircraft Model Fabricated Using a 3D Printing Technique. J. Manuf. Mater. Process. 2022, 6, 12. [Google Scholar] [CrossRef]
- Lebedev, A.T.; Artjomov, N.P.; Grinenko, A.A. Traction efficiency of the tractor with uneven distribution of reactions between the wheels. In Tractor Power Engineering in Crop Production; Collection of Scientific Articles; KhNTUA: Kharkiv, Ukraine, 2003; pp. 49–56. [Google Scholar]
- Fluck, R.C. Energy analysis for agricultural systems. In Energy in Farm Production; Elsevier: Amsterdam, The Netherlands, 2014; pp. 45–51. [Google Scholar]
- Lebedev, S. The technical level of agricultural tractors on the market of Ukraine. Tech. Technol. APK 2014, 11, 8–12. [Google Scholar]
- Lebedev, A.T.; Lebedev, S.A.; Korobko, A.I. Qualimetry and Metrological of Tractors Testing; Lebedev, A.T., Ed.; Miskdruk: Kharkiv, Ukraine, 2018; 394p. [Google Scholar]
- Brouwer, F.M.; van Ittersum, M. (Eds.) Environmental and Agricultural Modelling: Integrated Approaches for Policy Impact Assessment; Springer: Dordrecht, The Netherlands, 2010; 322p. [Google Scholar]
- Aleksandrov, E.E.; Volontsevych, D.O.; Karpenko, V.A.; Lebedev, A.T.; Peregon, V.A.; Samorodov, V.B.; Turenko, A.N. Dynamics of Transport and Traction Wheeled and Tracked Vehicles; KHNADU (KHADI): Kharkiv, Ukraine, 2001; 642p. [Google Scholar]
- Maharjan, K.L.; Joshi, N.P. Climate Change, Agriculture and Rural Livelihoods in Developing Countries; Series: Advances in Asian Human-Environmental Research; Springer: Berlin/Heidelberg, Germany, 2013; 176p. [Google Scholar]
- Hunt, D. Farm Power and Machinery Management; Wiley-Blackwell: Hoboken, NJ, USA, 2001; 368p. [Google Scholar]
- Shuliak, M.; Klets, D.; Kalinin, Y.; Kholodov, A. Selecting a rational operation mode of mobile power unit using measuring and control complex. CEUR Workshop Proc. 2019, 2387, 141–151. Available online: https://ceur-ws.org/Vol-2387/20190141.pdf (accessed on 25 April 2023).
- Kuznetsov, E.E. The Use of the Multi-Axis Energy Devices of Class 1.4: Monograph; FESAU: Blagoveschensk, Russia, 2013; 153p. [Google Scholar]
- Kuznetsov, E.E.; Kuznetsova, O.A.; Polikutina, E.S. Energy consumption dependencies of an experimental machine-tractor aggregate equipped with a trailing weight distribution device. In Proceedings of the International Applied Research Conference, Samara, Russia, 11 April 2017; Current Issues in Science and Technology. pp. 26–29. [Google Scholar]
- Kuznetsov, E.E.; Schitov, S.V. Hydro-Chain Regulating Device. Utility Model Patent No. 164794, 20 September 2016. [Google Scholar]
- Kuznetsov, E.E.; Schitov, S.V.; Polikutina, E.S. Methodological Validation of the Design For Rational Trailing Weight Distribution Devices. AgroEcoInfo, no. 2. 2016. Available online: http://agroecoinfo.narod.ru/iournal/STATYI/2016/2/st209.doc (accessed on 25 April 2023).
- Pentoś, K.; Mbah, J.T.; Pieczarka, K.; Niedbała, G.; Wojciechowski, T. Evaluation of Multiple Linear Regression and Machine Learning Approaches to Predict Soil Compaction and Shear Stress Based on Electrical Parameters. Appl. Sci. 2022, 12, 8791. [Google Scholar] [CrossRef]
- Behnassi, M.; Syomiti Muteng’e, M.; Ramachandran, G.; Shelat, K.N. (Eds.) Vulnerability of Agriculture, Water and Fisheries to Climate Change: Toward Sustainable Adaptation Strategies; Springer: Dordrecht, The Netherlands, 2014; 336p. [Google Scholar]
- Bulinski, J. Effect of Moisture Content in Soil on Its Compaction Caused by Multipie Running of Agricultural Vehicles. In Annals of Warsaw University of Life Sciences; Bulinski, J., Niemczyk, H., Eds.; SGGW: Warsaw, Poland, 2007; pp. 3–8. [Google Scholar]
- Belyaev, V.I. Ecological Consequences of Conversion of Steppe to arable Land in Western Siberia. Eur. Reg. 2004, 1, 13–21. [Google Scholar]
- Zakharov, N.S. Laws of change of quality of machines during use. In Operation Efficiency Increase of Wheel and Track Machines under Severe Operating Conditions, Proceedings of the International Scientific and Technical Conference, Evanston, IL, USA, 25–27 July 1996; Tyumen State Oil and Gas University: Tyumen, Russia, 1996; pp. 110–116. [Google Scholar]
- Vorokhobin, A.V.; Vysotskaya, E.A.; Skuryatin, N.F. The reduction in the soil-packing impact caused by ground drive systems of the mobile energy devices. In Modern Scientific and Practical Solutions for the 21st Century; Materials of the International Applied Research Conference; OECD: Voronezh, Russia, 2016; pp. 15–19. [Google Scholar]
- Selivanov, N.I. Improvement of Classification and Use of Energy-Packed Tractors. In Krasnoyarsk State Agrarian University Bulletin; Krasnoyarsk State Agrarian University: Krasnoyarsk Krai, Russia, 2016; Volume 4, pp. 113–119. [Google Scholar]
- Selivanov, N.I.; Makeeva, Y.N. Dead Weight Loading of Wheeled Tractors during Soil Cultivation. In Krasnoyarsk State Agrarian University Bulletin; Krasnoyarsk State Agrarian University: Krasnoyarsk Krai, Russia, 2015; pp. 77–81. [Google Scholar]
- Selivanov, N.I.; Makeeva, Y.N. Adaptation of wheeled tractors to soil cultivation technologies. Mod. Issues Sci. Educ. 2015, 344. [Google Scholar]
- Milan, J. Advanced Transport Systems: Analysis, Modeling, and Evaluation of Performances; Springer: Berlin/Heidelberg, Germany, 2014; 408p. [Google Scholar]
- Mendes, A.; da Silva, E.L.S.; Santos, J.M.A. (Eds.) Efficiency Measures in the Agricultural Sector: With Applications; Springer Science & Business Media: Berlin/Heidelberg, Germany, 2012; 197p. [Google Scholar]
- Lichtfouse, E. (Ed.) Sustainable Agriculture Reviews; Springer: Berlin/Heidelberg, Germany, 2015; Volume 15, p. 407. [Google Scholar]






| y, m | a, m | Mкp, Nm | |||
|---|---|---|---|---|---|
| Mкp1 | Mкp2 | Mкp3 | Mкp4 | ||
| 0.150 | 0.36 | 947 | 2222 | 875 | 2150 |
Disclaimer/Publisher’s Note: The statements, opinions and data contained in all publications are solely those of the individual author(s) and contributor(s) and not of MDPI and/or the editor(s). MDPI and/or the editor(s) disclaim responsibility for any injury to people or property resulting from any ideas, methods, instructions or products referred to in the content. |
© 2023 by the authors. Licensee MDPI, Basel, Switzerland. This article is an open access article distributed under the terms and conditions of the Creative Commons Attribution (CC BY) license (https://creativecommons.org/licenses/by/4.0/).
Share and Cite
Lebedev, A.; Shuliak, M.; Khalin, S.; Lebedev, S.; Szwedziak, K.; Lejman, K.; Niedbała, G.; Łusiak, T. Methodology for Assessing Tractor Traction Properties with Instability of Coupling Weight. Agriculture 2023, 13, 977. https://doi.org/10.3390/agriculture13050977
Lebedev A, Shuliak M, Khalin S, Lebedev S, Szwedziak K, Lejman K, Niedbała G, Łusiak T. Methodology for Assessing Tractor Traction Properties with Instability of Coupling Weight. Agriculture. 2023; 13(5):977. https://doi.org/10.3390/agriculture13050977
Chicago/Turabian StyleLebedev, Anatoliy, Mykhailo Shuliak, Stanislav Khalin, Sergei Lebedev, Katarzyna Szwedziak, Krzysztof Lejman, Gniewko Niedbała, and Tomasz Łusiak. 2023. "Methodology for Assessing Tractor Traction Properties with Instability of Coupling Weight" Agriculture 13, no. 5: 977. https://doi.org/10.3390/agriculture13050977
APA StyleLebedev, A., Shuliak, M., Khalin, S., Lebedev, S., Szwedziak, K., Lejman, K., Niedbała, G., & Łusiak, T. (2023). Methodology for Assessing Tractor Traction Properties with Instability of Coupling Weight. Agriculture, 13(5), 977. https://doi.org/10.3390/agriculture13050977

