Alternative Models for Calculation of Static Overturning Angle and Lateral Stability Analysis of Subcompact and Universal Tractors
Abstract
1. Introduction
2. Materials and Methods
2.1. Characteristics of Experimental Tractors
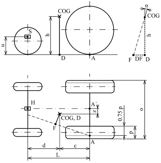
2.2. Centre of Gravity Coordinates
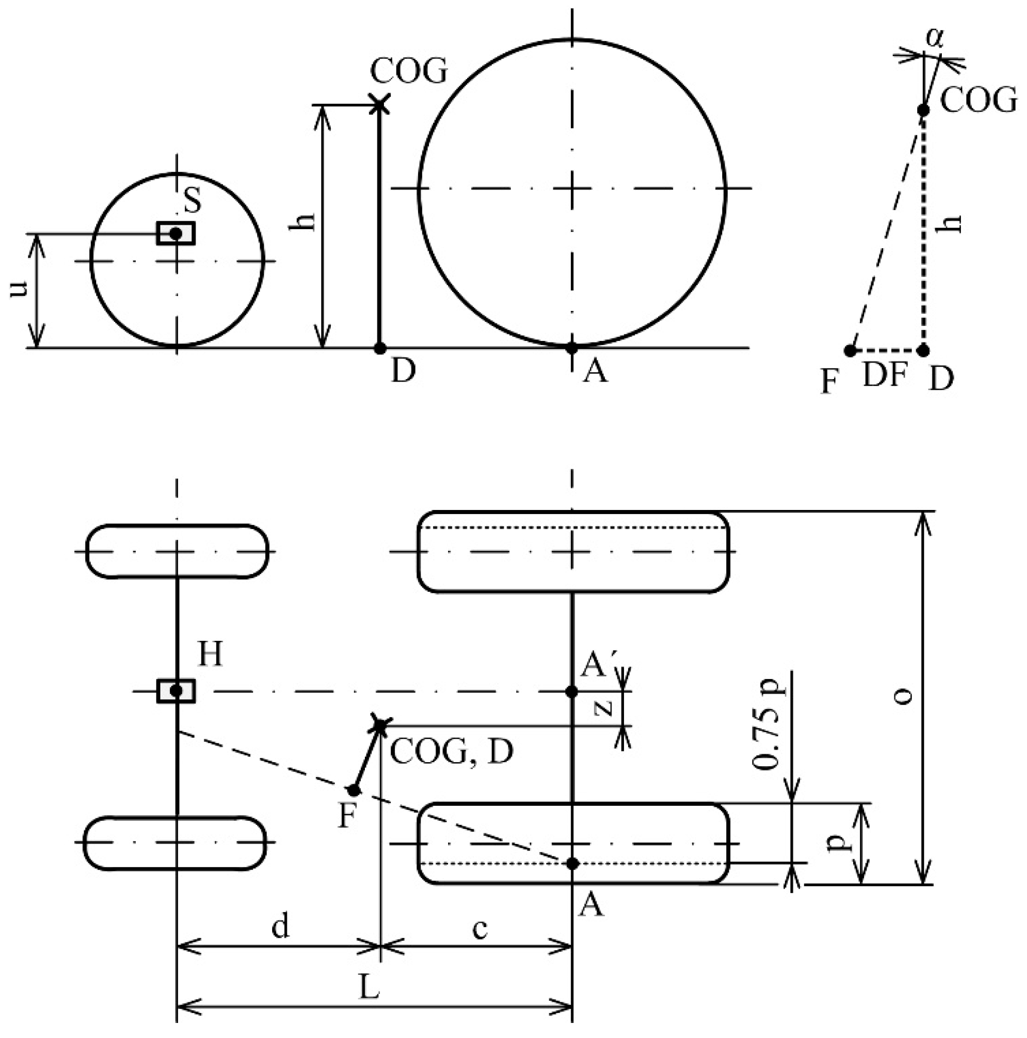
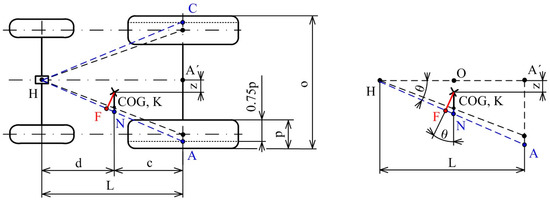
2.3. Methodology According to ISO 16231-2
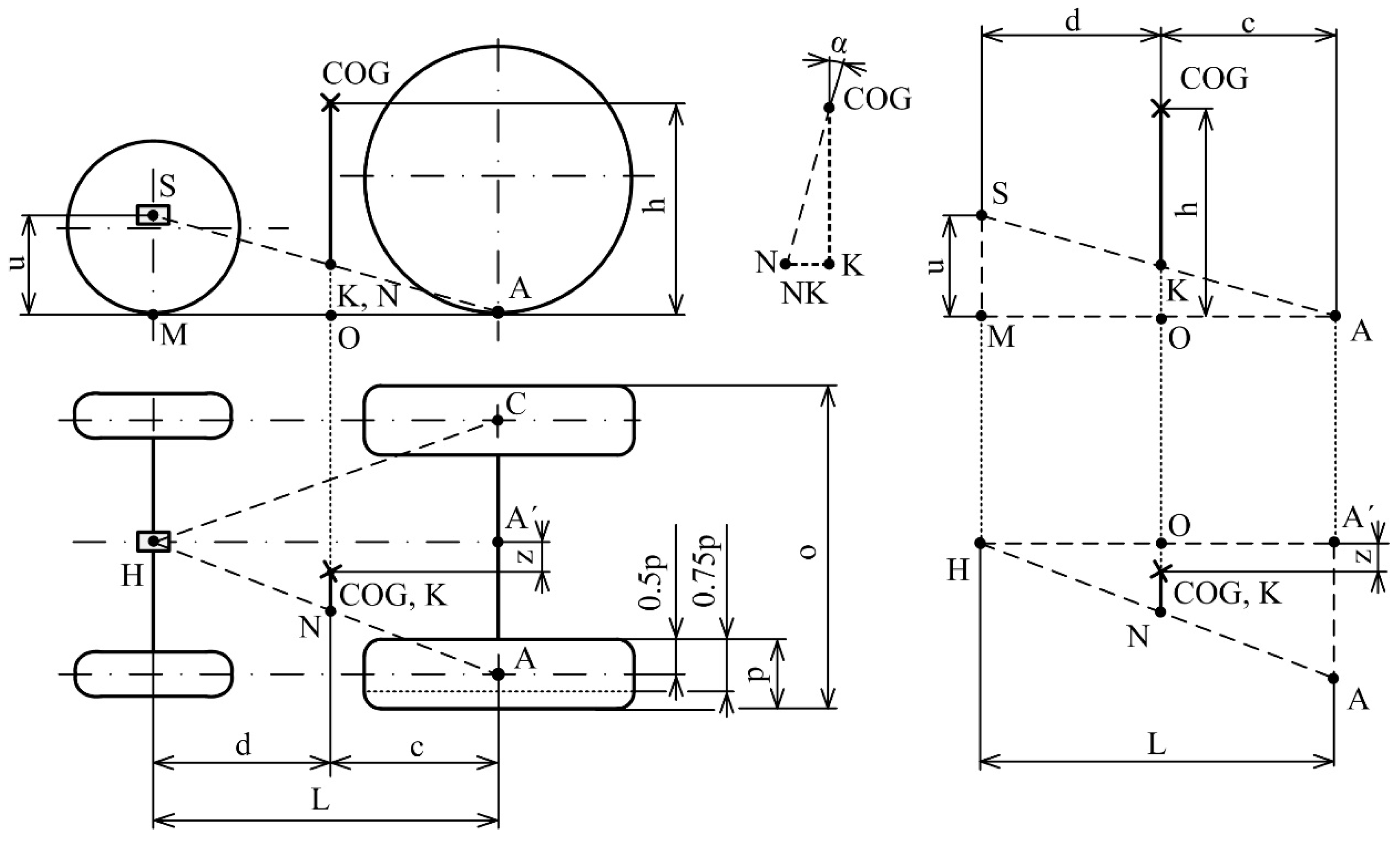
2.4. Methodology According to Grečenko
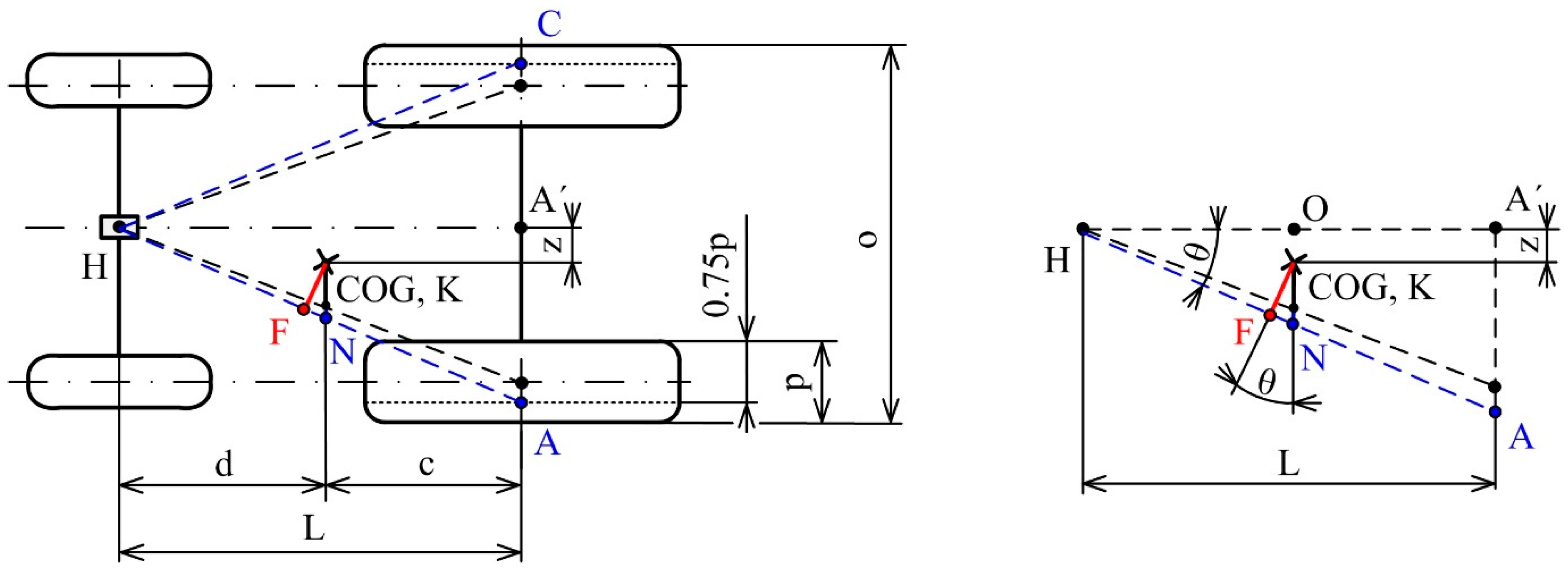
2.5. Design of Alternative Calculation Models
2.6. Methodology of Data Reliability
3. Results and Discussion
3.1. Evaluation of Tractor Stability Parameters
3.2. Comparison of Calculation Methods
4. Conclusions
Author Contributions
Funding
Institutional Review Board Statement
Informed Consent Statement
Data Availability Statement
Acknowledgments
Conflicts of Interest
References
- Fargnoli, M.; Lombardi, M. Safety vision of agricultural tractors: An engineering perspective based on recent studies (2009–2019). Safety 2020, 6, 1. [Google Scholar] [CrossRef]
- Váliková, V.; Rédl, J.; Antl, J. Analysis of accidents rate of agricultural off-road vehicles. J. Cent. Eur. Agric. 2014, 14, 1303–1316. [Google Scholar] [CrossRef][Green Version]
- Bietresato, M.; Mazzetto, F. Definition of the layout for a new facility to test the static and dynamic stability of agricultural vehicles operating on sloping grounds. Appl. Sci. 2019, 9, 4135. [Google Scholar] [CrossRef]
- Ahmadi, I. Development of a tractor dynamic stability index calculator utilizing some tractor specifications. Turk. J. Agric. For. 2013, 37, 203–211. [Google Scholar]
- Síllelí, H. Research on applying an anchor mechanism to orchard and vineyard tractors produced in Turkey. Turk. J. Agric. For. 2007, 31, 389–398. [Google Scholar]
- Franceschetti, B.; Lenain, R.; Rondelli, V. Comparison between a rollover tractor dynamic model and actual lateral tests. Biosyst. Eng. 2014, 127, 79–91. [Google Scholar] [CrossRef]
- Gorshkov, Y.G.; Starunova, I.N.; Kalugin, A.A.; Troyanovskaya, I.P. Investigation of the slope angle influence on the loading imbalance of the wheeled vehicle sides and the change in the center of gravity vector direction. J. Phys. Conf. Ser. 2019, 1177, 012005. [Google Scholar] [CrossRef]
- Rédl, J.; Váliková, V.; Antl, J. Design of active stability control system of agricultural off-road vehicles. Res. Agric. Eng. 2014, 60, 77–84. [Google Scholar] [CrossRef]
- Bietresato, M.; Mazzetto, F. Proposal of an advanced facility to perform static and dynamic tests of stability on agricultural machines. Chem. Eng. Trans. 2017, 58, 151–156. [Google Scholar]
- Molari, G.; Rondelli, V. On the definition of narrow-track wheeled agricultural tractors. Biosyst. Eng. 2004, 88, 75–80. [Google Scholar] [CrossRef]
- Kosiba, J.; Varga, F.; Mojžiš, M.; Bureš, Ľ. The load characteristics of tractor Fendt 926 Vario for simulation on test device. Acta Fac. Tech. 2012, 17, 63–72. [Google Scholar]
- Hujo, Ľ.; Tkáč, Z.; Jablonický, J.; Uhrinová, D.; Halenár, M. The action of force measurement for the three-point hitch of a tractor. Agron. Res. 2017, 15, 162–169. [Google Scholar]
- Hujo, Ľ.; Kosiba, J.; Jablonický, J.; Drabant, Š. Theoretical design of a laboratory test device for the testing of tractor hydraulics. In Technics in Agrissector Technologies; Slovak University of Agriculture in Nitra: Nitra, Slovakia, 2012; pp. 68–73. (In Slovak) [Google Scholar]
- ISO 16231-2. Self-Propelled Agricultural Machinery—Assessment of Stability—Part. 2: Determination of Static Stability and Test Procedures; International Organization for Standardization: Geneva, Switzerland, 2015. [Google Scholar]
- Grečenko, A. Wheel and Caterpillar Tractors; SZN Praha: Praha, Czech Republic, 1963; p. 402. (In Czech) [Google Scholar]
- Choi, K.; Kim, S.; Hong, S. Analysis of static stability by modified mathematical model for asymmetric tractor-harvester system: Changes in lateral overturning angle by movement of center of gravity coordinates. J. Biosyst. Eng. 2017, 42, 127–135. [Google Scholar]
- Hwang, S.-J.; Jang, M.-K.; Nam, J.-S. Application of lateral overturning and backward rollover analysis in a multi-purpose agricultural machine developed in South Korea. Agronmy 2021, 11, 297. [Google Scholar] [CrossRef]
- Jiang, H.; Xu, G.; Zeng, W.; Gao, F.; Chong, K. Lateral stability of a mobile robot utilizing an active adjustable suspension. Appl. Sci. 2019, 9, 4410. [Google Scholar] [CrossRef]
- Chowdhury, M.; Islam, M.N.; Iqbal, M.Z.; Islam, S.; Lee, D.-H.; Kim, D.-G.; Jun, H.-J.; Chung, S.-O. Analysis of Overturning and Vibration during Field Operation of a Tractor-Mounted 4-Row Radish Collector toward Ensuring User Safety. Machines 2020, 8, 77. [Google Scholar] [CrossRef]
- Majdan, R.; Abrahám, R.; Tkáč, Z.; Mojžiš, M. Drawbar parameters of tractor with prototypes of driving wheels and standard tyres. Acta Technol. Agric. 2018, 21, 63–68. [Google Scholar] [CrossRef]
- Abrahám, R.; Majdan, R.; Drlička, R. Special tractor driving wheels with two modification of spikes inclination angle. Agron. Res. 2019, 17, 333–342. [Google Scholar]
- Jandačka, D. Biomechanical Basis of Physical Exercises; Masaryk University in Brno: Brno, Czech Republic, 2017; p. 152. [Google Scholar]
- Majdan, R.; Abrahám, R.; Tkáč, Z.; Drlička, R.; Matejková, E.; Kollárová, K.; Mareček, J. Static lateral stability of tractor with rear wheel ballast weights: Comparison of ISO 16231-2 (2015) with experimental data regarding tyre deformation. Appl. Sci. 2021, 11, 381. [Google Scholar] [CrossRef]
- Cutini, M.; Brambilla, M.; Bisaglia, C.; Melzi, S.; Sabbioni, E.; Vignati, M.; Cavallo, E.; Laurendi, V. A Study of the lateral stability of self-propelled fruit harvesters. Agriculture 2017, 7, 92. [Google Scholar] [CrossRef]
- Majdan, R.; Tkáč, Z.; Abrahám, R.; Kosiba, J. Theory and Design of Tractors; Slovak University of Agriculture in Nitra: Nitra, Slovakia, 2012; p. 100. (In Slovak) [Google Scholar]
- Ku, H.H. Notes on the use of propagation of error formulas. J. Res. Natl. Bur. Stand. 1966, 70C, 262. [Google Scholar] [CrossRef]
- Demšar, I.; Bernik, R.; Duhiovnik, J. A mathematical model and numerical simulation of the static stability of a tractor. Agric. Conspec. Sci. 2012, 77, 143–150. [Google Scholar]
- Franceschetti, B.; Rondelli, V.; Ciuffoli, A. Comparing the influence of roll-over protective structure type on tractor lateral stability. Saf. Sci. 2019, 115, 42–50. [Google Scholar] [CrossRef]
- Ayers, P.; Conger, J.B.; Comer, R.; Troutt, P. Stability analysis of agricultural off-road vehicles. J. Agric. Saf. Health 2018, 24, 167–182. [Google Scholar] [CrossRef] [PubMed]
- Gravalos, I.; Gialamas, T.; Loutridis, S.; Moshou, D.; Kateris, D.; Xyradakis, P.; Tsiropoulos, Z. An experimental study on the impact of the rear track width on the stability of agricultural tractors using a test bench. J. Terramechanics 2011, 48, 319–323. [Google Scholar] [CrossRef]
- Emam, M.A.; Marzouk, M.; Shaaban, S. A monitoring device for forklift´s stability triangle. Int. J. Veh. Mech. Engines. Transp. Syst. 2017, 43, 16–27. [Google Scholar]
- Martin, J.M.L.; Pambrun, L.J.B. Suspension Means for a Utility Vehicles. U.S. Patent 5,538,266, 27 December 1996. [Google Scholar]
- Gibson, H.G.; Elliot, K.C.; Person, S.P.E. Side slope stability of articulated-frame logging tractors. J. Terramechanics 1971, 8, 65–79. [Google Scholar] [CrossRef]













| Tractor TYPE | MT8-070 Mini | Deutz-Fahr 5100 G | |
|---|---|---|---|
| cylinder number of engine | 1 | 4 | |
| displacement of engine, cm3 | 400 | 3849 | |
| engine power, kW/rpm | 8/3600 | 75/2000 | |
| wheelbase L, m | 1.15 | 2.4 | |
| height of pivot point u, m | 0.254 | 0.6 | |
| rear wheel tire width p, m | 0.145 | 0.46 | |
| overall tire width o, m | low/medium/high | 0.795/0.885/0.975 | 1.145/1.518/1.89 |
| Subcompact Tractor | Universal Tractor | ||||||
|---|---|---|---|---|---|---|---|
| Rear Wheel Ballast Weight, kg | 0 | 30.5 | 61 | 0 | 180 | 300 | |
| COG coordinates | h, m | 0.446 | 0.436 | 0.427 | 0.973 | 0.962 | 0.956 |
| d, m | 0.708 | 0.735 | 0.760 | 1.396 | 1.441 | 1.469 | |
| c, m | 0.442 | 0.415 | 0.391 | 1.004 | 0.959 | 0.931 | |
| static overturning angle | α, ° | low overall tire width | |||||
| 31.71 | 33.06 | 34.20 | 28.67 | 29.43 | 29.9 | ||
| medium overall tire width | |||||||
| 34.69 | 36.09 | 37.28 | 34.62 | 35.48 | 36.01 | ||
| high overall tire width | |||||||
| 37.47 | 38.9 | 40.12 | 39.71 | 40.63 | 41.18 | ||
| Overall Tire Width | Rear Wheel Ballast Weight, kg | Parameter | ||||
|---|---|---|---|---|---|---|
| AA′, m | NK, m | OK, m | FK, m | θ, ° | ||
| subcompact tractor | ||||||
| Low | 0 | 0.361 | 0.208 | 0.097 | 0.218 | 17.4 |
| 30.5 | 0.216 | 0.091 | 0.227 | |||
| 61 | 0.223 | 0.086 | 0.234 | |||
| Medium | 0 | 0.406 | 0.231 | 0.098 | 0.245 | 19.5 |
| 30.5 | 0.240 | 0.091 | 0.255 | |||
| 61 | 0.248 | 0.086 | 0.263 | |||
| High | 0 | 0.451 | 0.253 | 0.097 | 0.272 | 21.4 |
| 30.5 | 0.264 | 0.091 | 0.283 | |||
| 61 | 0.272 | 0.086 | 0.294 | |||
| universal tractor | ||||||
| Low | 0 | 0.687 | 0.383 | 0.251 | 0.399 | 15.9 |
| 180 | 0.396 | 0.239 | 0.411 | |||
| 300 | 0.403 | 0.231 | 0.419 | |||
| Medium | 0 | 0.874 | 0.476 | 0.251 | 0.507 | 20.1 |
| 180 | 0.492 | 0.239 | 0.523 | |||
| 300 | 0.501 | 0.231 | 0.533 | |||
| High | 0 | 1.061 | 0.562 | 0.251 | 0.615 | 23.8 |
| 180 | 0.581 | 0.239 | 0.635 | |||
| 300 | 0.592 | 0.231 | 0.647 | |||
| Subcompact Tractor | Universal Tractor | ||||||
|---|---|---|---|---|---|---|---|
| Rear Wheel Ballast Weight, kg | 0 | 30.5 | 61 | 0 | 180 | 300 | |
| static overturning angle α, ° | low overall tire width | ||||||
| Grečenko [15] | 29.40 | 30.65 | 31.72 | 24.71 | 25.39 | 25.80 | |
| Model 1 | 32.10 | 33.42 | 34.54 | 28.93 | 29.69 | 30.15 | |
| Model 2 | 30.92 | 32.21 | 33.29 | 27.98 | 28.72 | 29.18 | |
| medium overall tire width | |||||||
| Grečenko [15] | 32.67 | 34.01 | 35.13 | 31.38 | 32.17 | 32.66 | |
| Model 1 | 35.20 | 36.57 | 37.74 | 35.09 | 35.93 | 36.44 | |
| Model 2 | 33.63 | 34.98 | 36.12 | 33.43 | 34.25 | 34.75 | |
| high overall tire width | |||||||
| Grečenko [15] | 35.74 | 37.12 | 38.29 | 37.21 | 38.07 | 38.59 | |
| Model 1 | 38.08 | 39.49 | 40.69 | 40.43 | 41.31 | 41.84 | |
| Model 2 | 36.11 | 37.49 | 38.67 | 37.93 | 38.80 | 39.32 | |
| Rear Wheel Ballast Weight, kg | Low Overall Tire Width | Medium Overall Tire Width | High Overall Tire Width | ||||||
|---|---|---|---|---|---|---|---|---|---|
| Grečenko [15] | Model 1 | Model 2 | Grečenko [15] | Model 1 | Model 2 | Grečenko [15] | Model 1 | Model 2 | |
| subcompact tractor | |||||||||
| 0 | 7.30 | −1.23 * | 2.51 | 5.82 | −1.47 * | 3.05 | 4.62 | −1.63 * | 3.63 |
| 30.5 | 7.28 | −1.11 * | 2.56 | 5.80 | −1.33 * | 3.08 | 4.58 | −1.54 * | 3.62 |
| 61 | 7.24 | −1.01 * | 2.65 | 5.78 | −1.21 * | 3.12 | 4.56 | −1.42 * | 3.61 |
| universal tractor | |||||||||
| 0 | 13.82 | −0.92 * | 2.39 | 9.36 | −1.36 * | 3.43 | 6.30 | −1.81 * | 4.48 |
| 180 | 13.75 | −0.86 * | 2.40 | 9.32 | −1.26 * | 3.46 | 6.29 | −1.68 * | 4.49 |
| 300 | 13.71 | −0.82 * | 2.41 | 9.30 | −1.20 * | 3.48 | 6.29 | −1.60 * | 4.50 |
Publisher’s Note: MDPI stays neutral with regard to jurisdictional claims in published maps and institutional affiliations. |
© 2021 by the authors. Licensee MDPI, Basel, Switzerland. This article is an open access article distributed under the terms and conditions of the Creative Commons Attribution (CC BY) license (https://creativecommons.org/licenses/by/4.0/).
Share and Cite
Majdan, R.; Abrahám, R.; Kollárová, K.; Tkáč, Z.; Matejková, E.; Kubík, Ľ. Alternative Models for Calculation of Static Overturning Angle and Lateral Stability Analysis of Subcompact and Universal Tractors. Agriculture 2021, 11, 861. https://doi.org/10.3390/agriculture11090861
Majdan R, Abrahám R, Kollárová K, Tkáč Z, Matejková E, Kubík Ľ. Alternative Models for Calculation of Static Overturning Angle and Lateral Stability Analysis of Subcompact and Universal Tractors. Agriculture. 2021; 11(9):861. https://doi.org/10.3390/agriculture11090861
Chicago/Turabian StyleMajdan, Radoslav, Rudolf Abrahám, Katarína Kollárová, Zdenko Tkáč, Eva Matejková, and Ľubomír Kubík. 2021. "Alternative Models for Calculation of Static Overturning Angle and Lateral Stability Analysis of Subcompact and Universal Tractors" Agriculture 11, no. 9: 861. https://doi.org/10.3390/agriculture11090861
APA StyleMajdan, R., Abrahám, R., Kollárová, K., Tkáč, Z., Matejková, E., & Kubík, Ľ. (2021). Alternative Models for Calculation of Static Overturning Angle and Lateral Stability Analysis of Subcompact and Universal Tractors. Agriculture, 11(9), 861. https://doi.org/10.3390/agriculture11090861

