The Effects of Serendipita indica and Guanidine-Modified Nanomaterial on Growth and Development of Cabbage Seedlings and Black Spot Infestation
Abstract
:1. Introduction
2. Materials and Methods
2.1. Plant Growth Condition and Treatments
2.2. Serendipita indica Inoculation
2.3. Pathogen Application
2.4. Preparation of Nanoparticles
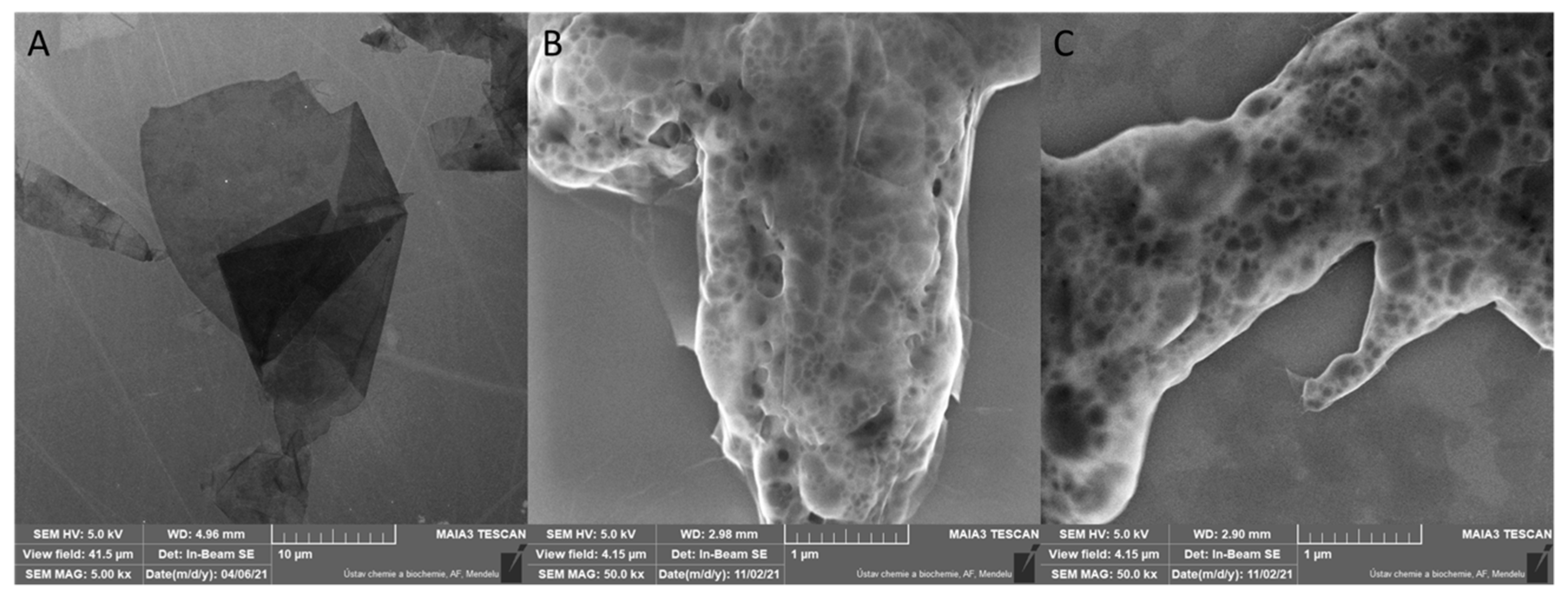
2.4.1. Scanning Electron Microscopy and Energy Dispersive X-ray Spectroscopy
2.4.2. Elemental Measurement
2.5. Morphological and Physiological Parameters
2.6. Biochemical Analysis
2.7. Disease Analysis
2.8. Statistical Analysis
3. Results
3.1. Characterization of Graphene Oxide and Modified Graphene Oxide with Guanidine
3.2. Morphological and Physiological Parameters
3.2.1. Plant Height
3.2.2. Number of Leaves
3.2.3. Normalized Difference Vegetation Index
3.2.4. Chlorophyll Fluorescence
3.3. Biochemical Parameters
3.3.1. Total Antioxidant Capacity
3.3.2. Chlorophyll Content
3.3.3. Carotenoids Content
3.3.4. Nitrogen Content
3.4. Disease Incidence
3.5. Correlation
4. Discussion
5. Conclusion
Author Contributions
Funding
Institutional Review Board Statement
Informed Consent Statement
Data Availability Statement
Acknowledgments
Conflicts of Interest
References
- Cho, Y. How the necrotrophic fungus Alternaria brassicicola kills plant cells remains an enigma. Eukaryot. Cell. 2015, 14, 335–344. [Google Scholar] [CrossRef] [PubMed] [Green Version]
- Manha, R.K.; Kaur, T. Biocontrol Potential of Streptomyces hydrogenans Strain DH16 toward Alternaria brassicicola to Control Damping Off and Black Leaf Spot of Raphanus sativus. Front. Plant Sci. 2016, 7, 1869. [Google Scholar] [CrossRef] [Green Version]
- Macioszek, V.K.; Gapińska, M.; Zmienko, A.; Sobczak, M.; Skoczowski, A.; Oliwa, J.; Kononowicz, A.K. Complexity of Brassica oleracea-Alternaria brassicicola Susceptible Interaction Reveals Downregulation of Photosynthesis at Ultrastructural, Transcriptional, and Physiological Levels. Cells 2020, 9, 2329. [Google Scholar] [CrossRef] [PubMed]
- Mahanty, T.; Bhattacharjee, S.; Goswami, M.; Bhattacharyya, P.; Das, B.; Ghosh, A.; Tribedi, P. Biofertilizers: A potential approach for sustainable agriculture development. Environ. Sci. Pollut. Res. 2017, 24, 3315–3335. [Google Scholar] [CrossRef] [PubMed]
- Bajaj, R.; Huang, Y.; Gebrechristos, S.; Mikolajczyk, B.; Brown, H.; Prasad, R.; Varma, A.; Bushley, K.E. Transcriptional responses of soybean roots to colonization with the root endophytic fungus Piriformospora indica reveals altered phenylpropanoid and secondary metabolism. Sci. Rep. 2018, 8, 1–18. [Google Scholar] [CrossRef]
- Meena, M.; Swapnil, P.; Zehra, A.; Aamir, M.; Dubey, M.K.; Goutam, J.; Upadhyay, R. Beneficial microbes for disease suppression and plant growth promotion. In Plant-Microbe Interactions in Agro-Ecological Perspectives; Springer: Springer, 2017; pp. 395–432. [Google Scholar] [CrossRef]
- Gill, S.S.; Gill, R.; Trivedi, D.K.; Anjum, N.A.; Sharma, K.K.; Ansari, M.W.; Tuteja, N. Piriformospora indica: Potential and significance in plant stress tolerance. Front. Microbiol. 2016, 7, 332. [Google Scholar] [CrossRef] [PubMed] [Green Version]
- Lin, H.F.; Xiong, J.; Zhou, H.M.; Chen, C.M.; Lin, F.Z.; Xu, X.M.; Oelmuller, R.; Xu, W.F.; Yeh, K.W. Growth promotion and disease resistance induced in Anthurium colonized by the beneficial root endophyte Piriformospora indica. BMC Plant Biol. 2019, 19, 1–10. [Google Scholar] [CrossRef]
- Verma, S.; Varma, A.; Rexer, K.; Hassel, A.; Kost, G.; Sarbhoy, A.; Franken, P. Piriformospora indica, gen. et sp. nov., a New Root-Colonizing Fungus. Mycologia 1998, 90, 896–903. [Google Scholar] [CrossRef]
- Fakhro, A.; Andrade-Linares, D.R.; Von, B.S.; Bandte, M.; Büttner, C.; Grosch, R.; Schwarz, D.; Franken, P. Impact of Piriformospora indica on tomato growth and on interaction with fungal and viral pathogens. Mycorrhiza 2010, 20, 191–200. [Google Scholar] [CrossRef]
- Khalid, M.; Hui, N.; Rahman, S.U.; Hayat, K.; Huang, D. Suppression of clubroot (Plasmodiophora brassicae) development in Brassica campestris sp. chinensis L. via exogenous inoculation of Piriformospora indica. J. Radiat. Res. Appl. Sci. 2020, 13, 180–190. [Google Scholar] [CrossRef] [Green Version]
- Finkel, O.M.; Castrillo, G.; Herrera Paredes, S.; Salas Gonzalez, I.; Dangl, J.L. Understanding and exploiting plant beneficial microbes. Curr. Opin. Plant Biol. 2017, 38, 155–163. [Google Scholar] [CrossRef]
- Wang, Y.; Lin, Y.; Xu, Y.; Yin, Y.; Guo, H.; Du, W. Divergence in response of lettuce (var. ramosa Hort.) to copper oxide nanoparticles/microparticles as potential agricultural fertilizer. Environ. Pollut. Bioavailab. 2019, 31, 80–84. [Google Scholar] [CrossRef] [Green Version]
- Kole, C.; Kole, P.; Randunu, K.M.; Choudhary, P.; Podila, R.; Ke, P.C.; Rao, A.M.; Marcus, R.K. Nanobiotechnology can boost crop production and quality: First evidence from increased plant biomass, fruit yield and phytomedicine content in bitter melon (Momordica charantia). BMC Biotechnol. 2013, 13, 37. [Google Scholar] [CrossRef] [Green Version]
- Shalaby, T.A.; Bayoumi, Y.; Abdalla, N.; Taha, H.; Alshaal, T.; Shehata, S.; Amer, M.; Domokos-Szabolcsy, É.; El-Ramady, H. Nanoparticles, soils, plants, and sustainable agriculture. In Nanoscience in Food and Agriculture 1; Shivendu, R., Nandita, D., Eric, L., Eds.; Springer: Cham, Switzerland, 2016; pp. 283–312. [Google Scholar]
- Sabir, A.; Yazar, K.; Sabir, F.; Kara, Z.; Yazici, M.A.; Goksu, N. Vine growth, yield, berry quality attributes and leaf nutrient content of grapevines as influenced by seaweed extract (Ascophyllum nodosum) and nanosize fertilizer pulverizations. Sci. Hortic. 2014, 175, 1–8. [Google Scholar] [CrossRef]
- Zand, A.D.; Tabrizi, A.M.; Heir, A.V. Co-application of biochar and titanium dioxide nanoparticles to promote remediation of antimony from soil by Sorghum bicolor: Metal uptake and plant response. Heliyon. 2020, 6, e04669. [Google Scholar] [CrossRef]
- Sardar, R.; Ahmed, S.; Yasin, N.A. Titanium dioxide nanoparticles mitigate cadmium toxicity in Coriandrum sativum through modulating antioxidant system, stress markers and reducing cadmium uptake. Environ. Pollut. 2022, 292, 118373. [Google Scholar] [CrossRef] [PubMed]
- Manjaiah, K.M.; Mukhopadhyay, R.; Paul, R.; Datta, S.C.; Kumararaja, P.; Sarkar, B. Clay minerals and zeolites for environmentally sustainable agriculture. Mariano, M., Binoy, S., Alessio, L., Eds.; Elsevier: Amsterdam, The Netherlands, 2019; pp. 309–329. [Google Scholar] [CrossRef]
- Ponce-García, C.O.; Soto-Parra, J.M.; Sánchez, E.; Muñoz-Márquez, E.; Piña-Ramírez, F.J.; Flores-Córdova, M.A.; Pérez-Leal, R.; Yáñez Muñoz, R.M. Efficiency of nanoparticle, Sulfate, and Zinc-Chelate Use on Biomass, Yield, and Nitrogen Assimilation in Green Beans. Agronomy 2019, 9, 128. [Google Scholar] [CrossRef] [Green Version]
- Mishra, S.; Singh, H.B. Biosynthesized silver nanoparticles as a nanoweapon against phytopathogens: Exploring their scope and potential in agriculture. Appl. Microbiol. Biotechnol. 2015, 99, 1097–1107. [Google Scholar] [CrossRef] [PubMed]
- Jurkow, R.; Pokluda, R.; Sękara, A. Impact of foliar application of some metal nanoparticles on antioxidant system in oakleaf lettuce seedlings. BMC Plant Biol. 2020, 20, 290. [Google Scholar] [CrossRef]
- Zhang, Z.; Nyborg, M.; Worsley, M.; Worsley, K.M.; Gower, D.A. Guanidine sulphate: Slow release of mineral nitrogen during incubation in soil. Commun Soil Sci. Plant Anal. 1992, 23, 431–439. [Google Scholar] [CrossRef]
- Varma, A.; Uma, K.M. Role of Nanoparticles on Plant Growth with Special Emphasis on Piriformospora indica: A Review. In Nanoscience and Plant–Soil Systems; Soil Biology; Ghorbanpour, M., Manika, K., Varma, A., Eds.; Springer: Cham, Switzerland, 2017; Volume 48, pp. 387–403. [Google Scholar] [CrossRef]
- Richtera, L.; Chudobova, D.; Cihalova, K.; Kremplova, M.; Milosavljevic, V.; Kopel, P.; Blazkova, I.; Hynek, D.; Adam, V.; Kizek, R. The Composites of Graphene Oxide with Metal or Semimetal Nanoparticles and Their Effect on Pathogenic Microorganisms. Materials 2015, 8, 2994–3011. [Google Scholar] [CrossRef] [Green Version]
- Holm, G. Chlorophyll mutations in barley. Acta Agric. Scand. 1954, 4, 457–471. [Google Scholar] [CrossRef]
- Brand-Williams, W.; Cuvelier, M.E.; Berset, C.L.W.T. Use of a free radical method to evaluate antioxidant activity. LWT-Food Sci Technol. 1995, 28, 25–30. [Google Scholar] [CrossRef]
- Zbíral, J. Analýza Rostlinného Materiálu: Jednotné Pracovní Postupy; Vyd. 2; UKZUZ: Brno, Czech Republic, 2005. (In Czech) [Google Scholar]
- Nowakowska, M.; Wrzesińska, M.; Kamiński, P.; Szczechura, W.; Lichocka, M.; Tartanus, M.; Kozik, E.U.; Nowicki, M. Alternaria brassicicola–Brassicaceae pathosystem: Insights into the infection process and resistance mechanisms under optimized artificial bio-assay. Eur. J. Plant Pathol. 2019, 153, 131–151. [Google Scholar] [CrossRef] [Green Version]
- Sabry, S.; Ali, A.Z.; Dawlat, A.; Abdel, K.; Abou-Zaid, A.I. Control of cabbage Alternaria leaf spot disease caused by Alternaria brassicicola. Zagazig J. Agric. Res. 2015, 42. [Google Scholar]
- Singh, J.S.; Pandey, V.C.; Singh, D.P. Efficient soil microorganisms: A new dimension for sustainable agriculture and environmental development. Agr. Ecosyst. Environ. 2011, 140, 339–353. [Google Scholar] [CrossRef]
- Sekhon, B.S. Nanotechnology in agri-food production: An overview. Nanotechnol. Sci. Appl. 2014, 7, 31–53. [Google Scholar] [CrossRef] [PubMed] [Green Version]
- Fraceto, L.F.; Grillo, R.; de Medeiros, G.A.; Scognamiglio, V.; Rea, G.; Bartolucci, C. Nanotechnology in agriculture: Which innovation potential does it have? Front. Environ. Sci. 2016, 4, 20. [Google Scholar] [CrossRef]
- Wang, S.; Wang, F.; Gao, S.; Wang, X. Heavy metal accumulation in different rice cultivars as influenced by foliar application of nano-silicon. Water Air Soil Pollut. 2016, 7, 1–13. [Google Scholar] [CrossRef]
- Trzewik, A.; Orlikowska, T.; Kowalczyk, W.; Maciorowski, R.; Ciołakowska-Marasek, A.; Klocke, E. Stimulation of ex vitro growth of Rhododendron hybrids ‘Nova Zembla’ and ‘Alfred’ by inoculation of roots with Piriformospora indica. Hort. Sci. 2020, 47, 194–202. [Google Scholar] [CrossRef]
- Dolatabadi, H.K.; Goltapeh, E.M. Effect of inoculation with Piriformospora indica and Sebacina vermifera on growth of selected Brassicaceae plants under greenhouse conditions. Hortic Res. 2013, 21, 115–124. [Google Scholar] [CrossRef] [Green Version]
- Bajaj, R.; Hu, W.; Huang, Y.Y.; Prasad, R.; Varma, A.; Bushley, K.E. The beneficial root endophyte Piriformospora indica reduces egg density of the soybean cyst nematode. Biol. Control 2015, 90, 193–199. [Google Scholar] [CrossRef]
- Wang, H.; Zheng, J.; Ren, X.; Yu, T.; Varma, A.; Lou, B.; Zheng, X. Effects of Piriformospora indica on the growth, fruit quality and interaction with Tomato yellow leaf curl virus in tomato cultivars susceptible and resistant to TYCLV. Plant Growth Regul. 2015, 76, 303–313. [Google Scholar] [CrossRef]
- Singh, A.; Sharma, J.; Rexer, K.H.; Varma, A. Plant productivity determinants beyond minerals, water and light: Piriformospora indica–A revolutionary plant growth promoting fungus. Curr. Sci. 2000, 79, 1548–1554. [Google Scholar]
- Varma, A.; Singh, A.; Sahay, N.S.; Sharma, J.; Roy, A.; Kumari, M. Piriformospora indica: An axenically culturable mycorrhiza-like endosymbiotic fungus. In Fungal Associations; Springer: Heidelberg, Berlin, 2001; Volume 9. [Google Scholar] [CrossRef]
- Vadassery, J.; Ranf, S.; Drzewiecki, C.; Mithöfer, A.; Mazars, C.; Scheel, D.; Lee, J.; Oelmüller, R. A cell wall extract from the endophytic fungus Piriformospora indica promotes growth of Arabidopsis seedlings and induces intracellular calcium elevation in roots. Plant J. 2009, 59, 193–206. [Google Scholar] [CrossRef]
- Tripathi, S.; Sonkar, S.K.; Sarkar, S. Growth stimulation of gram (Cicer arietinum) plant by water soluble carbon nanotubes. Nanoscale 2011, 3, 1176–1181. [Google Scholar] [CrossRef]
- Martínez-Ballesta, M.C.; Zapata, L.; Chalbi, N.; Carvajal, M. Multiwalled carbon nanotubes enter broccoli cells enhancing growth and water uptake of plants exposed to salinity. J. Nanobiotechn. 2016, 14, 1–14. [Google Scholar] [CrossRef] [Green Version]
- Park, S.; Choi, K.S.; Kim, S.; Gwon, Y.; Kim, J. Graphene oxide-assisted promotion of plant growth and stability. Nanomaterials 2020, 10, 758. [Google Scholar] [CrossRef] [Green Version]
- Sherameti, I.; Shahollari, B.; Venus, Y.; Altschmied, L.; Varma, A.; Oelmüller, R. The endophytic fungus Piriformospora indica stimulates the expression of nitrate reductase and the starch-degrading enzyme glucan-water dikinase in tobacco and Arabidopsis roots through a homeodomain transcription factor that binds to a conserved motif in their promoters. J. Biol. Chem. 2005, 280, 26241–26247. [Google Scholar] [CrossRef] [PubMed] [Green Version]
- Achatz, B.; Van Rüden, S.; Andrade, D.; Neumann, E.; Pons Kühnemann, J.; Kogel, K.H.; Franken, P.; Waller, F. Root colonization by Piriformospora indica enhances grain yield in barley under diverse nutrient regimes by accelerating plant development. Plant Soil. 2010, 333, 57–59. [Google Scholar] [CrossRef]
- Shahabivand, S.; Alİloo, A.A. Piriformospora indica promotes growth and antioxidant activities of wheat plant under cadmium stress. Yüzüncü Yil Üniv. J. Agric. 2016, 26, 333–340. [Google Scholar]
- Siddiqui, Z.A.; Parveen, A.; Ahmad, L.; Hashem, A. Effects of graphene oxide and zinc oxide nanoparticles on growth, chlorophyll, carotenoids, proline contents and diseases of carrot. Sci. Hortic. 2019, 249, 374–382. [Google Scholar] [CrossRef]
- González-García, Y.; Cadenas-Pliego, G.; Alpuche-Solís, A.G.; Cabrera, R.I.; Juárez-Maldonado, A. Effect of carbon-based nanomaterials on Fusarium wilt in tomato. Sci. Hortic. 2022, 291, 110586. [Google Scholar] [CrossRef]
- Prasad, R.; Kamal, S.; Sharma, P.K.; Oelmüller, R.; Varma, A. Root endophyte Piriformospora indica DSM 11827 alters plant morphology, enhances biomass and antioxidant activity of medicinal plant Bacopa monniera. J. Basic Microbiol. 2013, 53, 1016–1024. [Google Scholar] [CrossRef] [PubMed]
- Jordan, J.T.; Singh, K.P.; Cañas-Carrell, J.E. Carbon-based nanomaterials elicit changes in physiology, gene expression, and epigenetics in exposed plants: A review. Curr. Opin. Environ. Sci. Health. 2018, 6, 29–35. [Google Scholar] [CrossRef]
- Baishya, D.; Deka, P.; Kalita, M.C. In vitro co-cultivation of Piriformospora indica filtrate for improve biomass productivity in Artemisia annua (L.). Symbiosis 2015, 66, 37–46. [Google Scholar] [CrossRef]
- Abadi, V.A.J.M.; Sepehri, M. Effect of Piriformospora indica and Azotobacter chroococcum on mitigation of zinc deficiency stress in wheat (Triticum aestivum L.). Symbiosis 2016, 69, 9–19. [Google Scholar] [CrossRef]
- Khalid, M.; Hassani, D.; Bilal, M.; Liao, J.; Huang, D. Elevation of secondary metabolites synthesis in Brassica campestris ssp. chinensis L. via exogenous inoculation of Piriformospora indica with appropriate fertilizer. PLoS ONE 2017, 12, e0177185. [Google Scholar] [CrossRef]
- Roylawar, P.; Khandagale, K.; Randive, P.; Shinde, B.; Murumkar, C.; Ade, A.; Singh, M.; Gawande, S.; Morelli, M. Piriformospora indica Primes Onion Response against Stemphylium Leaf Blight Disease. Pathogens 2021, 10, 1085. [Google Scholar] [CrossRef] [PubMed]
- Stein, E.; Molitor, A.; Kogel, K.H.; Waller, F. Systemic resistance in Arabidopsis conferred by the mycorrhizal fungus Piriformospora indica requires jasmonic acid signalling and the cytoplasmic function of NPR1. Plant Cell Physiol. 2008, 49, 1747–1751. [Google Scholar] [CrossRef]
- del Barrio-Duque, A.; Ley, J.; Samad, A.; Antonielli, L.; Sessitsch, A.; Compant, S. Beneficial endophytic bacteria-Serendipita indica interaction for crop enhancement and resistance to phytopathogens. Front. Microbiol. 2019, 10, 2888. [Google Scholar] [CrossRef] [PubMed]
- Ganjavi, A.S.; Oraei, M.; Gohari, G.; Akbari, A.; Faramarzi, A. Glycine betaine functionalized graphene oxide as a new engineering nanoparticle lessens salt stress impacts in sweet basil (Ocimum basilicum L.). Plant Physiol. Biochem. 2021, 162, 14–26. [Google Scholar] [CrossRef] [PubMed]
- Ji, H.; Sun, H.; Qu, X. Antibacterial applications of graphene-based nanomaterials: Recent achievements and challenges. Adv. Drug Deliv. Rev. 2016, 105, 176–189. [Google Scholar] [CrossRef] [PubMed]
- Wang, X.; Liu, X.; Chen, J.; Han, H.; Yuan, Z. Evaluation and mechanism of antifungal effects of carbon nanomaterials in controlling plant fungal pathogen. Carbon 2014, 68, 798–806. [Google Scholar] [CrossRef]



| Sample | Nitrogen (%) | Carbon (%) | Hydrogen (%) | Sulphur (%) |
|---|---|---|---|---|
| GO_Np1 | 57.58 | 30.07 | 4.49 | 0 |
| GO_Np2 | 60.47 | 29.58 | 4.60 | 0 |
| Treatment | Plant Height (mm) | No. of Leaves per Plant |
|---|---|---|
| Substrate treatment | ||
| C-PBS | 102.75 ± 2.39 c | 6.85 ± 0.26 b |
| Sp | 119.25 ± 3.69 a | 8.14 ± 0.26 a |
| Np1 | 108.42 ± 2.71 b | 8.14 ± 0.26 a |
| Np2 | 112.70 ± 3.12 ab | 6.71 ± 0.28 b |
| Sp+Np1 | 108.75 ± 1.87 b | 8.28 ± 0.18 a |
| Sp+Np2 | 114.90 ± 2.21 ab | 8.14 ± 0.26 a |
| Seed treatment | ||
| C-H2O | 106.85 ± 3.19 a | 5.28 ± 0.28 a |
| Ssp | 110.45 ± 3.33 a | 5.42 ± 0.29 a |
| Ssp+Np1 | 108.21 ± 4.87 a | 5.71 ± 0.18 a |
| Ssp+Np2 | 97.51 ± 4.07 b | 5.28 ± 0.56 a |
| Disease treatment | ||
| Alt | 107.02 ± 3.43 a | 7.14 ± 0.26 a |
| Alt +S | 104.75 ± 1.86 a | 7.57 ± 0.36 a |
| Alt+Np1 | 105.80 ± 1.32 a | 7.14 ± 0.34 a |
| Alt+Np2 | 105.80 ± 2.39 a | 7.14 ± 0.34 a |
| Ssp+Alt | 102.75 ±3.06 a | 5.42 ±0.56 b |
| Treatment | NDVI | Ft |
|---|---|---|
| Substrate treatment | ||
| C-PBS | 0.62 ± 0.005 d | 0.76 ± 0.009 d |
| Sp | 0.67 ± 0.007 bc | 0.80 ± 0.001 a |
| Np1 | 0.67 ± 0.007 abc | 0.78 ± 0.005 abc |
| Np2 | 0.67 ± 0.01 abc | 0.78 ± 0.005 bc |
| Sp+Np1 | 0.69 ± 0.007 ab | 0.79 ± 0.002 ab |
| Sp+Np2 | 0.69 ± 0.01 a | 0.79 ± 0.001 ab |
| Seed treatment | ||
| C-H2O | 0.67 ± 0.004 a | 0.77 ± 0.003 a |
| Ssp | 0.66 ± 0.007 a | 0.77 ± 0.001 a |
| Ssp+Np1 | 0.68 ± 0.005 a | 0.77 ± 0.003 a |
| Ssp+Np2 | 0.67 ± 0.01 a | 0.77 ± 0.004 a |
| Disease treatment | ||
| Alt | 0.60 ± 0.003 b | 0.52 ± 0.01 b |
| Alt+Sp | 0.61 ± 0.006 b | 0.63 ± 0.03 a |
| Alt+Np1 | 0.65 ± 0.01 a | 0.54 ± 0.02 b |
| Alt+Np2 | 0.66 ± 0.01 a | 0.52 ± 0.10 b |
| Ssp+Alt | 0.66 ± 0.01 a | 0.52 ± 0.02 b |
| Treatments | TAC (mM/L) | Chlorophyll a (mg/g) | Chlorophyll b (mg/g) | Carotenoids Content (mg/g) | Nitrogencontent (%) |
|---|---|---|---|---|---|
| Substrate treatment | |||||
| C-PBS | 6.90 ± 0.45 abc | 0.76 ± 0.001 d | 0.20 ± 0.001 c | 0.76 ± 0.001 f | 1.48 ± 0.01 b |
| Sp | 7.07 ± 0.16 ab | 0.79 ± 0.001 b | 0.22 ± 0.002 ab | 0.79 ± 0.001 d | 1.48 ± 0.01 b |
| Np1 | 7.32 ± 0.05 a | 0.83 ± 0.001 a | 0.22 ± 0.001 b | 1.57 ± 0.001 a | 1.83 ± 0.02 a |
| Np2 | 7.28 ± 0.05 ab | 0.71 ± 0.001 e | 0.19 ± 0.001 d | 1.35 ± 0.001 c | 1.86 ± 0.01 a |
| Sp+Np1 | 6.63 ± 0.15 bc | 0.71 ± 0.001 f | 0.19 ± 0.001 d | 1.40 ± 0.001 b | 1.48 ± 0.01 b |
| Sp+Np2 | 7.01 ± 0.20 ab | 0.78 ± 0.001 c | 0.22± 0.001 a | 0.78 ± 0.001 e | 1.46 ± 0.01 b |
| Seed treatment | |||||
| C-H2O | 8.24 ± 0.41 b | 1.75 ± 0.001 b | 0.49 ± 0.004 b | 1.75 ± 0.001 b | 2.32 ± 0.03 a |
| Ssp | 9.46 ± 0.05 a | 1.78 ± 0.001 a | 0.59 ± 0.001 a | 1.78 ± 0.001 a | 2.02 ± 0.02 b |
| Ssp+Np1 | 9.99 ± 0.27 a | 1.27 ± 0.001 d | 0.36 ± 0.002 d | 1.40 ± 0.001 d | 2.02 ± 0.01 b |
| Ssp+Np2 | 9.64 ± 0.53 a | 1.44 ± 0.001 c | 0.39 ± 0.001 c | 1.44 ± 0.001 c | 2.02 ± 0.01 b |
| Disease treatment | |||||
| Alt | 6.06 ± 0.05 cd | 0.82 ± 0.001 d | 0.24 ± 0.001 d | 0.82 ± 0.001 d | 0.85 ± 0.04 d |
| Alt+Sp | 7.51 ± 0.30 a | 0.93 ± 0.001 c | 0.26 ± 0.003 c | 0.93 ± 0.001 c | 1.70 ± 0.03 c |
| Alt+Np1 | 6.85 ± 0.21 abc | 1.00 ± 0.001 b | 0.28 ± 0.001 b | 1.00 ± 0.001 b | 1.85 ± 0.01 b |
| Alt+Np2 | 7.16 ± 0.27 ab | 0.82 ± 0.001 d | 0.23± 0.001 e | 0.82 ± 0.001 d | 1.75 ± 0.02 c |
| Ssp+Alt | 6.61 ± 0.56 bcd | 2.12 ± 0.001 a | 0.66 ± 0.001 a | 3.59 ± 0.001 a | 2.68 ± 0.05 a |
| Treatment | Scale-9 DAI | Scale-12 DAI | Scale-15 DAI | Disease Incidence (%) |
|---|---|---|---|---|
| Alt | 2.57 | 2.57 | 3.14 | 44 ±5.96 a |
| Alt+Sp | 1.42 | 1.28 | 1.14 | 18 ±2.43 c |
| Alt+Np1 | 2.00 | 2.00 | 2.14 | 30 ±6.76 b |
| Alt+Np2 | 1.28 | 1.57 | 2.28 | 32 ±6.55 b |
| Ssp+Alt | 1.85 | 1.42 | 1.42 | 26 ±4.04 bc |
Publisher’s Note: MDPI stays neutral with regard to jurisdictional claims in published maps and institutional affiliations. |
© 2021 by the authors. Licensee MDPI, Basel, Switzerland. This article is an open access article distributed under the terms and conditions of the Creative Commons Attribution (CC BY) license (https://creativecommons.org/licenses/by/4.0/).
Share and Cite
Saleem, S.; Bytešníková, Z.; Richtera, L.; Pokluda, R. The Effects of Serendipita indica and Guanidine-Modified Nanomaterial on Growth and Development of Cabbage Seedlings and Black Spot Infestation. Agriculture 2021, 11, 1295. https://doi.org/10.3390/agriculture11121295
Saleem S, Bytešníková Z, Richtera L, Pokluda R. The Effects of Serendipita indica and Guanidine-Modified Nanomaterial on Growth and Development of Cabbage Seedlings and Black Spot Infestation. Agriculture. 2021; 11(12):1295. https://doi.org/10.3390/agriculture11121295
Chicago/Turabian StyleSaleem, Sana, Zuzana Bytešníková, Lukáš Richtera, and Robert Pokluda. 2021. "The Effects of Serendipita indica and Guanidine-Modified Nanomaterial on Growth and Development of Cabbage Seedlings and Black Spot Infestation" Agriculture 11, no. 12: 1295. https://doi.org/10.3390/agriculture11121295
APA StyleSaleem, S., Bytešníková, Z., Richtera, L., & Pokluda, R. (2021). The Effects of Serendipita indica and Guanidine-Modified Nanomaterial on Growth and Development of Cabbage Seedlings and Black Spot Infestation. Agriculture, 11(12), 1295. https://doi.org/10.3390/agriculture11121295

