Membranes Based on PTMSP/PVTMS Blends for Membrane Contactor Applications
Abstract
1. Introduction
2. Materials and Methods
2.1. Materials and Reagents
2.2. Measurements of Fractional Accessible Volume
2.3. Gas Permeability Measurements
2.4. Gas and Water Vapor Sorption Measurements
2.5. Differential Scanning Calorimetry
2.6. Scanning Electron Microscopy (SEM)
2.7. CO2 Solvent Vapor Transport with Thermo-Pervaporation of Aqueous Alkanolamine Solutions
3. Results and Discussion
3.1. Polymer Blend Materials Research
3.2. Gas Permeability
3.3. Gas and Water Vapor Sorption
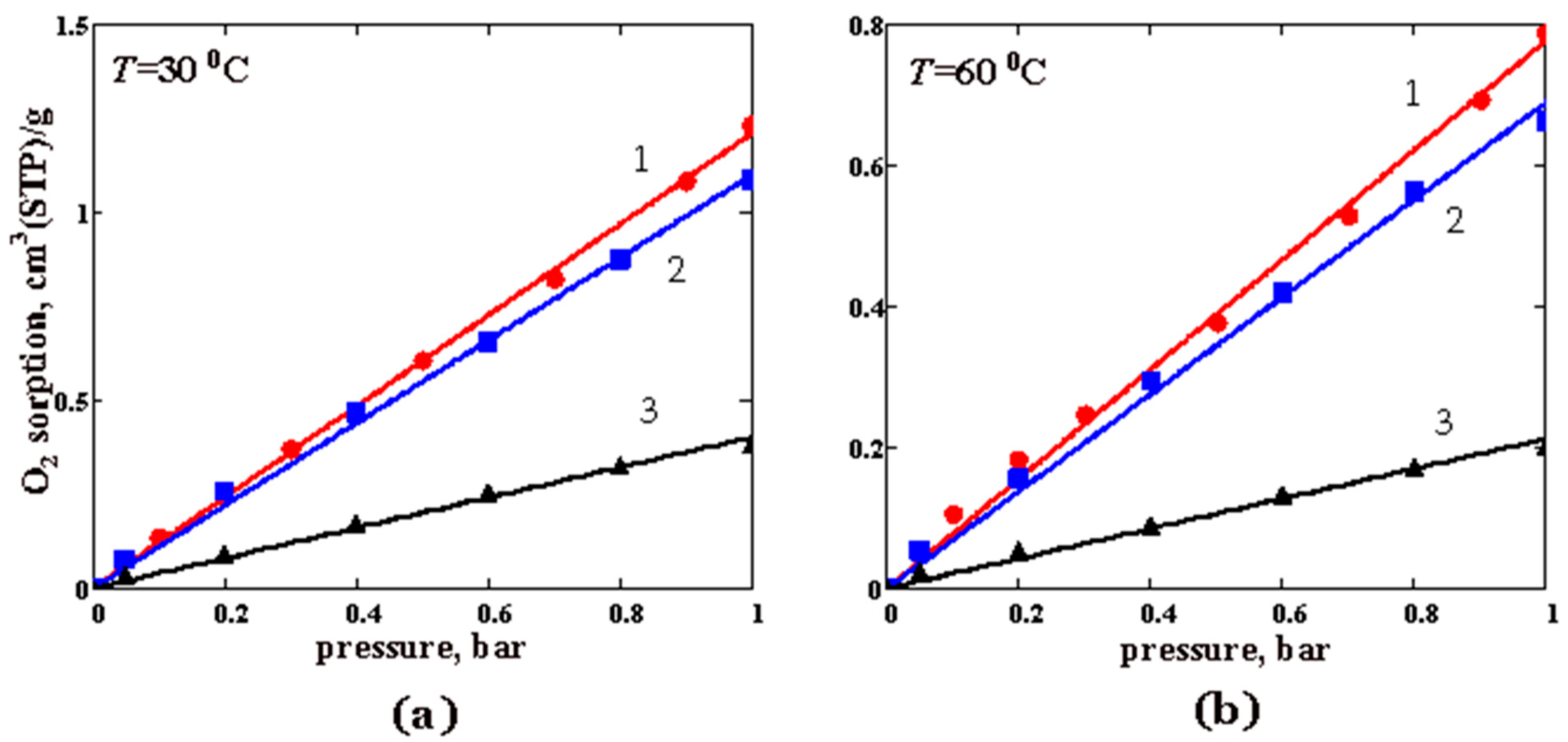
3.3.1. Gas Sorption
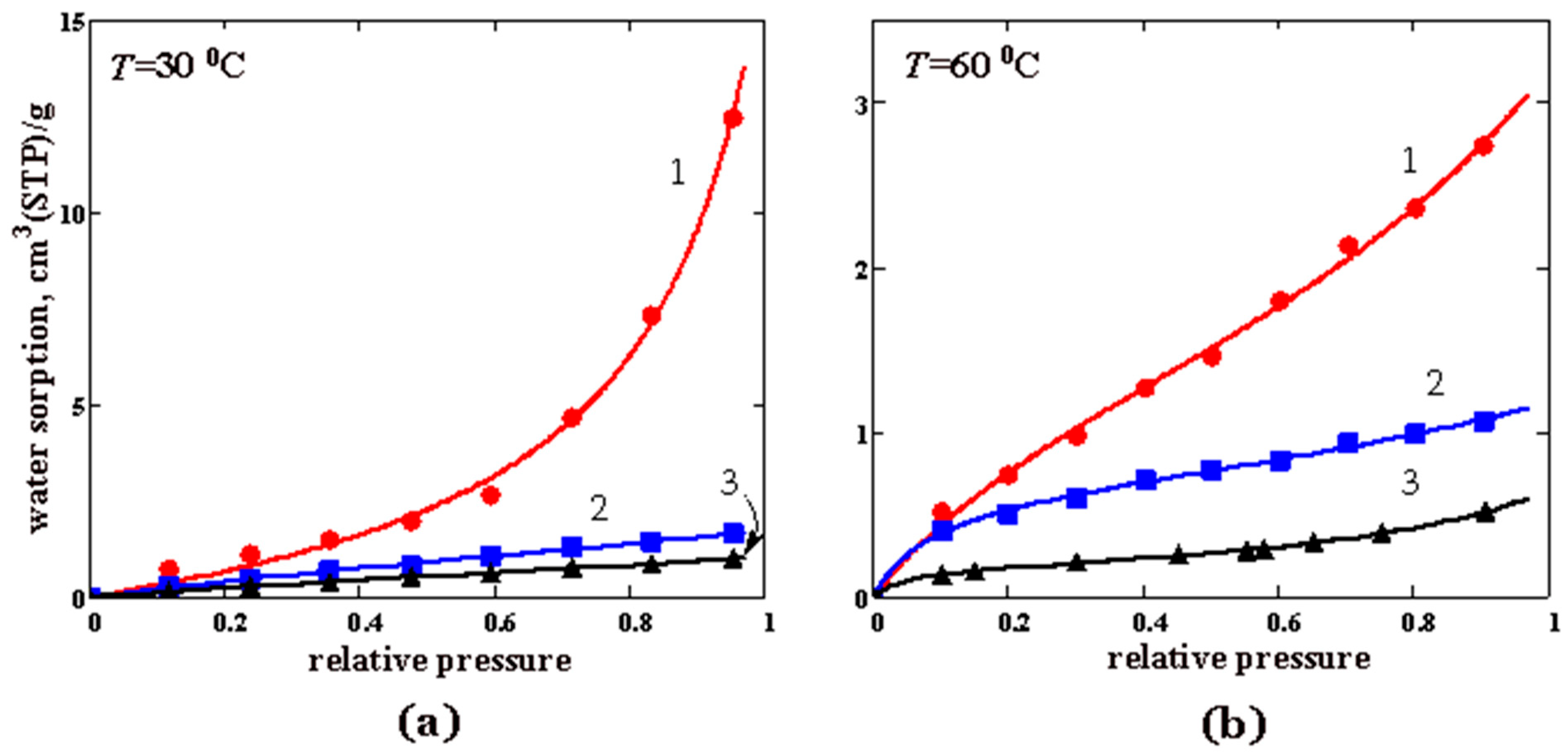
3.3.2. Water Vapor Sorption
3.4. Transport of Aqueous Alkanolamine Solvent Vapors
4. Conclusions
Author Contributions
Funding
Institutional Review Board Statement
Informed Consent Statement
Data Availability Statement
Acknowledgments
Conflicts of Interest
Appendix A
| The Ratio of PTMSP/PVTMS Fractions in the Membrane, % | SEM Images of Membrane Surfaces | SEM Images of Membrane Cross-Section |
|---|---|---|
| 100/0 | ![]() | ![]() |
| 90/10 | ![]() | ![]() |
| 80/20 | ![]() | ![]() |
| 70/30 | ![]() | ![]() |
| 40/60 | ![]() | ![]() |
| 20/80 | ![]() | ![]() |
| 0/100 | ![]() | ![]() |
References
- Hansen, J.; Johnson, D.; Lacis, A.; Lebedeff, S.; Lee, P.; Rind, D.; Russell, G. Climate Impact of Increasing Atmospheric Carbon Dioxide. Science 1981, 213, 957–966. [Google Scholar] [CrossRef] [PubMed]
- 2011 Leaders’ Declaration. Available online: https://www.apec.org/meeting-papers/leaders-declarations/2011/2011_aelm (accessed on 14 September 2022).
- Bazhenov, S.; Chuboksarov, V.; Maximov, A.; Zhdaneev, O. Technical and Economic Prospects of CCUS Projects in Russia. Sustain. Mater. Technol. 2022, 33, e00452. [Google Scholar] [CrossRef]
- Bazhenov, S.D.; Novitskii, E.G.; Vasilevskii, V.P.; Grushevenko, E.A.; Bienko, A.A.; Volkov, A.V. Heat-Stable Salts and Methods for Their Removal from Alkanolamine Carbon Dioxide Absorbents. Russ. J. Appl. Chem. 2019, 92, 1045–1063. [Google Scholar] [CrossRef]
- Buvik, V.; Høisæter, K.K.; Vevelstad, S.J.; Knuutila, H.K. A Review of Degradation and Emissions in Post-Combustion CO2 Capture Pilot Plants. Int. J. Greenh. Gas Control 2021, 106, 103246. [Google Scholar] [CrossRef]
- Kohl, A.L.; Nielsen, R.B. Gas Purification 5th Ed. Houst. Gulf Publ. Co. 1997. [Google Scholar]
- Chen, Z.; Deng, S.; Wei, H.; Wang, B.; Huang, J.; Yu, G. Activated Carbons and Amine-Modified Materials for Carbon Dioxide Capture—A Review. Front. Environ. Sci. Eng. 2013, 7, 326–340. [Google Scholar] [CrossRef]
- Popoola, L.T.; Grema, A.S.; Latinwo, G.K.; Gutti, B.; Balogun, A.S. Corrosion Problems during Oil and Gas Production and Its Mitigation. Int. J. Ind. Chem. 2013, 4, 1–15. [Google Scholar] [CrossRef]
- Xiang, Y.; Xie, W.; Ni, S.; He, X. Comparative Study of A106 Steel Corrosion in Fresh and Dirty MEA Solutions during the CO2 Capture Process: Effect of NO3−. Corros. Sci. 2020, 167, 108521. [Google Scholar] [CrossRef]
- Choi, Y.-S.; Duan, D.; Nesic, S.; Vitse, F.; Bedell, S.A.; Worley, C. Effect of Oxygen and Heat Stable Salts on the Corrosion of Carbon Steel in MDEA-Based CO2 Capture Process. Corrosion 2010, 66, 125004–125010. [Google Scholar] [CrossRef]
- Zheng, L.; Landon, J.; Matin, N.S.; Thomas, G.A.; Liu, K. Corrosion Mitigation via a PH Stabilization Method in Monoethanolamine-Based Solutions for Post-Combustion CO2 Capture. Corros. Sci. 2016, 106, 281–292. [Google Scholar] [CrossRef]
- Soosaiprakasam, I.R.; Veawab, A. Corrosion and Polarization Behavior of Carbon Steel in MEA-Based CO2 Capture Process. Int. J. Greenh. Gas Control 2008, 2, 553–562. [Google Scholar] [CrossRef]
- Kladkaew, N.; Idem, R.; Tontiwachwuthikul, P.; Saiwan, C. Studies on Corrosion and Corrosion Inhibitors for Amine Based Solvents for CO2 Absorption from Power Plant Flue Gases Containing CO2, O2 and SO2. Energy Procedia 2011, 4, 1761–1768. [Google Scholar] [CrossRef]
- Moser, P.; Wiechers, G.; Schmidt, S.; Monteiro, J.G.M.-S.; Charalambous, C.; Garcia, S.; Fernandez, E.S. Results of the 18-Month Test with MEA at the Post-Combustion Capture Pilot Plant at Niederaussem–New Impetus to Solvent Management, Emissions and Dynamic Behaviour. Int. J. Greenh. Gas Control 2020, 95, 102945. [Google Scholar] [CrossRef]
- Gouedard, C.; Picq, D.; Launay, F.; Carrette, P.-L. Amine Degradation in CO2 Capture. I. A Review. Int. J. Greenh. Gas Control 2012, 10, 244–270. [Google Scholar] [CrossRef]
- Wang, T.; Hovland, J.; Jens, K.J. Amine Reclaiming Technologies in Post-Combustion Carbon Dioxide Capture. J. Environ. Sci. 2015, 27, 276–289. [Google Scholar] [CrossRef]
- Goff, G.S.; Rochelle, G.T. Oxidation Inhibitors for Copper and Iron Catalyzed Degradation of Monoethanolamine in CO2 Capture Processes. Ind. Eng. Chem. Res. 2006, 45, 2513–2521. [Google Scholar] [CrossRef]
- Sexton, A.J.; Rochelle, G.T. Catalysts and Inhibitors for Oxidative Degradation of Monoethanolamine. Int. J. Greenh. Gas Control 2009, 3, 704–711. [Google Scholar] [CrossRef]
- Alent’ev, A.Y.; Volkov, A.V.; Vorotyntsev, I.V.; Maksimov, A.L.; Yaroslavtsev, A.B. Membrane Technologies for Decarbonization. Membr. Membr. Technol. 2021, 3, 255–273. [Google Scholar] [CrossRef]
- Bazhenov, S.D. Prospects for Membrane Deoxygenation of Alkanolamine CO2 Solvents to Prevent Their Degradation (A Minireview). Pet. Chem. 2022, 62, 643–653. [Google Scholar] [CrossRef]
- Sengupta, A.; Peterson, P.A.; Miller, B.D.; Schneider, J.; Fulk, C.W., Jr. Large-Scale Application of Membrane Contactors for Gas Transfer from or to Ultrapure Water. Sep. Purif. Technol. 1998, 14, 189–200. [Google Scholar] [CrossRef]
- Peng, Z.-G.; Lee, S.-H.; Zhou, T.; Shieh, J.-J.; Chung, T.-S. A Study on Pilot-Scale Degassing by Polypropylene (PP) Hollow Fiber Membrane Contactors. Desalination 2008, 234, 316–322. [Google Scholar] [CrossRef]
- Kattan, O.; Ebbers, K.; Koolaard, A.; Vos, H.; Bargeman, G. Membrane Contactors: An Alternative for de-Aeration of Salt Solutions? Sep. Purif. Technol. 2018, 205, 231–240. [Google Scholar] [CrossRef]
- Martić, I.; Maslarević, A.; Mladenović, S.; Lukić, U.; Budimir, S. Water Deoxygenation Using Hollow Fiber Membrane Module with Nitrogen as Inert Gas. Desalination Water Treat. 2015, 54, 1563–1567. [Google Scholar] [CrossRef]
- Bhaumik, D.; Majumdar, S.; Fan, Q.; Sirkar, K.K. Hollow Fiber Membrane Degassing in Ultrapure Water and Microbiocontamination. J. Membr. Sci. 2004, 235, 31–41. [Google Scholar] [CrossRef]
- Li, T.; Yu, P.; Luo, Y. Deoxygenation Performance of Polydimethylsiloxane Mixed-matrix Membranes for Dissolved Oxygen Removal from Water. J. Appl. Polym. Sci. 2015, 132. [Google Scholar] [CrossRef]
- Malakhov, A.O.; Bazhenov, S.D.; Vasilevsky, V.P.; Borisov, I.L.; Ovcharova, A.A.; Bildyukevich, A.V.; Volkov, V.V.; Giorno, L.; Volkov, A.V. Thin-Film Composite Hollow Fiber Membranes for Ethylene/Ethane Separation in Gas-Liquid Membrane Contactor. Sep. Purif. Technol. 2019, 219, 64–73. [Google Scholar] [CrossRef]
- Dibrov, G.A.; Volkov, V.V.; Vasilevsky, V.P.; Shutova, A.A.; Bazhenov, S.D.; Khotimsky, V.S.; Van de Runstraat, A.; Goetheer, E.L.V.; Volkov, A.V. Robust High-Permeance PTMSP Composite Membranes for CO2 Membrane Gas Desorption at Elevated Temperatures and Pressures. J. Membr. Sci. 2014, 470, 439–450. [Google Scholar] [CrossRef]
- Trusov, A.; Legkov, S.; van den Broeke, L.J.; Goetheer, E.; Khotimsky, V.; Volkov, A. Gas/Liquid Membrane Contactors Based on Disubstituted Polyacetylene for CO2 Absorption Liquid Regeneration at High Pressure and Temperature. J. Membr. Sci. 2011, 383, 241–249. [Google Scholar] [CrossRef]
- Scholes, C.A.; Jin, J.; Stevens, G.W.; Kentish, S.E. Competitive Permeation of Gas and Water Vapour in High Free Volume Polymeric Membranes. J. Polym. Sci. Part B Polym. Phys. 2015, 53, 719–728. [Google Scholar] [CrossRef]
- Hu, Y.; Shiotsuki, M.; Sanda, F.; Freeman, B.D.; Masuda, T. Synthesis and Properties of Indan-Based Polyacetylenes That Feature the Highest Gas Permeability among All the Existing Polymers. Macromolecules 2008, 41, 8525–8532. [Google Scholar] [CrossRef]
- Mushtaq, A.; Mukhtar, H.B.; Shariff, A.M.; Mannan, H.A. A Review: Development of Polymeric Blend Membrane for Removal of CO2 from Natural Gas. Int. J. Eng. 2013, 13, 8. [Google Scholar]
- Yong, W.F.; Zhang, H. Recent Advances in Polymer Blend Membranes for Gas Separation and Pervaporation. Prog. Mater. Sci. 2021, 116, 100713. [Google Scholar] [CrossRef]
- Mannan, H.A.; Mukhtar, H.; Murugesan, T.; Nasir, R.; Mohshim, D.F.; Mushtaq, A. Recent Applications of Polymer Blends in Gas Separation Membranes. Chem. Eng. Technol. 2013, 36, 1838–1846. [Google Scholar] [CrossRef]
- Robeson, L.M. Polymer Blends in Membrane Transport Processes. Ind. Eng. Chem. Res. 2010, 49, 11859–11865. [Google Scholar] [CrossRef]
- Hao, L.; Li, P.; Chung, T.-S. PIM-1 as an Organic Filler to Enhance the Gas Separation Performance of Ultem Polyetherimide. J. Membr. Sci. 2014, 453, 614–623. [Google Scholar] [CrossRef]
- Malakhov, A.O.; Dibrov, G.A.; Litvinova, E.G.; Novitsky, E.G. Gas Permeability of Homogeneous and Composite Membranes Based on Poly (Trimethylsilylpropyne)/Poly (Vinyltrimethylsilane) Blends. Pet. Chem. 2015, 55, 803–809. [Google Scholar] [CrossRef]
- Malakhov, A.O.; Bazhenov, S.D. Carbon Dioxide Desorption from Amine Solution in a Nonporous Membrane Contactor. Pet. Chem. 2018, 58, 330–337. [Google Scholar] [CrossRef]
- Platé, N.; Yampol’skii, Y. Relationship between structure and transport properties for high free volume polymeric materials. In Polymeric Gas Separation Membranes; CRC Press: Boca Raton, FL, USA, 2018; pp. 155–207. ISBN 1-351-07588-8. [Google Scholar]
- Volkov, A.V.; Fedorov, E.V.; Malakhov, A.O.; Volkov, V.V. Vapor Sorption and Dilation of Poly [(1-Trimethylsilyl)-1-Propyne] in Methanol, Ethanol, and Propanol. Polym. Sci. Ser. BCC Vysokomol. Soedin. 2002, 44, 158–162. [Google Scholar]
- Yushkin, A.; Grekhov, A.; Matson, S.; Bermeshev, M.; Khotimsky, V.; Finkelstein, E.; Budd, P.M.; Volkov, V.; Vlugt, T.J.; Volkov, A. Study of Glassy Polymers Fractional Accessible Volume (FAV) by Extended Method of Hydrostatic Weighing: Effect of Porous Structure on Liquid Transport. React. Funct. Polym. 2015, 86, 269–281. [Google Scholar] [CrossRef]
- Myers, A.L.; Monson, P.A. Physical Adsorption of Gases: The Case for Absolute Adsorption as the Basis for Thermodynamic Analysis. Adsorption 2014, 20, 591–622. [Google Scholar] [CrossRef]
- Nagai, K.; Kanehashi, S.; Tabei, S.; Nakagawa, T. Nitrogen Permeability and Carbon Dioxide Solubility in Poly (1-Trimethylsilyl-1-Propyne)-Based Binary Substituted Polyacetylene Blends. J. Membr. Sci. 2005, 251, 101–110. [Google Scholar] [CrossRef]
- Lau, C.H.; Nguyen, P.T.; Hill, M.R.; Thornton, A.W.; Konstas, K.; Doherty, C.M.; Mulder, R.J.; Bourgeois, L.; Liu, A.C.; Sprouster, D.J. Ending Aging in Super Glassy Polymer Membranes. Angew. Chem. Int. Ed. 2014, 53, 5322–5326. [Google Scholar] [CrossRef] [PubMed]
- Yong, W.F.; Chung, T.-S. Miscible Blends of Carboxylated Polymers of Intrinsic Microporosity (CPIM-1) and Matrimid. Polymer 2015, 59, 290–297. [Google Scholar] [CrossRef]
- Arce, A.; Fornasiero, F.; Rodríguez, O.; Radke, C.J.; Prausnitz, J.M. Sorption and Transport of Water Vapor in Thin Polymer Films at 35 C. Phys. Chem. Chem. Phys. 2004, 6, 103–108. [Google Scholar] [CrossRef]
- Brunauer, S.; Skalny, J.; Bodor, E.E. Adsorption on Nonporous Solids. J. Colloid Interface Sci. 1969, 30, 546–552. [Google Scholar] [CrossRef]
- Vopička, O.; Randová, A.; Friess, K. Sorption of Vapours and Liquids in PDMS: Novel Data and Analysis with the GAB Model of Multilayer Adsorption. Eur. Polym. J. 2014, 60, 49–57. [Google Scholar] [CrossRef]
- Klepácová, K.; Huttenhuis, P.J.; Derks, P.W.; Versteeg, G.F. Vapor Pressures of Several Commercially Used Alkanolamines. J. Chem. Eng. Data 2011, 56, 2242–2248. [Google Scholar] [CrossRef][Green Version]










| The Molecule | Concentration, vol.% | Kinetic Diameter, Å |
|---|---|---|
| CO2 | 15–16 | 3.30 |
| N2 | 70–75 | 3.64 |
| H2O | 5–7 | 2.65 |
| O2 | 3–4 | 3.45 |
| CO | <1 | 3.75 |
| Blend # | The Ratio of PTMSP/PVTMS Fractions in the Membrane, % | Film Thickness, Microns |
|---|---|---|
| 1 | 100/0 | 36 |
| 2 | 90/10 | 30 |
| 3 | 80/20 | 30 |
| 4 | 70/30 | 30 |
| 5 | 40/60 | 31 |
| 6 | 20/80 | 33 |
| 7 | 0/100 | 25 |
| Polymer Blend | Source | T/P (°C/atm) | PN2, Barrer | PCO2, Barrer | α(CO2/N2) |
|---|---|---|---|---|---|
| PTMSP/PVTMS 70/30 | This work | 30/0.2–0.8 | 1050 | 7324 | 6.9 |
| [37] | 30/0.2–0.8 | 990 | 5772 | 5.8 | |
| PIM-1/Ultem 70/30 | [36] | 30/0.2–0.8 | 21.9 | 477.1 | 21.8 |
| cPIM-1/Matrimid 70/30 | [45] | 35/3.5 | 21 | 486 | 23.1 |
| Polymer | S(O2) | S(CO2) | S(CO2)/S(O2) | |||
|---|---|---|---|---|---|---|
| 30 °C | 60 °C | 30 °C | 60 °C | 30 °C | 60 °C | |
| PTMSP | 1.210 | 0.777 | 8.696 | 4.543 | 7.2 | 5.8 |
| Blend #4 | 1.099 | 0.689 | 7.057 | 3.611 | 6.4 | 5.2 |
| Blend #6 | 0.402 | 0.212 | 3.747 | 1.847 | 9.3 | 8.7 |
| Polymer | Vm (cm3(STP)/g) | K | Kas | |||
|---|---|---|---|---|---|---|
| 30 °C | 60 °C | 30 °C | 60 °C | 30 °C | 60 °C | |
| PTMSP | 2.648 | 1.503 | 1.093 | 3.516 | 0.86 | 0.58 |
| Blend #4 | 1.509 | 0.665 | 1.533 | 11.744 | 0.38 | 0.46 |
| Blend #6 | 1.036 | 0.180 | 1.269 | 21.902 | 0.34 | 0.725 |
Publisher’s Note: MDPI stays neutral with regard to jurisdictional claims in published maps and institutional affiliations. |
© 2022 by the authors. Licensee MDPI, Basel, Switzerland. This article is an open access article distributed under the terms and conditions of the Creative Commons Attribution (CC BY) license (https://creativecommons.org/licenses/by/4.0/).
Share and Cite
Kalmykov, D.; Balynin, A.; Yushkin, A.; Grushevenko, E.; Sokolov, S.; Malakhov, A.; Volkov, A.; Bazhenov, S. Membranes Based on PTMSP/PVTMS Blends for Membrane Contactor Applications. Membranes 2022, 12, 1160. https://doi.org/10.3390/membranes12111160
Kalmykov D, Balynin A, Yushkin A, Grushevenko E, Sokolov S, Malakhov A, Volkov A, Bazhenov S. Membranes Based on PTMSP/PVTMS Blends for Membrane Contactor Applications. Membranes. 2022; 12(11):1160. https://doi.org/10.3390/membranes12111160
Chicago/Turabian StyleKalmykov, Denis, Alexey Balynin, Alexey Yushkin, Evgenia Grushevenko, Stepan Sokolov, Alexander Malakhov, Alexey Volkov, and Stepan Bazhenov. 2022. "Membranes Based on PTMSP/PVTMS Blends for Membrane Contactor Applications" Membranes 12, no. 11: 1160. https://doi.org/10.3390/membranes12111160
APA StyleKalmykov, D., Balynin, A., Yushkin, A., Grushevenko, E., Sokolov, S., Malakhov, A., Volkov, A., & Bazhenov, S. (2022). Membranes Based on PTMSP/PVTMS Blends for Membrane Contactor Applications. Membranes, 12(11), 1160. https://doi.org/10.3390/membranes12111160















